Информационная система
«Ёшкин Кот»

Скачать базу одним архивом
Скачать обновления
История создания базы
Карта сайта

Скачать Серия 3.501.1-177.93 Выпуск 0-2. Трубы для железных дорог в умеренных и суровых климатических условиях. Материалы для проектирования

Дата актуализации: 10.08.2017

Серия 3.501.1-177.93

Выпуск 0-2. Трубы для железных дорог в умеренных и суровых климатических условиях. Материалы для проектирования

Обозначение: Серия 3.501.1-177.93
Обозначение англ: Series 3.501.1-177.93
Статус:заменен
Название рус.:Выпуск 0-2. Трубы для железных дорог в умеренных и суровых климатических условиях. Материалы для проектирования
Дата добавления в базу:01.09.2013
Дата актуализации:05.05.2017
Дата введения:25.12.2008
Оглавление:3.501.1-177.93.0-2-ПЗ Пояснительная записка
3.501.1-177.93.0-2-01НИ Номенклатура блоков
3.501.1-177.93.0-2-02 Нагрузки на звенья труб
3.501.1-177.93.0-2-03 Нагрузки на звенья труб. Скальные основания и свайные фундаменты
3.501.1-177.93.0-2-04 Нагрузки на звенья труб для особых условий работы
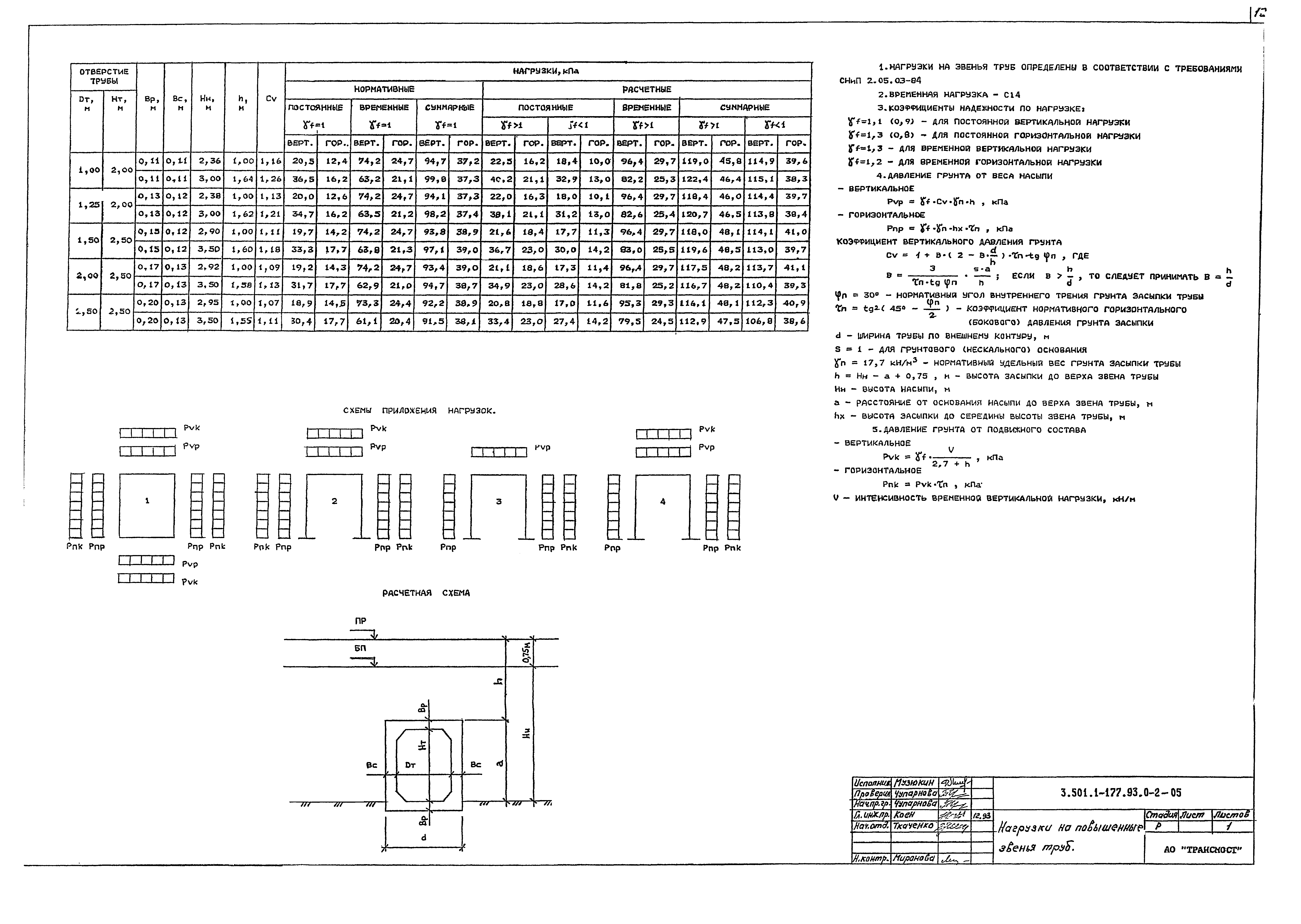
3.501.1-177.93.0-2-05 Нагрузки на повышенные звенья труб
3.501.1-177.93.0-2-06 Подбор сечений звеньев труб отв. 1,0 м
3.501.1-177.93.0-2-07 Подбор сечений звеньев труб отв. 1,25 м
3.501.1-177.93.0-2-08 Подбор сечений звеньев труб отв. 1,5 м
3.501.1-177.93.0-2-09 Подбор сечений звеньев труб отв. 2,0 м
3.501.1-177.93.0-2-10 Подбор сечений звеньев труб отв. 2,5 м
3.501.1-177.93.0-2-11 Подбор сечений звеньев труб отв. 3,0 м
3.501.1-177.93.0-2-12 Подбор сечений звеньев труб отв. 4,0 м
3.501.1-177.93.0-2-13 Подбор сечений повышенных звеньев труб отв: 1,0; 1,25 и 1,5 м
3.501.1-177.93.0-2-14 Подбор сечений повышенных звеньев труб отв: 2,0 и 2,5 м
3.501.1-177.93.0-2-15 Условия применения фундаментов. Расчетные давления по подошве фундамента
3.501.1-177.93.0-2-16 Гидравлические расчеты труб с нормальным звеном
3.501.1-177.93.0-2-17 Гидравлические расчеты труб с повышенным звеном
3.501.1-177.93.0-2-18 Графики водопропускной способности труб
3.501.1-177.93.0-2-19 Схема засыпки трубы
3.501.1-177.93.0-2-20 Конструкция гидроизоляции
3.501.1-177.93.0-2-21 Защитная стенка из асбестоцементных плит
3.501.1-177.93.0-2-22 Укрепление монолитным бетоном. Конструкция укреплений
3.501.1-177.93.0-2-23 Укрепление монолитным бетоном. Ведомость объемов работ
3.501.1-177.93.0-2-24 Укрепление сборными блоками П-1. Конструкция укреплений
3.501.1-177.93.0-2-25 Укрепление сборными блоками П-1. Ведомость объемов работ
3.501.1-177.93.0-2-26 Укрепление сборными блоками ГП. Конструкция укреплений
3.501.1-177.93.0-2-27 Укрепление сборными блоками ГП. Ведомость объемов работ
3.501.1-177.93.0-2-28 Укрепление каменной наброской. Конструкция укреплений
3.501.1-177.93.0-2-29 Укрепление каменной наброской ГП. Ведомость объемов работ
3.501.1-177.93.0-2-30 Укрепление у оголовков с нормальным входным звеном. Конструкция укреплений
3.501.1-177.93.0-2-31 Укрепление у оголовков с нормальным входным звеном. Ведомость объемов работ
3.501.1-177.93.0-2-32 Конструкция конца укрепления
3.501.1-177.93.0-2-33 Ведомость объемов работ на 1 п. м средней части труб
3.501.1-177.93.0-2-34 Ведомость объемов работ на оголовок с нормальным звеном
3.501.1-177.93.0-2-35 Ведомость объемов работ на оголовок с повышенным звеном
3.501.1-177.93.0-2-36 Средняя часть трубы
3.501.1-177.93.0-2-37 Оголовки труб отв. 1,0 и 1,25 м с нормальным звеном
3.501.1-177.93.0-2-38 Оголовки труб отв. 1,5; 2,0 и 2,5 м с нормальным звеном
3.501.1-177.93.0-2-39 Оголовки труб отв. 3,0 и 4,0 м с нормальным звеном
3.501.1-177.93.0-2-40 Оголовки труб отв. 2х1,0 и 2х1,25 м с нормальным звеном
3.501.1-177.93.0-2-41 Оголовки труб отв. 2х1,5; 2х2,0 и 2х2,5 м с нормальным звеном
3.501.1-177.93.0-2-42 Оголовки труб отв. 2х3,0 и 2х4,0 м с нормальным звеном
3.501.1-177.93.0-2-43 Оголовки труб отв. 1,0 и 1,25 м с повышенным звеном
3.501.1-177.93.0-2-44 Оголовки труб отв. 1,5; 2,0 и 2,5 м с повышенным звеном
3.501.1-177.93.0-2-45 Оголовки труб отв. 2х1,0; и 2х1,25 м с повышенным звеном
3.501.1-177.93.0-2-46 Оголовки труб отв. 2х1,5; 2х2,0 и 2х2,5 м с повышенным звеном
3.501.1-177.93.0-2-47 Пример оголовка трубы отв. 2,0 м с повышенным звеном при глубине промерзания 2,0 м
3.501.1-177.93.0-2-48 Пример конструкции трубы отв. 1,25 с фундаментом типа 1
3.501.1-177.93.0-2-49 Пример конструкции трубы отв. 1,5 с фундаментом типа 3
3.501.1-177.93.0-2-50 Пример конструкции трубы отв. 2х1,5 с фундаментом типа 2
Разработан: АО Трансмост
Утверждён:24.07.1990 Минтрансстрой (Mintransstroy АВ-294)
Расположен в:Техническая документация Строительство Справочные документы Типовые строительные конструкции, изделия и узлы Общероссийский строительный каталог Строительные конструкции, изделия и узлы зданий и сооружений для всех видов строительства Конструкции и изделия сооружений и оборудования зданий Надземные сооружения Конструкции и сооружения транспорта Дорожные водопропускные и водоотводные сооружения
Заменяет собой:
Чем заменён:
  • Шифр 2119 «Трубы водопропускные железобетонные прямоугольные сборные для железных и автомобильных дорог»
Серия 3.501.1-177.93Серия 3.501.1-177.93Серия 3.501.1-177.93Серия 3.501.1-177.93Серия 3.501.1-177.93Серия 3.501.1-177.93Серия 3.501.1-177.93Серия 3.501.1-177.93Серия 3.501.1-177.93Серия 3.501.1-177.93Серия 3.501.1-177.93Серия 3.501.1-177.93Серия 3.501.1-177.93Серия 3.501.1-177.93Серия 3.501.1-177.93Серия 3.501.1-177.93Серия 3.501.1-177.93Серия 3.501.1-177.93Серия 3.501.1-177.93Серия 3.501.1-177.93Серия 3.501.1-177.93Серия 3.501.1-177.93Серия 3.501.1-177.93Серия 3.501.1-177.93Серия 3.501.1-177.93Серия 3.501.1-177.93Серия 3.501.1-177.93Серия 3.501.1-177.93Серия 3.501.1-177.93Серия 3.501.1-177.93Серия 3.501.1-177.93Серия 3.501.1-177.93Серия 3.501.1-177.93Серия 3.501.1-177.93Серия 3.501.1-177.93Серия 3.501.1-177.93Серия 3.501.1-177.93Серия 3.501.1-177.93Серия 3.501.1-177.93Серия 3.501.1-177.93Серия 3.501.1-177.93Серия 3.501.1-177.93Серия 3.501.1-177.93Серия 3.501.1-177.93Серия 3.501.1-177.93Серия 3.501.1-177.93Серия 3.501.1-177.93Серия 3.501.1-177.93Серия 3.501.1-177.93Серия 3.501.1-177.93Серия 3.501.1-177.93Серия 3.501.1-177.93Серия 3.501.1-177.93Серия 3.501.1-177.93Серия 3.501.1-177.93Серия 3.501.1-177.93Серия 3.501.1-177.93Серия 3.501.1-177.93Серия 3.501.1-177.93Серия 3.501.1-177.93Серия 3.501.1-177.93Серия 3.501.1-177.93Серия 3.501.1-177.93Серия 3.501.1-177.93Серия 3.501.1-177.93Серия 3.501.1-177.93Серия 3.501.1-177.93Серия 3.501.1-177.93Серия 3.501.1-177.93Серия 3.501.1-177.93Серия 3.501.1-177.93Серия 3.501.1-177.93

© 2013 Ёшкин Кот :-) Карта сайта