Информационная система
«Ёшкин Кот»

Скачать базу одним архивом
Скачать обновления
История создания базы
Карта сайта

Скачать Серия 3.503.1-95 Выпуск 2-1. Прямые путепроводы. Железобетонные изделия. Рабочие чертежи

Дата актуализации: 10.08.2017

Серия 3.503.1-95

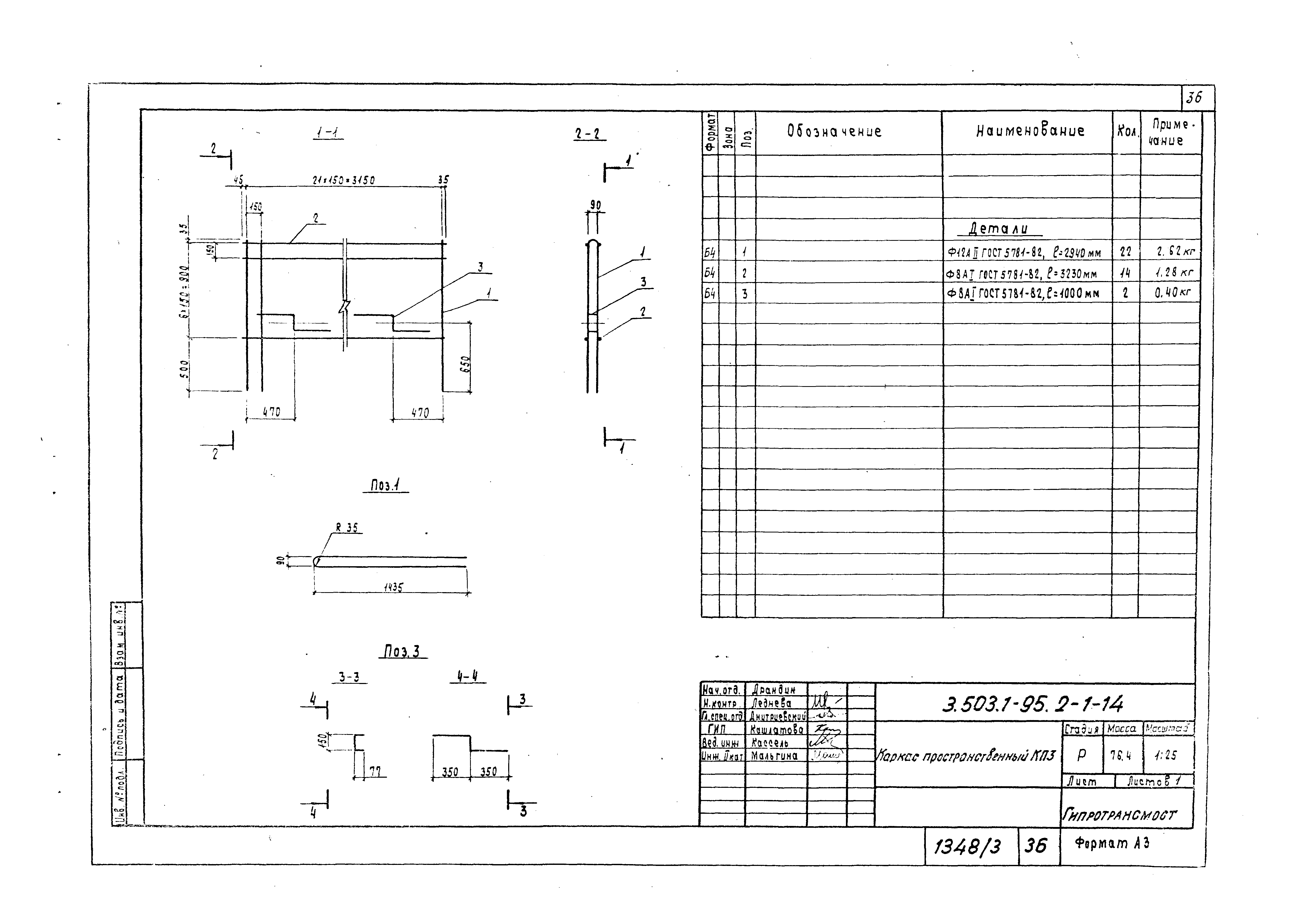
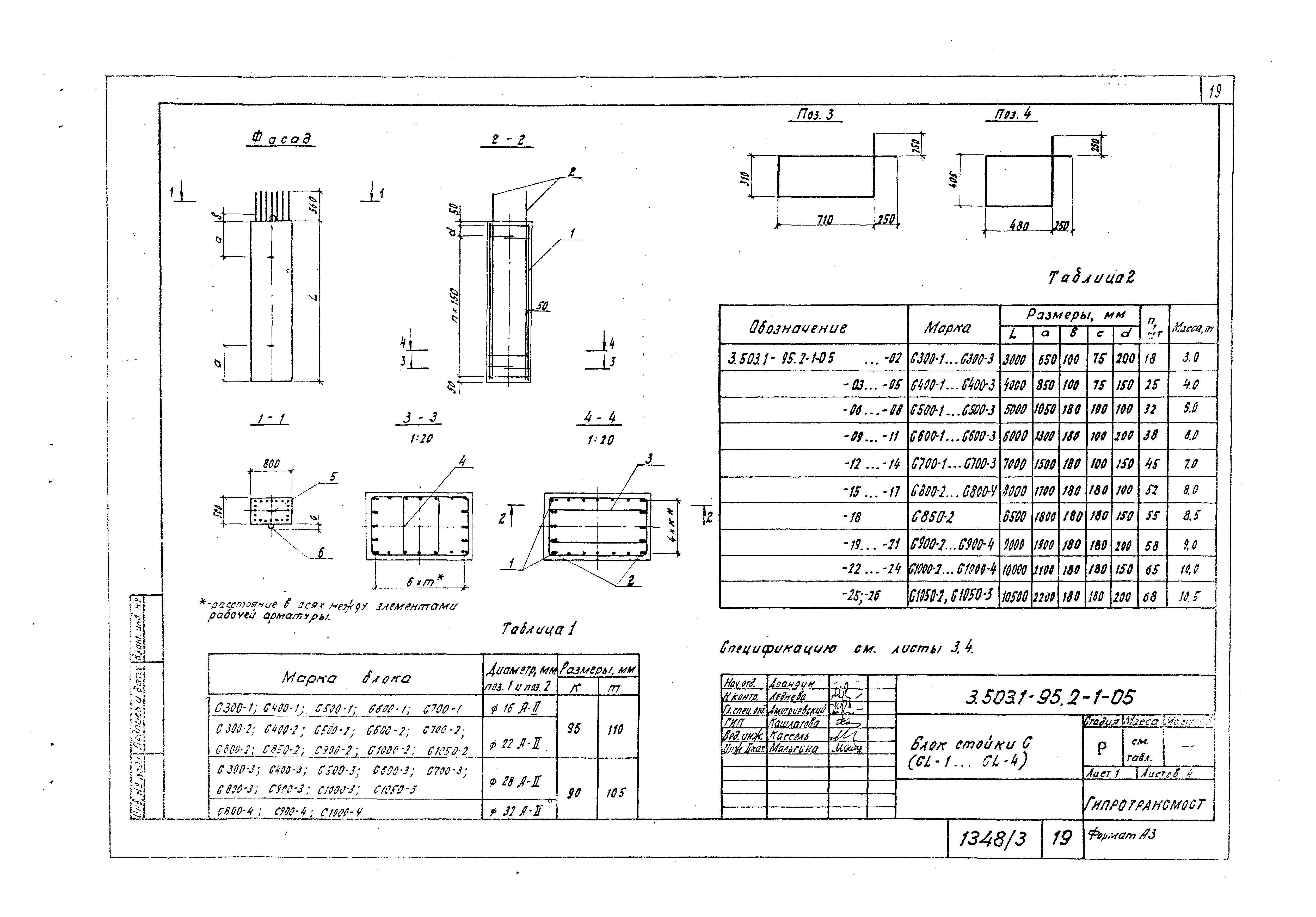
Выпуск 2-1. Прямые путепроводы. Железобетонные изделия. Рабочие чертежи

Обозначение: Серия 3.503.1-95
Обозначение англ: Series 3.503.1-95
Статус:не определен законодательством
Название рус.:Выпуск 2-1. Прямые путепроводы. Железобетонные изделия. Рабочие чертежи
Дата добавления в базу:01.09.2013
Дата актуализации:05.05.2017
Дата введения:01.12.1990
Разработан: Гипротрансмост
Утверждён:04.07.1988 Министерство транспортного строительства СССР (USSR Ministry of Transport Construction АВ-455)
Расположен в:Техническая документация Строительство Справочные документы Типовые строительные конструкции, изделия и узлы Общероссийский строительный каталог Строительные конструкции, изделия и узлы зданий и сооружений для всех видов строительства Конструкции и изделия сооружений и оборудования зданий Надземные сооружения Конструкции и сооружения транспорта Пролетные строения мостов, мосты и путепроводы
Заменяет собой:
Серия 3.503.1-95Серия 3.503.1-95Серия 3.503.1-95Серия 3.503.1-95Серия 3.503.1-95Серия 3.503.1-95Серия 3.503.1-95Серия 3.503.1-95Серия 3.503.1-95Серия 3.503.1-95Серия 3.503.1-95Серия 3.503.1-95Серия 3.503.1-95Серия 3.503.1-95Серия 3.503.1-95Серия 3.503.1-95Серия 3.503.1-95Серия 3.503.1-95Серия 3.503.1-95Серия 3.503.1-95Серия 3.503.1-95Серия 3.503.1-95Серия 3.503.1-95Серия 3.503.1-95Серия 3.503.1-95Серия 3.503.1-95Серия 3.503.1-95Серия 3.503.1-95Серия 3.503.1-95Серия 3.503.1-95Серия 3.503.1-95Серия 3.503.1-95Серия 3.503.1-95Серия 3.503.1-95Серия 3.503.1-95Серия 3.503.1-95Серия 3.503.1-95Серия 3.503.1-95Серия 3.503.1-95Серия 3.503.1-95Серия 3.503.1-95Серия 3.503.1-95Серия 3.503.1-95Серия 3.503.1-95Серия 3.503.1-95Серия 3.503.1-95Серия 3.503.1-95Серия 3.503.1-95Серия 3.503.1-95Серия 3.503.1-95Серия 3.503.1-95Серия 3.503.1-95Серия 3.503.1-95Серия 3.503.1-95Серия 3.503.1-95Серия 3.503.1-95Серия 3.503.1-95Серия 3.503.1-95Серия 3.503.1-95Серия 3.503.1-95Серия 3.503.1-95Серия 3.503.1-95Серия 3.503.1-95Серия 3.503.1-95

© 2013 Ёшкин Кот :-) Карта сайта