Информационная система
«Ёшкин Кот»

Скачать базу одним архивом
Скачать обновления
История создания базы
Карта сайта

Скачать Серия 3.501.1-146 Выпуск 2. Арматурные изделия. Рабочие чертежи

Дата актуализации: 10.08.2017

Серия 3.501.1-146

Выпуск 2. Арматурные изделия. Рабочие чертежи

Обозначение: Серия 3.501.1-146
Обозначение англ: Series 3.501.1-146
Статус:не определен законодательством
Название рус.:Выпуск 2. Арматурные изделия. Рабочие чертежи
Дата добавления в базу:01.09.2013
Дата актуализации:05.05.2017
Дата введения:01.01.1990
Оглавление:3.501.1.-146.2 С1 … С13.0 Сетка плиты арматурная С1 … С13
3.501.1.-146.2 С14 … С27.0 Сетка плиты арматурная С14 … С27
3.501.1.-146.2 С28 … С39.0 Сетка плиты арматурная С28 … С39
3.501.1.-146.2 С40 … С45.0 Сетка плиты арматурная С40 … С45
3.501.1.-146.2 С48 … С57.0 Сетка плиты арматурная С48 … С57
3.501.1.-146.2 С58 … С63.0 Сетка плиты арматурная С58 … С63
3.501.1.-146.2 С64 … С75.0 Сетка бортика арматурная С64 … С75
3.501.1.-146.2 С76 … С87.0 Сетка бортика арматурная С76 … С87
3.501.1.-146.2 С88 … С100.0 Сетка бортика арматурная С88 … С100
3.501.1.-146.2 С101 … С113.0 Сетка бортика арматурная С101 … С113
3.501.1.-146.2 С114 … С125.0 Сетка бортика арматурная С114 … С125
3.501.1.-146.2 С126 … С137.0 Сетка бортика арматурная С126 … С137
3.501.1.-146.2 С138.0 Сетка бортика арматурная С138.0
3.501.1.-146.2 С201.0 Сетка диафрагмы арматурная С201
3.501.1.-146.2 С139 … С142.0 Сетка ребра арматурная С139 … С142
3.501.1.-146.2 С143 … С146.0 Сетка ребра арматурная С143 … С146
3.501.1.-146.2 С147 … С151.0 Сетка ребра арматурная С147 … С151
3.501.1.-146.2 С152 … С156.0 Сетка ребра арматурная С152 … С156
3.501.1.-146.2 С157 … С161.0 Сетка ребра арматурная С157 … С161
3.501.1.-146.2 С162 … С166.0 Сетка ребра арматурная С162 … С166
3.501.1.-146.2 С167 … С170.0 Сетка ребра арматурная С167 … С170
3.501.1.-146.2 С171 … С174.0 Сетка ребра арматурная С171 … С174
3.501.1.-146.2 С175 … С178.0 Сетка ребра арматурная С175 … С178
3.501.1.-146.2 С179 … С182.0 Сетка ребра арматурная С179 … С182
3.501.1.-146.2 С183 … С184.0 Сетка ребра арматурная С183 … С184
3.501.1.-146.2 С185 … С186.0 Сетка ребра арматурная С185 … С186
3.501.1.-146.2 С187 … С189.0 Сетка ребра арматурная С187 … С189
3.501.1.-146.2 С190 … С192.0 Сетка ребра арматурная С190 … С192
3.501.1.-146.2 С193 … С196.0 Сетка ребра арматурная С193 … С196
3.501.1.-146.2 С197 … С200.0 Сетка ребра арматурная С197 … С200
3.501.1.-146.2 С203 … С205.0 Сетка ребра арматурная С203 … С205
3.501.1.-146.2 С206 … С208.0 Сетка ребра арматурная С206 … С208
3.501.1.-146.2 С209 … С212.0 Сетка ребра арматурная С209 … С212
3.501.1.-146.2 С213 … С216.0 Сетка ребра арматурная С213 … С216
3.501.1.-146.2 С217 … С220.0 Сетка ребра арматурная С217 … С220
3.501.1.-146.2 С221 … С224.0 Сетка ребра арматурная С221 … С224
3.501.1.-146.2 С225 … С229.0 Сетка ребра арматурная С225 … С229
3.501.1.-146.2 С230 … С234.0 Сетка ребра арматурная С230 … С234
3.501.1.-146.2 С235 … С238.0 Сетка диафрагмы арматурная С235 … С238
3.501.1.-146.2 С239 … С250.0 Сетка вутов арматурная С239 … С250
3.501.1.-146.2 С251 … С262.0 Сетка вутов арматурная С251 … С262
3.501.1.-146.2 С263 … С269.0 Сетка плиты арматурная С263 … С269
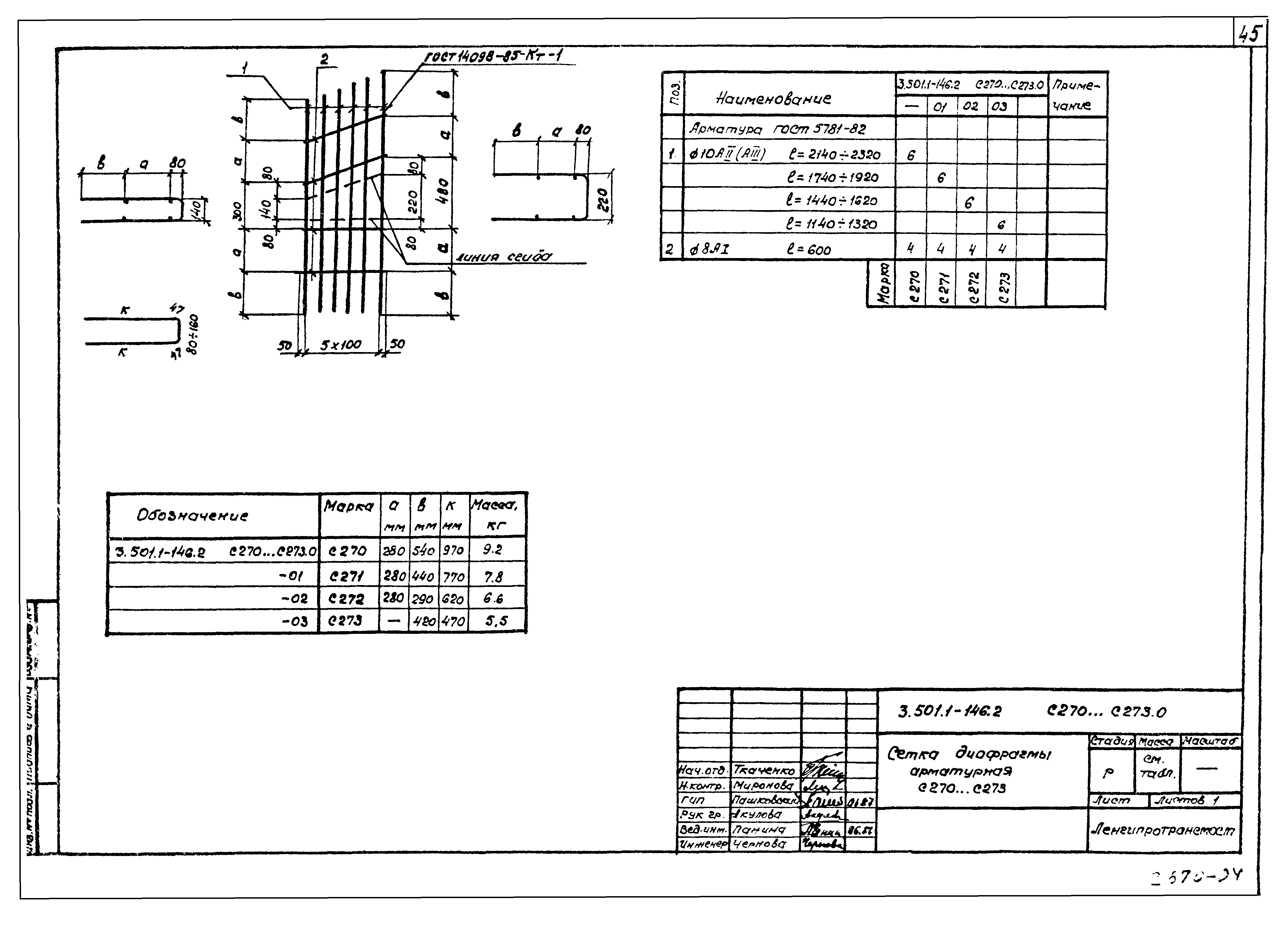
3.501.1.-146.2 С270 … С273.0 Сетка диафрагмы арматурная С270 … С273
3.501.1.-146.2 С274.0 Сетка бортика арматурная С274
3.501.1.-146.2 С275.0 Сетка арматурная С275
3.501.1.-146.2 С276.0 Сетка арматурная С276
Разработан: Ленгипротрансмост
Утверждён:28.07.1989 МПС (Ministry of Railroads Г-1976у)
Расположен в:Техническая документация Строительство Справочные документы Типовые строительные конструкции, изделия и узлы Общероссийский строительный каталог Строительные конструкции, изделия и узлы зданий и сооружений для всех видов строительства Конструкции и изделия сооружений и оборудования зданий Надземные сооружения Конструкции и сооружения транспорта Пролетные строения мостов, мосты и путепроводы
Серия 3.501.1-146Серия 3.501.1-146Серия 3.501.1-146Серия 3.501.1-146Серия 3.501.1-146Серия 3.501.1-146Серия 3.501.1-146Серия 3.501.1-146Серия 3.501.1-146Серия 3.501.1-146Серия 3.501.1-146Серия 3.501.1-146Серия 3.501.1-146Серия 3.501.1-146Серия 3.501.1-146Серия 3.501.1-146Серия 3.501.1-146Серия 3.501.1-146Серия 3.501.1-146Серия 3.501.1-146Серия 3.501.1-146Серия 3.501.1-146Серия 3.501.1-146Серия 3.501.1-146Серия 3.501.1-146Серия 3.501.1-146Серия 3.501.1-146Серия 3.501.1-146Серия 3.501.1-146Серия 3.501.1-146Серия 3.501.1-146Серия 3.501.1-146Серия 3.501.1-146Серия 3.501.1-146Серия 3.501.1-146Серия 3.501.1-146Серия 3.501.1-146Серия 3.501.1-146Серия 3.501.1-146Серия 3.501.1-146Серия 3.501.1-146Серия 3.501.1-146Серия 3.501.1-146Серия 3.501.1-146Серия 3.501.1-146Серия 3.501.1-146Серия 3.501.1-146Серия 3.501.1-146Серия 3.501.1-146

© 2013 Ёшкин Кот :-) Карта сайта