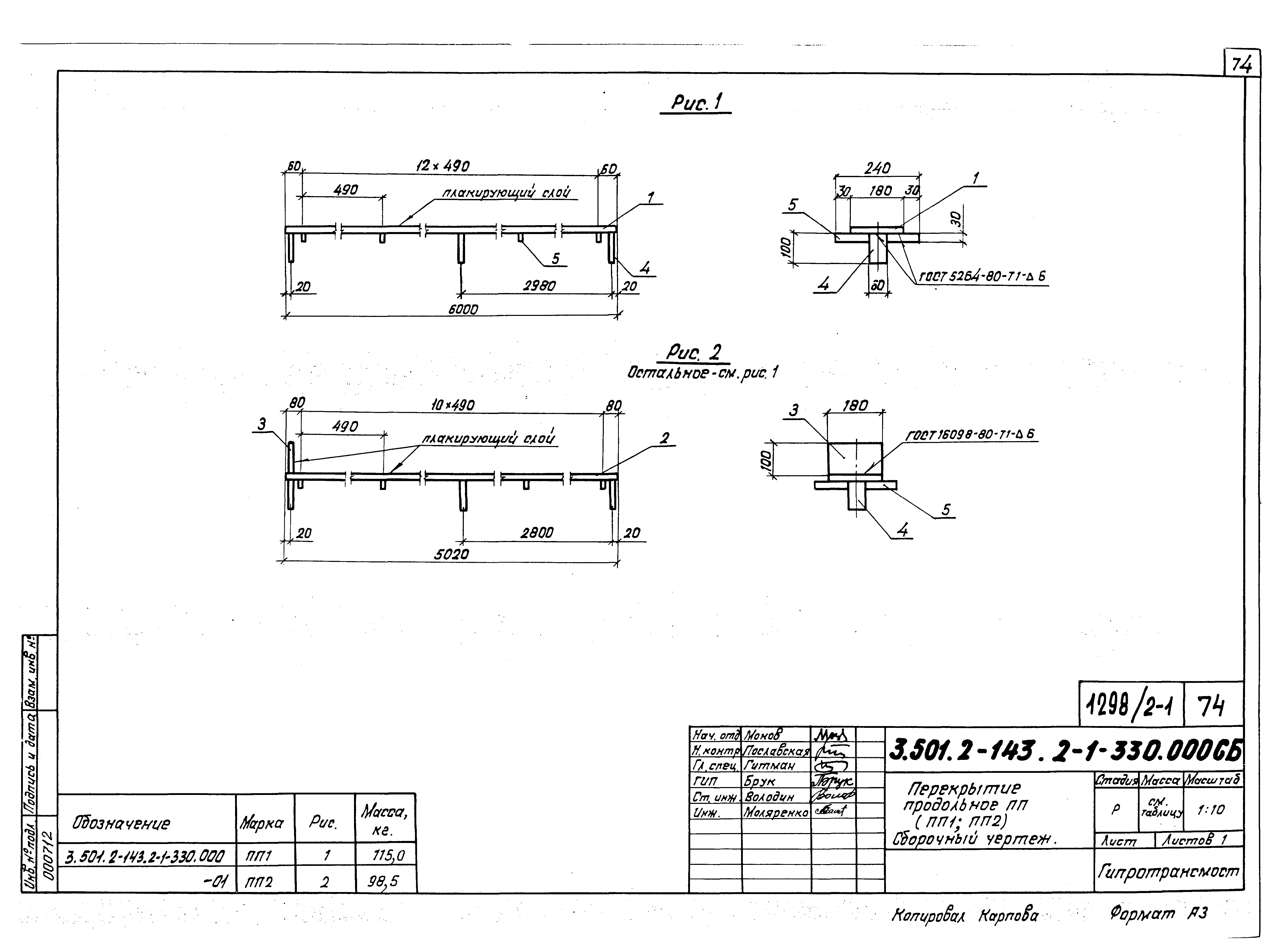
Скачать Серия 3.501.2-143 Выпуск 2-1. Пролетное строение Lp=33,6 м. Элементы конструкций. Чертежи КМДата актуализации: 10.08.2017 Серия 3.501.2-143
Выпуск 2-1. Пролетное строение Lp=33,6 м. Элементы конструкций. Чертежи КМ| Обозначение: | Серия 3.501.2-143 | | Обозначение англ: | Series 3.501.2-143 | | Статус: | не определен законодательством | | Название рус.: | Выпуск 2-1. Пролетное строение Lp=33,6 м. Элементы конструкций. Чертежи КМ | | Дата добавления в базу: | 01.09.2013 | | Дата актуализации: | 05.05.2017 | | Дата введения: | 01.07.1987 | | Разработан: | Гипротрансмост
| | Утверждён: | 27.01.1987 МПС СССР (USSR Ministry of Railroads А424у)
| | Расположен в: |
|
                                                                                         
|