| ||||||||||||||||||||||||
Скачать Серия 3.503.1-109.93 Выпуск 1. Материалы для проектирования и рабочие чертежиДата актуализации: 10.08.2017
|
| Обозначение: | Серия 3.503.1-109.93 |
| Обозначение англ: | Series 3.503.1-109.93 |
| Статус: | не определен законодательством |
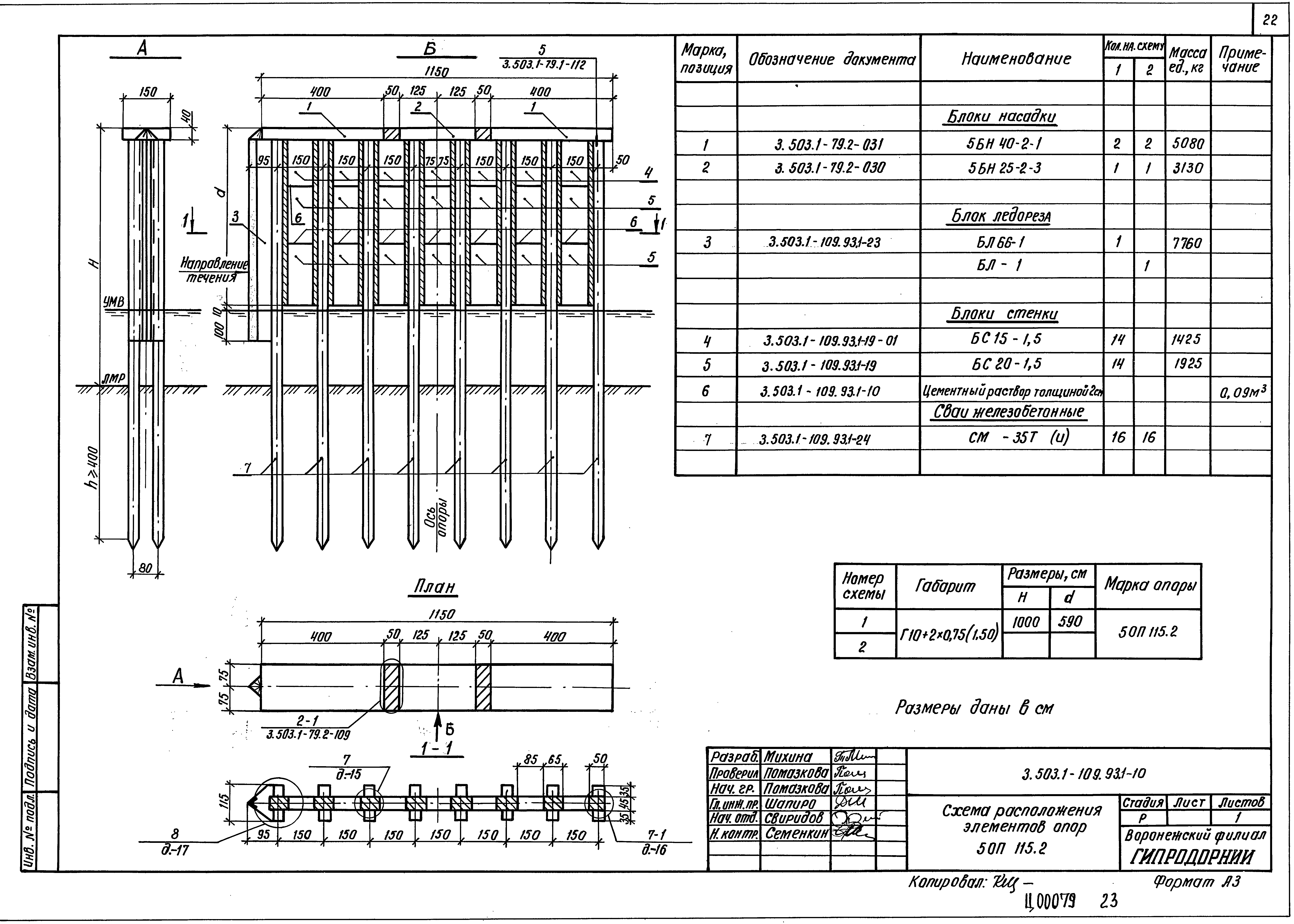
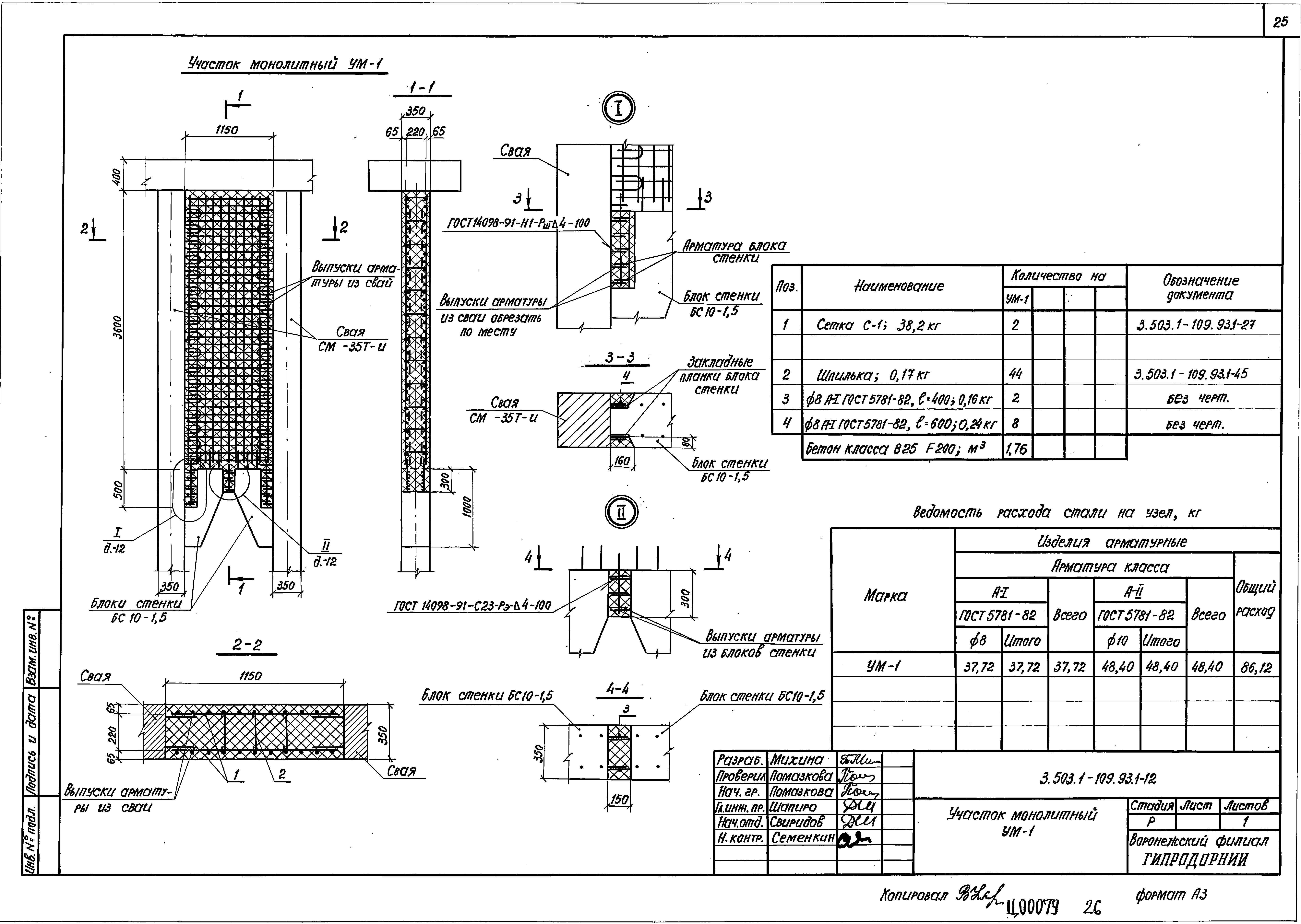
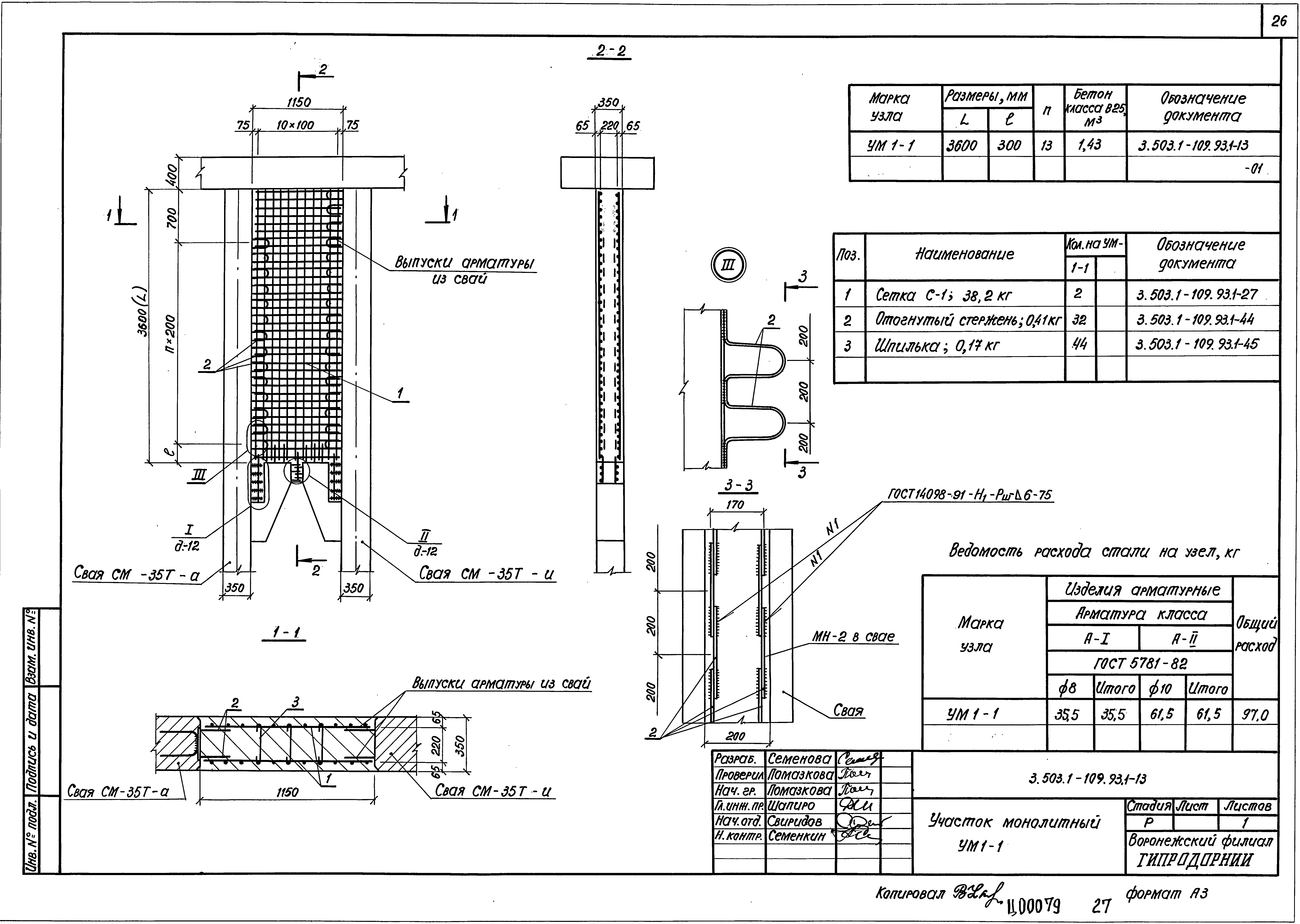
| Название рус.: | Выпуск 1. Материалы для проектирования и рабочие чертежи |
| Дата добавления в базу: | 01.09.2013 |
| Дата актуализации: | 05.05.2017 |
| Дата введения: | 01.07.1993 |
| Разработан: | Воронежский филиал ГипродорНИИ |
| Утверждён: | 09.03.1993 Гипродорнии (Giprodornii 25) |
| Расположен в: |























































