| ||||||||||||||||||||||||||
Скачать Серия 3.503.1-60 Выпуск 5. Специальные вспомогательные сооружения и устройства. Рабочие чертежиДата актуализации: 10.08.2017
|
| Обозначение: | Серия 3.503.1-60 |
| Обозначение англ: | Series 3.503.1-60 |
| Статус: | не определен законодательством |
| Название рус.: | Выпуск 5. Специальные вспомогательные сооружения и устройства. Рабочие чертежи |
| Дата добавления в базу: | 01.09.2013 |
| Дата актуализации: | 05.05.2017 |
| Дата введения: | 01.01.1986 |
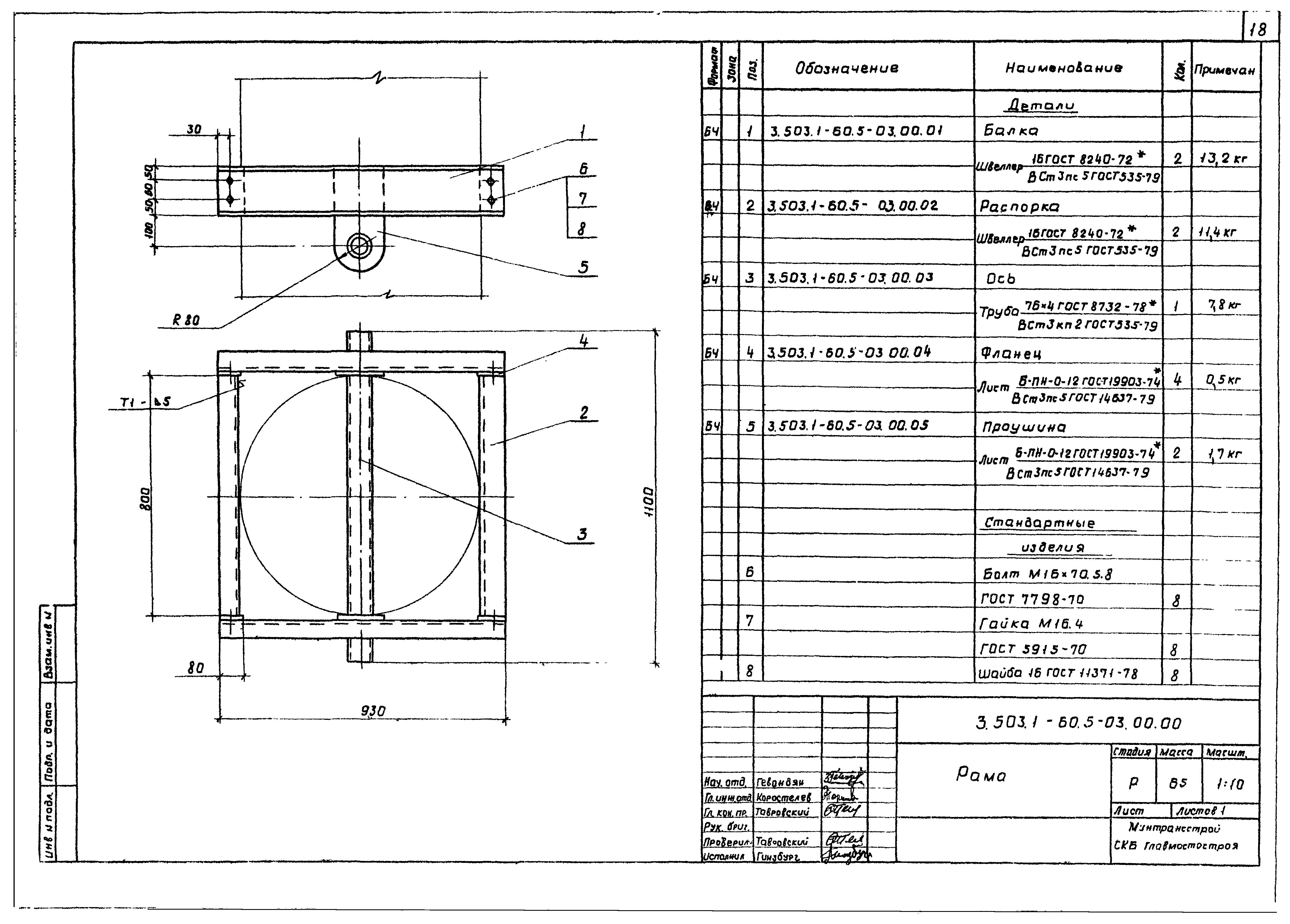
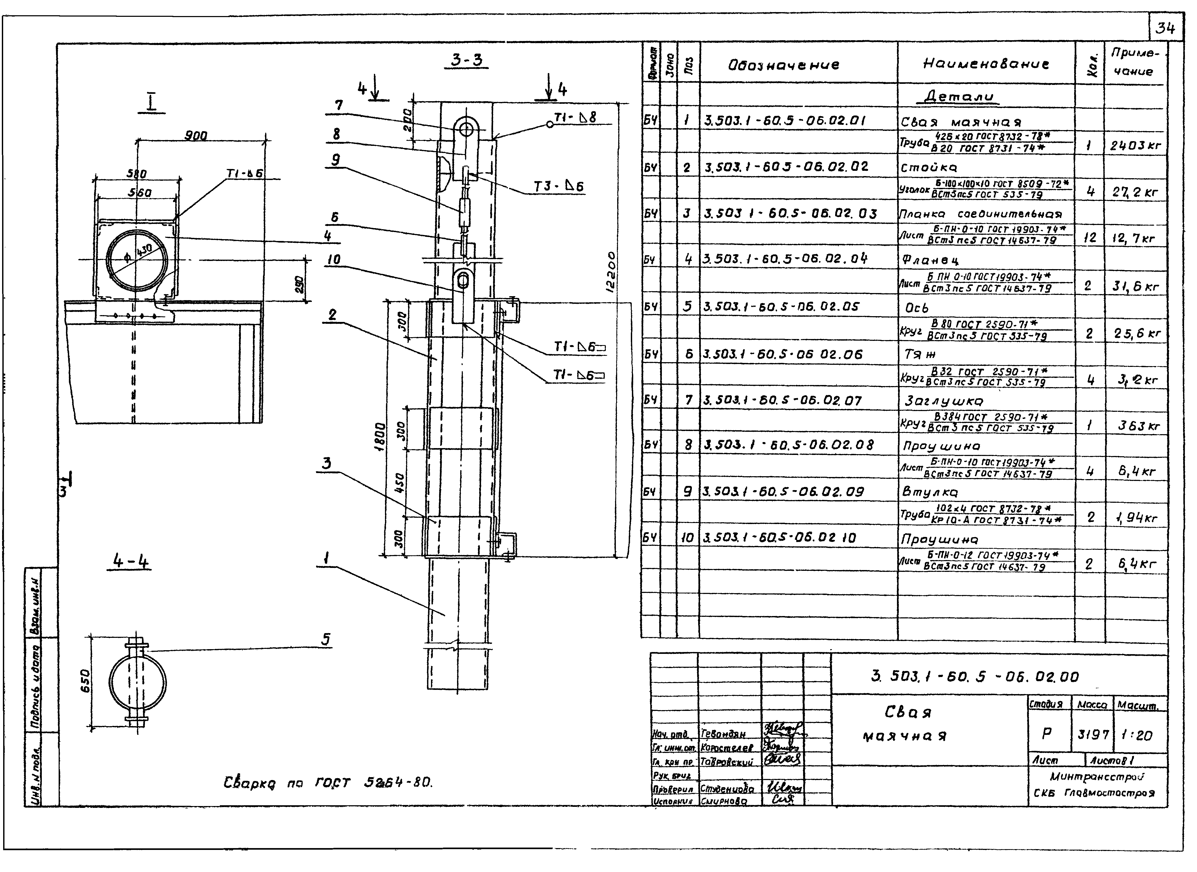
| Оглавление: | 3.503.1-60.5-00.00.00 ПЗ Пояснительная записка 3.503.1-60.5-01.00.00 Каркас направляющий 3.503.1-60.5-01.01.00 Рама направляющая 3.503.1-60.5-01.02.00 Пригруз 3.503.1-60.5-01.03.00 Балка опорная 3.503.1-60.5-02.00.00 Подмости 3.503.1-60.5-02.01.00 Хомут В1 3.503.1-60.5-02.02.00 Связь В2; В3 3.503.1-60.5-02.03.00 Связь В4; В9 3.503.1-60.5-03.00.00 Рама 3.503.1-60.5-04.00.00 Устройство строповочное 3.503.1-60.5-04.01.00 Шторм - трап С1 3.503.1-60.5-04.02.00 Траверса С2 3.503.1-60.5-05.00.00 Строповка столба 3.503.1-60.5-06.00.00 Плавкондуктор 3.503.1-60.5-06.01.00 Плашкоут 3.503.1-60.5-06.02.00 Свая маячная 3.503.1-60.5-07.00.00 Каркас направляющий 3.503.1-60.5-08.00.00 Обстройка опоры 3.503.1-60.5-09.00.00 Рама 3.503.1-60.5-10.00.00 Подмости 3.503.1-60.5-11.00.00 Плавкран 3.503.1-60.5-12.00.00 Якорь земляной 3.503.1-60.5-13.00.00 Якорь - присос 3.503.1-60.5-14.00.00 Кран РДК-25 на плашкоуте из понтонов КС-63. Общий вид 3.503.1-60.5-15.00.00 Кран РДК-25 на плашкоуте из понтонов УП-78 3.503.1-60.5-16.00.00 Распределительный пакет с обстройкой деревом |
| Разработан: | СКБ Главмостостроя |
| Утверждён: | 29.12.1985 Минавтодор РСФСР (Russian Federation Minavtodor ) |
| Расположен в: |





























































