| ||||||||||||||||||||||||||||
Скачать Серия 3.407.9-161 Выпуск 3. Стальные конструкции. Чертежи КМДата актуализации: 10.08.2017
|
| Обозначение: | Серия 3.407.9-161 |
| Обозначение англ: | Series 3.407.9-161 |
| Статус: | действует |
| Название рус.: | Выпуск 3. Стальные конструкции. Чертежи КМ |
| Дата добавления в базу: | 01.09.2013 |
| Дата актуализации: | 05.05.2017 |
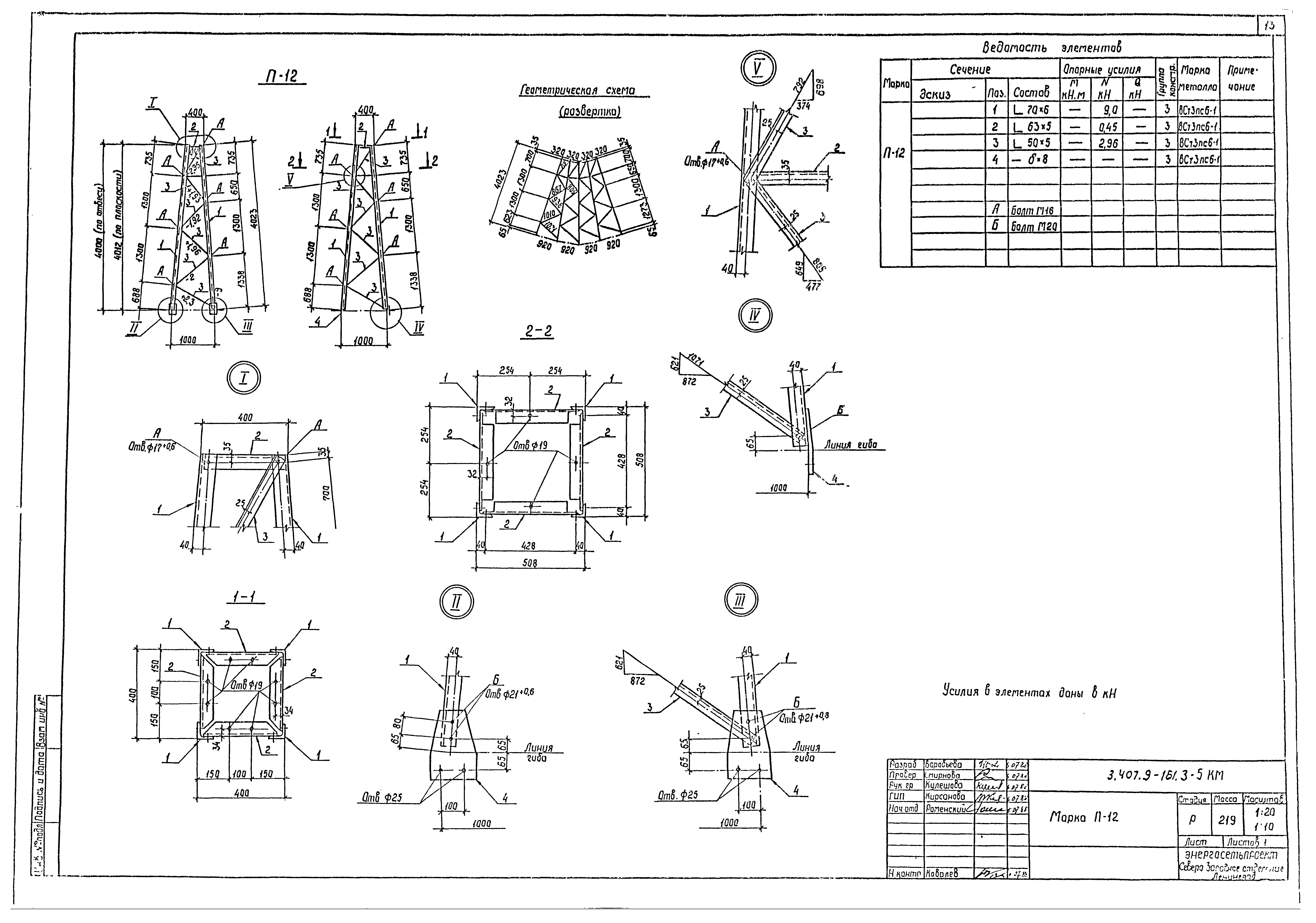
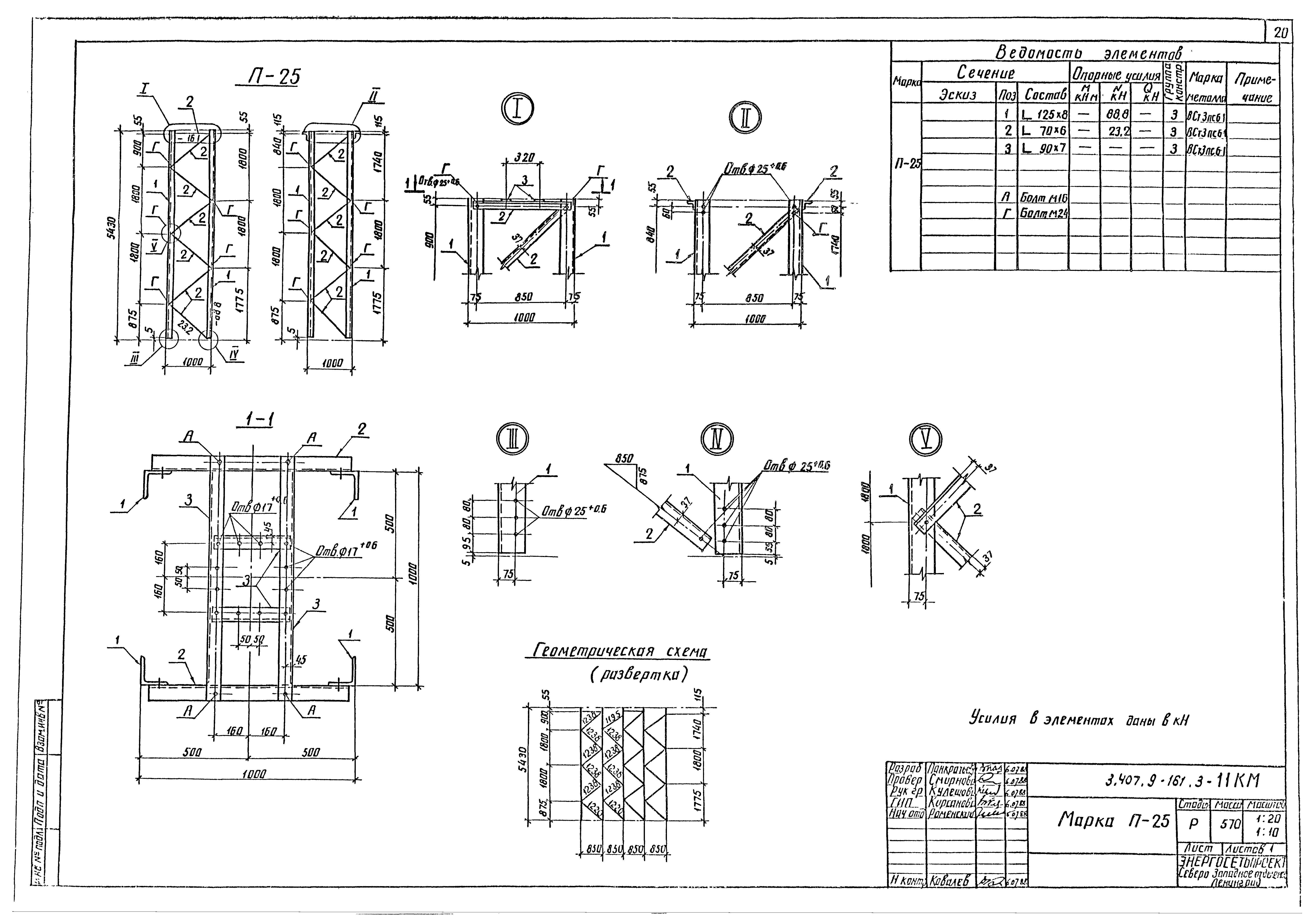
| Оглавление: | 3.407.9-161.3-ТО Техническое описание 3.407.9-161.3-А1 Ведомость расхода стали 3.407.9-161.3-А2 Ведомость металлоконструкций по видам профилей 3.407.9-161.3-1кмл 1, 2 Марка П (П-1, П-2) 3.407.9-161.3-2кмл 1, 2 Марка П (П-3, П-4) 3.407.9-161.3-3км Марка П-5 3.407.9-161.3-4км Марка П-11 3.407.9-161.3-5км Марка П-12 3.407.9-161.3-6км Марка П (П-13 … П-16) 3.407.9-161.3-7кмл 1,2 Марка П (П-21, П-21А) 3.407.9-161.3-8км Марка П (П-22, П-22А) 3.407.9-161.3-9км Марка П-23 3.407.9-161.3-10км Марка П-24 3.407.9-161.3-11км Марка П-25 3.407.9-161.3-12км Марка П (П-31, П-32) 3.407.9-161.3-13км Марка П (П-33 … П-35, П-41 … П-43) 3.407.9-161.3-14км Марка П-36 3.407.9-161.3-15км Марка П (П-50, П-51, П-77 … П-81) 3.407.9-161.3-16км Марка П (П-52, П-53, П-54) 3.407.9-161.3-17км Марка П (П-70, П-82 … П-87) 3.407.9-161.3-18км Марка П (П-71 … П-7) 3.407.9-161.3-19км Марка П (П-88, П-89) |
| Разработан: | Севзапэнергосетьпроект |
| Утверждён: | 11.07.1988 Минэнерго СССР (USSR Minenergo 10) |
| Издан: | ЦИТП Госстроя СССР (CITP, Gosstroy (USSR) 1988 г. ) |
| Расположен в: | |
| Заменяет собой: |




























