| ||||||||||||||||||||||||||
Скачать Серия 3.407.9-153 Выпуск 1. Опоры под оборудование для ОРУ 35 кВ. Рабочие чертежиДата актуализации: 10.08.2017
|
| Обозначение: | Серия 3.407.9-153 |
| Обозначение англ: | Series 3.407.9-153 |
| Статус: | действует |
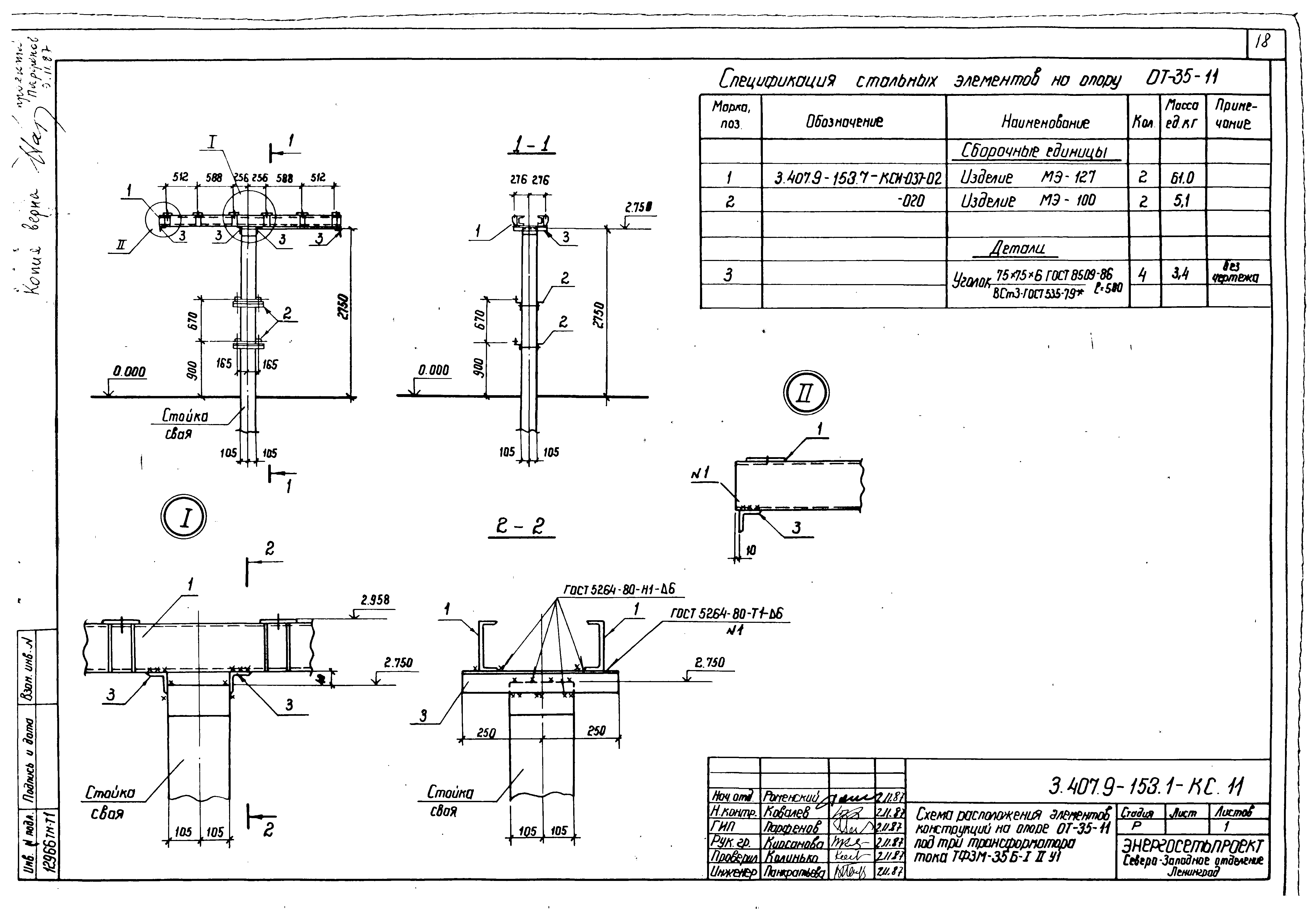
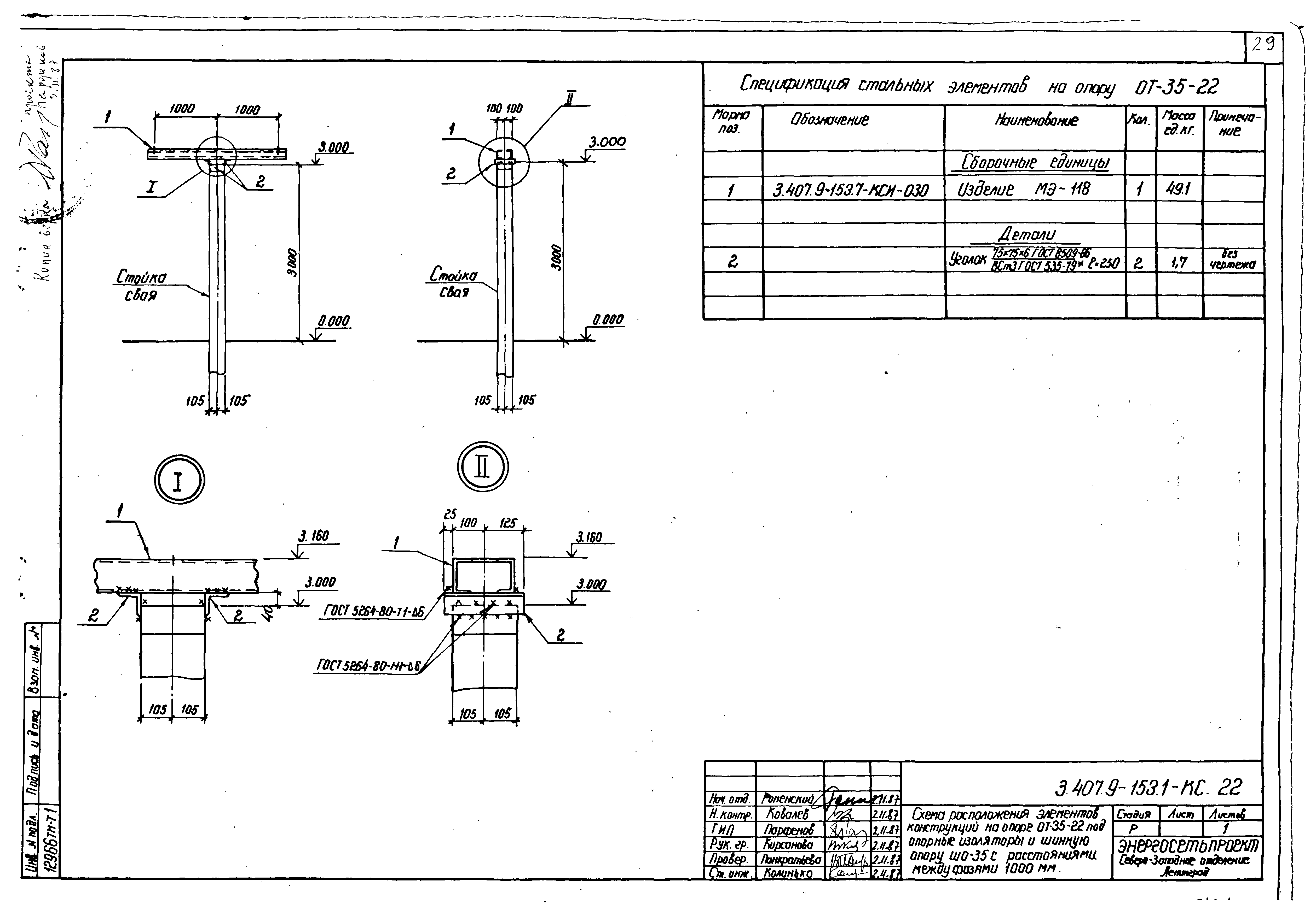
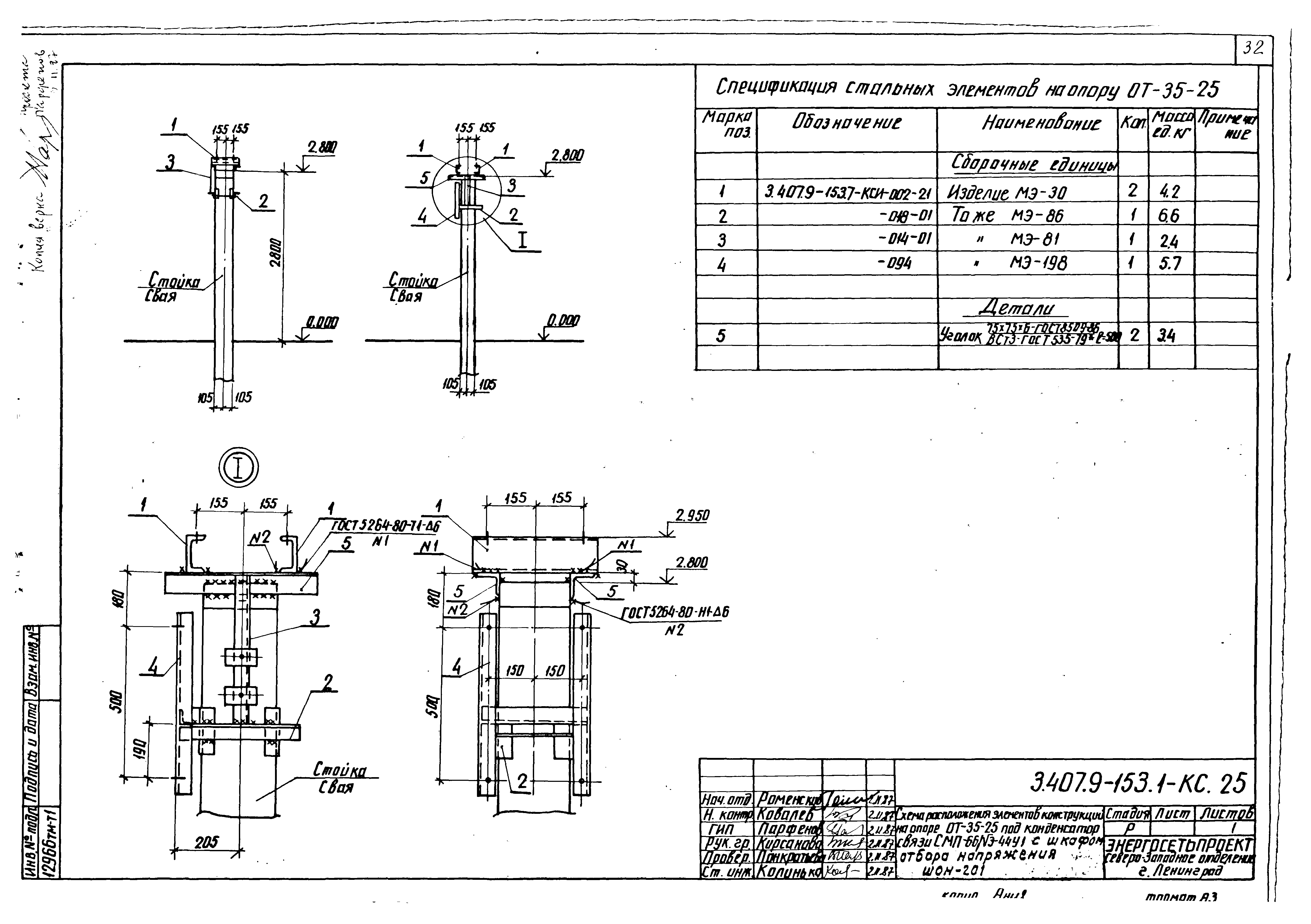
| Название рус.: | Выпуск 1. Опоры под оборудование для ОРУ 35 кВ. Рабочие чертежи |
| Дата добавления в базу: | 01.09.2013 |
| Дата актуализации: | 05.05.2017 |
| Дата введения: | 01.03.1988 |
| Разработан: | Северо-западное отделение института Энергосетьпроект |
| Утверждён: | 16.03.1988 Минэнерго СССР (USSR Minenergo 20) |
| Издан: | ЦИТП Госстроя СССР (CITP, Gosstroy (USSR) 1988 г. ) |
| Расположен в: |




































