Информационная система
«Ёшкин Кот»

Скачать базу одним архивом
Скачать обновления
История создания базы
Карта сайта

Скачать Серия 3.901.1-14 Выпуск 1. Панели стеновые. Рабочие чертежи

Дата актуализации: 10.08.2017

Серия 3.901.1-14

Выпуск 1. Панели стеновые. Рабочие чертежи

Обозначение: Серия 3.901.1-14
Обозначение англ: Series 3.901.1-14
Статус:действует
Название рус.:Выпуск 1. Панели стеновые. Рабочие чертежи
Дата добавления в базу:01.09.2013
Дата актуализации:05.05.2017
Дата введения:01.07.1985
Оглавление:3.900.1-14.1-ПЗ Пояснительная записка
3.900.1-14.1-НИ Номенклатура изделий для круглых колодцев
3.900.1-14.1-1 Кольцо стеновое КС7.3;КС10.3
3.900.1-14.1-2 Кольцо стеновое КС10.6;КС13.6;КС15.6;КС20.6;КС25.6
3.900.1-14.1-3 Кольцо стеновое КС7.9;КС10.9;КС15.9;КС20.9
3.900.1-14.1-4 Кольцо стеновое КС15.8
3.900.1-14.1-5 Кольцо стеновое КС9а;КС13.9а;КС15.9а;КС13.9б;КС15.9б;КС20.9б
3.900.1-14.1-6 Кольцо стеновое КС20.12а;КС25.12а;КС20.12б;КС25.12б
3.900.1-14.1-7 Кольцо стеновое КС10.18а;КС15.18а;КС15.18б;КС20.18б
3.900.1-14.1-8 Кольцо стеновое КС15.6б;КС20.6б
3.900.1-14.1-9 Плита перекрытия ПП10-1;ПП10-2;ПП13-1;ПП13-2
3.900.1-14.1-10 Плита перекрытия 1ПП15-1;1ПП15-2;2ПП15-1;2ПП15-2;3ПП15-1;3ПП15-2
3.900.1-14.1-11 Плита перекрытия 1ПП20-1;1ПП20-2;2ПП20-1;2ПП20-2
3.900.1-14.1-12 Плита днища ПН10;ПН15;ПН20;ПН25
3.900.1-14.1-13 Кольцо опорное КО6
3.900.1-14.1-14 Плита опорная ПО10
3.900.1-14.1-15 Плита дорожная ПД6
3.900.1-14.1-16 Плита дорожная ПД10
3.900.1-14.1-17 Узел 1;2;3
3.900.1-14.1-18 Сетка С1…С7
3.900.1-14.1-19 Сетка С8…С12
3.900.1-14.1-20 Сетка С13;С14;С15
3.900.1-14.1-21 Сетка С16;С17
3.900.1-14.1-22 Сетка С18;С19;С27
3.900.1-14.1-23 Сетка С20;С21
3.900.1-14.1-24 Сетка С22;С23;С24
3.900.1-14.1-25 Сетка С25;С26
3.900.1-14.1-26 Сетка С28...С32;С35…С43
3.900.1-14.1-27 Сетка С33;С34
3.900.1-14.1-28 Сетка С44...С51
3.900.1-14.1-29 Сетка С52
3.900.1-14.1-30 Сетка С53
3.900.1-14.1-31 Сетка С54
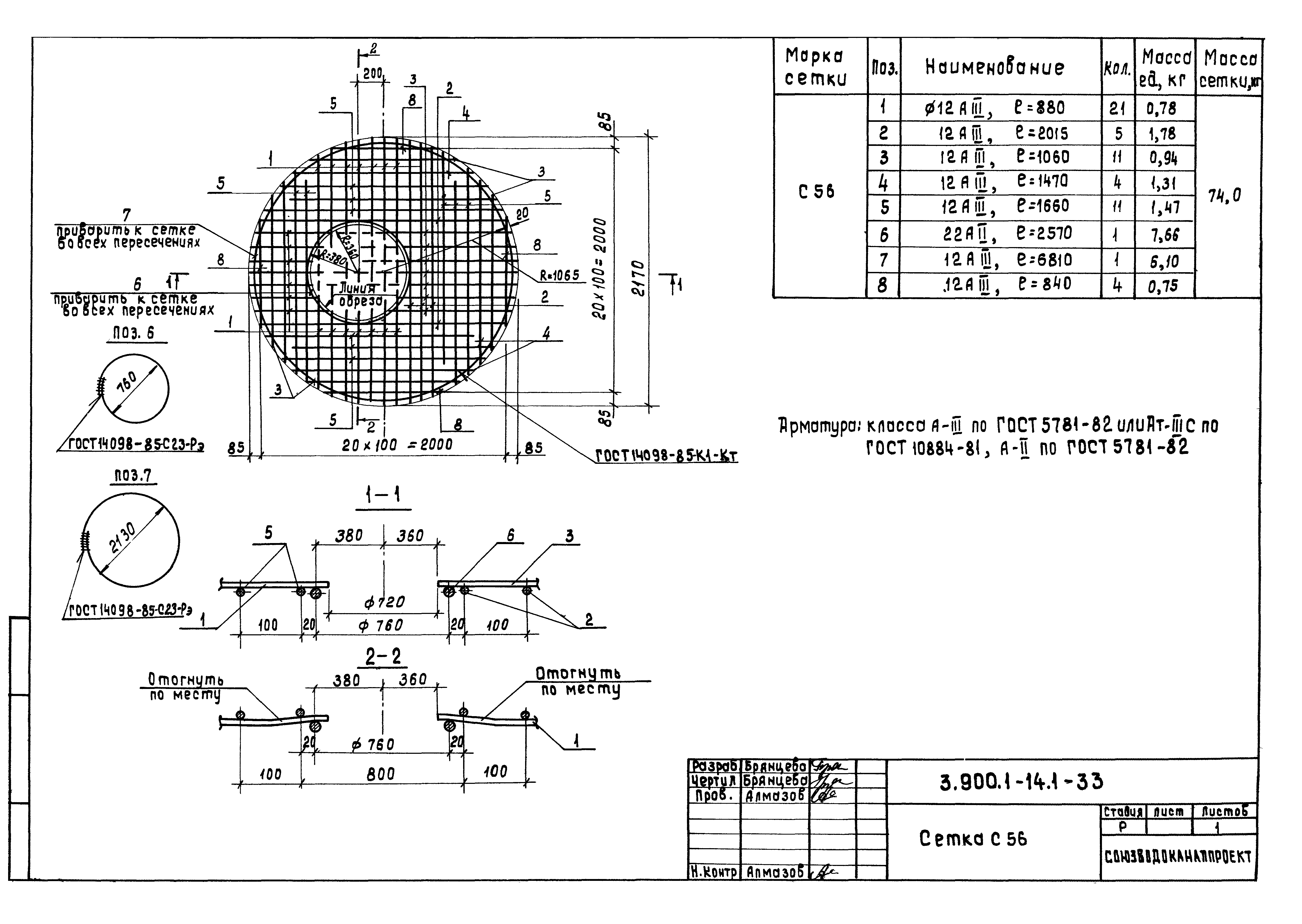
3.900.1-14.1-32 Сетка С55
3.900.1-14.1-33 Сетка С56
3.900.1-14.1-34 Сетка С57
3.900.1-14.1-35 Сетка С58…С61
3.900.1-14.1-36 Сетка С62
3.900.1-14.1-37 Сетка С63
3.900.1-14.1-38 Сетка С64
3.900.1-14.1-39 Сетка С65
3.900.1-14.1-40 Сетка С66
3.900.1-14.1-41 Сетка С67;С68
3.900.1-14.1-42 Сетка С69;С70
3.900.1-14.1-43 Сетка С71
3.900.1-14.1-44 Каркас КР1…КР8
3.900.1-14.1-45 Изделие закладное МН1
3.900.1-14.1-46 Петля МН2…МН5
3.900.1-14.1-РС1 Ведомость расхода стали, кг
3.900.1-14.1-РС2 Ведомость расхода стали, кг
Разработан: НИИЖБ
Укрводоканалпроект
АО ЦНИИпромзданий
Утверждён:29.03.1990 Госстрой СССР (Государственный комитет Совета Министров СССР по делам строительства) (USSR Gosstroy 5/5-289)
29.03.1990 ГПИ Союзводоканалпроект (27)
Расположен в:Техническая документация Строительство Справочные документы Типовые строительные конструкции, изделия и узлы Общероссийский строительный каталог Строительные конструкции, изделия и узлы зданий и сооружений для всех видов строительства Конструкции и изделия сооружений и оборудования зданий Подземные сооружения Емкостные сооружения
Серия 3.901.1-14Серия 3.901.1-14Серия 3.901.1-14Серия 3.901.1-14Серия 3.901.1-14Серия 3.901.1-14Серия 3.901.1-14Серия 3.901.1-14Серия 3.901.1-14Серия 3.901.1-14Серия 3.901.1-14Серия 3.901.1-14Серия 3.901.1-14Серия 3.901.1-14Серия 3.901.1-14Серия 3.901.1-14Серия 3.901.1-14Серия 3.901.1-14Серия 3.901.1-14Серия 3.901.1-14Серия 3.901.1-14Серия 3.901.1-14Серия 3.901.1-14Серия 3.901.1-14Серия 3.901.1-14Серия 3.901.1-14Серия 3.901.1-14Серия 3.901.1-14Серия 3.901.1-14Серия 3.901.1-14Серия 3.901.1-14Серия 3.901.1-14Серия 3.901.1-14Серия 3.901.1-14Серия 3.901.1-14Серия 3.901.1-14Серия 3.901.1-14Серия 3.901.1-14Серия 3.901.1-14Серия 3.901.1-14Серия 3.901.1-14Серия 3.901.1-14Серия 3.901.1-14Серия 3.901.1-14Серия 3.901.1-14Серия 3.901.1-14Серия 3.901.1-14Серия 3.901.1-14Серия 3.901.1-14Серия 3.901.1-14Серия 3.901.1-14Серия 3.901.1-14Серия 3.901.1-14Серия 3.901.1-14Серия 3.901.1-14Серия 3.901.1-14

© 2013 Ёшкин Кот :-) Карта сайта