| ||||||||||||||||||||||||||||||
Скачать Серия 1.272.5-9 Выпуск 1. Указания по применению и рабочие чертежиДата актуализации: 10.08.2017
|
| Обозначение: | Серия 1.272.5-9 |
| Обозначение англ: | Series 1.272.5-9 |
| Статус: | не определен законодательством |
| Название рус.: | Выпуск 1. Указания по применению и рабочие чертежи |
| Дата добавления в базу: | 01.09.2013 |
| Дата актуализации: | 05.05.2017 |
| Дата введения: | 20.02.1989 |
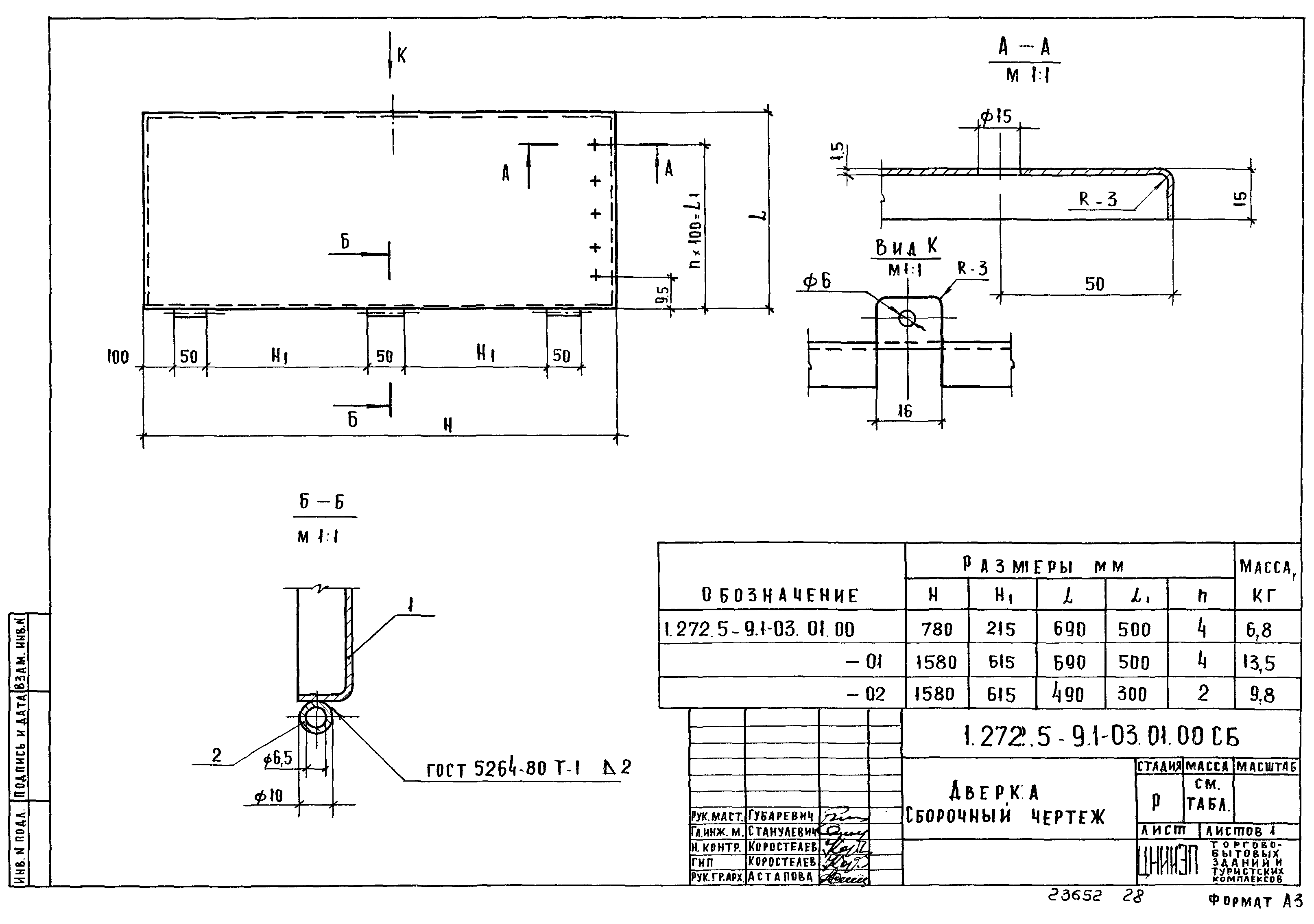
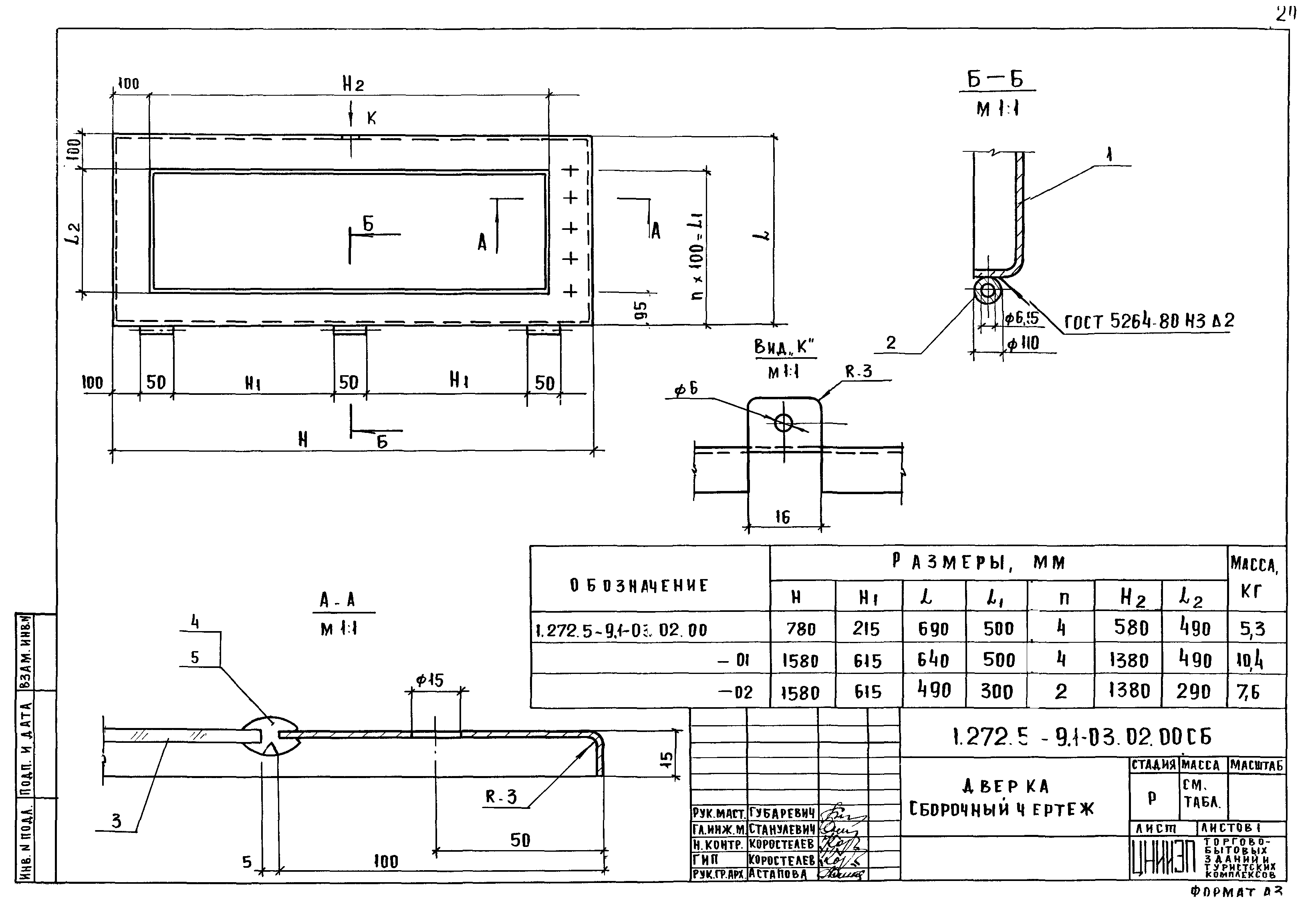
| Оглавление: | 1.272.5.9.1-00.00.00ПЗ Пояснительная записка 1.272.5.9.1-00.00.00НИ Номенклатура 1.272.5.9.1-00.00.00Д1 Указания по применению 1.272.5.9.1-01.00.00 Шкаф пожарного крана навесной ШП-01…ШП-06 1.272.5.9.1-01.00.00СБ Шкаф пожарного крана навесной ШП-01…ШП-06. Сборочный чертеж 1.272.5.9.1-01.01.00 Дверка 1.272.5.9.1-01.01.00СБ Дверка. Сборочный чертеж 1.272.5.9.1-01.02.00 Дверка 1.272.5.9.1-01.02.00СБ Дверка. Сборочный чертеж 1.272.5.9.1-02.00.00 Шкаф пожарного крана навесной ШП-07…ШП-12 1.272.5.9.1-02.00.00СБ Шкаф пожарного крана навесной ШП-07…ШП-12. Сборочный чертеж 1.272.5.9.1-02.01.00 Коробка 1.272.5.9.1-02.01.00 Коробка. Сборочный чертеж 1.272.5.9.1-03.00.00 Шкаф пожарного крана навесной ШП-13…ШП-18 1.272.5.9.1-03.00.00СБ Шкаф пожарного крана навесной ШП-13…ШП-18. Сборочный чертеж 1.272.5.9.1-03.01.00 Дверка 1.272.5.9.1-03.03.01 Связь каркаса 1.272.5.9.1-03.01.00СБ Дверка. Сборочный чертеж 1.272.5.9.1-03.02.00 Дверка 1.272.5.9.1-03.02.00СБ Дверка. Сборочный чертеж 1.272.5.9.1-03.03.00 Короб 1.272.5.9.1-03.03.00СБ Короб. Сборочный чертеж 1.272.5.9.1-04.00.00 Шкаф пожарного крана навесной ШП-19…ШП-24 1.272.5.9.1-04.00.00СБ Шкаф пожарного крана навесной ШП-19…ШП-24. Сборочный чертеж 1.272.5.9.1-04.01.00 Рама 1.272.5.9.1-04.01.00СБ Рама. Сборочный чертеж 1.272.5.9.1-05.00.00 Кронштейн К-1 1.272.5.9.1-05.02.00 Лоток 1.272.5.9.1-05.00.00СБ Кронштейн К-1. Сборочный чертеж 1.272.5.9.1-05.02.00СБ Лоток. Сборочный чертеж 1.272.5.9.1-05.01.00 Опора 1.272.5.9.1-05.01.00СБ Опора. Сборочный чертеж |
| Разработан: | ЦНИИЭП торгово-бытовых зданий и туристских комплексов |
| Утверждён: | 16.01.1989 Госкомархитектура (12) |
| Издан: | ЦИТП Госстроя СССР (CITP, Gosstroy (USSR) 1989 г. ) |
| Расположен в: | |
| Заменяет собой: |








































