| ||||||||||||||||||||||||||
Скачать Серия 1.172.5-6 Элементы и детали встроенных шкафов и антресолей для жилых зданий. Рабочие чертежиДата актуализации: 10.08.2017
|
| Обозначение: | Серия 1.172.5-6 |
| Обозначение англ: | Series 1.172.5-6 |
| Статус: | не определен законодательством |
| Название рус.: | Элементы и детали встроенных шкафов и антресолей для жилых зданий. Рабочие чертежи |
| Дата добавления в базу: | 01.09.2013 |
| Дата актуализации: | 05.05.2017 |
| Дата введения: | 01.05.1985 |
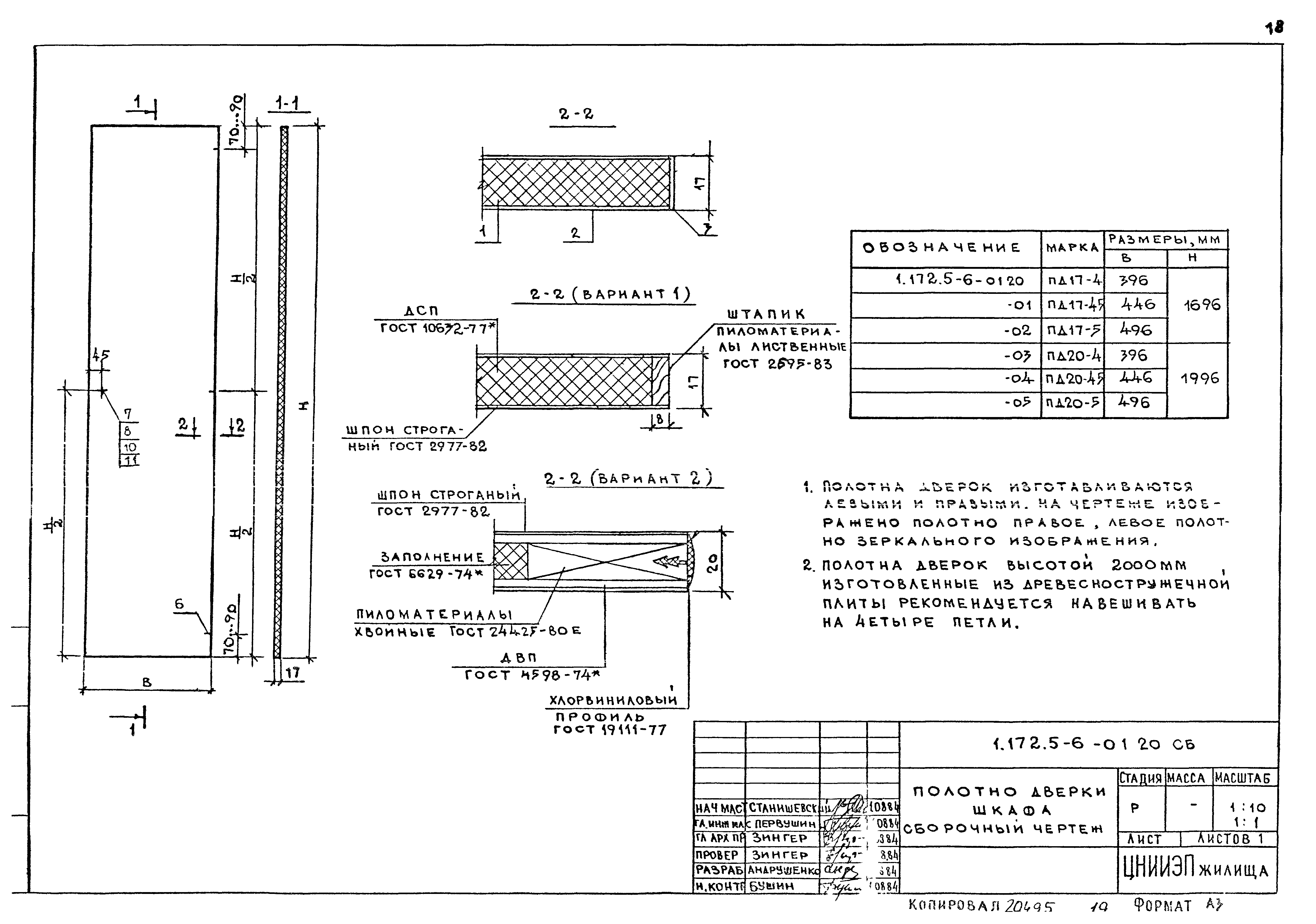
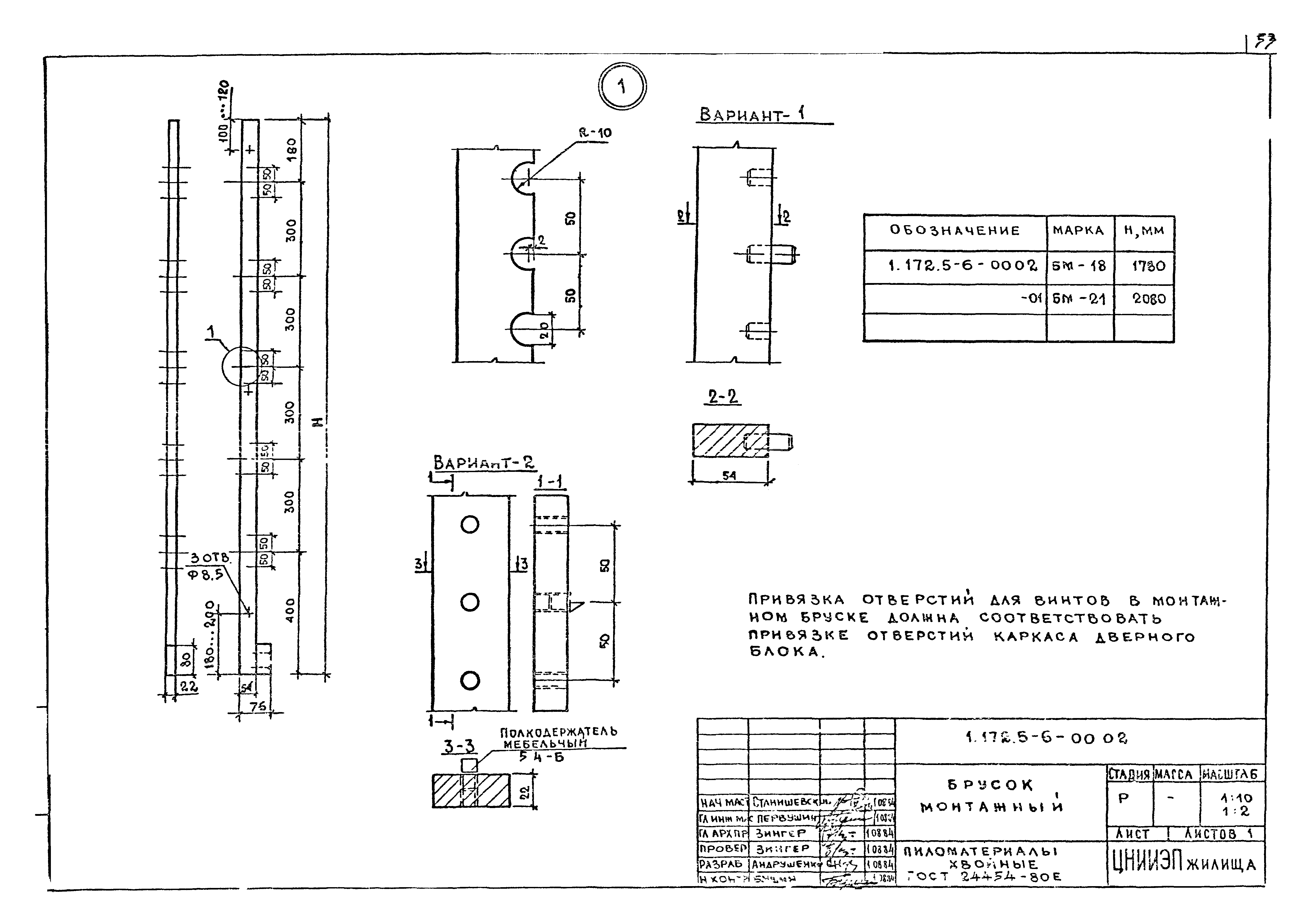
| Оглавление: | 1.172.5-6-0000 Содержание 1.172.5-6-0000ТО Техническое описание 1.172.5-6-0000НИ1 Номенклатура дверок шкафов 1.172.5-6-0000НИ2 Номенклатура дверок антресолей 1.172.5-6-0000НД1 Номенклатура элементов и деталей шкафов 1.172.5-6-00СХ1 Схема вариантов встроенных шкафов 1.172.5-6-0000СХ2 Схема сочетания блоков шкафов и антресолей с различной высотой этажа 1.172.5-6-0100 Дверной блок шкафа 1.172.5-6-0100СБ Дверной блок шкафа. Сборочный чертеж 1.172.5-6-0100 Узлы 1…6 1.172.5-6-0110 Рамка блока шкафа 1.172.5-6-0110СБ Рамка блока шкафа. Сборочный чертеж 1.172.5-6-0120 Полотно дверки шкафа 1.172.5-6-0120СБ Полотно дверки шкафа. Сборочный чертеж 1.172.5-6-0200 Дверной блок антресоли 1.172.5-6-0200СБ Дверной блок антресоли. Сборочный чертеж 1.172.5-6-0210 Рамка блока антресоли 1.172.5-6-0210СБ Рамка блока антресоли. Сборочный чертеж 1.172.5-6-0220 Полотно дверки антресоли 1.172.5-6-0220СБ Полотно дверки антресоли. Сборочный чертеж 1.172.5-6-0300 Стенка задняя шкафа 1.172.5-6-0300СБ Стенка задняя шкафа. Сборочный чертеж 1.172.5-6-0300 Узлы 1…7 1.172.5-6-0400 Стенка задняя антресоли 1.172.5-6-0400СБ Стенка задняя антресоли. Сборочный чертеж 1.172.5-6-0500 Стенка боковая шкафа 1.172.5-6-0500СБ Стенка боковая шкафа. Сборочный чертеж 1.172.5-6-0600 Стенка боковая антресоли 1.172.5-6-0600СБ Стенка боковая антресоли. Сборочный чертеж 1.172.5-6-0700 Стенка промежуточная 1.172.5-6-0700СБ Стенка промежуточная. Сборочный чертеж 1.172.5-6-0800 Полка антресольная 1.172.5-6-0800СБ Полка антресольная. Сборочный чертеж 1.172.5-6-0900 Полка переставная 1.172.5-6-0900СБ Полка переставная. Сборочный чертеж 1.172.5-6-1000 Полка переставная (вариант) 1.172.5-6-1000СБ Полка переставная. Сборочный чертеж (вариант) 1.172.5-6-0001 Конструкция дверного полотна с мелкопустотным заполнением 1.172.5-6-0002 Брусок монтажный 1.172.5-6-0003 Штанга 1.172.5-6-0004 Штангодержатель 1.172.5-6-0005 Штангодержатель (вариант) 1.172.5-6-0006 Полкодержатель 1.172.5-6-0007 Цоколь 1.172.5-6-0008 Наличник 1.172.5-6-0009 Винт-стяжной 1.172.5-6-0010 Гайка-стяжная 1.172.5-6-0011 Винт-стяжной (вариант) 1.172.5-6-0012 Гайка-стяжная (вариант) 1.172.5-6-0013 Угольник УМ-1 1.172.5-6-0014 Угольник УМ-2 1.172.5-6-0000Д1 Шкаф встроенный ш. (пример применения) 1.172.5-6-0000Д2 Шкаф встроенный ш. (пример применения) 1.172.5-6-0000Д3 Шкаф встроенный ш. (пример применения) 1.172.5-6-0000Д4 Шкаф-перегородка шп. (пример применения) 1.172.5-6-0000Д5 Шкаф встроенный ш. антресоль А (пример применения) 1.172.5-6-0000Д6 Антресоль А (пример применения) 1.172.5-6-0000Д7 Антресоль А (пример применения) 1.172.5-6-0000Д8 Узлы 1…16 1.172.5-6-0000Д9 Узлы 17…31 1.172.5-6-0000Д10 Узлы 1,2А,1Б,2Б,32,33 1.172.5-6-0000Д11 Узлы 34…37 1.172.5-6-0000Д12 Узлы 18,20,22,1Б,2Б,6Б,7Б,17Б,19Б,21Б,21Б,27Б,28Б,29Б 1.172.5-6-0000РМ1 Ведомость расхода материалов на элементы и детали встроенных шкафов и антресолей |
| Разработан: | ЦНИИЭП жилища |
| Утверждён: | 12.04.1985 Госгражданстрой (Gosgrazhdanstroy 107) |
| Расположен в: |








































































