Скачать Серия 1.172.5-5 Встроенные и антресольные шкафы, шкафы-перегородки щитовой конструкции для жилых зданий. Рабочие чертежиДата актуализации: 10.08.2017 Серия 1.172.5-5
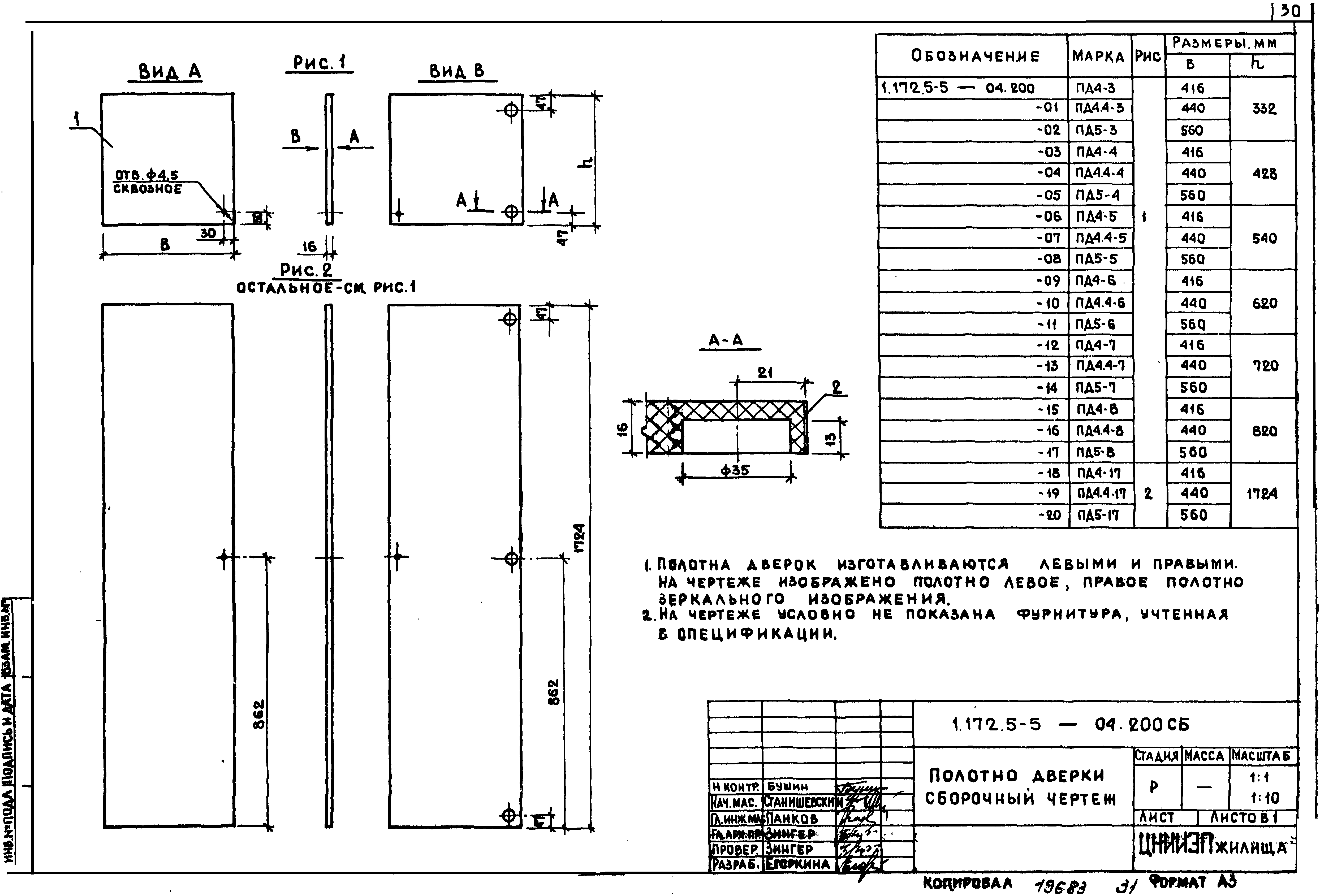
Встроенные и антресольные шкафы, шкафы-перегородки щитовой конструкции для жилых зданий. Рабочие чертежи| Обозначение: | Серия 1.172.5-5 | | Обозначение англ: | Series 1.172.5-5 | | Статус: | не определен законодательством | | Название рус.: | Встроенные и антресольные шкафы, шкафы-перегородки щитовой конструкции для жилых зданий. Рабочие чертежи | | Дата добавления в базу: | 01.09.2013 | | Дата актуализации: | 05.05.2017 | | Дата введения: | 01.05.1985 | | Разработан: | ЦНИИЭП жилища
| | Утверждён: | 12.04.1985 Госкомитет по гражданскому строительству и архитектуре при Госстрое СССР (National Committee on Nonindustrial Construction and Architecture, USSR Gosstroy 108)
| | Издан: | ЦИТП Госстроя СССР (CITP, Gosstroy (USSR) 1985 г. )
| | Расположен в: |
|
                                                           
|