| ||||||||||||||||||||||||||||
Скачать Серия 1.189.1-11 Выпуск 1. Конструкции шахт лифтов грузоподъемностью 400 кг с противовесом сзади кабины и скоростью движения 0,71 м/сек зданий до 10 этажей. Рабочие чертежиДата актуализации: 10.08.2017
|
| Обозначение: | Серия 1.189.1-11 |
| Обозначение англ: | Series 1.189.1-11 |
| Статус: | не определен законодательством |
| Название рус.: | Выпуск 1. Конструкции шахт лифтов грузоподъемностью 400 кг с противовесом сзади кабины и скоростью движения 0,71 м/сек зданий до 10 этажей. Рабочие чертежи |
| Дата добавления в базу: | 01.09.2013 |
| Дата актуализации: | 05.05.2017 |
| Дата введения: | 01.11.1990 |
| Область применения: | Настоящие чертежи объемных элементов железобетонных шахт лифтов для жилых домов до 10 этажей с высотой этажа 3,0 м, строящихся в обычных условиях и на вечномерзлых грунтах, используемых по принципу I и II |
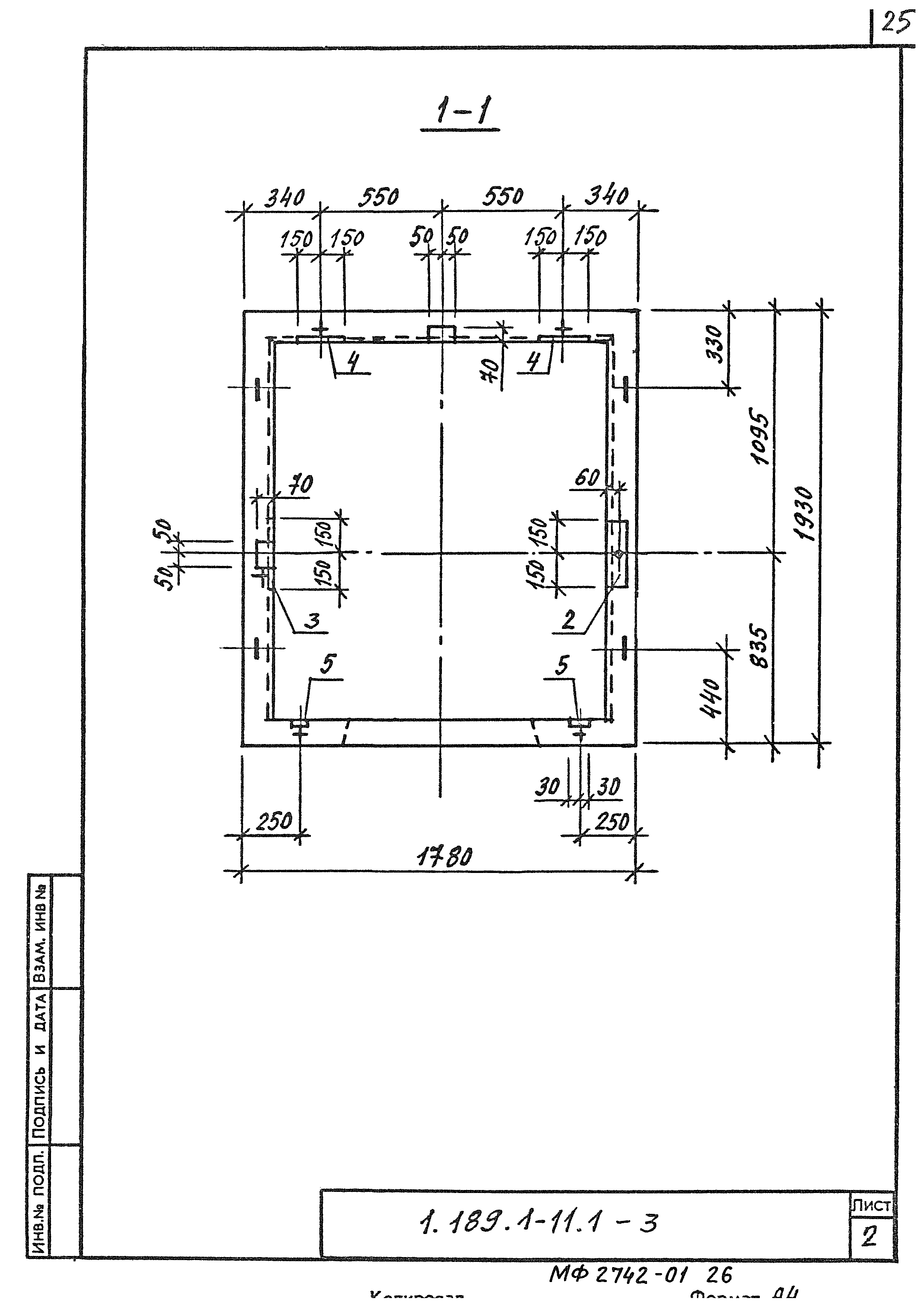
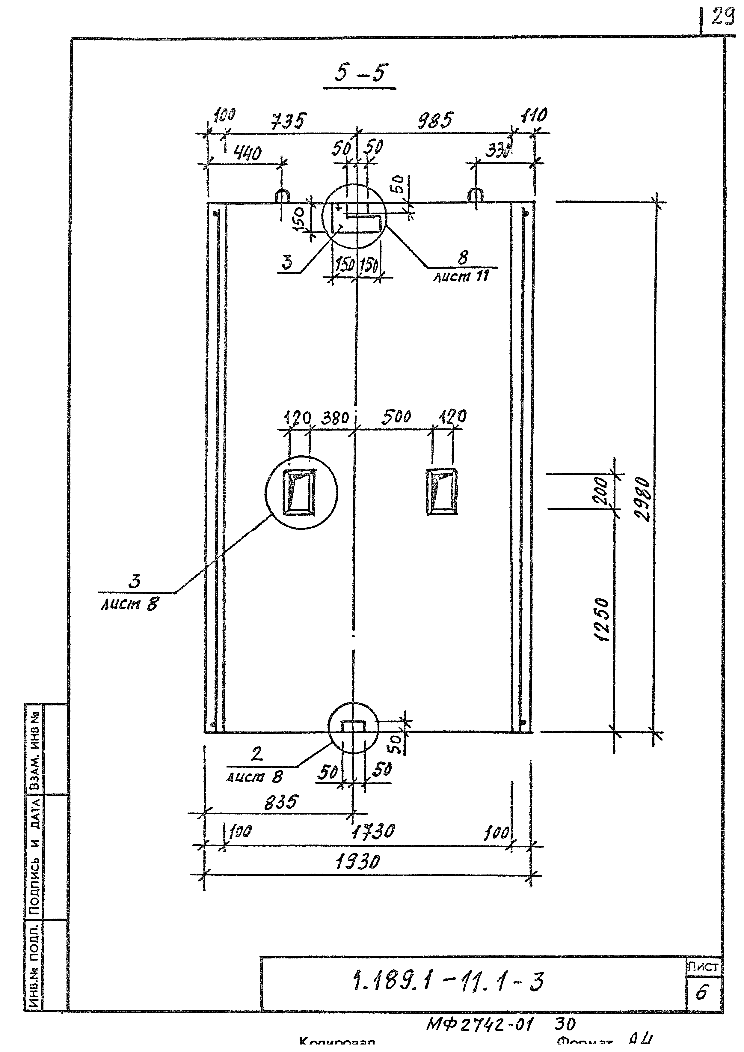
| Оглавление: | 1.189.1-11.1-ТО Техническое описание 1.189.1-11.1-НИ Номенклатура изделий 1.189.1-11.1-1 Схемы расположения элементов шахты лифта. Узлы 1.189.1-11.1-2 Примеры решений фундаментальной части шахты лифта 1.189.1-11.1-3 Блок средний ШЛС 30-40 1.189.1-11.1-4 Блок нижний ШЛС 12-40 1.189.1-11.1-5 Блок верхний ШЛС 7-40 1.189.1-11.1-6 Плита перекрытия ПЛ18.19-40 1.189.1-11.1-7 Плита приямка ПП15.17-40 1.189.1-11.1-8 Плита фундамента ПФ18.20-40 1.189.1-11.1-9 Плита фундамента ПФС18.20-40 1.189.1-11.1-10 Каркас КП1 1.189.1-11.1-11 Каркас КП2 1.189.1-11.1-12 Каркас КП3 1.189.1-11.1-13 Каркас КП4 1.189.1-11.1-14 Каркас КП5 1.189.1-11.1-15 Каркас КП6 1.189.1-11.1-16 Каркас КП7 1.189.1-11.1-17 Каркас КР1,КР2,КР3 1.189.1-11.1-18 Каркас КР4,КР5 1.189.1-11.1-19 Каркас КР6,КР7,КР8 1.189.1-11.1-20 Каркас КР9 1.189.1-11.1-21 Сетка С1,С2 1.189.1-11.1-22 Сетка С3 1.189.1-11.1-23 Сетка С4 1.189.1-11.1-24 Сетка С5,С6,С7 1.189.1-11.1-25 Сетка С8,С9 1.189.1-11.1-26 Петля строповочная П1…П5. Стержень ОС1 1.189.1-11.1-27 Изделие закладное МН1 1.189.1-11.1-28 Изделие закладное МН2 1.189.1-11.1-29 Изделие закладное МН3 1.189.1-11.1-30 Изделие закладное МН4 1.189.1-11.1-31 Изделие закладное МН5,МН6 1.189.1-11.1-32 Изделие закладное МН7 1.189.1-11.1-33 Изделие закладное МН8 1.189.1-11.1-34 Изделие закладное МН9,МН10 1.189.1-11.1-35 Изделие закладное МН11,МН12,МН13 1.189.1-11.1-36 Изделие закладное ММ1 1.189.1-11.1-37 Ведомость расхода стали |
| Разработан: | ЛенЗНИИЭП Госгражданстроя |
| Утверждён: | 13.09.1990 Госкомархитектура (147) |
| Расположен в: |





























































































