| ||||||||||||||||||||||||||
Скачать Серия 1.089.1-1 Выпуск 1-1. Блоки шахт пассажирских лифтов по ГОСТ 5746-83 и плиты перекрытий. Рабочие чертежиДата актуализации: 10.08.2017
|
| Обозначение: | Серия 1.089.1-1 |
| Обозначение англ: | Series 1.089.1-1 |
| Статус: | не определен законодательством |
| Название рус.: | Выпуск 1-1. Блоки шахт пассажирских лифтов по ГОСТ 5746-83 и плиты перекрытий. Рабочие чертежи |
| Дата добавления в базу: | 01.09.2013 |
| Дата актуализации: | 05.05.2017 |
| Дата введения: | 01.01.1990 |
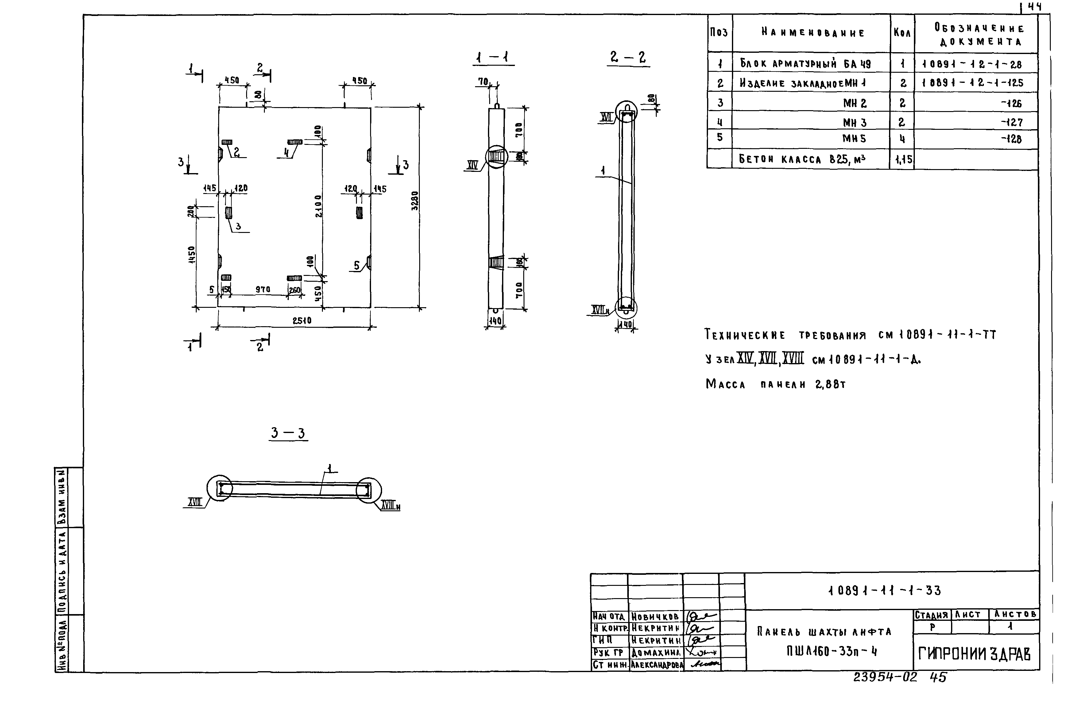
| Оглавление: | 1.089.1-1.1-1-ТТ Технические требования 1.089.1-1.1-1-01 Блок шахты лифта БШЛ63-30-1 1.089.1-1.1-1-02 Блок шахты лифта БШЛ63-33-1 1.089.1-1.1-1-03 Блок шахты лифта БШЛ63-36-1;БШЛ63-42-1 1.089.1-1.1-1-04 Блок шахты лифта БШЛ63-30-2 1.089.1-1.1-1-05 Блок шахты лифта БШЛ63-33-2 1.089.1-1.1-1-06 Блок шахты лифта БШЛ63-36-2;БШЛ63-42-2 1.089.1-1.1-1-07 Блок шахты лифта БШЛ100-30-1 1.089.1-1.1-1-08 Блок шахты лифта БШЛ100-33-1 1.089.1-1.1-1-09 Блок шахты лифта БШЛ100-36-1;БШЛ100-42-1 1.089.1-1.1-1-10 Блок шахты лифта БШЛ100-30-2 1.089.1-1.1-1-11 Блок шахты лифта БШЛ100-33-2 1.089.1-1.1-1-12 Блок шахты лифта БШЛ100-36-2;БШЛ100-42-2 1.089.1-1.1-1-13 Блок шахты лифта БШЛ100-30п-1 1.089.1-1.1-1-14 Блок шахты лифта БШЛ100-33п-1;БШЛ100-36п-1;БШЛ100-42п-1 1.089.1-1.1-1-15 Блок шахты лифта БШЛ100-30п-2 1.089.1-1.1-1-16 Блок шахты лифта БШЛ100-33п-2;БШЛ100-36п-2;БШЛ100-42п-2 1.089.1-1.1-1-17 Блок шахты лифта БШЛ636-33-1 1.089.1-1.1-1-18 Блок шахты лифта БШЛ366-36-1;БШЛ636-42-1 1.089.1-1.1-1-19 Блок шахты лифта БШЛ636-42-3 1.089.1-1.1-1-20 Блок шахты лифта БШЛ636-33-2 1.089.1-1.1-1-21 Блок шахты лифта БШЛ636-36-2;БШЛ636-42-2 1.089.1-1.1-1-22 Блок шахты лифта БШЛ636-42-4 1.089.1-1.1-1-23 Блок шахты лифта БШЛ636-33-3 1.089.1-1.1-1-24 Блок шахты лифта БШЛ636-36-3;БШЛ636-42-5 1.089.1-1.1-1-25 Блок шахты лифта БШЛ636-42-7 1.089.1-1.1-1-26 Блок шахты лифта БШЛ636-33-4 1.089.1-1.1-1-27 Блок шахты лифта БШЛ636-36-4;БШЛ636-42-6 1.089.1-1.1-1-28 Блок шахты лифта БШЛ636-42-8 1.089.1-1.1-1-29 Панель шахты лифта ПШЛ160-33п-1;ПШЛ160-36п-1;ПШЛ160-42п-1 1.089.1-1.1-1-30 Панель шахты лифта ПШЛ160-33п-2 1.089.1-1.1-1-31 Панель шахты лифта ПШЛ160-36п-2;ПШЛ160-42п-2 1.089.1-1.1-1-32 Панель шахты лифта ПШЛ160-33п-3;ПШЛ160-36п-3;ПШЛ160-42п-3 1.089.1-1.1-1-33 Панель шахты лифта ПШЛ160-33п-4 1.089.1-1.1-1-34 Панель шахты лифта ПШЛ160-36п-4;ПШЛ160-42п-4 1.089.1-1.1-1-35 Панель шахты лифта ПШЛ160-33п-5;ПШЛ160-36п-5;ПШЛ160-42п-5 1.089.1-1.1-1-36 Блок шахты лифта БШЛ63-30-3;БШЛ63-30-5 1.089.1-1.1-1-37 Блок шахты лифта БШЛ63-30-4;БШЛ63-30-6 1.089.1-1.1-1-38 Блок шахты лифта БШЛ100-30-3;БШЛ100-30-5 1.089.1-1.1-1-39 Блок шахты лифта БШЛ100-30-4;БШЛ100-30-6 1.089.1-1.1-1-40 Блок шахты лифта БШЛ100-30п-3 1.089.1-1.1-1-41 Блок шахты лифта БШЛ100-30п-4 1.089.1-1.1-1-42 Блок шахты лифта БШЛ63-12-1 1.089.1-1.1-1-43 Блок шахты лифта БШЛ63-12-2 1.089.1-1.1-1-44 Блок шахты лифта БШЛ63-12-3 1.089.1-1.1-1-45 Блок шахты лифта БШЛ100-12-1 1.089.1-1.1-1-46 Блок шахты лифта БШЛ100-12-2 1.089.1-1.1-1-47 Блок шахты лифта БШЛ100-12-3 1.089.1-1.1-1-48 Блок шахты лифта БШЛ100-12п-1 1.089.1-1.1-1-49 Блок шахты лифта БШЛ100-12п-2;БШЛ100-12п-4 1.089.1-1.1-1-50 Блок шахты лифта БШЛ100-12п-3;БШЛ100-12п-5 1.089.1-1.1-1-51 Панель шахты лифта ПШЛ160-12п-1 1.089.1-1.1-1-52 Панель шахты лифта ПШЛ160-12п-2 1.089.1-1.1-1-53 Панель шахты лифта ПШЛ160-12п-3 1.089.1-1.1-1-54 Панель шахты лифта ПШЛ63-20.23.2 1.089.1-1.1-1-55 Панель шахты лифта ПШЛ63-20.23.2-1 1.089.1-1.1-1-56 Панель шахты лифта ПШЛ100-26.23.2 1.089.1-1.1-1-57 Панель шахты лифта ПШЛ100-26.23.2-1 1.089.1-1.1-1-58 Панель шахты лифта ПШЛ100-21.28.2п 1.089.1-1.1-1-59 Панель шахты лифта ПШЛ100-21.28.2п-1 1.089.1-1.1-1-60 Панель шахты лифта ПШЛ160-27.33.2п 1.089.1-1.1-1-61 Панель шахты лифта ПШЛ636-22.309.2 1.089.1-1.1-1-Д Узел 1…24 1.089.1-1.1-1-РС Ведомость расхода стали |
| Разработан: | ГипроНИИздрав Минздрава СССР |
| Утверждён: | 21.09.1989 Госстрой СССР (Государственный комитет Совета Министров СССР по делам строительства) (USSR Gosstroy 4/5-1261) |
| Расположен в: |









































































