| ||||||||||||||||||||||||||
Скачать Серия 1.090.1-1 Выпуск 2-7. Панели наружных стен однослойные для зданий с высотой этажа 3,0 м. Пространственные каркасы. Рабочие чертежиДата актуализации: 10.08.2017
|
| Обозначение: | Серия 1.090.1-1 |
| Обозначение англ: | Series 1.090.1-1 |
| Статус: | не действует |
| Название рус.: | Выпуск 2-7. Панели наружных стен однослойные для зданий с высотой этажа 3,0 м. Пространственные каркасы. Рабочие чертежи |
| Дата добавления в базу: | 01.09.2013 |
| Дата актуализации: | 05.05.2017 |
| Дата введения: | 01.08.1989 |
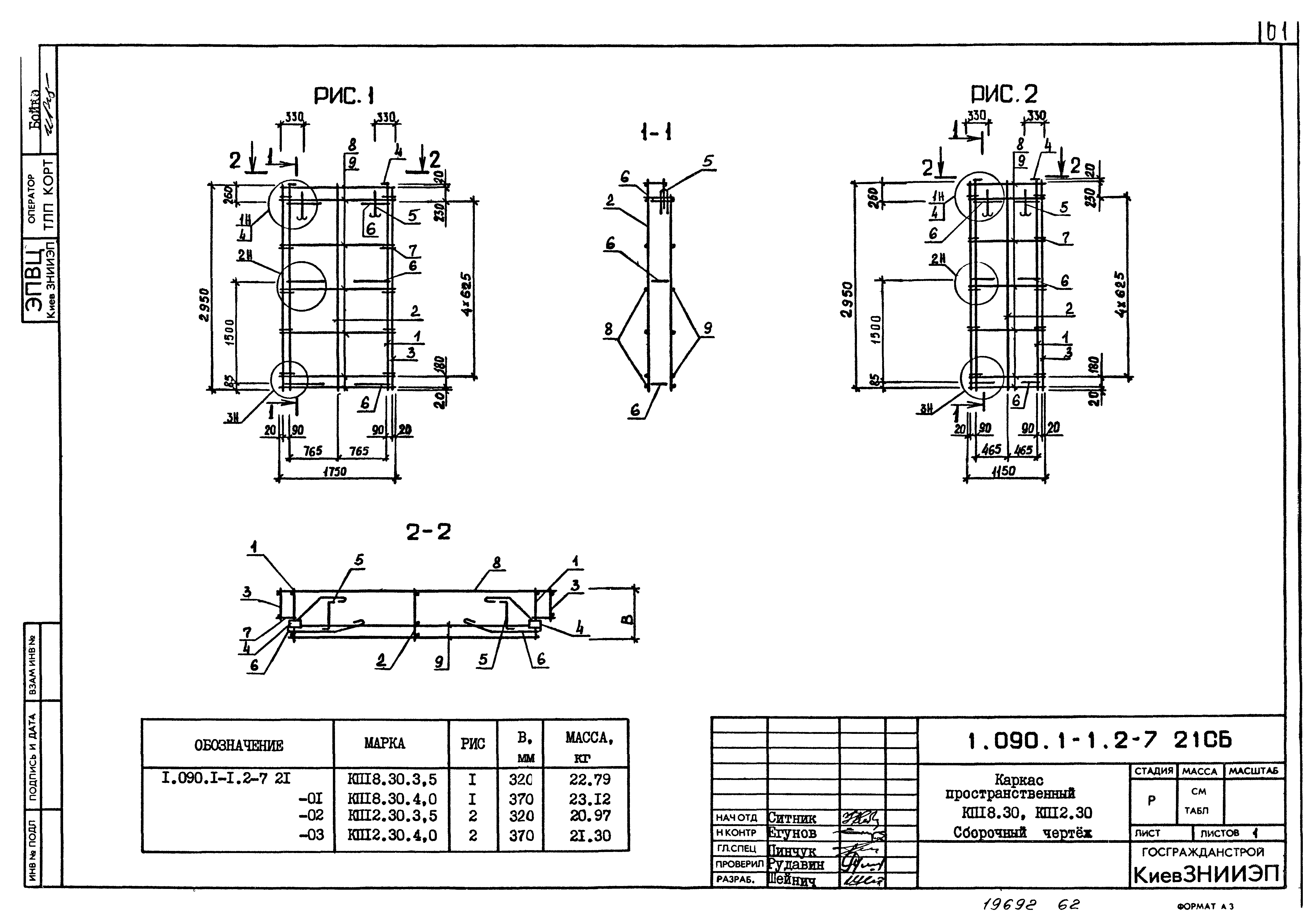
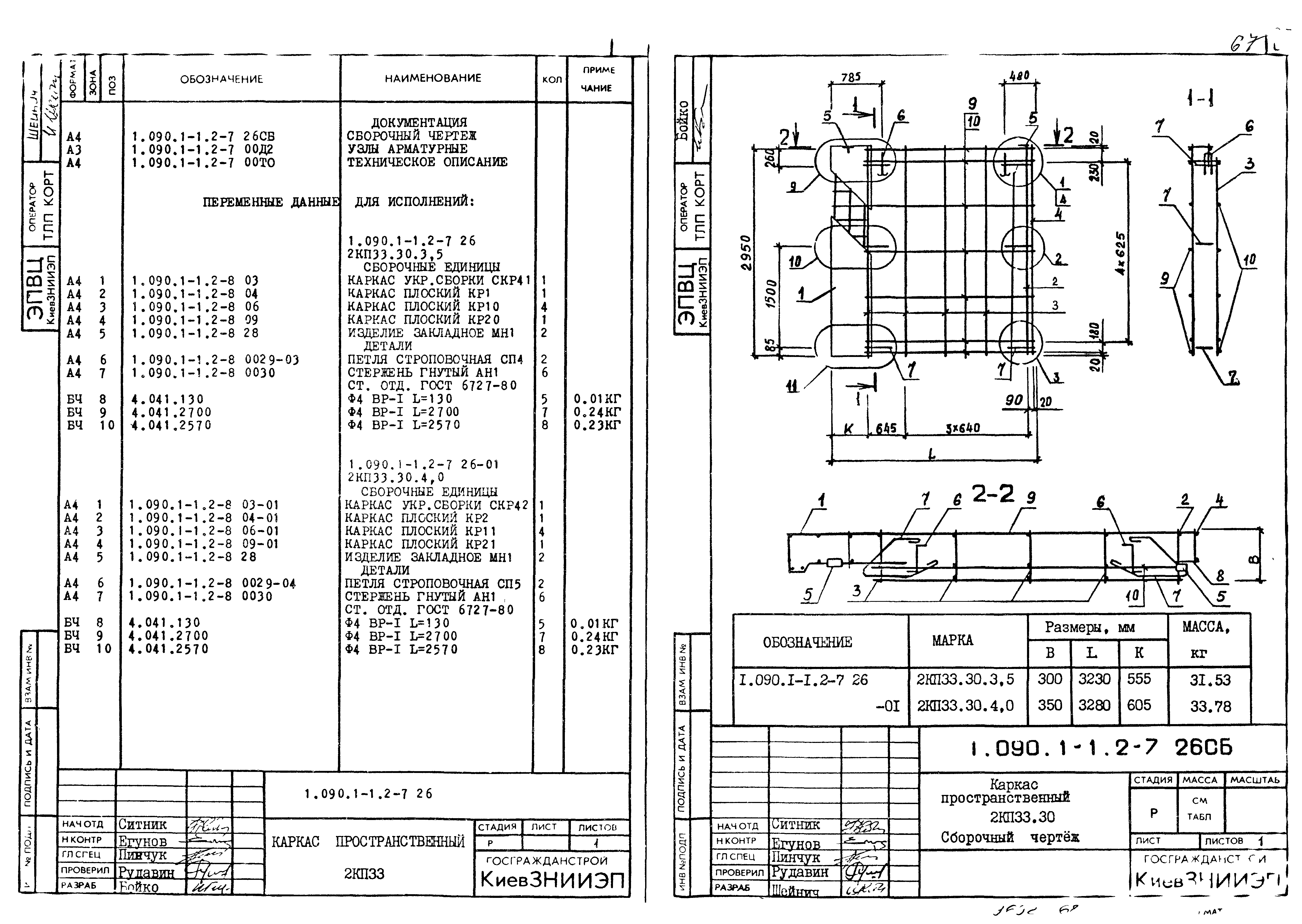
| Оглавление: | 1.090.1-1.2-7 00ТО Техническое описание 1.090.1-1.2-7 01 Каркас пространственный 2КПО,3КПО 1.090.1-1.2-7 02 Каркас пространственный 4КПО,6КПО 1.090.1-1.2-7 03 Каркас пространственный 7КПО,9КПО 1.090.1-1.2-7 04 Каркас пространственный 2КПО 1.090.1-1.2-7 05 Каркас пространственный 3КПО,4КПО 1.090.1-1.2-7 06 Каркас пространственный 1КПО,2КПО 1.090.1-1.2-7 07 Каркас пространственный 2КПО 1.090.1-1.2-7 08 Каркас пространственный 3КПО,4КПО 1.090.1-1.2-7 09 Каркас пространственный 1КПД, 2КПД 1.090.1-1.2-7 10 Каркас пространственный 3КПД, 4КПД 1.090.1-1.2-7 11 Каркас пространственный 5КПД, 6КПД 1.090.1-1.2-7 12 Каркас пространственный 7КПД, 8КПД 1.090.1-1.2-7 13 Каркас пространственный 1КПД-3КПД 1.090.1-1.2-7 14 Каркас пространственный 4КПД 1.090.1-1.2-7 15 Каркас пространственный 1КПД 1.090.1-1.2-7 16 Каркас пространственный 1КПД, 2КПД 1.090.1-1.2-7 17 Каркас пространственный КПД 1.090.1-1.2-7 18 Каркас пространственный 2КПД 1.090.1-1.2-7 19 Каркас пространственный 3КПД, 4КПД 1.090.1-1.2-7 20 Каркас пространственный КП 1.090.1-1.2-7 21 Каркас пространственный КП 1.090.1-1.2-7 22 Каркас пространственный КП 1.090.1-1.2-7 23 Каркас пространственный 1КП 1.090.1-1.2-7 24 Каркас пространственный 1КП 1.090.1-1.2-7 25 Каркас пространственный 1КП 1.090.1-1.2-7 26 Каркас пространственный 2КП 1.090.1-1.2-7 27 Каркас пространственный 2КП 1.090.1-1.2-7 28 Каркас пространственный 2КП 1.090.1-1.2-7 29 Каркас пространственный 2КП 1.090.1-1.2-7 30 Каркас пространственный 2КП 1.090.1-1.2-7 31 Каркас пространственный 2КП 1.090.1-1.2-7 32 Каркас пространственный 1КП 1.090.1-1.2-7 33 Каркас пространственный 1КП 1.090.1-1.2-7 34 Каркас пространственный 1КП 1.090.1-1.2-7 35 Каркас пространственный КП 1.090.1-1.2-7 36 Каркас пространственный КП 1.090.1-1.2-7 00Д2 Узлы арматурные |
| Разработан: | КиевЗНИИЭП ЦНИИЭП торгово-бытовых зданий и туристских комплексов |
| Утверждён: | 26.04.1984 Госстрой СССР (Государственный комитет Совета Министров СССР по делам строительства) (USSR Gosstroy ВА-27) |
| Расположен в: |





















































































