Информационная система
«Ёшкин Кот»

Скачать базу одним архивом
Скачать обновления
История создания базы
Карта сайта

Скачать Серия 1.420-35.95 Выпуск 1-1. Колонны железобетонные. Высоты этажей 4,8 и 6,0 м. Армирование и пространственные каркасы. Рабочие чертежи

Дата актуализации: 10.08.2017

Серия 1.420-35.95

Выпуск 1-1. Колонны железобетонные. Высоты этажей 4,8 и 6,0 м. Армирование и пространственные каркасы. Рабочие чертежи

Обозначение: Серия 1.420-35.95
Обозначение англ: Series 1.420-35.95
Статус:не определен законодательством
Название рус.:Выпуск 1-1. Колонны железобетонные. Высоты этажей 4,8 и 6,0 м. Армирование и пространственные каркасы. Рабочие чертежи
Дата добавления в базу:01.09.2013
Дата актуализации:05.05.2017
Дата введения:01.03.1998
Оглавление:1.420-35.95.1-1-1ПЗ Пояснительная записка
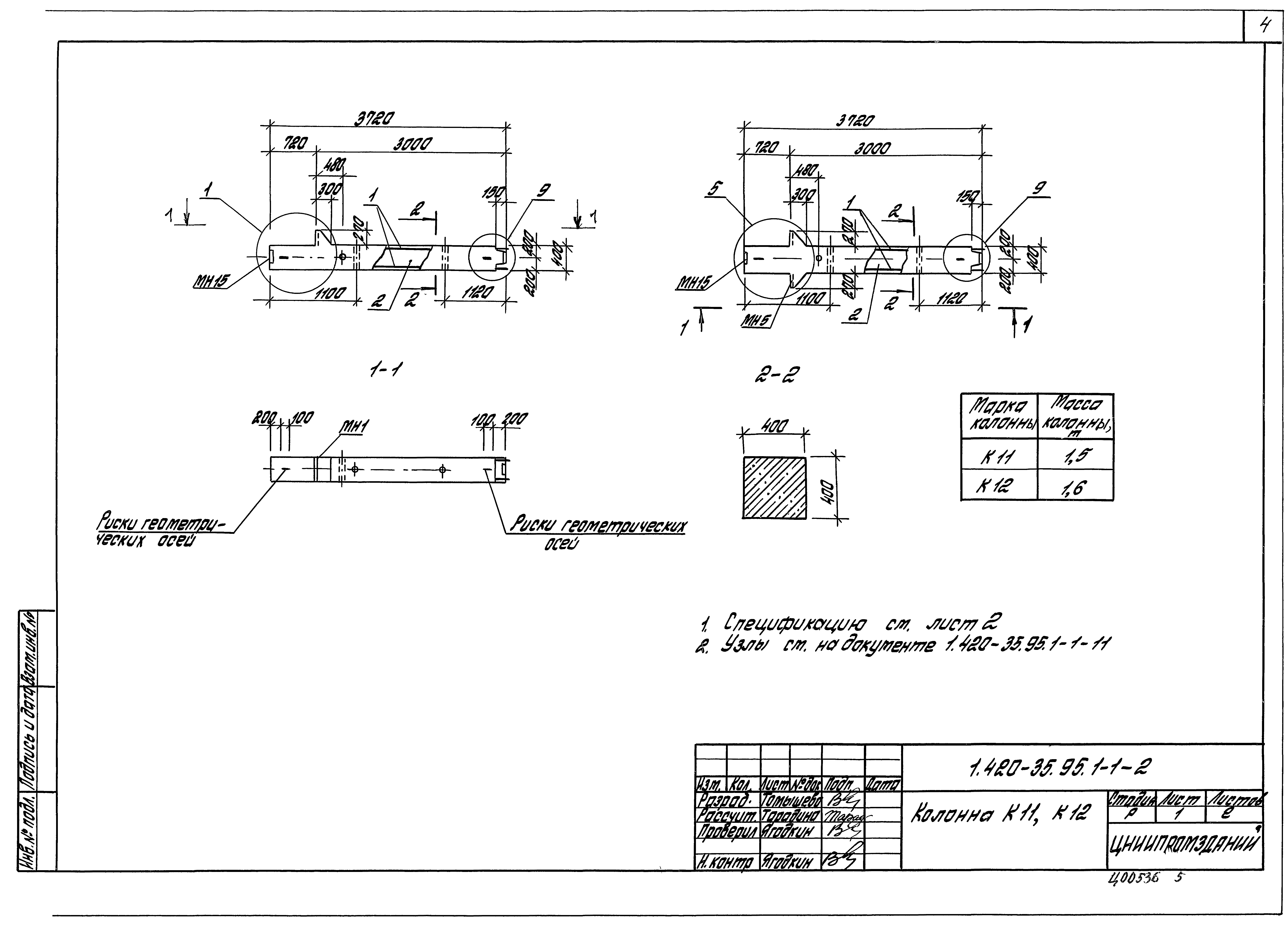
1.420-35.95.1-1-2 Колонна К11, К12
1.420-35.95.1-1-3 Колонна К13, К14
1.420-35.95.1-1-4 Колонна К15, К16
1.420-35.95.1-1-5 Колонна К17, К18
1.420-35.95.1-1-6 Колонна К19, К20
1.420-35.95.1-1-7 Колонна К21, К22
1.420-35.95.1-1-8 Колонна К23, К24
1.420-35.95.1-1-9 Колонна К35
1.420-35.95.1-1-10 Колонна К36
1.420-35.95.1-1-11 Узел 1…11
1.420-35.95.1-1-12 Каркас КП11-1…КП11-3
1.420-35.95.1-1-13 Каркас КП12-1…КП12-4
1.420-35.95.1-1-14 Каркас КП13-1…КП13-3, КП14-1…КП14-6
1.420-35.95.1-1-15 Каркас КП15-1…КП15-4, КП16-1…КП16-3
1.420-35.95.1-1-16 Каркас КП17-1…КП17-5
1.420-35.95.1-1-17 Каркас КП18-1…КП18-7
1.420-35.95.1-1-18 Каркас КП19-1…КП19-4, КП20-1…КП20-5
1.420-35.95.1-1-19 Каркас КП21-1…КП21-3, КП22-1…КП22-6
1.420-35.95.1-1-20 Каркас КП23-1…КП23-5
1.420-35.95.1-1-21 Каркас КП24-1…КП24-7
1.420-35.95.1-1-22 Каркас КП35-1…КП35-2
1.420-35.95.1-1-23 Каркас КП36-1…КП6-5
1.420-35.95.1-1-24 Узел 1…14
1.420-35.95.1-1-25РС Ведомость расхода стали, К2
Разработан: АО ЦНИИпромзданий
Утверждён:09.12.1997 Департамент развития научно-технической политики и проектно-изыскательских работ Госстроя России (Department of Technical Research Policy and Design and Survey Operations, Russian Federation Gosstroy 9-1-1/160)
Расположен в:Техническая документация Строительство Справочные документы Типовые строительные конструкции, изделия и узлы Общероссийский строительный каталог Строительные конструкции, изделия и узлы зданий и сооружений для всех видов строительства Конструкции, изделия и узлы зданий Несущие конструкции двухэтажных и многоэтажных зданий Каркасные здания
Заменяет собой:
Серия 1.420-35.95Серия 1.420-35.95Серия 1.420-35.95Серия 1.420-35.95Серия 1.420-35.95Серия 1.420-35.95Серия 1.420-35.95Серия 1.420-35.95Серия 1.420-35.95Серия 1.420-35.95Серия 1.420-35.95Серия 1.420-35.95Серия 1.420-35.95Серия 1.420-35.95Серия 1.420-35.95Серия 1.420-35.95Серия 1.420-35.95Серия 1.420-35.95Серия 1.420-35.95Серия 1.420-35.95Серия 1.420-35.95Серия 1.420-35.95Серия 1.420-35.95Серия 1.420-35.95Серия 1.420-35.95Серия 1.420-35.95Серия 1.420-35.95Серия 1.420-35.95Серия 1.420-35.95Серия 1.420-35.95Серия 1.420-35.95Серия 1.420-35.95Серия 1.420-35.95Серия 1.420-35.95Серия 1.420-35.95Серия 1.420-35.95Серия 1.420-35.95Серия 1.420-35.95Серия 1.420-35.95Серия 1.420-35.95Серия 1.420-35.95Серия 1.420-35.95Серия 1.420-35.95Серия 1.420-35.95Серия 1.420-35.95Серия 1.420-35.95Серия 1.420-35.95Серия 1.420-35.95Серия 1.420-35.95Серия 1.420-35.95Серия 1.420-35.95Серия 1.420-35.95Серия 1.420-35.95Серия 1.420-35.95Серия 1.420-35.95Серия 1.420-35.95Серия 1.420-35.95Серия 1.420-35.95Серия 1.420-35.95Серия 1.420-35.95Серия 1.420-35.95Серия 1.420-35.95Серия 1.420-35.95Серия 1.420-35.95Серия 1.420-35.95Серия 1.420-35.95Серия 1.420-35.95Серия 1.420-35.95Серия 1.420-35.95

© 2013 Ёшкин Кот :-) Карта сайта