| ||||||||||||||||||||||||||
Скачать Серия 1.420.1-25 Выпуск 6. Железобетонные шахты лестничных клеток. Рабочие чертежиДата актуализации: 10.08.2017
|
| Обозначение: | Серия 1.420.1-25 |
| Обозначение англ: | Series 1.420.1-25 |
| Статус: | не определен законодательством |
| Название рус.: | Выпуск 6. Железобетонные шахты лестничных клеток. Рабочие чертежи |
| Дата добавления в базу: | 01.09.2013 |
| Дата актуализации: | 05.05.2017 |
| Дата введения: | 01.07.1994 |
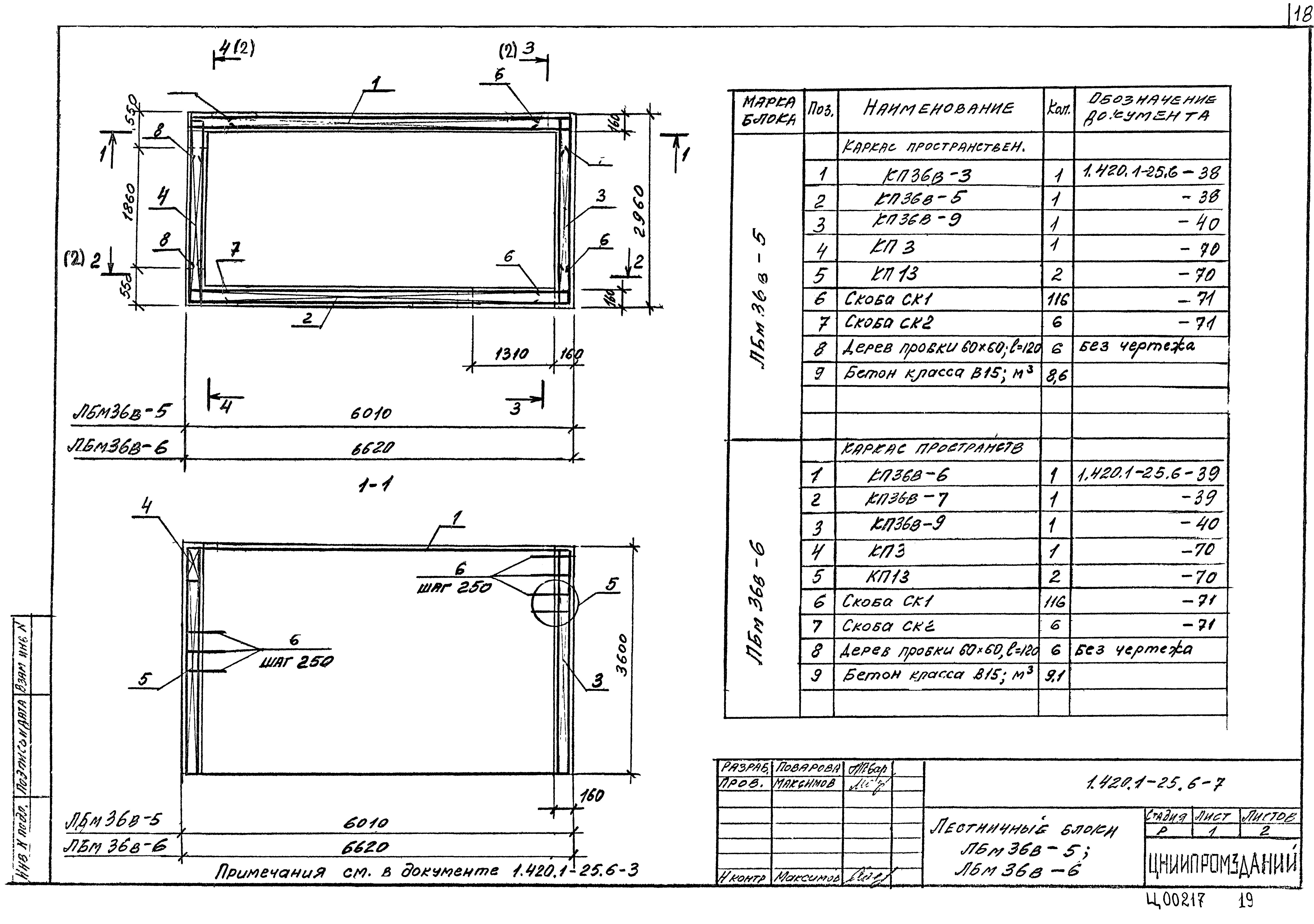
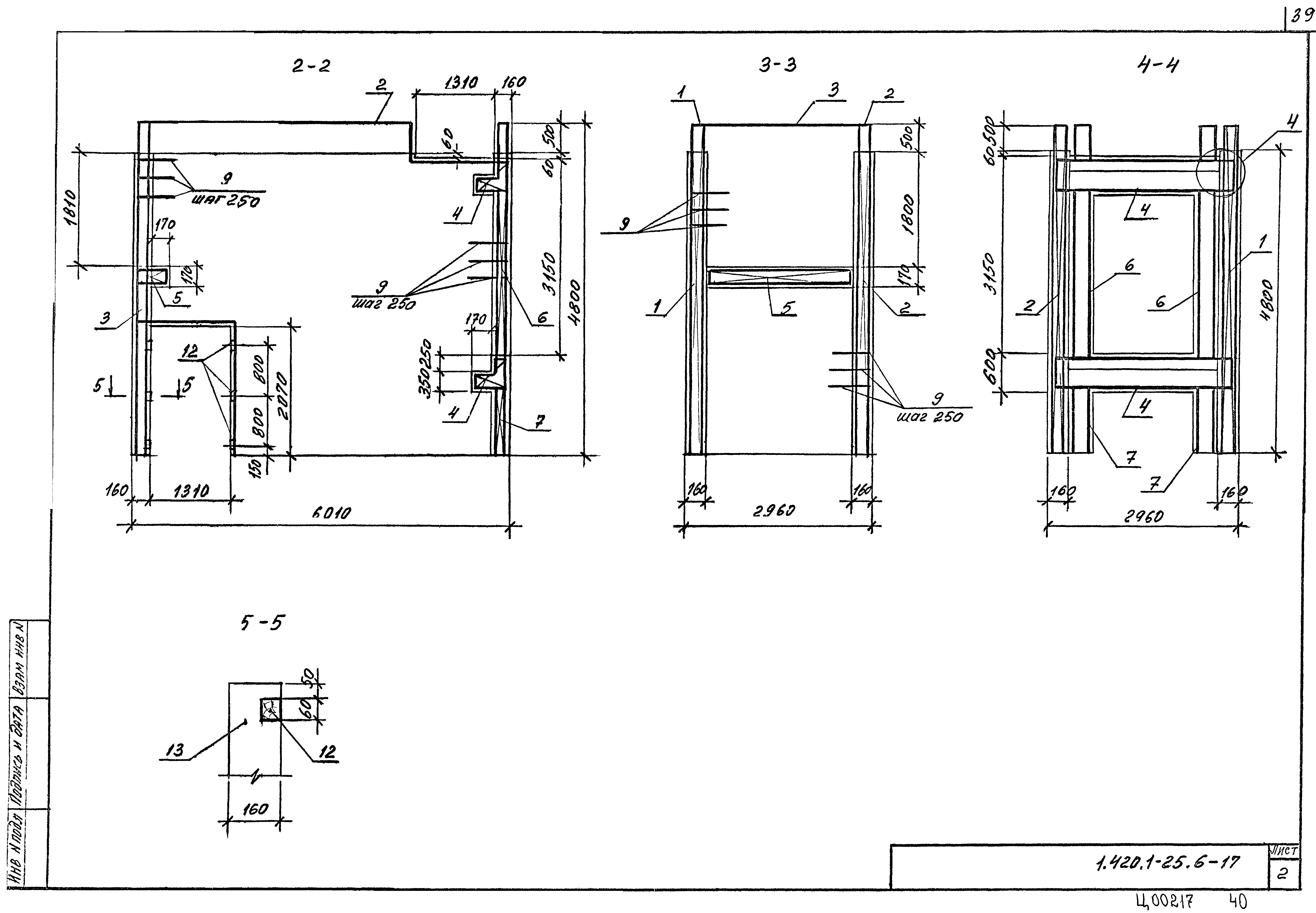
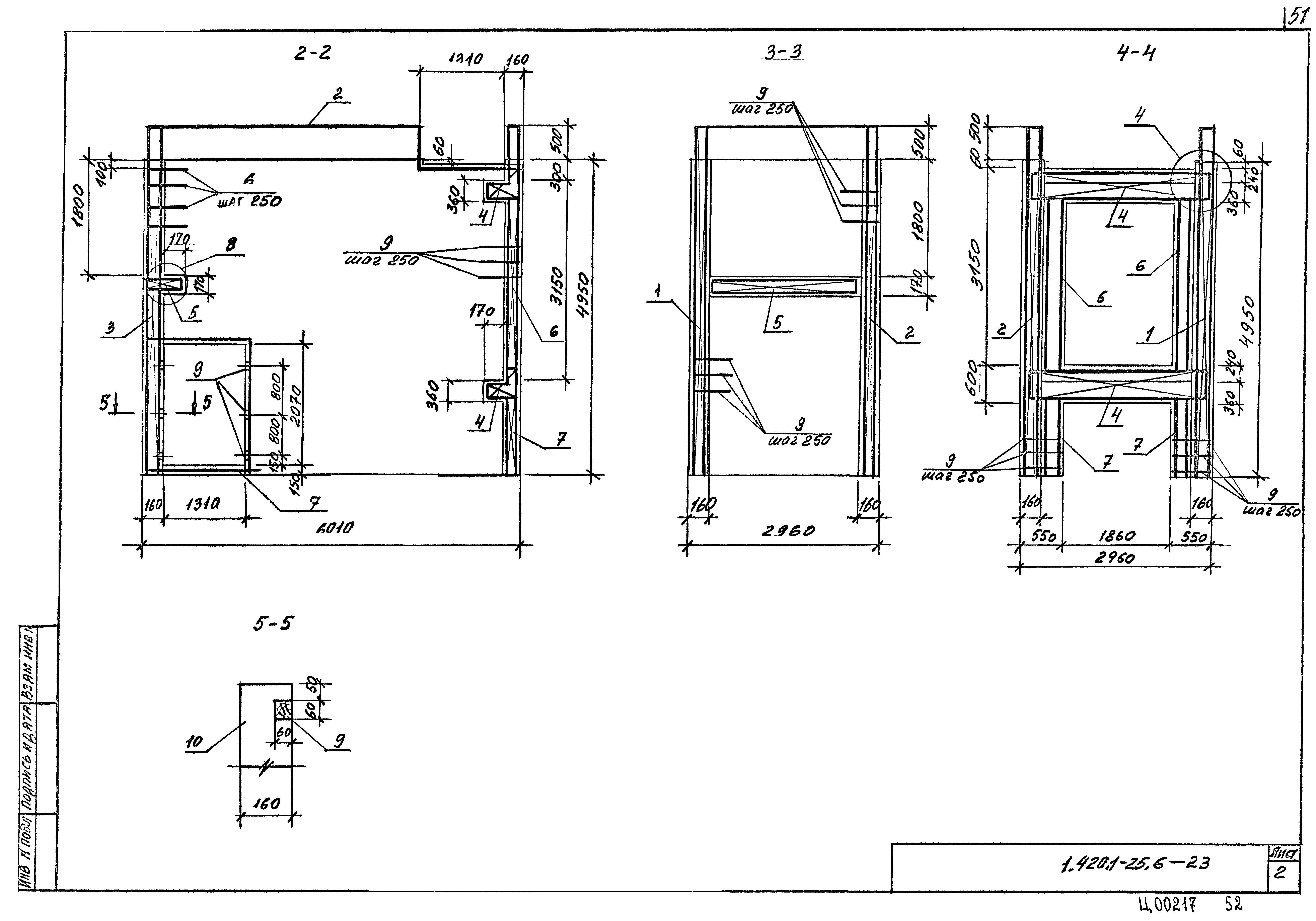
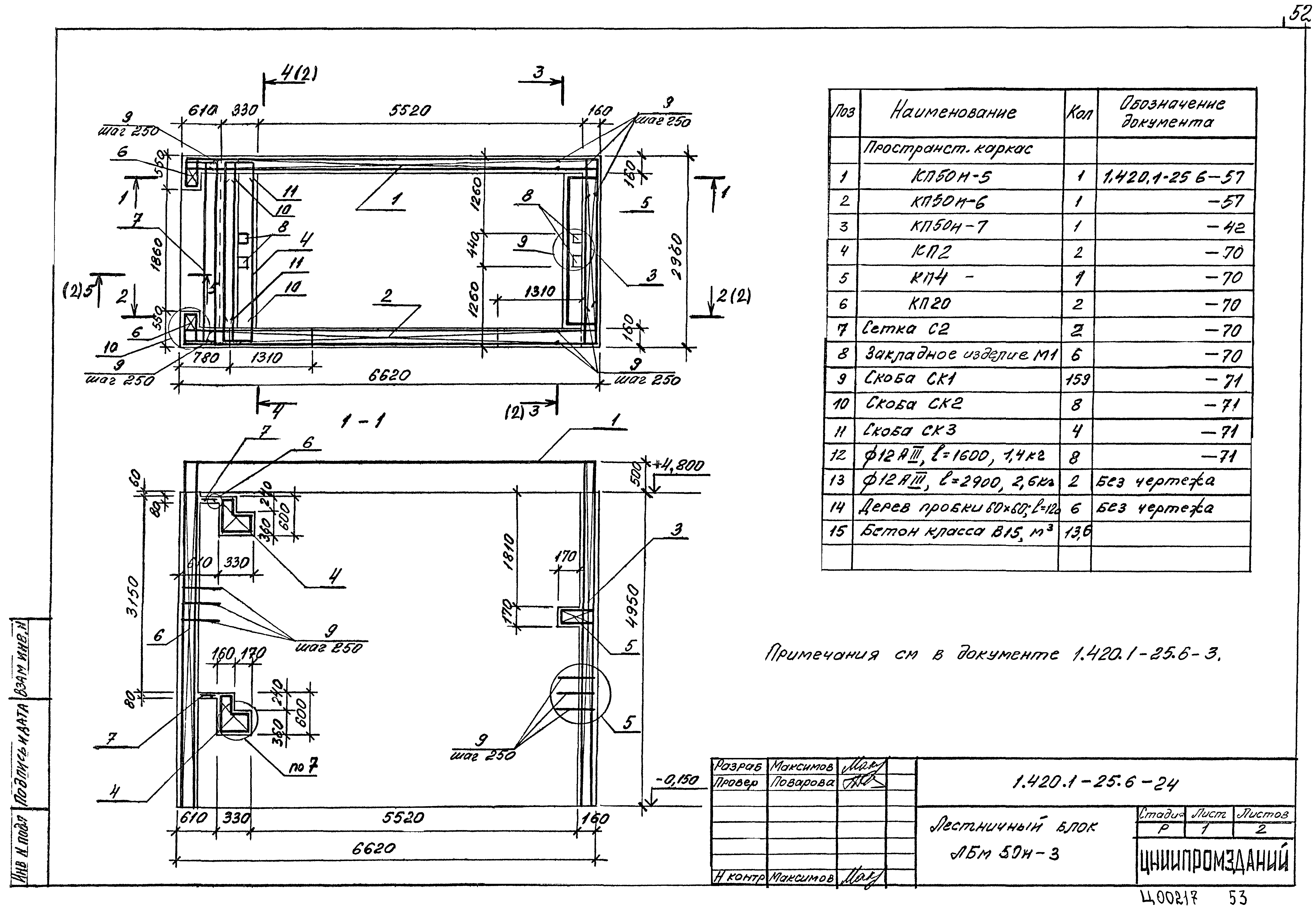
| Оглавление: | 1.420.1-25.6-1ПЗ Пояснительная записка 1.420.1-25.6-2 Монтажные схемы расположения монолитных блоков для лестниц № 10-17 1.420.1-25.6-3 Лестничный блок ЛБм 36в-1 1.420.1-25.6-4 Лестничный блок ЛБм 36в-2 1.420.1-25.6-5 Лестничный блок ЛБм 36в-3 1.420.1-25.6-6 Лестничный блок ЛБм 36в-4 1.420.1-25.6-7 Лестничный блок ЛБм 36в-5; ЛБм 36в-6 1.420.1-25.6-8 Лестничный блок ЛБм 38н-1 1.420.1-25.6-9 Лестничный блок ЛБм 48в-1 1.420.1-25.6-10 Лестничный блок ЛБм 48в-2 1.420.1-25.6-11 Лестничный блок ЛБм 48в-3 1.420.1-25.6-12 Лестничный блок ЛБм 48в-4 1.420.1-25.6-13 Лестничный блок ЛБм 48в-5 1.420.1-25.6-14 Лестничный блок ЛБм 48в-6 1.420.1-25.6-15 Лестничный блок ЛБм 48с-1 1.420.1-25.6-16 Лестничный блок ЛБм 48с-2 1.420.1-25.6-17 Лестничный блок ЛБм 48с-3 1.420.1-25.6-18 Лестничный блок ЛБм 48с-4 1.420.1-25.6-19 Лестничный блок ЛБм 48с-5 1.420.1-25.6-20 Лестничный блок ЛБм 48с-6 1.420.1-25.6-21 Лестничный блок ЛБм 48с-7 1.420.1-25.6-22 Лестничный блок ЛБм 50н-1 1.420.1-25.6-23 Лестничный блок ЛБм 50н-2 1.420.1-25.6-24 Лестничный блок ЛБм 50н-3 1.420.1-25.6-25 Лестничный блок ЛБм 60в-1 1.420.1-25.6-26 Лестничный блок ЛБм 60в-2 1.420.1-25.6-27 Лестничный блок ЛБм 60в-3 1.420.1-25.6-28 Лестничный блок ЛБм 60с-1 1.420.1-25.6-29 Лестничный блок ЛБм 60с-2 1.420.1-25.6-30 Лестничный блок ЛБм 60с-3 1.420.1-25.6-31 Лестничный блок ЛБм 62н-1 1.420.1-25.6-32 Лестничный блок ЛБм 62н-2 1.420.1-25.6-33 Лестничный блок ЛБм 62н-3 1.420.1-25.6-34 Узел сопряжения монолитных блоков 1 и 2 1.420.1-25.6-35 Узел 3…10 1.420.1-25.6-36 Каркас пространственный КП36в-1, КП36в-10 1.420.1-25.6-37 Каркас пространственный КП36в-2, КП36в-4 1.420.1-25.6-38 Каркас пространственный КП36в-3, КП36в-5 1.420.1-25.6-39 Каркас пространственный КП36в-6, КП36в-7 1.420.1-25.6-40 Каркас пространственный КП36в-8, КП36в-9 1.420.1-25.6-41 Каркас пространственный КП38н-1, КП38н-2 1.420.1-25.6-42 Каркас пространственный КП38н-3, КП48с-11, КП50н-7 1.420.1-25.6-43 Каркас пространственный КП48в-2, КП48в-1 1.420.1-25.6-44 Каркас пространственный КП48в-3, КП48в-5 1.420.1-25.6-45 Каркас пространственный КП48в-4 1.420.1-25.6-46 Каркас пространственный КП48в-7, КП48в-6 1.420.1-25.6-47 Каркас пространственный КП48в-9, КП48н-8, КП48с12 1.420.1-25.6-48 Каркас пространственный КП48с-1, КП48с-2 1.420.1-25.6-49 Каркас пространственный КП48с-3 1.420.1-25.6-50 Каркас пространственный КП48с-5, КП48с-4 1.420.1-25.6-51 Каркас пространственный КП48с-6, КП48с-7 1.420.1-25.6-52 Каркас пространственный КП48с-8, КП48в-8 1.420.1-25.6-53 Каркас пространственный КП48с-9, КП48с-10 1.420.1-25.6-54 Каркас пространственный КП48с-13, КП48в-10 1.420.1-25.6-55 Каркас пространственный КП50н-2, КП50н-1 1.420.1-25.6-56 Каркас пространственный КП50н-4, КП50н-3 1.420.1-25.6-57 Каркас пространственный КП50н-6, КП50н-5 1.420.1-25.6-58 Каркас пространственный КП60в-1 1.420.1-25.6-59 Каркас пространственный КП60в-3, КП60в-2 1.420.1-25.6-60 Каркас пространственный КП60в-5, КП60в-4 1.420.1-25.6-61 Каркас пространственный КП60с-1, КП60с-2 1.420.1-25.6-62 Каркас пространственный КП60с-3 1.420.1-25.6-63 Каркас пространственный КП60с-4 1.420.1-25.6-64 Каркас пространственный КП60с-5 1.420.1-25.6-65 Каркас пространственный КП62н-2, КП62н-1 1.420.1-25.6-66 Каркас пространственный КП62н-4, КП62н-3 1.420.1-25.6-67 Каркас пространственный КП62н-6, КП62н-5 1.420.1-25.6-68 Каркас пространственный КП62н-7, КП62с-6, КП60в-6 1.420.1-25.6-69 Каркас пространственный КП62н-8, КП62с-7, КП60в-7 1.420.1-25.6-70 Каркас пространственный КП1, КП2 1.420.1-25.6-71 Каркас пространственный КП1…КП41. Сетка С1, С2. Скоба СК1, СК2, СК3 1.420.1-25.6-72 Закладное изделие М1 1.420.1-25.6-73РС Ведомость расхода стали |
| Разработан: | ЦНИИпромзданий |
| Утверждён: | 13.04.1994 Главпроект Госстроя России (9-3-2/72) |
| Расположен в: |



























































































































