Информационная система
«Ёшкин Кот»

Скачать базу одним архивом
Скачать обновления
История создания базы
Карта сайта

Скачать Серия 1.020.1-3пв Выпуск 4-3. Часть 1. Диафрагмы жесткости нулевого цикла для сборного варианта. Рабочие чертежи

Дата актуализации: 10.08.2017

Серия 1.020.1-3пв

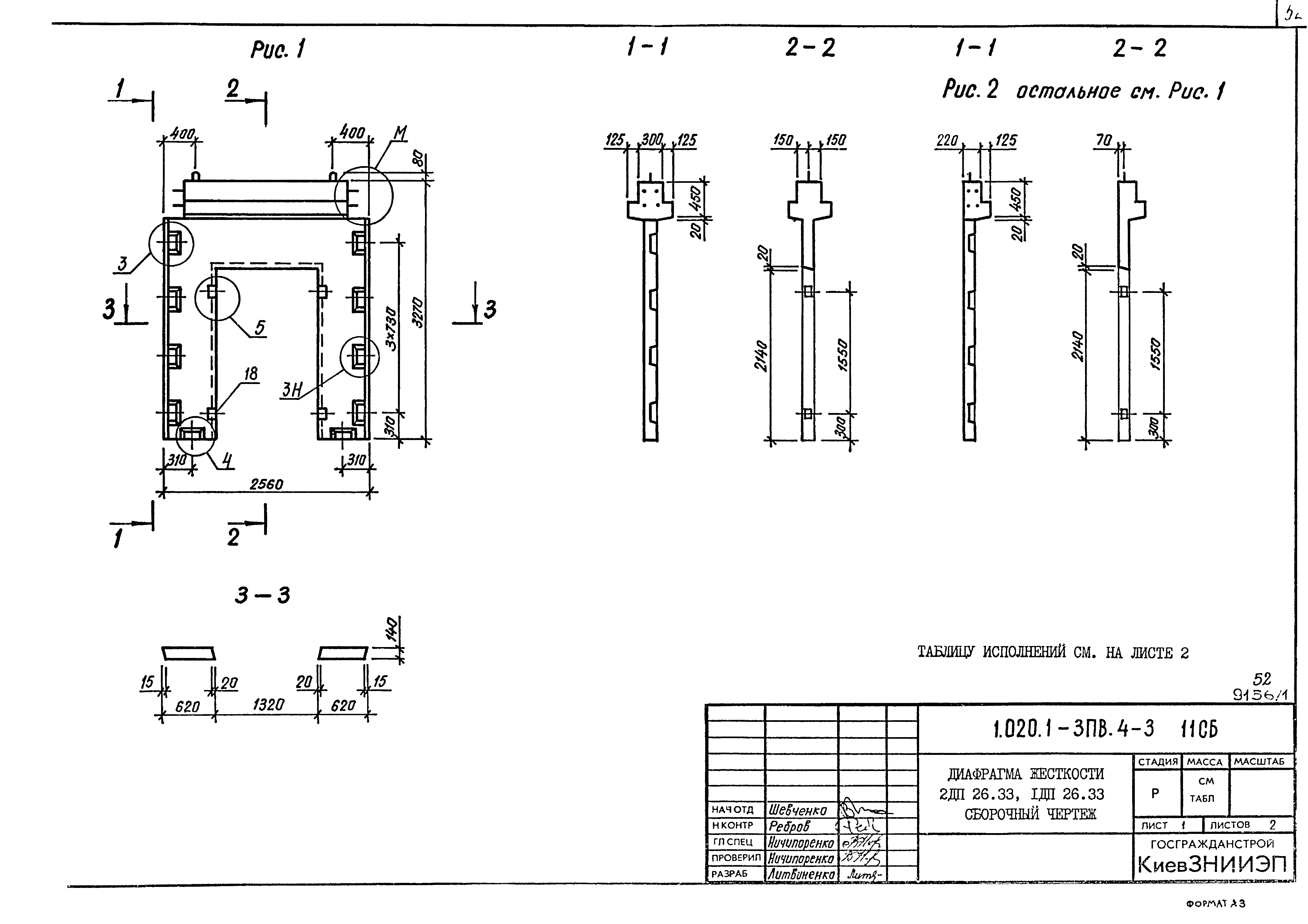
Выпуск 4-3. Часть 1. Диафрагмы жесткости нулевого цикла для сборного варианта. Рабочие чертежи

Обозначение: Серия 1.020.1-3пв
Обозначение англ: Series 1.020.1-3пв
Статус:действует
Название рус.:Выпуск 4-3. Часть 1. Диафрагмы жесткости нулевого цикла для сборного варианта. Рабочие чертежи
Дата добавления в базу:01.09.2013
Дата актуализации:05.05.2017
Дата введения:01.11.1985
Оглавление:1.020.1-3ПВ.4-3 00ТО Техническое описание
1.020.1-3ПВ.4-3 01 Диафрагма жесткости 2Д 12.20, 1Д 12.20
1.020.1-3ПВ.4-3 02 Диафрагма жесткости 2Д 26.20, 1Д 26.20
1.020.1-3ПВ.4-3 03 Диафрагма жесткости 2Д 30.20, 1Д 30.20
1.020.1-3ПВ.4-3 04 Диафрагма жесткости 2Д 56.20, 1Д 56.20
1.020.1-3ПВ.4-3 05 Диафрагма жесткости 2ДП 26.20, 1ДП 26.20
1.020.1-3ПВ.4-3 06 Диафрагма жесткости 2ДП 56.20, 1ДП 56.20
1.020.1-3ПВ.4-3 07 Диафрагма жесткости 2Д 12.33, 1Д 12.33
1.020.1-3ПВ.4-3 08 Диафрагма жесткости 2Д 26.33, 1Д 26.33
1.020.1-3ПВ.4-3 09 Диафрагма жесткости 2Д 30.33, 1Д 30.33
1.020.1-3ПВ.4-3 10 Диафрагма жесткости 2Д 56.33, 1Д 56.33
1.020.1-3ПВ.4-3 11 Диафрагма жесткости 2ДП 26.33, 1ДП 26.33
1.020.1-3ПВ.4-3 12 Диафрагма жесткости 2ДП 56.33, 1ДП 56.33, 1ДП 56.33
1.020.1-3ПВ.4-3 13 Диафрагма жесткости 2ДПК 56.33, 1ДПК 56.33Л, 1ДПК 56.33П
1.020.1-3ПВ.4-3 14 Диафрагма жесткости 2Д 12.36, 1Д 12.36
1.020.1-3ПВ.4-3 15 Диафрагма жесткости 2Д 26.36, 1Д 26.36
1.020.1-3ПВ.4-3 16 Диафрагма жесткости 2Д 30.36, 1Д 30.36
1.020.1-3ПВ.4-3 17 Диафрагма жесткости 2ДП 26.36, 1ДП 26.36
1.020.1-3ПВ.4-3 18 Диафрагма жесткости 2Д 12.42, 1Д 12.42
1.020.1-3ПВ.4-3 19 Диафрагма жесткости 2Д 24.42, 1Д 24.42
1.020.1-3ПВ.4-3 20 Диафрагма жесткости 2Д 26.42, 1Д 26.42
1.020.1-3ПВ.4-3 21 Диафрагма жесткости 2Д 30.42, 1Д 30.42
1.020.1-3ПВ.4-3 22 Диафрагма жесткости 2ДП 26.42, 1ДП 26.42
1.020.1-3ПВ.4-3 23 Диафрагма жесткости 2ДП 32.42, 1ДП 32.42
Разработан: КиевЗНИИЭП
ЦНИИЭП торгово-бытовых зданий и туристских комплексов
Утверждён:30.07.1985 Госстрой СССР (Государственный комитет Совета Министров СССР по делам строительства) (USSR Gosstroy АЧ-30)
Расположен в:Техническая документация Строительство Справочные документы Типовые строительные конструкции, изделия и узлы Общероссийский строительный каталог Строительные конструкции, изделия и узлы зданий и сооружений для всех видов строительства Конструкции, изделия и узлы зданий Несущие конструкции двухэтажных и многоэтажных зданий Каркасные здания
Заменяет собой:
Серия 1.020.1-3пвСерия 1.020.1-3пвСерия 1.020.1-3пвСерия 1.020.1-3пвСерия 1.020.1-3пвСерия 1.020.1-3пвСерия 1.020.1-3пвСерия 1.020.1-3пвСерия 1.020.1-3пвСерия 1.020.1-3пвСерия 1.020.1-3пвСерия 1.020.1-3пвСерия 1.020.1-3пвСерия 1.020.1-3пвСерия 1.020.1-3пвСерия 1.020.1-3пвСерия 1.020.1-3пвСерия 1.020.1-3пвСерия 1.020.1-3пвСерия 1.020.1-3пвСерия 1.020.1-3пвСерия 1.020.1-3пвСерия 1.020.1-3пвСерия 1.020.1-3пвСерия 1.020.1-3пвСерия 1.020.1-3пвСерия 1.020.1-3пвСерия 1.020.1-3пвСерия 1.020.1-3пвСерия 1.020.1-3пвСерия 1.020.1-3пвСерия 1.020.1-3пвСерия 1.020.1-3пвСерия 1.020.1-3пвСерия 1.020.1-3пвСерия 1.020.1-3пвСерия 1.020.1-3пвСерия 1.020.1-3пвСерия 1.020.1-3пвСерия 1.020.1-3пвСерия 1.020.1-3пвСерия 1.020.1-3пвСерия 1.020.1-3пвСерия 1.020.1-3пвСерия 1.020.1-3пвСерия 1.020.1-3пвСерия 1.020.1-3пвСерия 1.020.1-3пвСерия 1.020.1-3пвСерия 1.020.1-3пвСерия 1.020.1-3пвСерия 1.020.1-3пвСерия 1.020.1-3пвСерия 1.020.1-3пвСерия 1.020.1-3пвСерия 1.020.1-3пвСерия 1.020.1-3пвСерия 1.020.1-3пвСерия 1.020.1-3пвСерия 1.020.1-3пвСерия 1.020.1-3пвСерия 1.020.1-3пвСерия 1.020.1-3пвСерия 1.020.1-3пвСерия 1.020.1-3пвСерия 1.020.1-3пвСерия 1.020.1-3пвСерия 1.020.1-3пвСерия 1.020.1-3пвСерия 1.020.1-3пвСерия 1.020.1-3пвСерия 1.020.1-3пвСерия 1.020.1-3пвСерия 1.020.1-3пвСерия 1.020.1-3пвСерия 1.020.1-3пвСерия 1.020.1-3пвСерия 1.020.1-3пвСерия 1.020.1-3пвСерия 1.020.1-3пвСерия 1.020.1-3пвСерия 1.020.1-3пвСерия 1.020.1-3пвСерия 1.020.1-3пвСерия 1.020.1-3пвСерия 1.020.1-3пвСерия 1.020.1-3пвСерия 1.020.1-3пвСерия 1.020.1-3пвСерия 1.020.1-3пвСерия 1.020.1-3пвСерия 1.020.1-3пвСерия 1.020.1-3пвСерия 1.020.1-3пвСерия 1.020.1-3пвСерия 1.020.1-3пвСерия 1.020.1-3пвСерия 1.020.1-3пвСерия 1.020.1-3пвСерия 1.020.1-3пвСерия 1.020.1-3пвСерия 1.020.1-3пвСерия 1.020.1-3пвСерия 1.020.1-3пвСерия 1.020.1-3пвСерия 1.020.1-3пвСерия 1.020.1-3пвСерия 1.020.1-3пвСерия 1.020.1-3пвСерия 1.020.1-3пвСерия 1.020.1-3пвСерия 1.020.1-3пв

© 2013 Ёшкин Кот :-) Карта сайта