| ||||||||||||||||||||||||||||
Скачать Серия 5.903-11 Выпуск 0. Часть 1. Указания по применению, монтажу и эксплуатацииДата актуализации: 10.08.2017
|
| Обозначение: | Серия 5.903-11 |
| Обозначение англ: | Series 5.903-11 |
| Статус: | не определен законодательством |
| Название рус.: | Выпуск 0. Часть 1. Указания по применению, монтажу и эксплуатации |
| Дата добавления в базу: | 01.09.2013 |
| Дата актуализации: | 05.05.2017 |
| Дата введения: | 01.01.1991 |
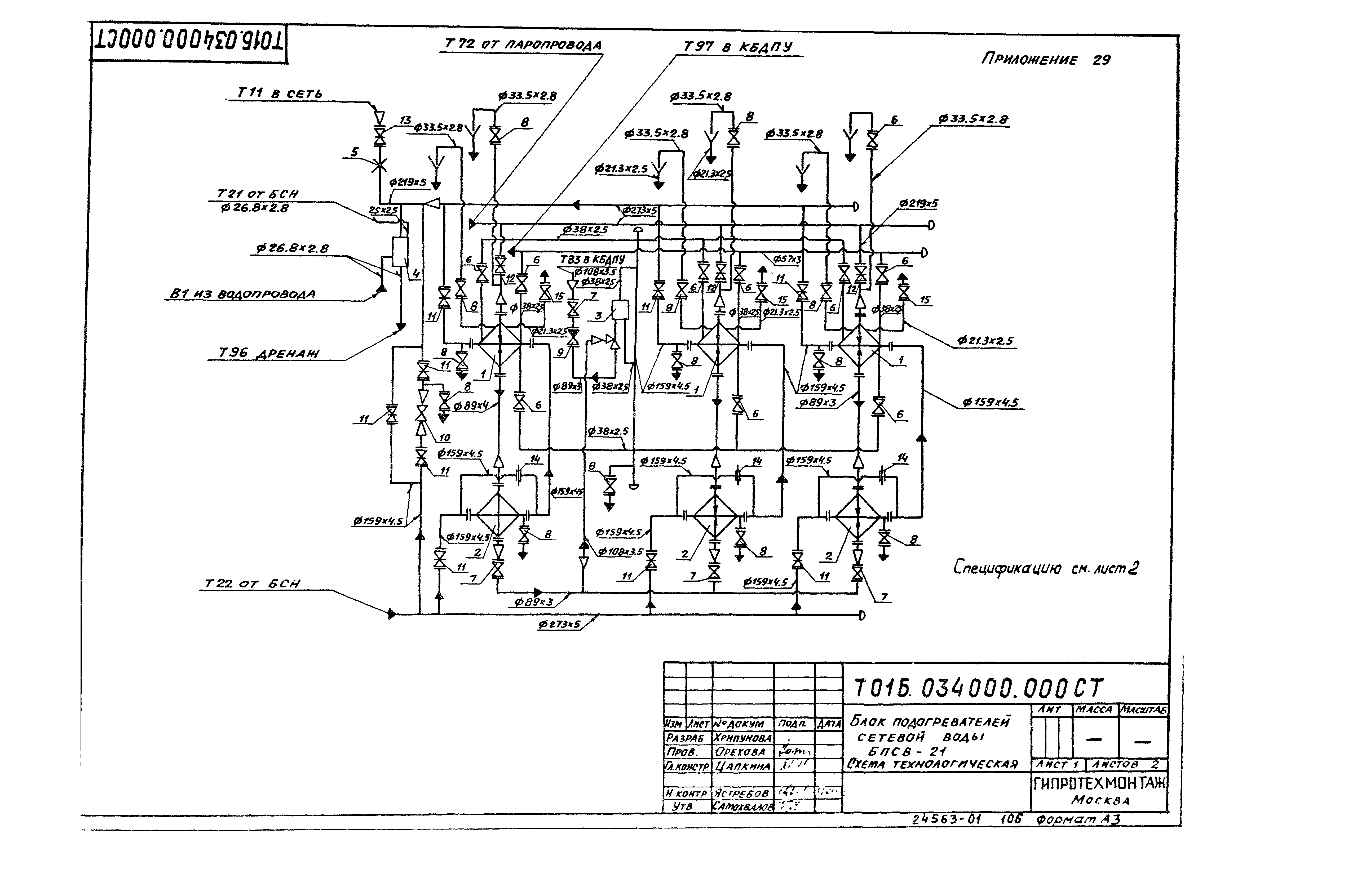
| Оглавление: | 5.903-11.0-ПЗ Пояснительная записка Т01Б.001000.000СТ Крупноблочная деаэрационно-питательная установка КБД ПУ-15-20. Схема технологическая. Приложение 1 Т01Б.001000.000ГЧ Крупноблочная деаэрационно-питательная установка КБД ПУ-15-20. Габаритный чертеж. Приложение 2 Т01Б.002000.000СТ Крупноблочная деаэрационно-питательная установка КБД ПУ-15-30. Схема технологическая. Приложение 3 Т01Б.002000.000ГЧ Крупноблочная деаэрационно-питательная установка КБД ПУ-15-30. Габаритный чертеж. Приложение 4 Т01Б.003000.000СТ Крупноблочная деаэрационно-питательная установка КБД ПУ-25-76. Схема технологическая. Приложение 5 Т01Б.003000.000ГЧ Крупноблочная деаэрационно-питательная установка КБД ПУ-25-76. Габаритный чертеж. Приложение 6 Т01Б.004000.000СТ Крупноблочная деаэрационно-питательная установка КБД ПУ-25-76. Схема технологическая. Приложение 7 Т01Б.004000.000ГЧ Крупноблочная деаэрационно-питательная установка КБД ПУ-50-76. Габаритный чертеж. Приложение 8 Т01Б.005000.000СТ Крупноблочная деаэрационно-питательная установка КБД ПУ-50-114. Схема технологическая. Приложение 9 Т01Б.005000.000ГЧ Крупноблочная деаэрационно-питательная установка КБД ПУ-50-114. Габаритный чертеж. Приложение 10 Т01Б.006000.000СТ Крупноблочная деаэрационно-питательная установка КБД ПУ-100-114. Схема технологическая. Приложение 11 Т01Б.006000.000ГЧ Крупноблочная деаэрационно-питательная установка КБД ПУ-100-114. Габаритный чертеж. Приложение 12 Т01Б.007000.000СТ Крупноблочная деаэрационно-питательная установка КБД ПУ-100-120. Схема технологическая. Приложение 13 Т01Б.007000.000ГЧ Крупноблочная деаэрационно-питательная установка КБД ПУ-100-120. Габаритный чертеж. Приложение 14 Т01Б.008000.000СТ Крупноблочная деаэрационно-питательная установка КБД ПУ-100-180. Схема технологическая. Приложение 15 Т01Б.008000.000ГЧ Крупноблочная деаэрационно-питательная установка КБД ПУ-100-180. Габаритный чертеж. Приложение 16 Т01Б.009000.000СТ Блок подогревательный сетевой воды БПСВ-5. Схема технологическая. Приложение 17 Т01Б.009000.000ГЧ Блок подогревательный сетевой воды БПСВ-5. Габаритный чертеж. Приложение 18 Т01Б.010000.000СТ Блок подогревательный сетевой воды с подпиткой БПСВ-5. Схема технологическая. Приложение 19 Т01Б.010000.000ГЧ Блок подогревательный сетевой воды с подпиткой БПСВ-5. Габаритный чертеж. Приложение 20 Т01Б.011000.000СТ Блок подогревательный сетевой воды БПСВ-9. Схема технологическая. Приложение 21 Т01Б.011000.000ГЧ Блок подогревательный сетевой воды БПСВ-9. Габаритный чертеж. Приложение 22 Т01Б.012000.000СТ Блок подогревательный сетевой воды с подпиткой БПСВ-9. Схема технологическая. Приложение 23 Т01Б.012000.000ГЧ Блок подогревательный сетевой воды с подпиткой БПСВ-9. Габаритный чертеж. Приложение 24 Т01Б.013000.000СТ Блок подогревательный сетевой воды БПСВ-14. Схема технологическая. Приложение 25 Т01Б.013000.000ГЧ Блок подогревательный сетевой воды БПСВ-14. Габаритный чертеж. Приложение 26 Т01Б.014000.000СТ Блок подогревательный сетевой воды с подпиткой БПСВ-14. Схема технологическая. Приложение 27 Т01Б.014000.000ГЧ Блок подогревательный сетевой воды с подпиткой БПСВ-14. Габаритный чертеж. Приложение 28 Т01Б.034000.000СТ Блок подогревательный сетевой воды БПСВ-21. Схема технологическая. Приложение 29 Т01Б.034000.000ГЧ Блок подогревательный сетевой воды БПСВ-21. Габаритный чертеж. Приложение 30 Т01Б.015000.000СТ Блок сетевых насосов БСН-3х38-88. Схема технологическая. Приложение 31 Т01Б.015000.000ГЧ Блок сетевых насосов БСН-3х38-88. Габаритный чертеж. Приложение 32 Т01Б.016000.000СТ Блок сетевых насосов БСН-3х60-99. Схема технологическая. Приложение 33 Т01Б.016000.000ГЧ Блок сетевых насосов БСН-3х60-99. Габаритный чертеж. Приложение 34 Т01Б.017000.000СТ Блок сетевых насосов БСН-2х200-95 1х60-99. Габаритный чертеж. Приложение 35 Т01Б.017000.000ГЧ Блок сетевых насосов БСН-2х200-95 1х60-99. Габаритный чертеж. Приложение 36 Т01Б.018000.000СТ Блок сетевых насосов БСН-2х200-95. Схема технологическая. Приложение 37 Т01Б.018000.000ГЧ Блок сетевых насосов БСН-2х200-95. Габаритный чертеж. Приложение 38 Т01Б.019000.000СТ Блок сетевых насосов БСН-2х320-70. Схема технологическая. Приложение 39 Т01Б.019000.000ГЧ Блок сетевых насосов БСН-2х320-70. Габаритный чертеж. Приложение 40 Т01Б.035000.000СТ Блок сетевых насосов БСН-2х200-95. Схема технологическая. Приложение 41 Т01Б.035000.000ГЧ Блок сетевых насосов БСН-2х200-95. Габаритный чертеж. Приложение 42 Т01Б.036000.000СТ Блок сетевых насосов БСН-2х320-70. Схема технологическая. Приложение 43 Т01Б.036000.000ГЧ Блок сетевых насосов БСН-2х320-70. Габаритный чертеж. Приложение 44 Т01Б.037000.000СТ Блок сетевых насосов БСН-3х400-105 1х200-99. Схема технологическая. Приложение 45 Т01Б.037000.000ГЧ Блок сетевых насосов БСН-3х400-105 1х200-99. Габаритный чертеж. Приложение 46 |
| Разработан: | Гипротехмонтаж |
| Утверждён: | 08.12.1989 Минмонтажспецстрой СССР (USSR Minmontazhspetsstroy ) |
| Издан: | ЦИТП Госстроя СССР (CITP, Gosstroy (USSR) 1991 г. ) |
| Расположен в: |































































































































