| ||||||||||||||||||||||||||||
Скачать Серия 5.407-141 Выпуск 1. Узлы и изделия. Рабочие чертежиДата актуализации: 10.08.2017
|
| Обозначение: | Серия 5.407-141 |
| Обозначение англ: | Series 5.407-141 |
| Статус: | не определен законодательством |
| Название рус.: | Выпуск 1. Узлы и изделия. Рабочие чертежи |
| Дата добавления в базу: | 01.09.2013 |
| Дата актуализации: | 05.05.2017 |
| Дата введения: | 01.08.1991 |
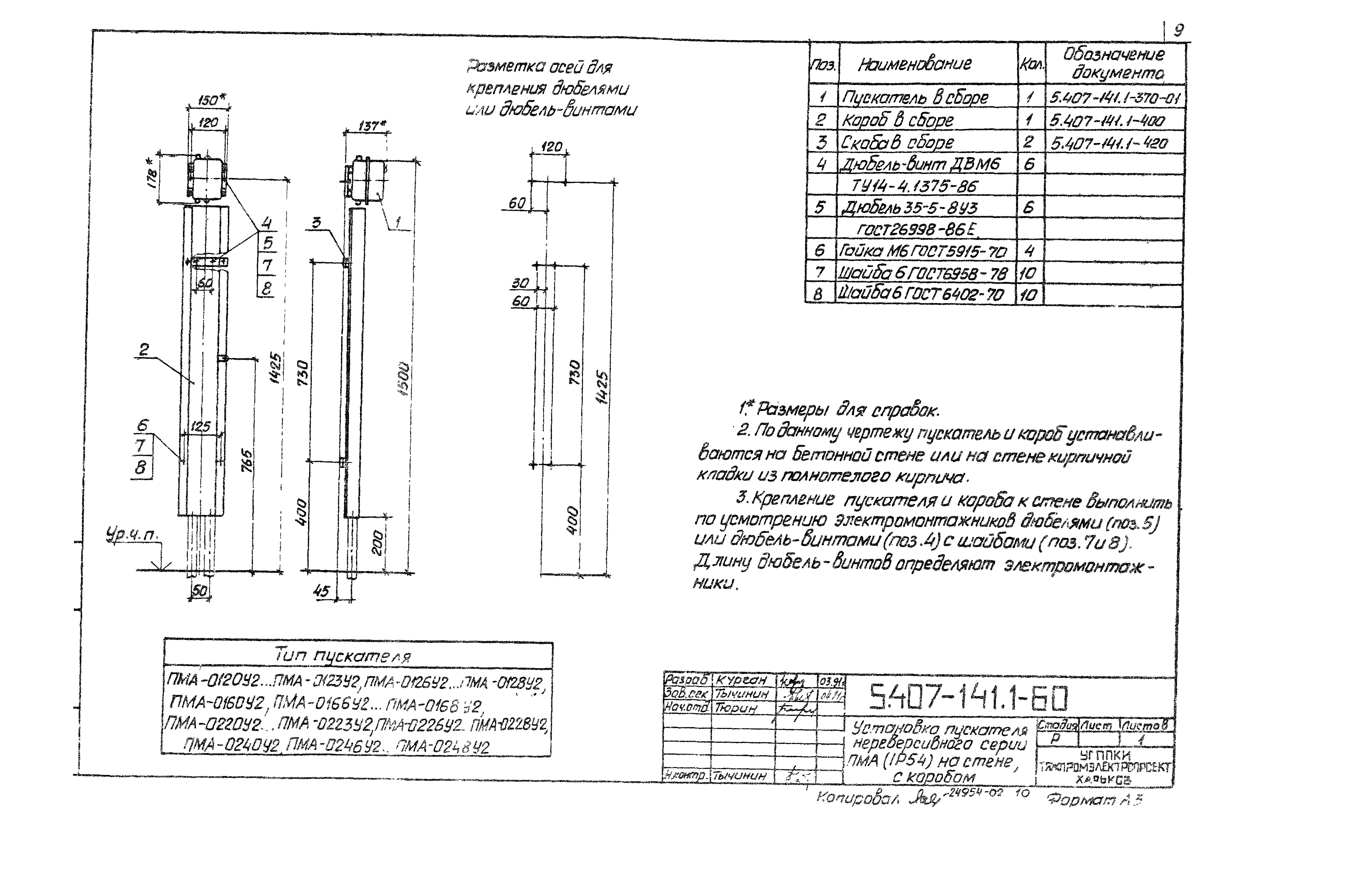
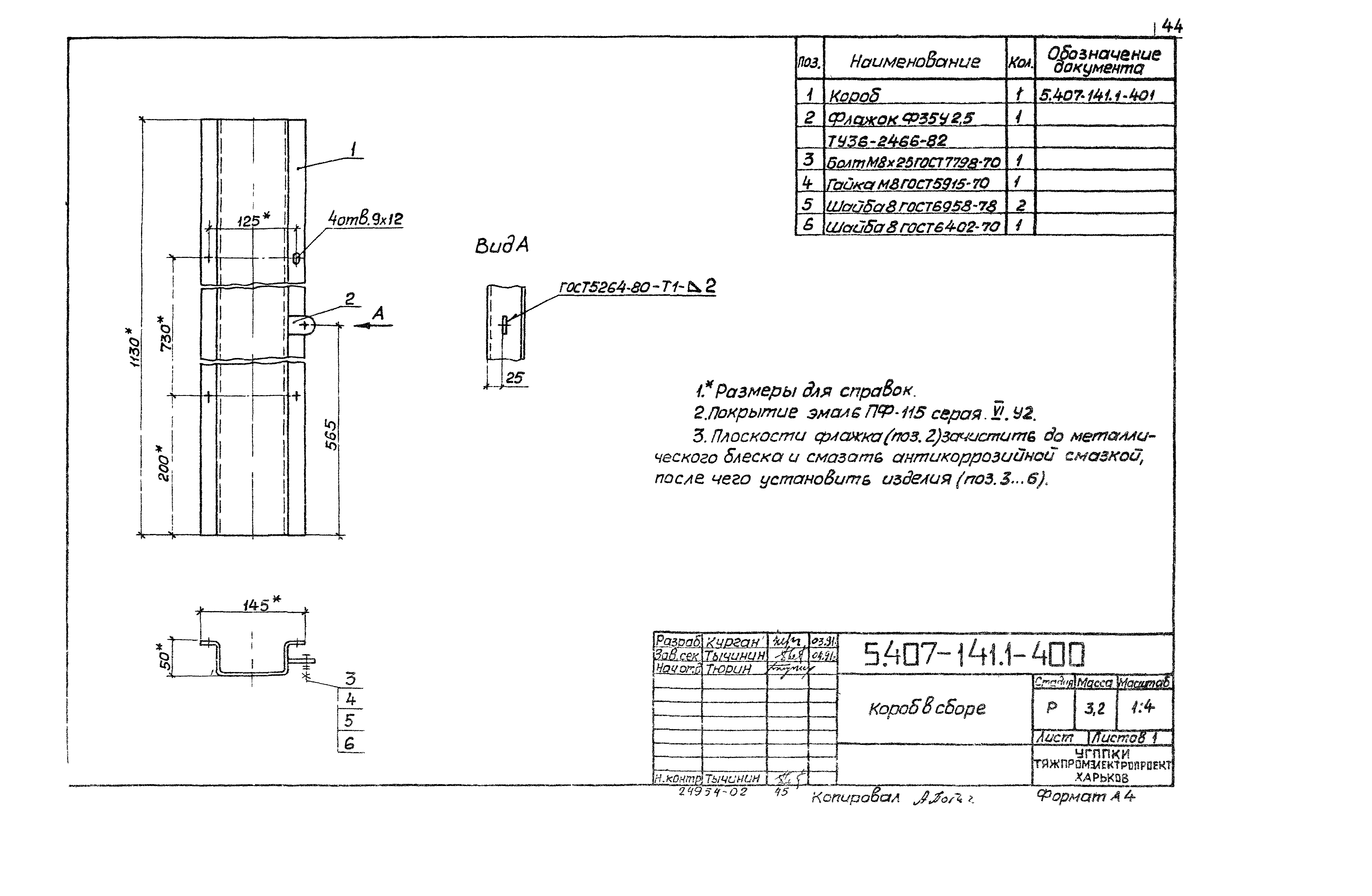
| Оглавление: | 5.407-141.1-10 Установка пускателя нереверсивного серии ПМА (1Р40) на стене 5.407-141.1-20 Установка пускателя нереверсивного серии ПМА (1Р54) на стене 5.407-141.1-30 Установка пускателя реверсивного серии ПМА (1Р40) на стене 5.407-141.1-40 Установка пускателя реверсивного серии ПМА (1Р54) на стене 5.407-141.1-50 Установка пускателя нереверсивного серии ПМА (1Р40) на стене с коробом 5.407-141.1-60 Установка пускателя нереверсивного серии ПМА (1Р54) на стене с коробом 5.407-141.1-70 Установка пускателя реверсивного серии ПМА (1Р40) на стене с коробом 5.407-141.1-80 Установка пускателя реверсивного серии ПМА (1Р54) на стене с коробом 5.407-141.1-90 Установка пускателя нереверсивного серии ПМА (1Р40) на ж.б. колонне 5.407-141.1-100 Установка пускателя нереверсивного серии ПМА (1Р54) на ж.б. колонне 5.407-141.1-110 Установка пускателя реверсивного серии ПМА (1Р40) на ж.б. колонне 5.407-141.1-120 Установка пускателя реверсивного серии ПМА (1Р54) на ж.б. колонне 5.407-141.1-130 Установка пускателя нереверсивного серии ПМА (1Р40) на стальной колонне 5.407-141.1-140 Установка пускателя нереверсивного серии ПМА (1Р54) на стальной колонне 5.407-141.1-150 Установка пускателя реверсивного серии ПМА (1Р40) на стальной колонне 5.407-141.1-160 Установка пускателя реверсивного серии ПМА (1Р54) на стальной колонне 5.407-141.1-170 Установка пускателя нереверсивного серии ПМА (1Р40) на стальной колонне 5.407-141.1-180 Установка пускателя нереверсивного серии ПМА (1Р54) на стальной колонне 5.407-141.1-190 Установка пускателя реверсивного серии ПМА (1Р40) на стальной колонне 5.407-141.1-200 Установка пускателя реверсивного серии ПМА (1Р54) на стальной колонне 5.407-141.1-210 Установка пускателя нереверсивного серии ПМА (1Р40) на ступенчатой колонне 5.407-141.1-220 Установка пускателя нереверсивного серии ПМА (1Р54) на ступенчатой колонне 5.407-141.1-230 Установка пускателя реверсивного серии ПМА (1Р40) на ступенчатой колонне 5.407-141.1-240 Установка пускателя реверсивного серии ПМА (1Р54) на ступенчатой колонне 5.407-141.1-250 Установка пускателя нереверсивного серии ПМА (1Р40) на стойке 5.407-141.1-260 Установка пускателя нереверсивного серии ПМА (1Р54) на стойке 5.407-141.1-270 Установка пускателя реверсивного серии ПМА (1Р40) на стойке 5.407-141.1-280 Установка пускателя реверсивного серии ПМА (1Р54) на стойке 5.407-141.1-290Установка пускателя нереверсивного серии ПМА (1Р40) на стойке 5.407-141.1-300 Установка пускателя нереверсивного серии ПМА (1Р54) на стойке 5.407-141.1-301 Шайба 5.407-141.1-302 Уголок 5.407-141.1-310 Установка пускателя реверсивного серии ПМА (1Р40) на стойке 5.407-141.1-320 Установка пускателя реверсивного серии ПМА (1Р54) на стойке 5.407-141.1-330 Установка пускателя нереверсивного серии ПМА (1Р40) на стойке 5.407-141.1-340 Установка пускателя нереверсивного серии ПМА (1Р54) на стойке 5.407-141.1-350 Установка пускателя реверсивного серии ПМА (1Р40) на стойке 5.407-141.1-360 Установка пускателя реверсивного серии ПМА (1Р54) на стойке 5.407-141.1-370 Пускатель в сборе 5.407-141.1-380 Пускатель в сборе 5.407-141.1-390 Конструкция 5.407-141.1-400 Короб в сборе 5.407-141.1-401 Короб 5.407-141.1-410 Конструкция 5.407-141.1-420 Скоба в сборе 5.407-141.1-421 Скоба 5.407-141.1-430 Стойка в сборе |
| Разработан: | УГППКИ Тяжпромэлектропроект |
| Утверждён: | 01.04.1991 ВНИПИ Тяжпромэлектропроект им. Ф.Б. Якубовского (F.B.Yakubovskiy Tyazhpromelektroproject VNIPI ) |
| Издан: | АПП ЦИТП (1991 г. ) |
| Расположен в: |














































