Информационная система
«Ёшкин Кот»

Скачать базу одним архивом
Скачать обновления
История создания базы
Карта сайта

Скачать Серия 1.020.1-4 Выпуск 0-7. Состав дополнительных выпусков при варианте армирования изделий сталью Ат-IVC и Врп-I. Общие указания по применению изделий. Номенклатура изделий

Дата актуализации: 10.08.2017

Серия 1.020.1-4

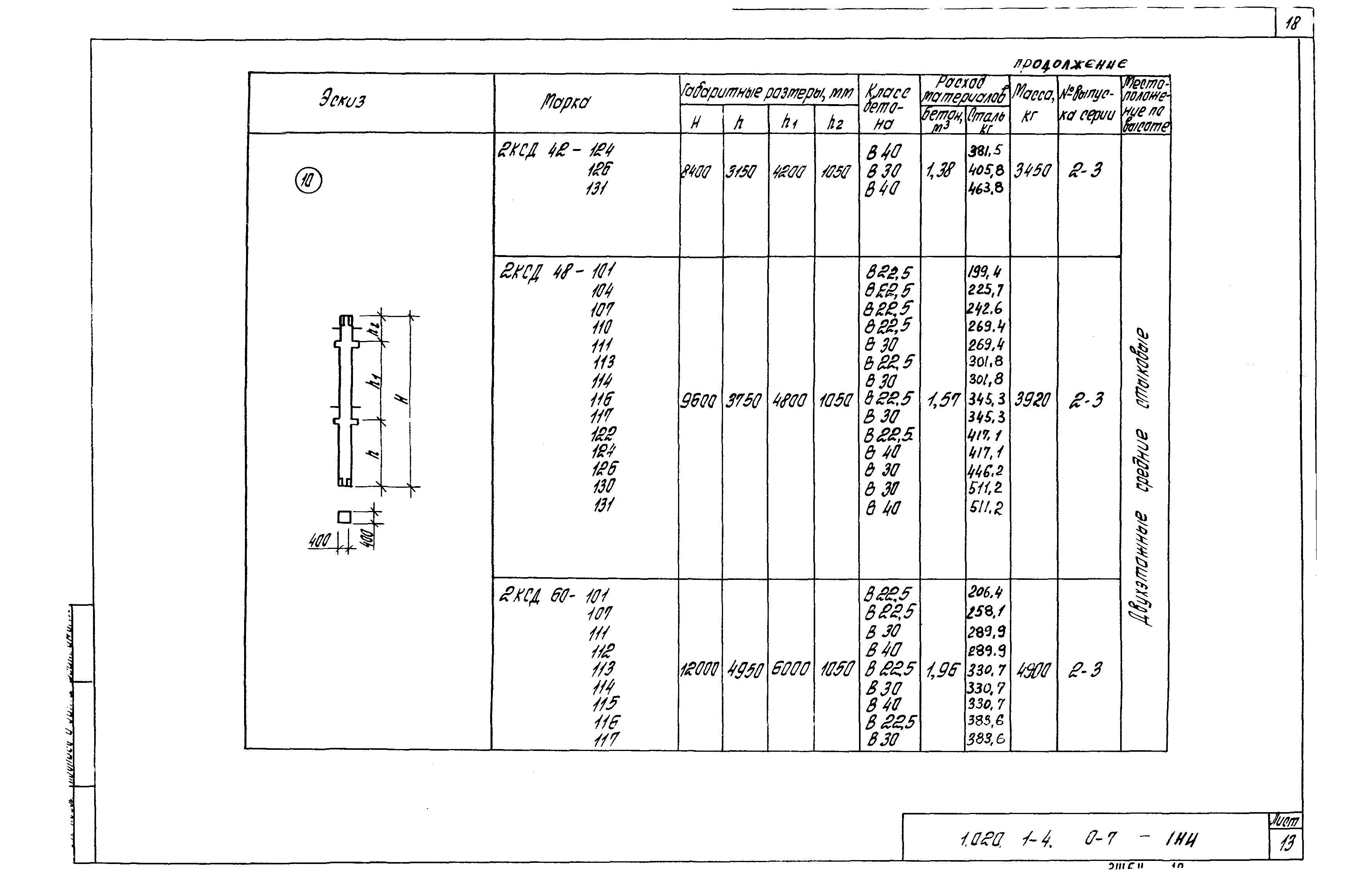
Выпуск 0-7. Состав дополнительных выпусков при варианте армирования изделий сталью Ат-IVC и Врп-I. Общие указания по применению изделий. Номенклатура изделий

Обозначение: Серия 1.020.1-4
Обозначение англ: Series 1.020.1-4
Статус:не определен законодательством
Название рус.:Выпуск 0-7. Состав дополнительных выпусков при варианте армирования изделий сталью Ат-IVC и Врп-I. Общие указания по применению изделий. Номенклатура изделий
Дата добавления в базу:01.09.2013
Дата актуализации:05.05.2017
Дата введения:01.07.1990
Оглавление:1.020.1-4.0-7-ПЗ Пояснительная записка
1.020.1-4.0-7-1 Разрезка колонн
1.020.1-4.0-7-2 Номенклатура и код несущей способности сечений колонн
1.020.1-4.0-7-3 Номенклатура колонн
1.020.1-4.0-7-4 Номенклатура колонн (дополнительная)
1.020.1-4.0-7-5 Номенклатура ригелей
Разработан: АО ЦНИИпромзданий
Утверждён:28.12.1989 Госстрой СССР (Государственный комитет Совета Министров СССР по делам строительства) (USSR Gosstroy 4/5-1595)
Расположен в:Техническая документация Строительство Справочные документы Типовые строительные конструкции, изделия и узлы Общероссийский строительный каталог Строительные конструкции, изделия и узлы зданий и сооружений для всех видов строительства Конструкции, изделия и узлы зданий Несущие конструкции двухэтажных и многоэтажных зданий Каркасные здания
Серия 1.020.1-4Серия 1.020.1-4Серия 1.020.1-4Серия 1.020.1-4Серия 1.020.1-4Серия 1.020.1-4Серия 1.020.1-4Серия 1.020.1-4Серия 1.020.1-4Серия 1.020.1-4Серия 1.020.1-4Серия 1.020.1-4Серия 1.020.1-4Серия 1.020.1-4Серия 1.020.1-4Серия 1.020.1-4Серия 1.020.1-4Серия 1.020.1-4Серия 1.020.1-4Серия 1.020.1-4Серия 1.020.1-4Серия 1.020.1-4Серия 1.020.1-4Серия 1.020.1-4Серия 1.020.1-4Серия 1.020.1-4Серия 1.020.1-4Серия 1.020.1-4Серия 1.020.1-4Серия 1.020.1-4Серия 1.020.1-4Серия 1.020.1-4

© 2013 Ёшкин Кот :-) Карта сайта