| ||||||||||||||||||||||||||||
Скачать Серия 5.407-95 Выпуск 0. Материалы для проектированияДата актуализации: 10.08.2017
|
| Обозначение: | Серия 5.407-95 |
| Обозначение англ: | Series 5.407-95 |
| Статус: | не определен законодательством |
| Название рус.: | Выпуск 0. Материалы для проектирования |
| Дата добавления в базу: | 01.09.2013 |
| Дата актуализации: | 05.05.2017 |
| Дата введения: | 14.09.1988 |
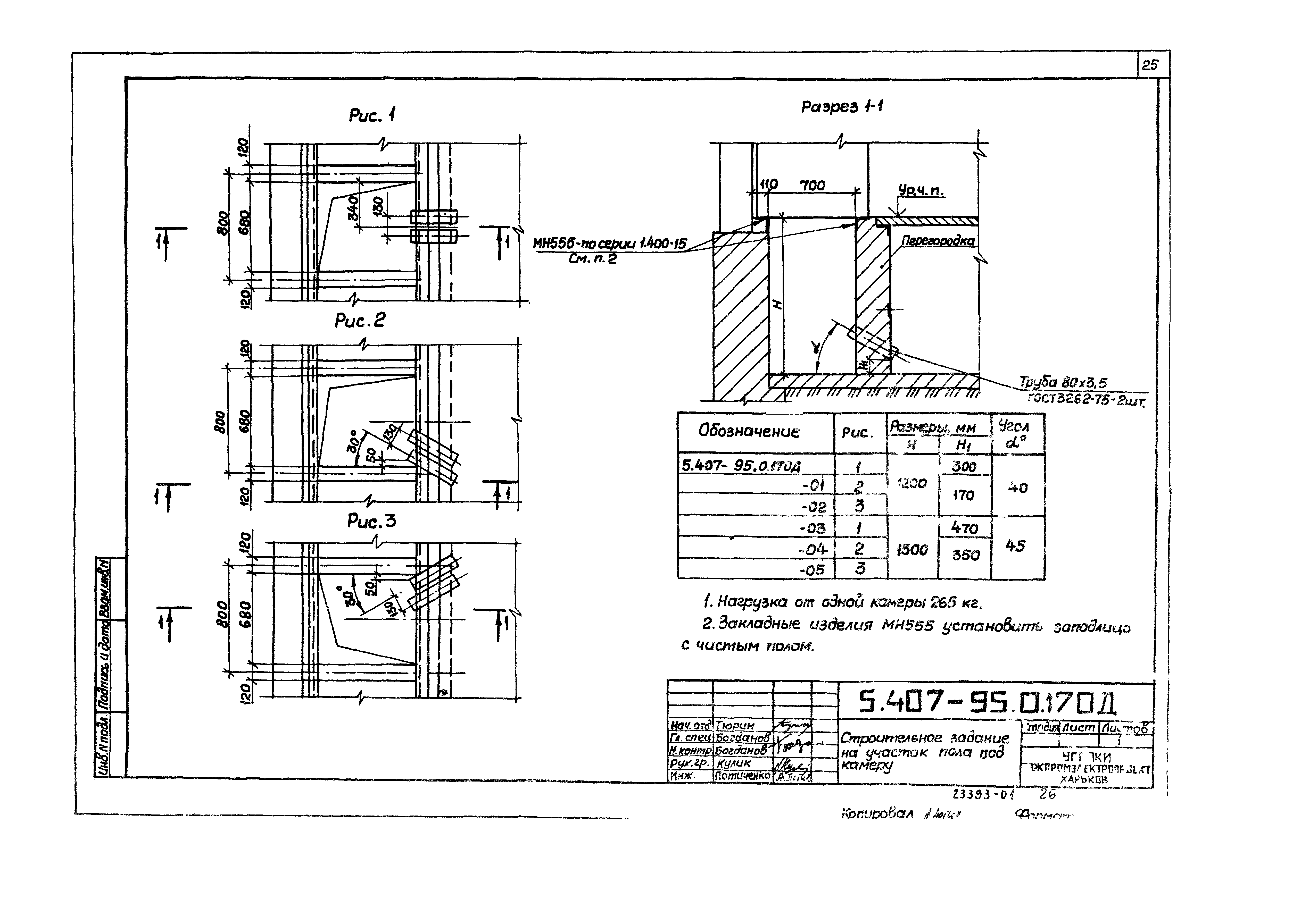
| Оглавление: | Титульный лист Содержание 5.407-95.0.ПЗ Пояснительная записка 5.407-95.0.10ГЧ Камеры серии КСО386 и шинные мосты. Габаритный чертеж 5.407-95.0.20ТБ Таблицы выбора чертежей строительных заданий 5.407-95.0.30ТБ Таблицы выбора монтажных чертежей 5.407-95.0.40Д Ведомость потребности в оборудовании, изделиях и материалах 5.407-95.0.50Д Габариты приближения при размещении РУ из камер КСО 386 в помещении 5.407-95.0.60Д Расположение в РУ камер КСО386-14, КСО386-15 и КСО386-16 и шинных мостов 5.407-95.0.70Д Строительное задание на помещение РУ1. План. Разрез 1-1. Пример 5.407-95.0.80Д Строительное задание на помещение РУ4. План. Разрез 1-1. Пример 5.407-95.0.90Д Строительное задание на помещение РУ7. План. Разрез 1-1. Пример 5.407-95.0.100Д РУ1. План расположения электрооборудования. Пример 5.407-95.0.110Д РУ4. План расположения электрооборудования. Пример 5.407-95.0.120Д РУ7. План расположения электрооборудования. Пример 5.407-95.0.130Д Строительное задание на участок пола под камеру 5.407-95.0.140Д Строительное задание на участок пола под камеру 5.407-95.0.150Д Строительное задание на участок пола под камеру 5.407-95.0.160Д Строительное задание на участок пола под камеру 5.407-95.0.170Д Строительное задание на участок пола под камеру 5.407-95.0.180Д Строительное задание на участок пола под камеру 5.407-95.0.190Д Строительное задание на кабельный канал 5.407-95.0.200Д Строительное задание на гидроизоляцию и заделку трубы при вводе ее в здание 5.407-95.0.210Д Строительное задание на участок пола под камеру КСО386-15 5.407-95.0.220Д Строительное задание на участок пола под камеру КСО386-16 5.407-95.0.230Д Строительное задание на участок пола под камеру без приямка 5.407-95.0.240Д Строительное задание на проем в стене для ввода шин в камеры КСО386-191060УЗ 5.407-95.0.250Д Строительное задание на участок перекрытия под камеру 5.407-95.0.260Д Строительное задание на участок перекрытия под камеру 5.407-95.0.270Д Строительное задание на устройство сетчатого ограждения между отсеками РУ 5.407-95.0.280Д Строительное задание на устройство сетчатого ограждения между отсеками РУ |
| Разработан: | УГППКИ Тяжпромэлектропроект |
| Утверждён: | 14.09.1988 УГППКИ Тяжпромэлектропроект (1394) |
| Издан: | ЦИТП Госстроя СССР (CITP, Gosstroy (USSR) 1989 г. ) |
| Расположен в: |

































