| ||||||||||||||||||||||||||||
Скачать Шифр М33/96с Повышение сейсмостойкости одноэтажных зданий промышленных предприятий (дополнение к выпускам 0-6 и 0-8 серии 0.00-2.96с). Примеры решенийДата актуализации: 10.08.2017
|
| Обозначение: | Шифр М33/96с |
| Обозначение англ: | М33/96с |
| Статус: | не определен законодательством |
| Название рус.: | Повышение сейсмостойкости одноэтажных зданий промышленных предприятий (дополнение к выпускам 0-6 и 0-8 серии 0.00-2.96с). Примеры решений |
| Дата добавления в базу: | 01.09.2013 |
| Дата актуализации: | 05.05.2017 |
| Дата введения: | 01.01.1996 |
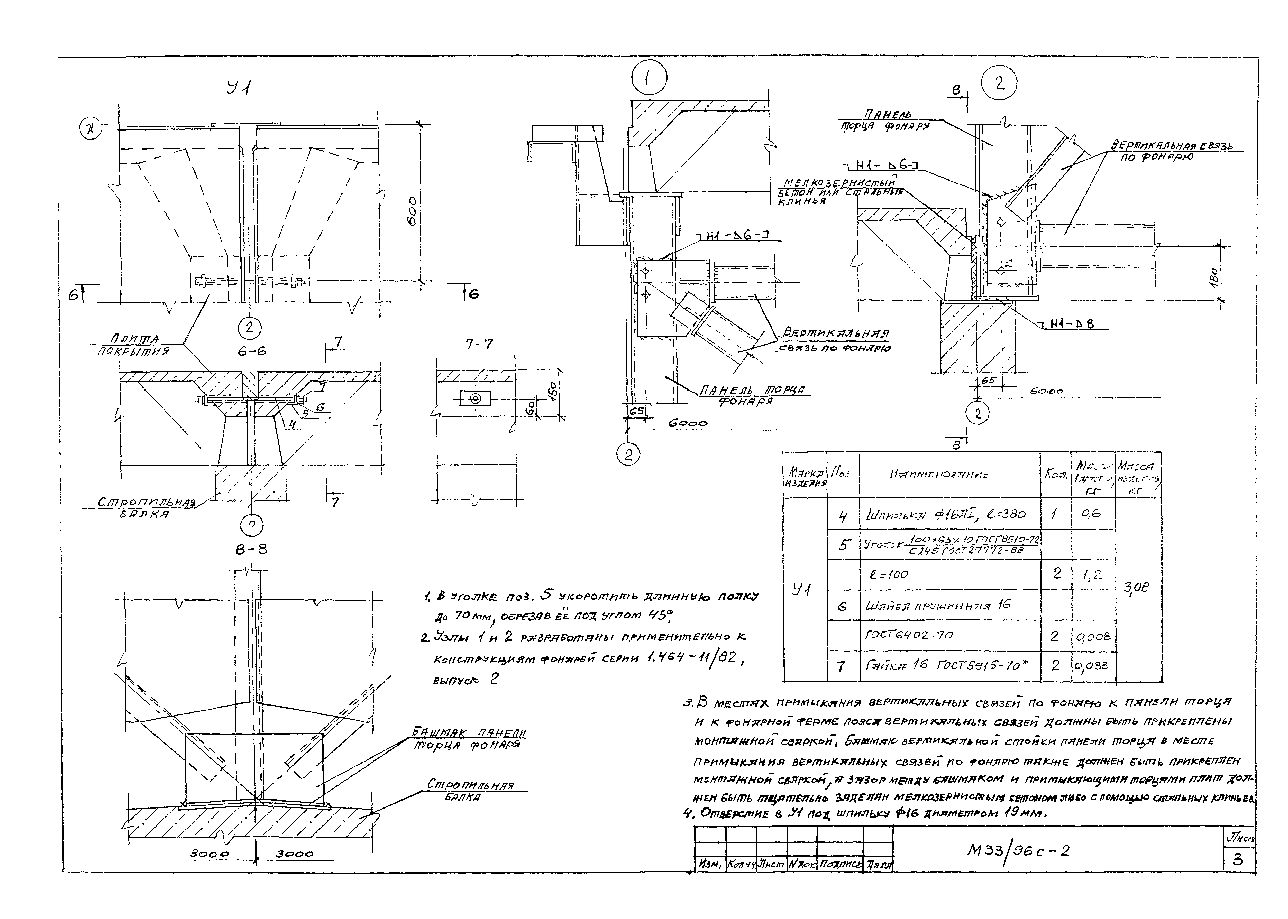
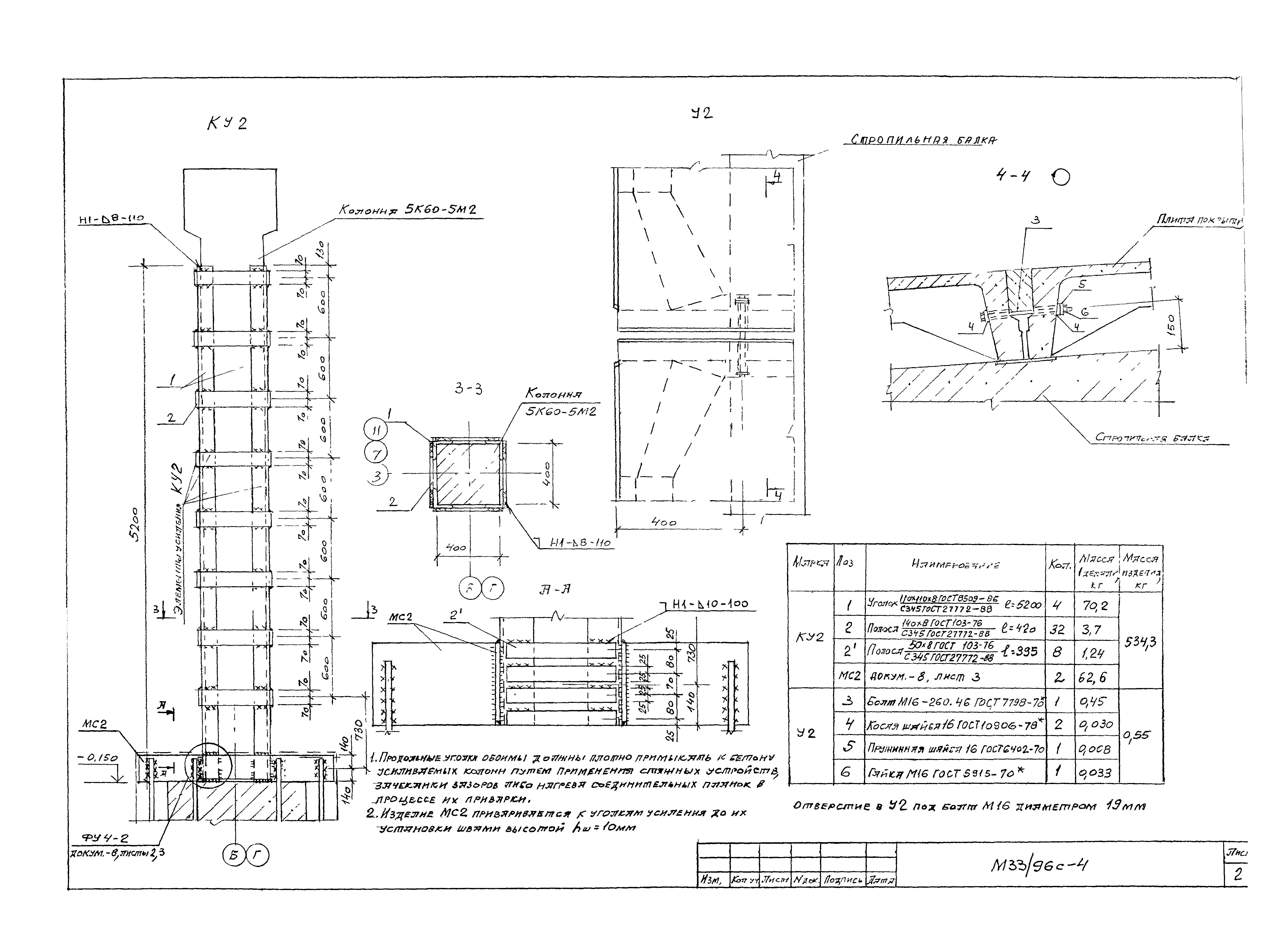
| Оглавление: | М33/96с-ПЗ Пояснительная записка М33/96с-1 Каркас здания без опорных кранов с расчетной сейсмичностью 6 баллов М33/96с-2 Каркас здания без опорных кранов с расчетной сейсмичностью с 6 до 7 баллов М33/96с-3 Каркас здания без опорных кранов с расчетной сейсмичностью 7 баллов М33/96с-4 Каркас здания без опорных кранов при увеличении расчетной сейсмичности с 7 до 8 баллов М33/96с-5 Каркас здания с опорными кранами с расчетной сейсмичностью 6 баллов М33/96с-6 Каркас здания с опорными кранами при увеличении расчетной сейсмичности с 6 до 7 баллов М33/96с-7 Фундаменты под колонны каркаса здания без опорных кранов при расчетной сейсмичности 7 баллов М33/96с-8 Фундаменты под колонны каркаса здания без опорных кранов при увеличении расчетной сейсмичности с 7 до 8 баллов М33/96с-9 Фундаменты под колонны каркаса здания с опорными кранами при расчетной сейсмичности 6 баллов М33/96с-10 Фундаменты под колонны каркаса здания с опорными кранами при увеличении расчетной сейсмичности с 6 до 7 баллов М33/96с-11 Примеры расчета усиленных фундаментов при увеличении расчетной сейсмичности с 7 до 8 баллов |
| Разработан: | ЦНИИпромзданий |
| Утверждён: | 01.01.1996 ЦНИИ промзданий (TsNII promzdaniy ) |
| Расположен в: | |
| Нормативные ссылки: |




































































