| ||||||||||||||||||||||||||
Скачать 5РС 41-57 Проекты на основе конструкций и изделий территориального каталога. Железобетонные конструкции панельных жилых домов с узким шагом несущих стен для жилых блок-секций П46М производства АООТ АРКАДО ДСК-4. Панели наружных стен бетонные трехслойные с высокими теплотехническими характеристиками. Опалубочный чертежДата актуализации: 10.08.2017
|
| Обозначение: | 5РС 41-57 |
| Обозначение англ: | 5РС 41-57 |
| Статус: | не определен законодательством |
| Название рус.: | Проекты на основе конструкций и изделий территориального каталога. Железобетонные конструкции панельных жилых домов с узким шагом несущих стен для жилых блок-секций П46М производства АООТ "АРКАДО" ДСК-4. Панели наружных стен бетонные трехслойные с высокими теплотехническими характеристиками. Опалубочный чертеж |
| Дата добавления в базу: | 01.09.2013 |
| Дата актуализации: | 05.05.2017 |
| Дата введения: | 01.01.1996 |
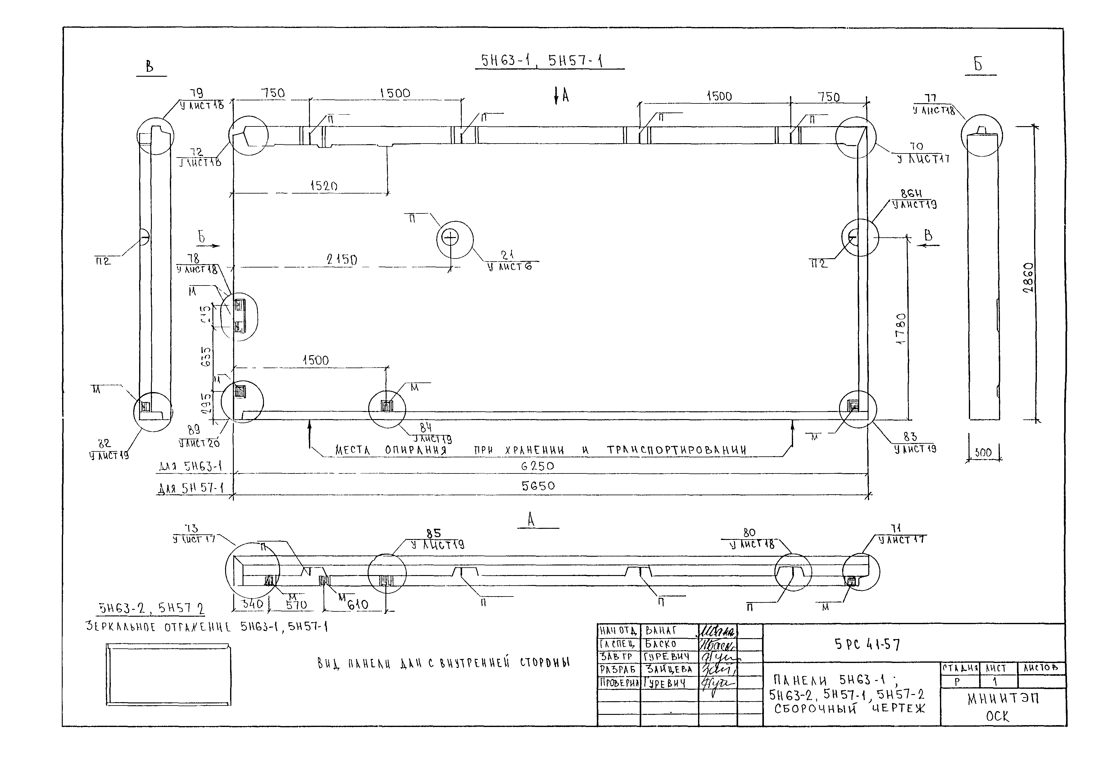
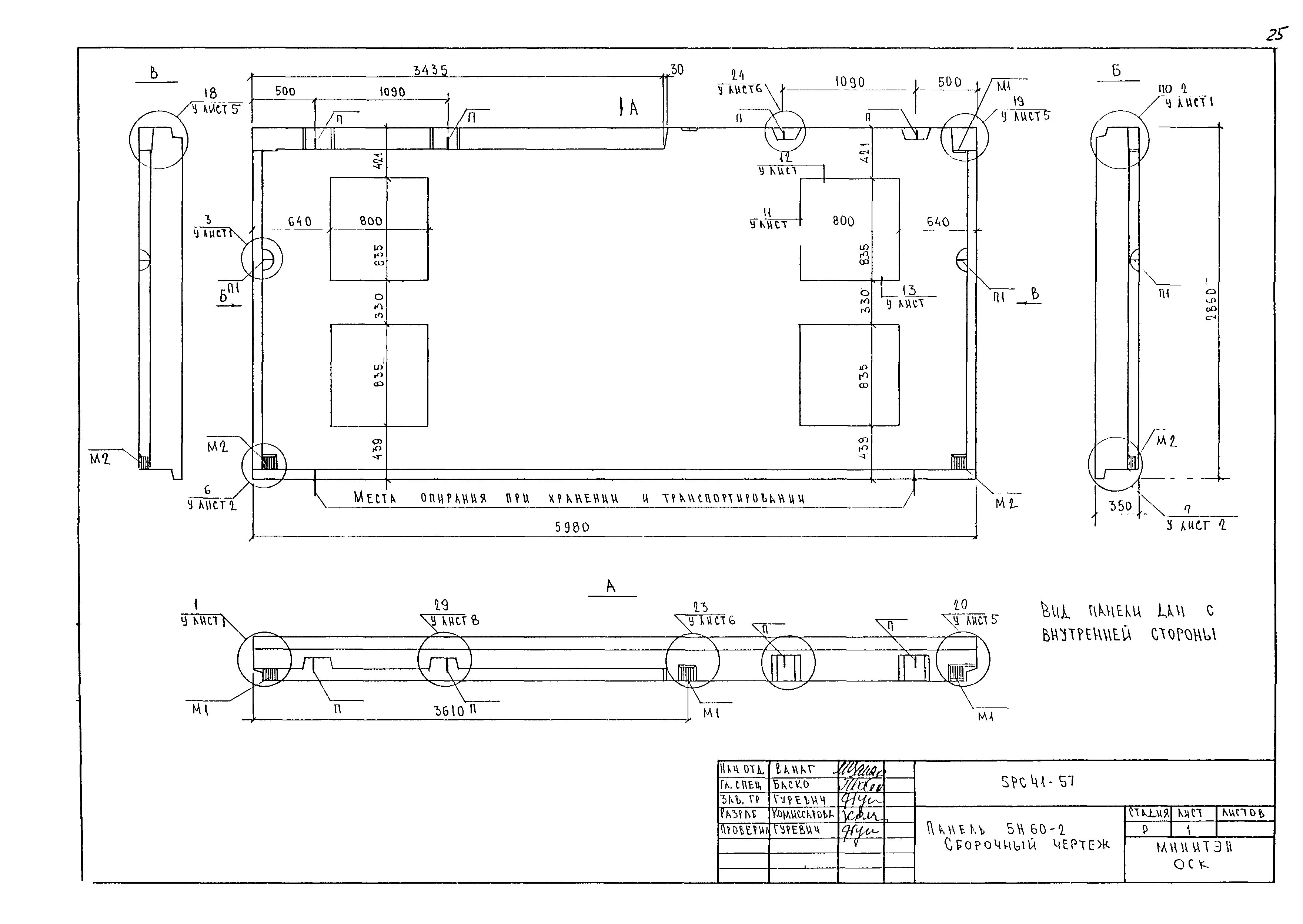
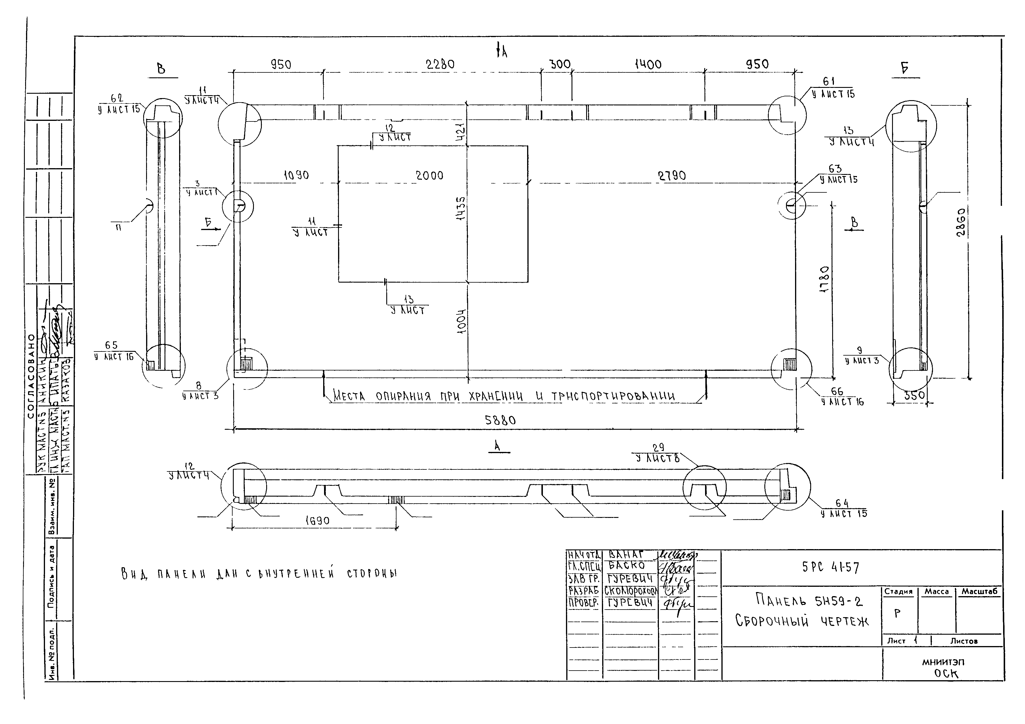
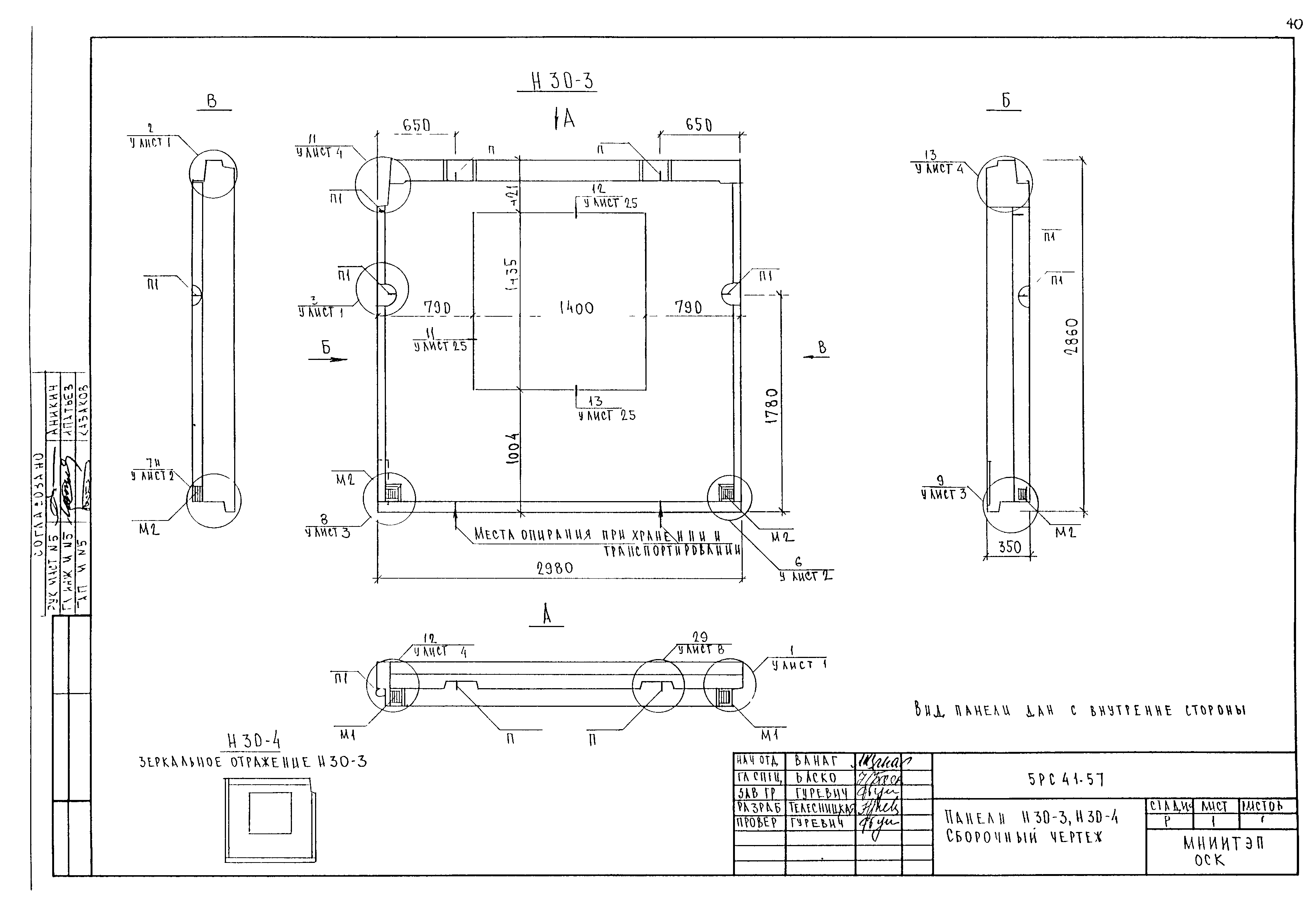
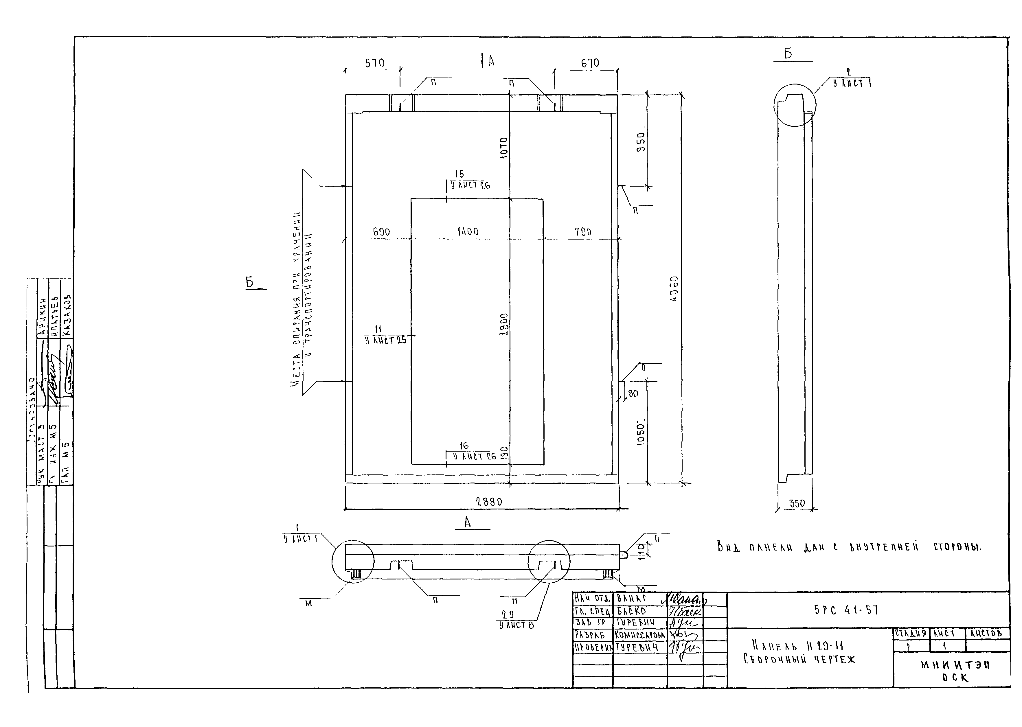
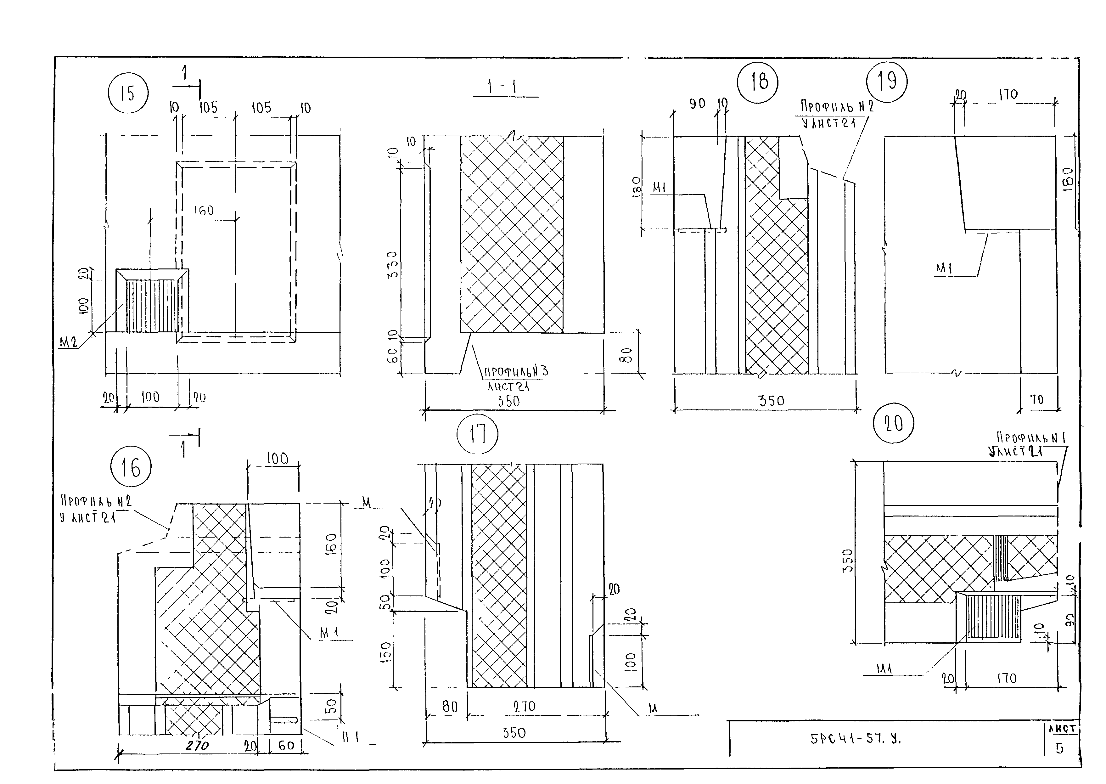
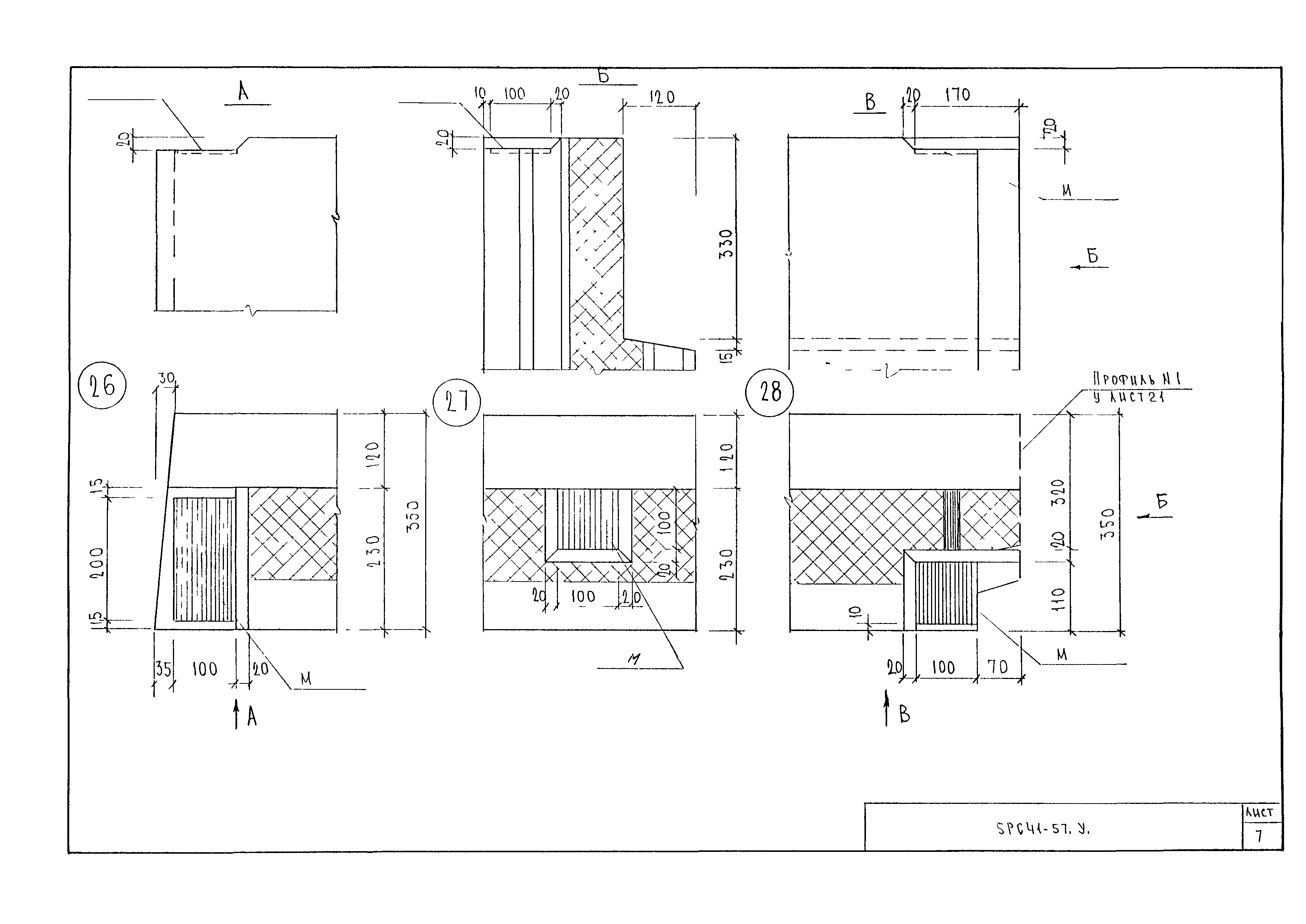
| Оглавление: | 5РС41-57.НИ Номенклатура 5РС41-57 Панели 5Н72-1,5Н72-2. Сборочный чертеж 5РС41-57 Панели 5Н72-3,5Н72-4. Сборочный чертеж 5РС41-57 Панели 5Н72-5,5Н72-6. Сборочный чертеж 5РС41-57 Панели 5Н72-7,5Н72-8. Сборочный чертеж 5РС41-57 Панели 5Н72-9,5Н72-10. Сборочный чертеж 5РС41-57 Панели 5Н71-1,5Н71-2. Сборочный чертеж 5РС41-57 Панели 5Н71-3,5Н71-4. Сборочный чертеж 5РС41-57 Панели 5Н71-5,5Н71-6. Сборочный чертеж 5РС41-57 Панели 5Н71-7,5Н71-8. Сборочный чертеж 5РС41-57 Панели 5Н63-1,5Н63-2,5Н57-1,5Н57-2. Сборочный чертеж 5РС41-57 Панели 5Н63-3,5Н63-4. Сборочный чертеж 5РС41-57 Панели 5Н60-1. Сборочный чертеж 5РС41-57 Панели 5Н60-2. Сборочный чертеж 5РС41-57 Панели 5Н60-3. Сборочный чертеж 5РС41-57 Панели 5Н59-1. Сборочный чертеж 5РС41-57 Панели 5Н59-2. Сборочный чертеж 5РС41-57 Панели 5Н47-1,5Н47-2. Сборочный чертеж 5РС41-57 Панели 5Н43. Сборочный чертеж 5РС41-57 Панели 5Н42-1. Сборочный чертеж 5РС41-57 Панели 5Н42-2,5Н42-3. Сборочный чертеж 5РС41-57 Панели 5Н42-4,5Н42-5. Сборочный чертеж 5РС41-57 Панели 5Н38. Сборочный чертеж 5РС41-57 Панели 5Н35-1,5Н35-2. Сборочный чертеж 5РС41-57 Панели 5Н35-3,5Н35-4. Сборочный чертеж 5РС41-57 Панели 5Н35-5. Сборочный чертеж 5РС41-57 Панели 5Н30. Сборочный чертеж 5РС41-57 Панели 5Н30-1,Н30-2. Сборочный чертеж 5РС41-57 Панели 5Н30-3,Н30-4. Сборочный чертеж 5РС41-57 Панели 5Н30-5. Сборочный чертеж 5РС41-57 Панели 5Н30-6,Н30-7. Сборочный чертеж 5РС41-57 Панели 5Н30-8. Сборочный чертеж 5РС41-57 Панели 5Н29-1,Н29-2. Сборочный чертеж 5РС41-57 Панели 5Н29-3,Н29-4. Сборочный чертеж 5РС41-57 Панели 5Н29-5,Н29-6. Сборочный чертеж 5РС41-57 Панели 5Н29-7,Н29-8. Сборочный чертеж 5РС41-57 Панели 5Н29-9. Сборочный чертеж 5РС41-57 Панели 5Н29-10. Сборочный чертеж 5РС41-57 Панели 5Н29-11. Сборочный чертеж 5РС41-57 Панели 5Н28-1. Сборочный чертеж 5РС41-57 Панели 5Н28-2. Сборочный чертеж 5РС41-57 Панели 5Н25. Сборочный чертеж 5РС41-57 Панели 5Н24-1. Сборочный чертеж 5РС41-57 Панели 5Н24-2. Сборочный чертеж 5РС41-57 Панели 5Н24-3. Сборочный чертеж 5РС41-57 Панели 5Н20. Сборочный чертеж 5РС41-57 Панели 5Н18. Сборочный чертеж 5РС41-57 Панели 5Н8-1. Сборочный чертеж 5РС41-57 Панели 5Н8-2. Сборочный чертеж 5РС41-57 Панели 5Н8-3. Сборочный чертеж 5РС41-57.У Узлы габаритные |
| Разработан: | МНИИТЭП |
| Утверждён: | 01.01.1996 МНИИТЭП (MNIITEP ) |
| Расположен в: |























































































