| ||||||||||||||||||||||||||||||
Скачать 3РС 31-11 Железобетонные конструкции панельных жилых домов с узким шагом несущих стен производства ДСК-3. Панели внутренних стен толщиной 18 и 14 см. Рабочие чертежиДата актуализации: 10.08.2017
|
| Обозначение: | 3РС 31-11 |
| Обозначение англ: | 3РС 31-11 |
| Статус: | не определен законодательством |
| Название рус.: | Железобетонные конструкции панельных жилых домов с узким шагом несущих стен производства ДСК-3. Панели внутренних стен толщиной 18 и 14 см. Рабочие чертежи |
| Дата добавления в базу: | 01.09.2013 |
| Дата актуализации: | 05.05.2017 |
| Дата введения: | 20.06.1996 |
| Область применения: | Альбом содержит рабочие чертежи железобетонных панелей внутренних стен толщиной 18 и 14 см для жилых блок-секций ПЗМ |
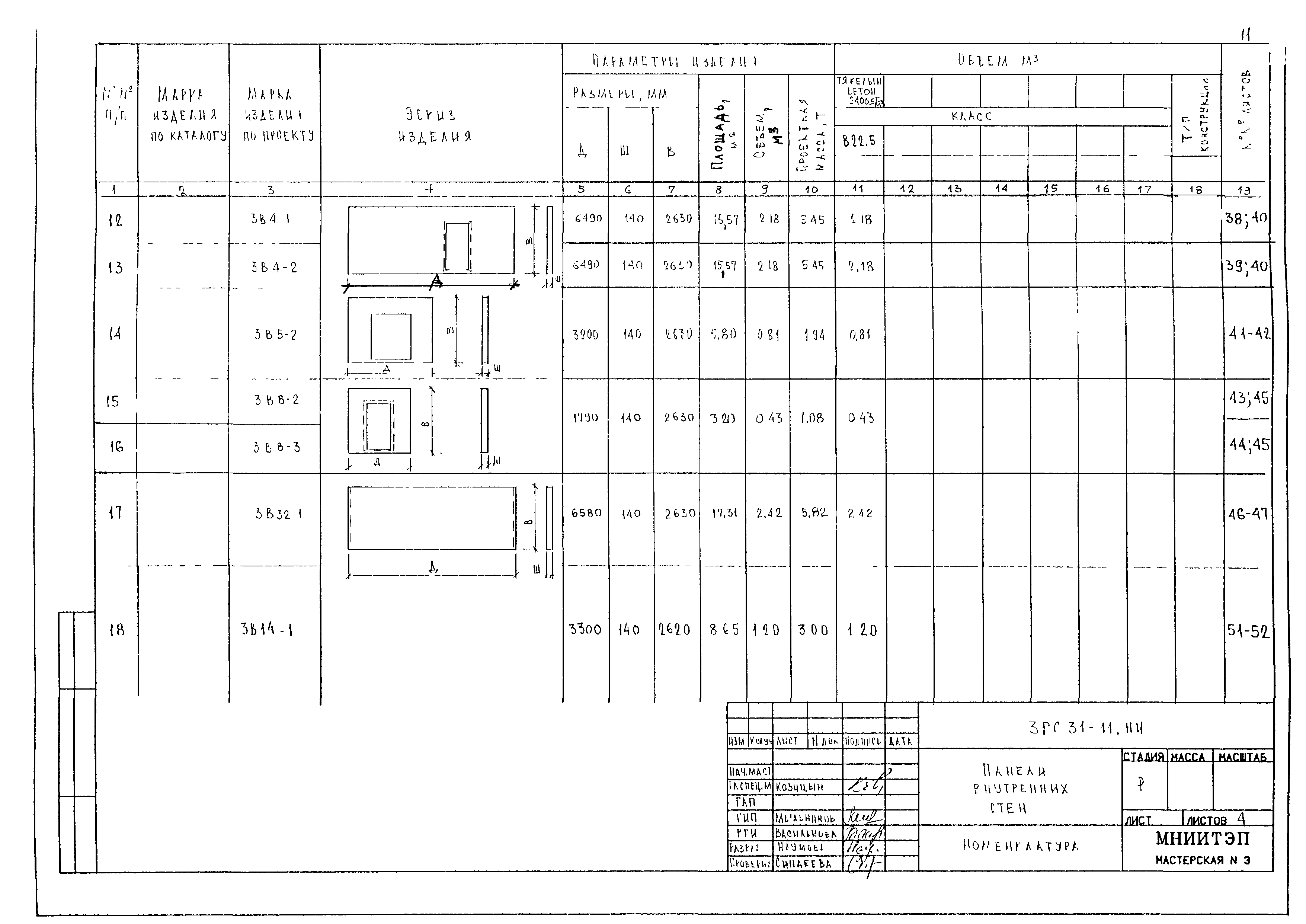
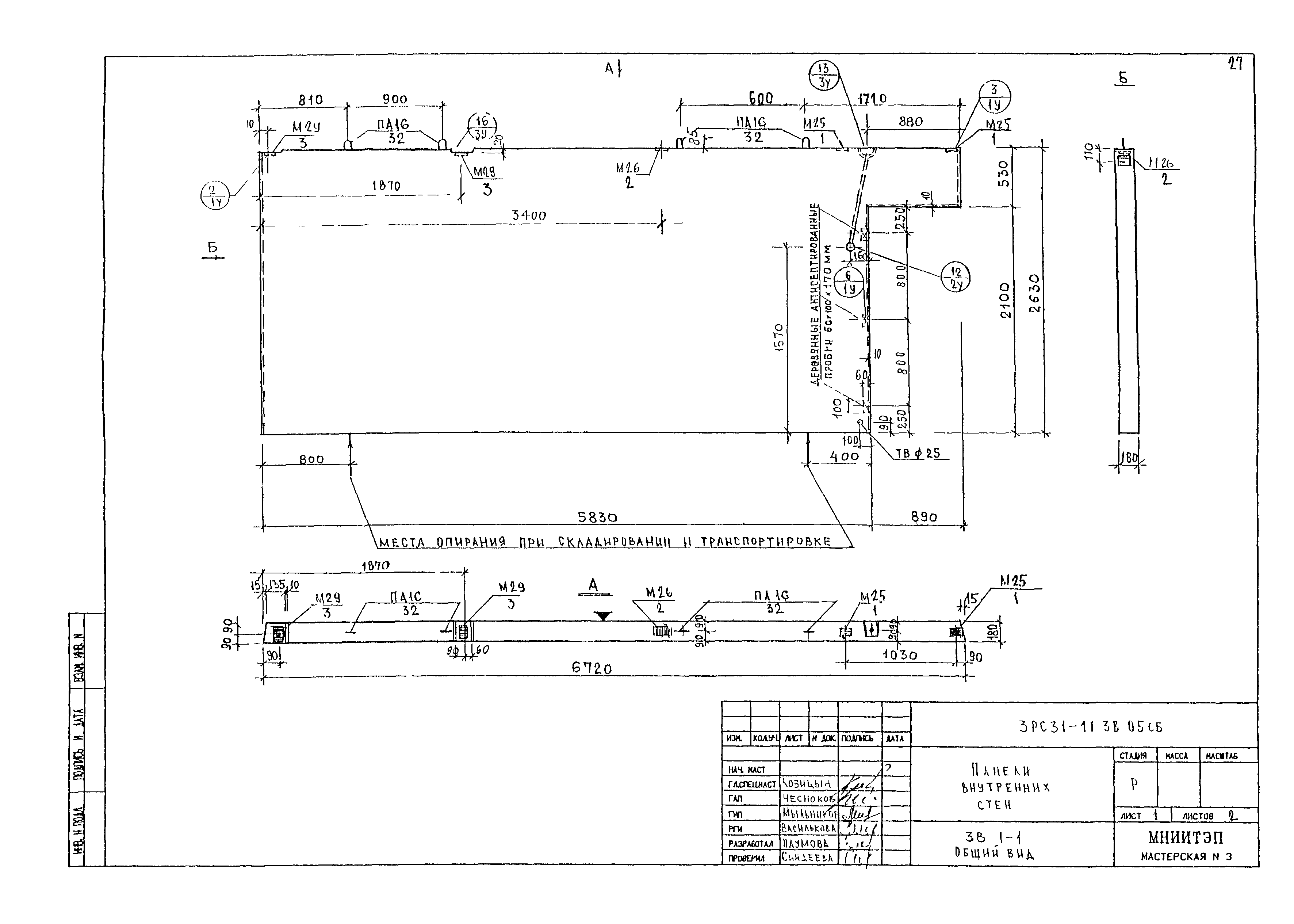
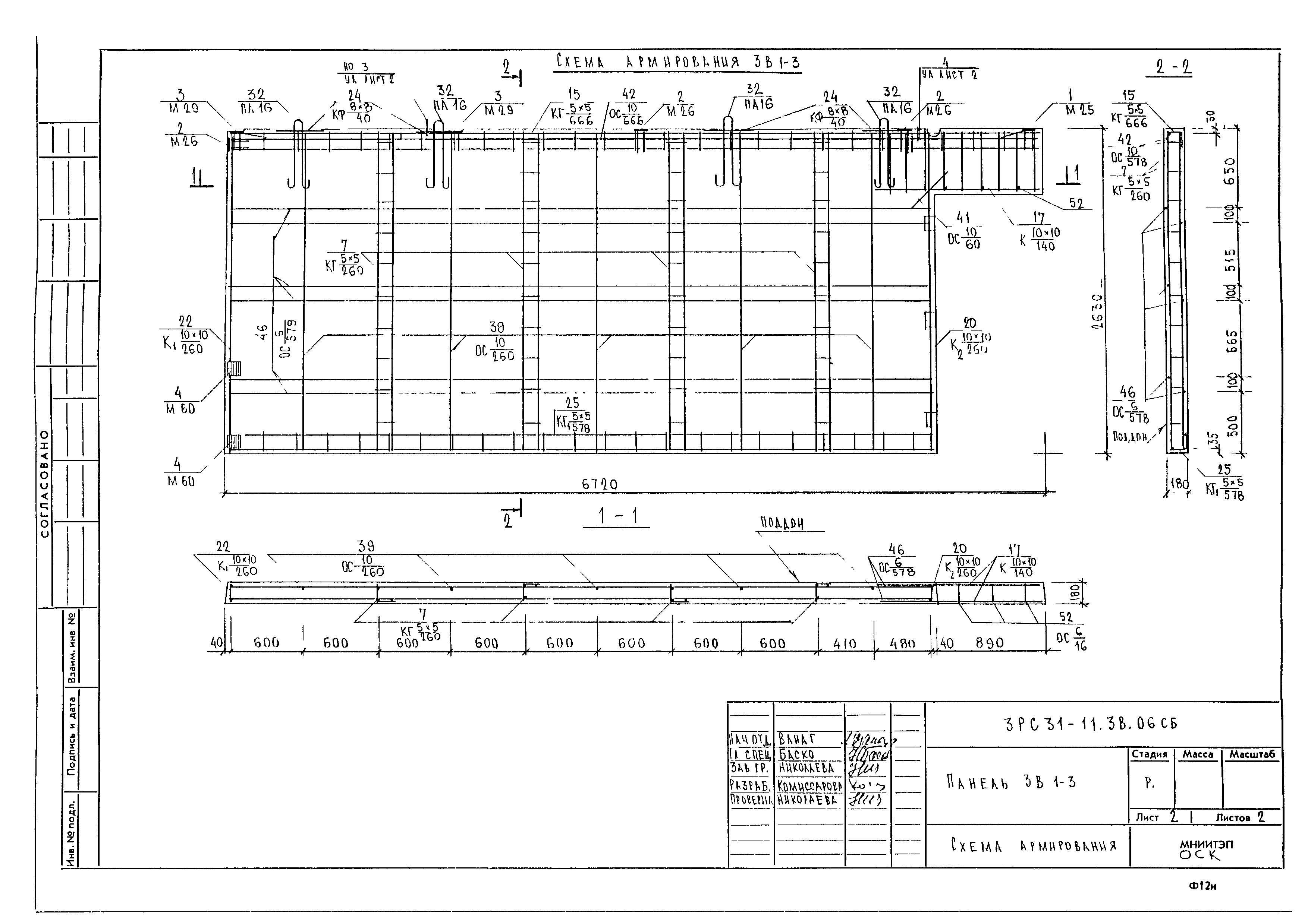
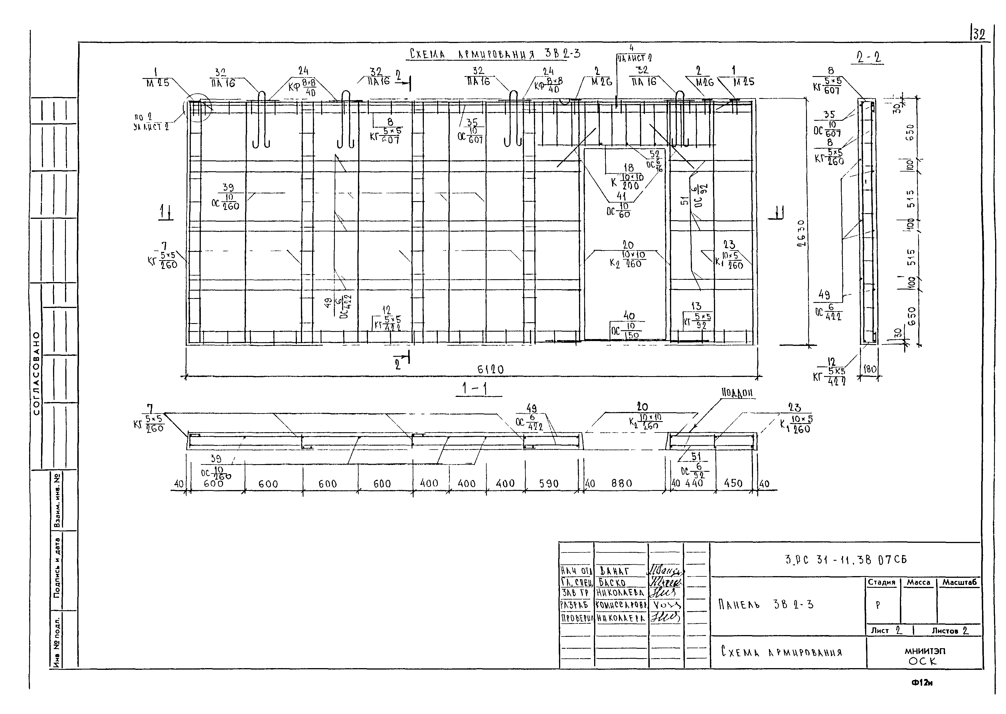
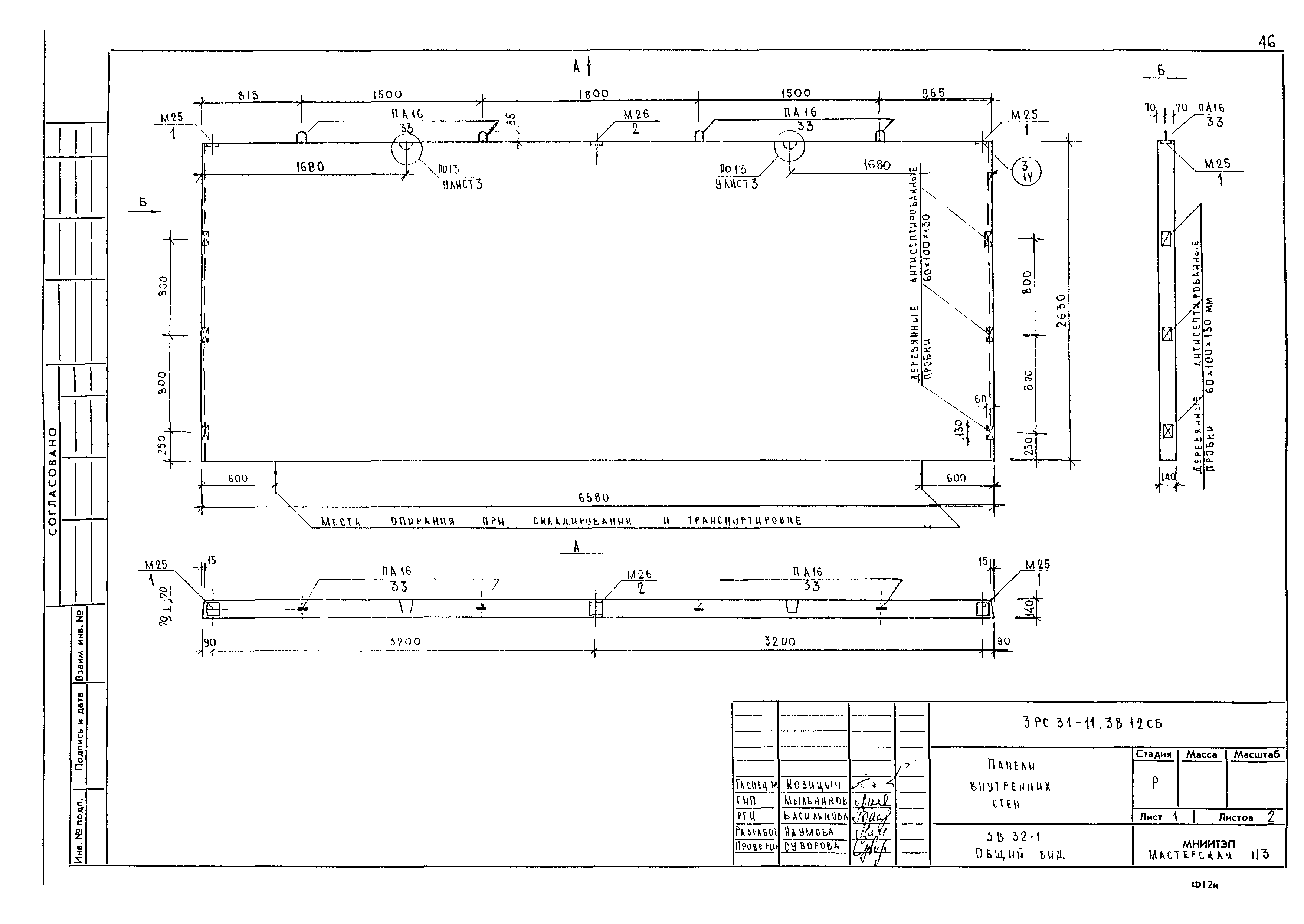
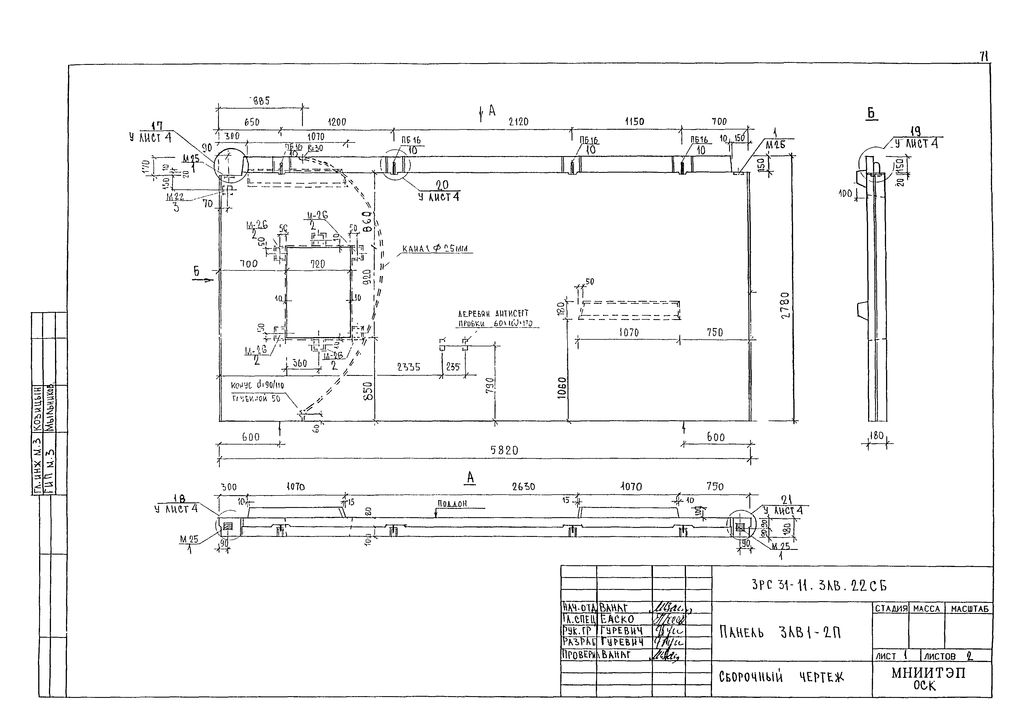
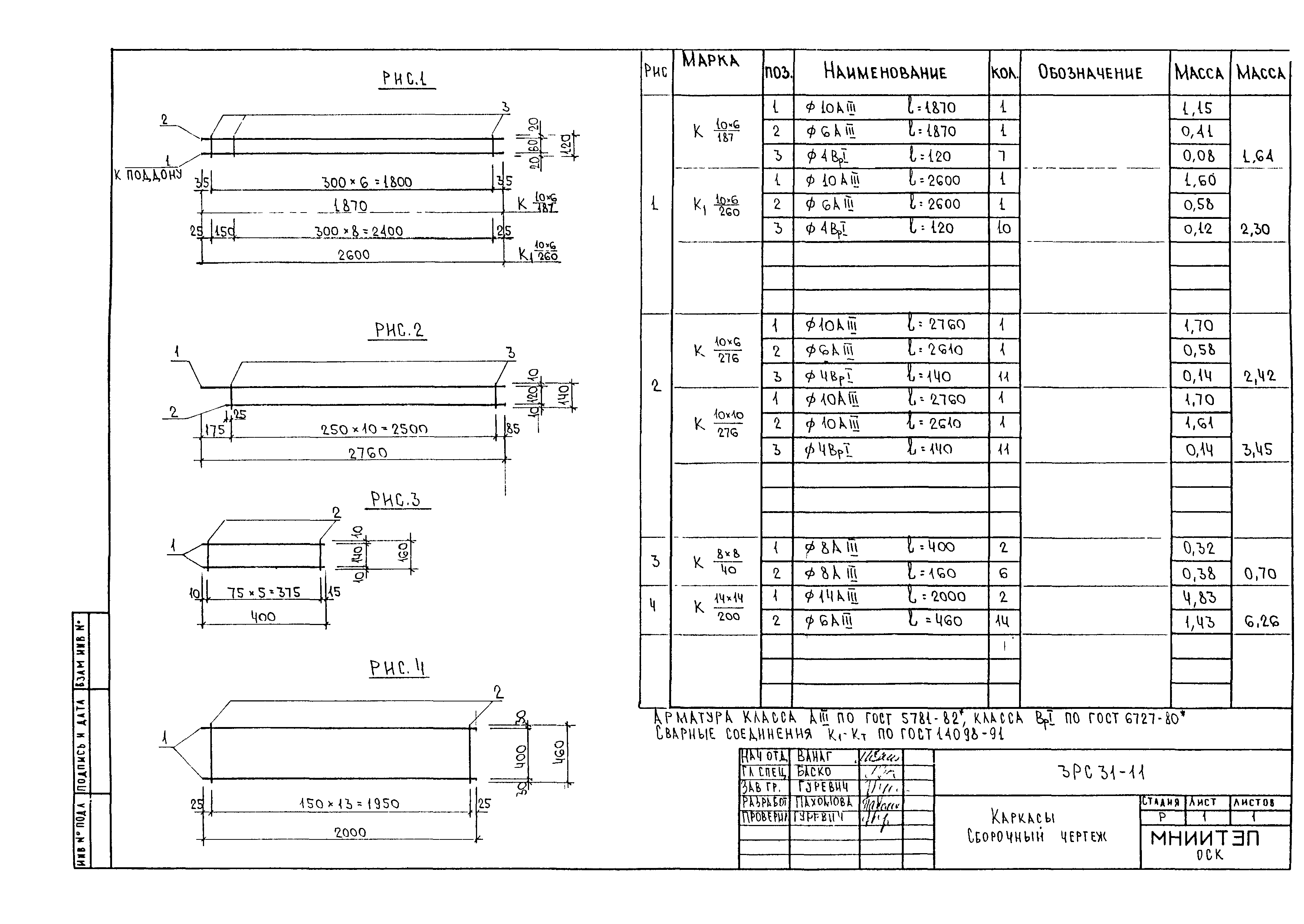
| Оглавление: | 3РС31-11.ПЗ Пояснительная записка 3РС31-11.НИ Номенклатура изделий 3РС31-11.РС Ведомость расхода стали 3РС31-11.3В.01СБ Панель 3В2-2. Сборочный чертеж. 3РС31-11.3В.02СБ Панель 3B2-10. Сборочный чертеж. 3РС31-11.3В.03СБ Панель 3В3-2. Сборочный чертеж. 3РС31-11.3В.04СБ Панель 3В6-1. Сборочный чертеж. 3РС31-11.3В.05СБ Панель 3B1-1. Сборочный чертеж. 3РС31-11.3В.06СБ Панель 3B1-3. Сборочный чертеж. 3РС31-11.3В.07СБ Панель 3В2-3. Сборочный чертеж. 3РС31-11.3В.08СБ Панель 3В2-4. Сборочный чертеж. 3РС31-11.3В.09СБ Панели 3B4-1,3B4-2. Сборочный чертеж. 3РС31-11.3В.10СБ Панель 3В5-2. Сборочный чертеж. 3РС31-11.3В.11СБ Панели 3B8-2,3B8-3. Сборочный чертеж. 3РС31-11.3В.12СБ Панель 3B32-1.Сборочный чертеж. 3РС31-11.3В.13СБ Панель 3B14-1. Сборочный чертеж. 3РС31-11.3В.14СБ Панель 3B13-1. Сборочный чертеж. 3РС31-11.3В.15СБ Панель 3B1-2. Сборочный чертеж. 3РС31-11.3В.16СБ Панель 3B1-4. Сборочный чертеж. 3РС31-11.3В.17СБ Панель 3B12-2. Сборочный чертеж. 3РС31-11.3В.18СБ Панель 3B15-1. Сборочный чертеж. 3РС31-11.У Узлы габаритные. 3РС31-11.УА Узлы арматурные. 3РС31-11 Каркасы. Сборочный чертеж. 3РС31-11 Петли. Сборочный чертеж. 3РС31-11 Закладные детали. Сборочный чертеж 3РС31-11.3В.19СБ Панель 3Б2-2И. Сборочный чертеж 3РС31-11.3В.20СБ Панель 3Б5-4. Сборочный чертеж 3РС31-11.3В.21СБ Панель 3В8-6. Сборочный чертеж 3РС31-11.3ЛВ.22СБ Панель 3ЛВТ-2П. Сборочный чертеж 3РС31-11.3ЛВ.23СБ Панель 3ЛB7-1. Сборочный чертеж 3РС31-11.3ЛВ.24СБ Панель 3ЛВ7. Сборочный чертеж 3РС31-11.3ЛВ.25СБ Панель 3ЛB6-1. Сборочный чертеж 3РС31-11.3В.26СБ Панели 3В8-4;3В8-5.Сборочный чертеж 3РС31-11 Информационная карта. |
| Разработан: | МНИИТЭП |
| Утверждён: | 20.06.1996 МНИИТЭП (MNIITEP 18-то) |
| Принят: | 01.11.1996 ВЗЖБК |
| Расположен в: |


























































































































