| ||||||||||||||||||||||||||||||
Скачать Серия 3.013.9-1 Выпуск 2. Колонны железобетонные, арматурные и закладные изделия. Рабочие чертежиДата актуализации: 10.08.2017
|
| Обозначение: | Серия 3.013.9-1 |
| Обозначение англ: | Series 3.013.9-1 |
| Статус: | не определен законодательством |
| Название рус.: | Выпуск 2. Колонны железобетонные, арматурные и закладные изделия. Рабочие чертежи |
| Дата добавления в базу: | 01.09.2013 |
| Дата актуализации: | 05.05.2017 |
| Дата введения: | 01.08.1989 |
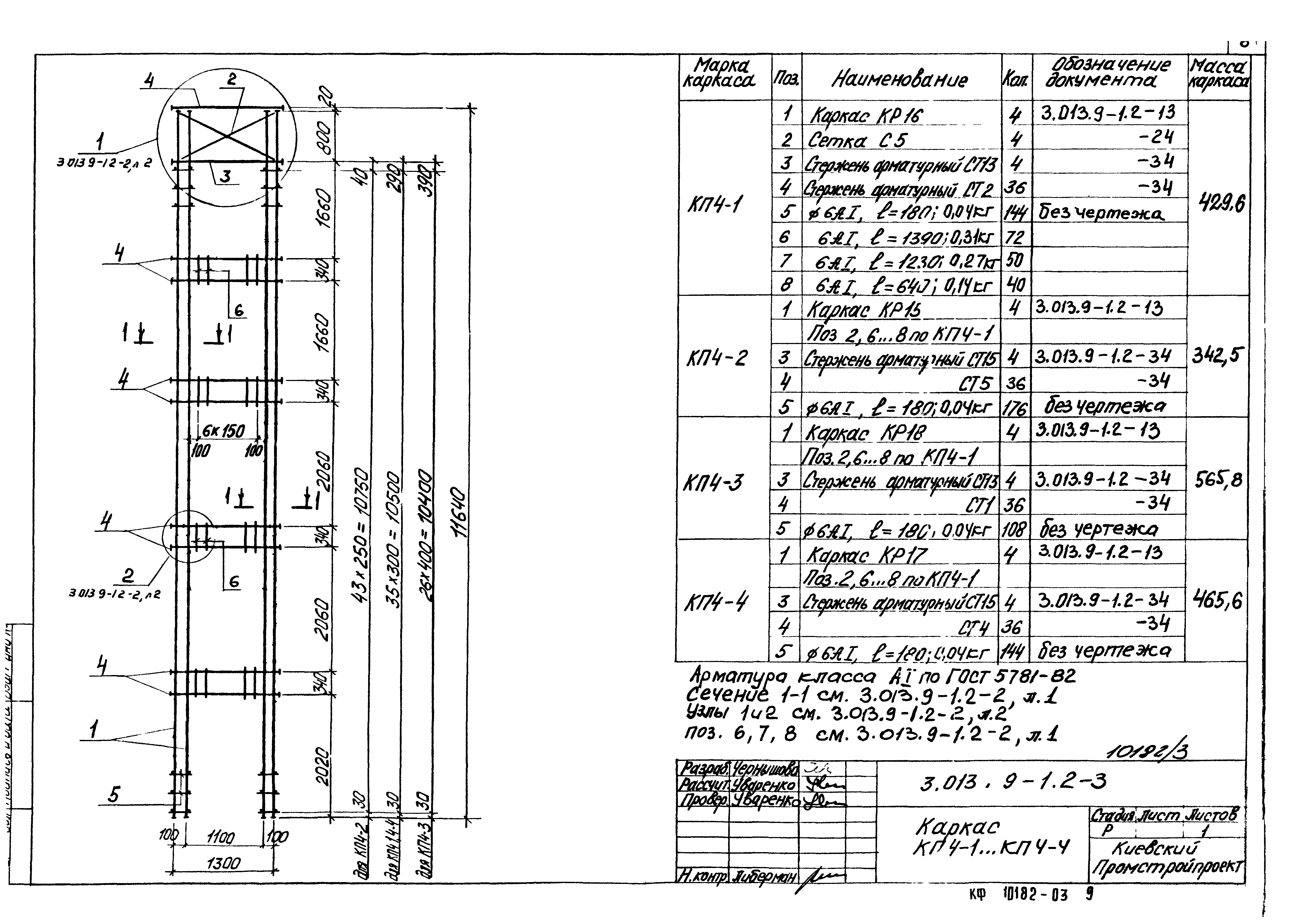
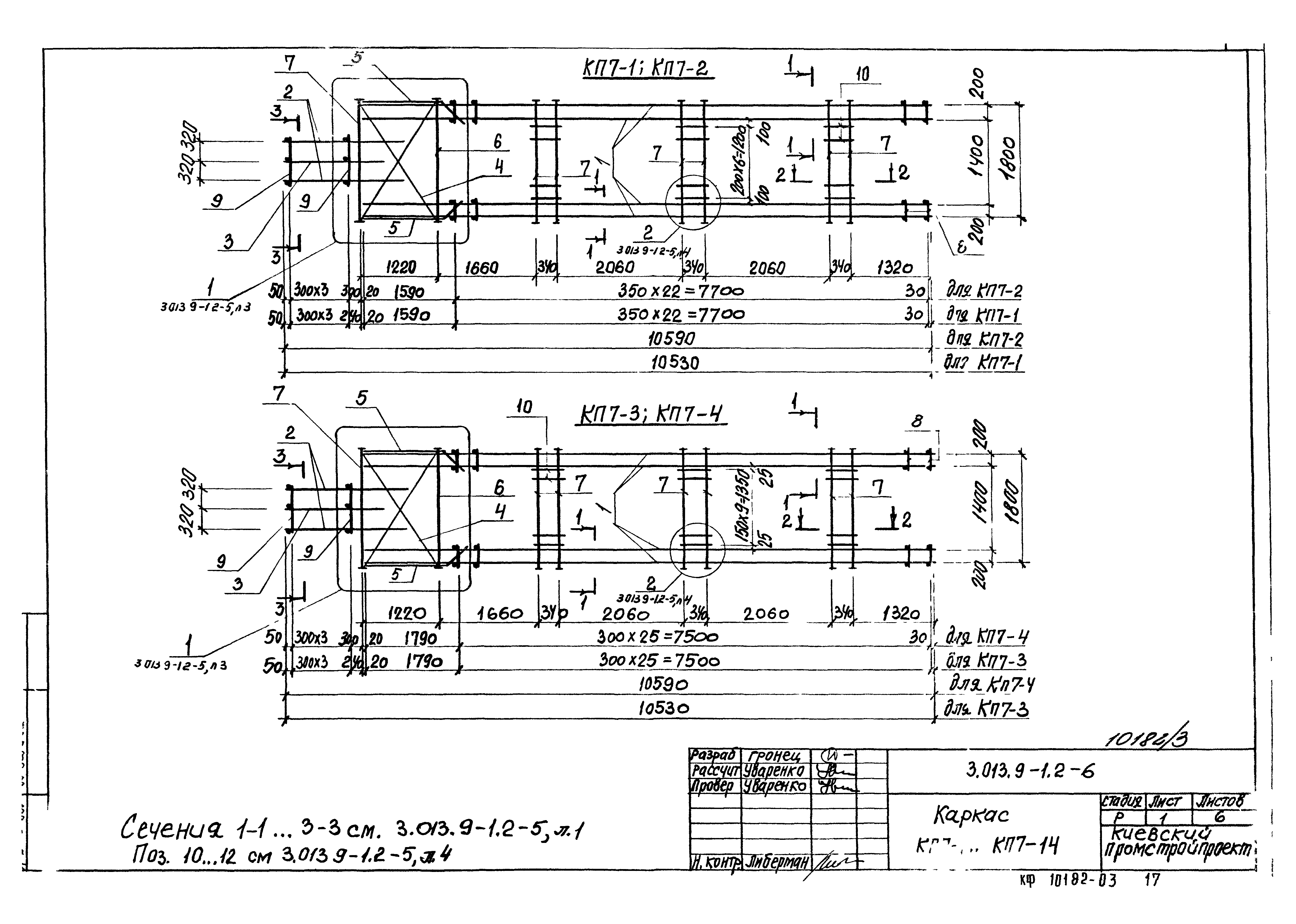
| Оглавление: | 3.013.9-1.2-ТТ Технические требования 3.013.9-1.2-1 Каркас пространственный КП1-1..КП1-3;КП2-1;КП2-2 3.013.9-1.2-2 Каркас пространственный КП3-1..КП3-4 3.013.9-1.2-3 Каркас пространственный КП4-1..КП4-4 3.013.9-1.2-4 Каркас пространственный КП5-1..КП5-4 3.013.9-1.2-5 Каркас пространственный КП6-1..КП6-12 3.013.9-1.2-6 Каркас пространственный КП7-1..КП7-14 3.013.9-1.2-7 Каркас пространственный КП8-1..КП8-18 3.013.9-1.2-8 Каркас КР1...КР3 3.013.9-1.2-9 Каркас КР4...КР5 3.013.9-1.2-10 Каркас КР6...КР8 3.013.9-1.2-11 Каркас КР9,КР10 3.013.9-1.2-12 Каркас КР11...КР14 3.013.9-1.2-13 Каркас КР15...КР18 3.013.9-1.2-14 Каркас КР19...КР22 3.013.9-1.2-15 Каркас КР23...КР26 3.013.9-1.2-16 Каркас КР27,КР28 3.013.9-1.2-17 Каркас КР29...КР34 3.013.9-1.2-18 Каркас КР35...КР42 3.013.9-1.2-19 Каркас КР43...КР48 3.013.9-1.2-20 Каркас КР49...КР54 3.013.9-1.2-21 Сетка С1 3.013.9-1.2-22 Сетка С2 3.013.9-1.2-23 Сетка С3,С4 3.013.9-1.2-24 Сетка С5,С6,С7 3.013.9-1.2-25 Сетка С8 3.013.9-1.2-26 Изделие закладное МН1,МН2 3.013.9-1.2-27 Изделие закладное МН3 3.013.9-1.2-28 Изделие закладное МН4 3.013.9-1.2-29 Изделие закладное МН5 3.013.9-1.2-30 Изделие закладное МН6 3.013.9-1.2-31 Изделие закладное МН7 3.013.9-1.2-32 Петля подъемная М1 3.013.9-1.2-33 Изделие закладное МН8 3.013.9-1.2-34 Арматурный элемент СТ1...СТ16 |
| Разработан: | Киевский Промстройпроект |
| Утверждён: | 26.04.1988 Госстрой СССР (Государственный комитет Совета Министров СССР по делам строительства) (USSR Gosstroy ) |
| Издан: | ЦИТП Госстроя СССР (CITP, Gosstroy (USSR) 1990 г. ) |
| Расположен в: | |
| Заменяет собой: |





















































