| ||||||||||||||||||||||||||
Скачать Серия 1.100.1-7 Выпуск 7-2. Плиты балконов и лоджий для наружных стен толщиной 400 мм. Рабочие чертежиДата актуализации: 10.08.2017
|
| Обозначение: | Серия 1.100.1-7 |
| Обозначение англ: | Series 1.100.1-7 |
| Статус: | действует |
| Название рус.: | Выпуск 7-2. Плиты балконов и лоджий для наружных стен толщиной 400 мм. Рабочие чертежи |
| Дата добавления в базу: | 01.09.2013 |
| Дата актуализации: | 05.05.2017 |
| Дата введения: | 30.04.1990 |
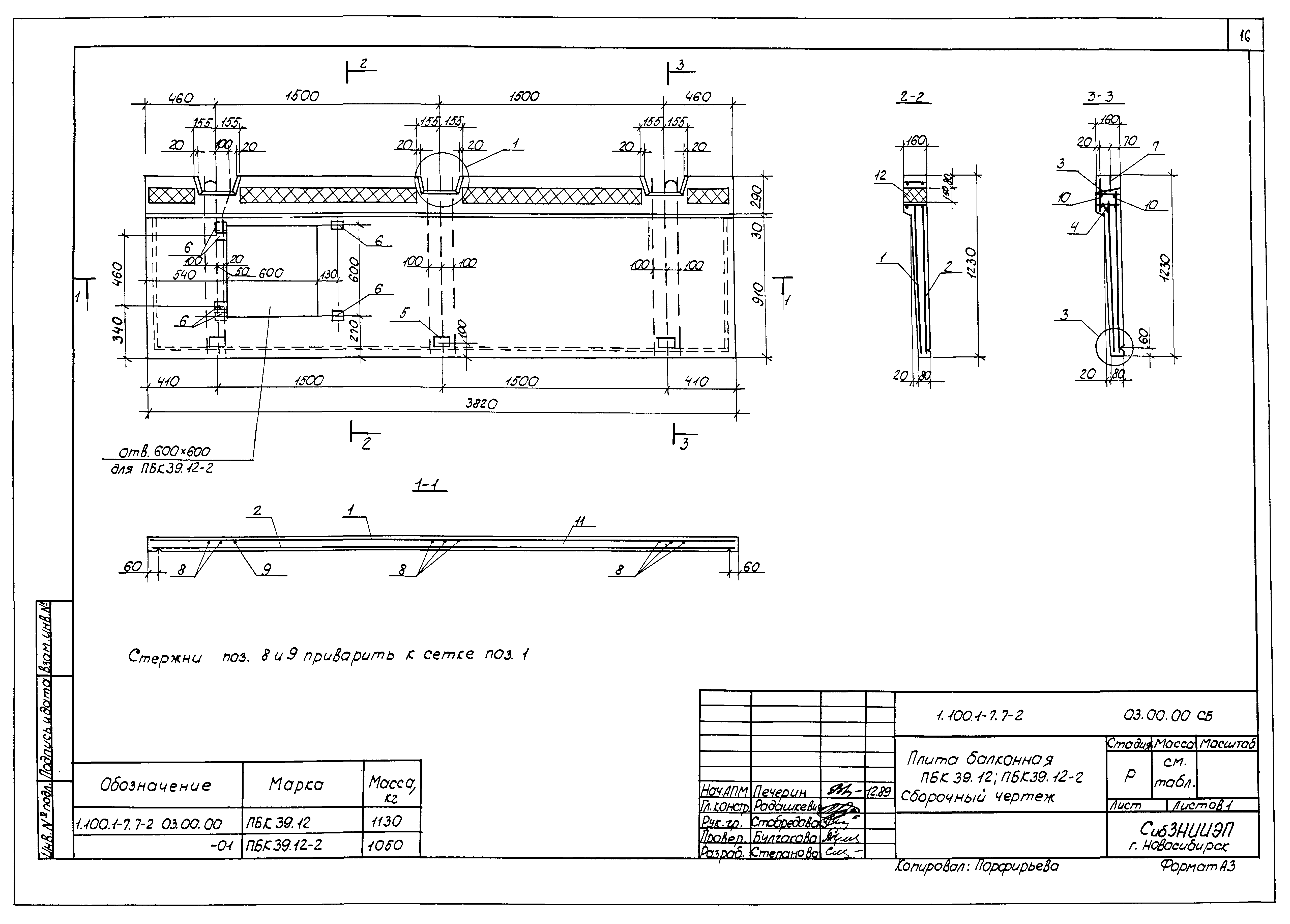
| Оглавление: | 1.100.1-7.7-2 00.00.00 Содержание 1.100.1-7.7-2 00.00.00ТО Техническое описание4 1.100.1-7.7-2 00.00.00НИ Номенклатура изделий 1.100.1-7.7-2 01.00.00 Плита балконная ПБК45.12 1.100.1-7.7-2 01.00.00 СБ Плита балконная ПБК45.12. Сборочный чертеж 1.100.1-7.7-2 02.00.00 Плита балконная ПБК42.12,ПБК42.12-1 1.100.1-7.7-2 02.00.00 СБ Плита балконная ПБК42.12,ПБК42.12-1. Сборочный чертеж 1.100.1-7.7-2 03.00.00 Плита балконная ПБК39.12,ПБК39.12-2 1.100.1-7.7-2 03.00.00 СБ Плита балконная ПБК39.12,ПБК39.12-2. Сборочный чертеж 1.100.1-7.7-2 04.00.00 Плита балконная ПБК38.12,ПБК38.12-1 1.100.1-7.7-2 04.00.00 СБ Плита балконная ПБК38.12,ПБК38.12-1. Сборочный чертеж 1.100.1-7.7-2 05.00.00 Плита балконная ПБК30.12,ПБК30.12-2 1.100.1-7.7-2 05.00.00 СБ Плита балконная ПБК30.12,ПБК30.12-2. Сборочный чертеж 1.100.1-7.7-2 06.00.00 Плита балконная ПБК57.12,ПБК57.12-1 1.100.1-7.7-2 06.00.00 СБ Плита балконная ПБК57.12,ПБК57.12-1. Сборочный чертеж 1.100.1-7.7-2 07.00.00 Плита лоджии ПЛ45.32,ПЛ45.32-1 1.100.1-7.7-2 07.00.00 СБ Плита лоджии ПЛ45.32,ПЛ45.32-1. Сборочный чертеж 1.100.1-7.7-2 00.00.00Д1 Узлы опалубки 1.100.1-7.7-2 00.00.00Д2 Узел армирования 1.100.1-7.7-2 00.00.01 Каркас КР1,КР3,КР5 1.100.1-7.7-2 00.00.02 Каркас КР2,КР4,КР6,КР8,КР10 1.100.1-7.7-2 00.00.03 Каркас КР7,КР9,КР11 1.100.1-7.7-2 00.00.04 Сетка С1,С3,С5,С7,С9,С11 1.100.1-7.7-2 00.00.05 Сетка С2,С4,С6,С8,С10,С12 1.100.1-7.7-2 00.00.06 Сетка С5-2,С9-2,С13 1.100.1-7.7-2 00.00.07 Сетка С6-2,С10-2 1.100.1-7.7-2 00.00.08 Сетка С14,С15,С16 1.100.1-7.7-2 00.00.09 Анкер А1 1.100.1-7.7-2 00.00.10 Анкер А2 1.100.1-7.7-2 00.00.11 Анкер А3 1.100.1-7.7-2 00.00.12 Отдельный стержень ОС1 1.100.1-7.7-2 00.00.13 Изделие закладное М1 1.100.1-7.7-2 00.00.14 Изделие закладное М2 1.100.1-7.7-2 00.00.15 Изделие закладное М3 1.100.1-7.7-2 00.00.16 Петля П1 1.100.1-7.7-2 00.00.17 Петля П2 1.100.1-7.7-2 00.00.00РС Ведомость расхода стали |
| Разработан: | СибЗНИИЭП Госгражданстроя |
| Утверждён: | 23.03.1990 Госкомархитектура (46) |
| Расположен в: |









































