| ||||||||||||||||||||||||||
Скачать Серия 1.100.1-7 Выпуск 5. Панели перекрытий сплошные толщиной 160 мм. Рабочие чертежиДата актуализации: 10.08.2017
|
| Обозначение: | Серия 1.100.1-7 |
| Обозначение англ: | Series 1.100.1-7 |
| Статус: | действует |
| Название рус.: | Выпуск 5. Панели перекрытий сплошные толщиной 160 мм. Рабочие чертежи |
| Дата добавления в базу: | 01.09.2013 |
| Дата актуализации: | 05.05.2017 |
| Дата введения: | 01.06.1990 |
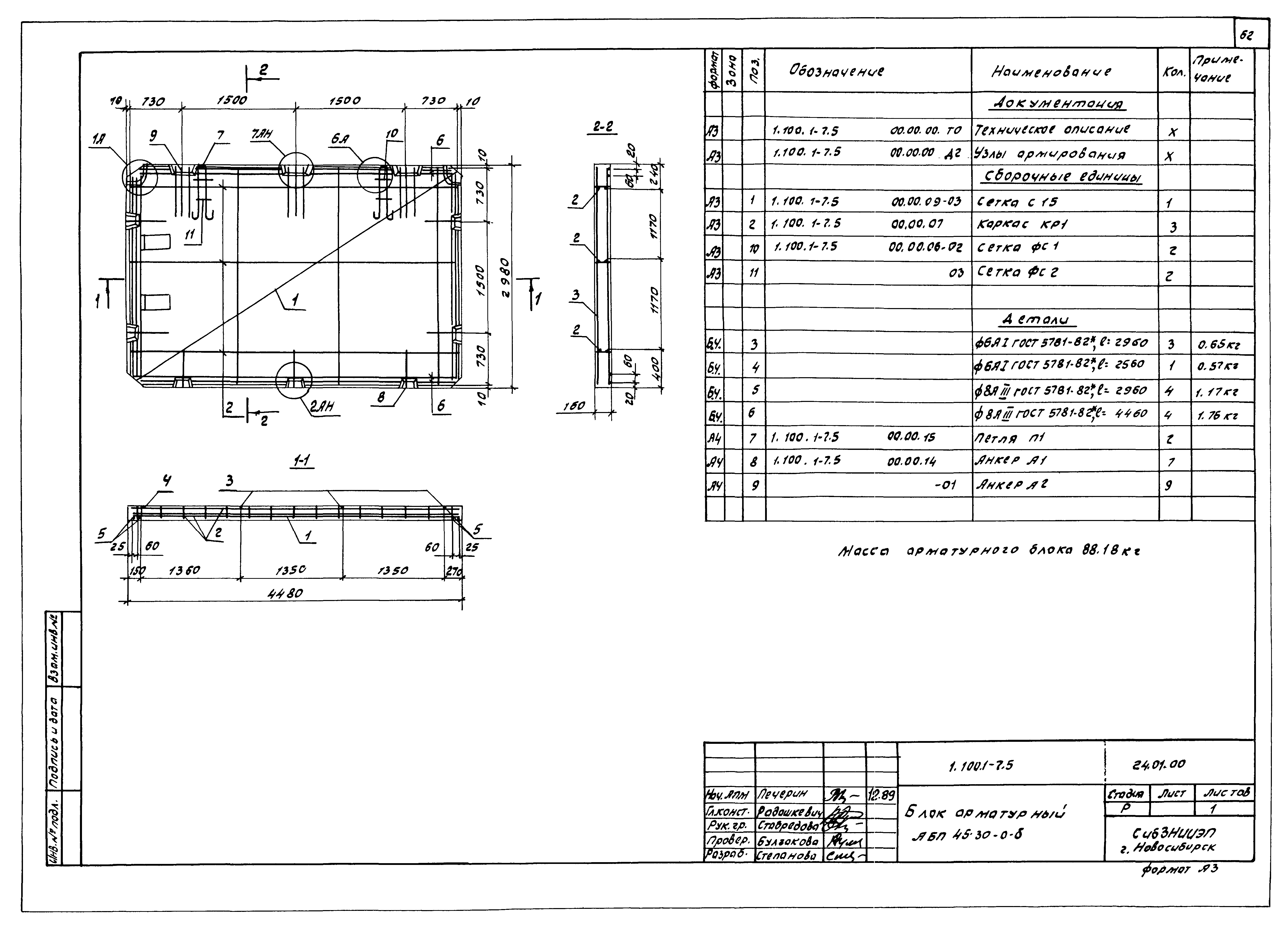
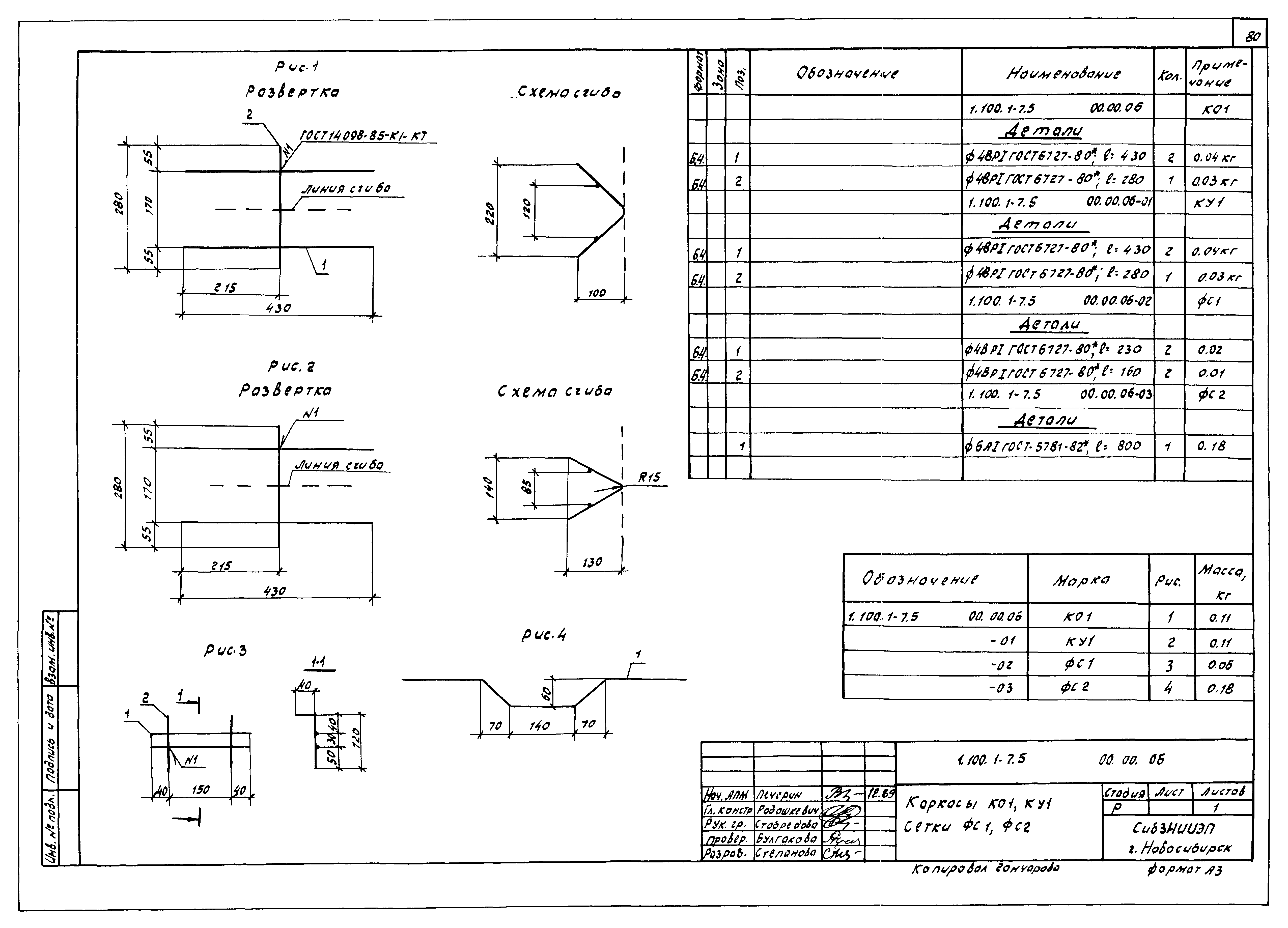
| Оглавление: | 1.100.1-7.5 00.00.00 Содержание 1.100.1-7.5 00.00.00ТО Техническое описание 1.100.1-7.5 00.00.00НИ Номенклатура изделий 1.100.1-7.5 01.00.00 Панель перекрытия П45.30.16-3 1.100.1-7.5 01.01.00 Блок арматурный АБП45.30 1.100.1-7.5 02.00.00 Панель перекрытия П45.30.16-3-б 1.100.1-7.5 02.01.00 Блок арматурный АБП45.30-б 1.100.1-7.5 03.00.00 Панель перекрытия П30.60.16-3 1.100.1-7.5 03.01.00 Блок арматурный АБП30.60 1.100.1-7.5 04.00.00 Панель перекрытия П30.60.16-4.5-а 1.100.1-7.5 04.01.00 Блок арматурный АБП30.60-а 1.100.1-7.5 05.00.00 Панель перекрытия П30.60.16-4.5-1 1.100.1-7.5 05.01.00 Блок арматурный АБП30.60-1 1.100.1-7.5 06.00.00 Панель перекрытия П30.60.16-4.5-2 1.100.1-7.5 06.01.00 Блок арматурный АБП30.60-2 1.100.1-7.5 07.00.00 Панель перекрытия П30.60.16-4.5-1-б 1.100.1-7.5 07.01.00 Блок арматурный АБП30.60-1-б 1.100.1-7.5 08.00.00 Панель перекрытия П30.60.16-4.5-2-б 1.100.1-7.5 08.01.00 Блок арматурный АБП30.60-2-б 1.100.1-7.5 09.00.00 Панель перекрытия П30.59.16-3 1.100.1-7.5 09.01.00 Блок арматурный АБП30.59 1.100.1-7.5 10.00.00 Панель перекрытия П30.59.16-3 1.100.1-7.5 10.01.00 Блок арматурный АБП30.59 1.100.1-7.5 11.00.00 Панель перекрытия П30.45.16-3 1.100.1-7.5 11.01.00 Блок арматурный АБП30.45 1.100.1-7.5 12.00.00 Панель перекрытия П30.45.16-3-1 1.100.1-7.5 12.01.00 Блок арматурный АБП30.45-1 1.100.1-7.5 13.00.00 Панель перекрытия П45.15.16-3 1.100.1-7.5 13.01.00 Блок арматурный АБП45.15 1.100.1-7.5 14.00.00 Панель перекрытия П43.24.16-3 1.100.1-7.5 14.01.00 Блок арматурный АБП43.24 1.100.1-7.5 15.00.00 Панель перекрытия П37.58.16-3 1.100.1-7.5 15.01.00 Блок арматурный АБП37.58 1.100.1-7.5 16.00.00 Панель перекрытия П37.58.16-3-б 1.100.1-7.5 16.01.00 Блок арматурный АБП37.58-б 1.100.1-7.5 17.00.00 Панель перекрытия П27.31.16-3 1.100.1-7.5 17.01.00 Блок арматурный АБП27.31 1.100.1-7.5 18.00.00 Панель перекрытия П45.30.16-У 1.100.1-7.5 18.01.00 Блок арматурный АБП45.30-У 1.100.1-7.5 19.00.00 Панель перекрытия П45.30.16-У-б 1.100.1-7.5 19.01.00 Блок арматурный АБП45.30-У-б 1.100.1-7.5 20.00.00 Панель перекрытия П45.30.16-3б 1.100.1-7.5 20.01.00 Блок арматурный АБП45.30-3б 1.100.1-7.5 21.00.00 Панель перекрытия П45.30.16-4б 1.100.1-7.5 21.01.00 Блок арматурный АБП45.30-4б 1.100.1-7.5 22.00.00 Панель перекрытия П45.30.16-3-2а 1.100.1-7.5 22.01.00 Блок арматурный АБП45.30-2а 1.100.1-7.5 23.00.00 Панель перекрытия П45.30.16-3-2а-У 1.100.1-7.5 23.01.00 Блок арматурный АБП45.30-2а-У 1.100.1-7.5 24.00.00 Панель перекрытия П45.30.16-3-а-б 1.100.1-7.5 24.01.00 Блок арматурный АБП45.30-а-б 1.100.1-7.5 25.00.00 Панель перекрытия П30.60.16-4.5-3 1.100.1-7.5 25.01.00 Блок арматурный АБП30.60-3 1.100.1-7.5 26.00.00 Панель перекрытия П30.60.16-4.5-4 1.100.1-7.5 26.01.00 Блок арматурный АБП30.60-4 1.100.1-7.5 27.00.00 Панель перекрытия П30.45.16-3-а 1.100.1-7.5 27.01.00 Блок арматурный АБП30.45-а 1.100.1-7.5 00.00.00Д1 Узлы опалубки 1.100.1-7.5 00.00.00Д2 Узлы армирования 1.100.1-7.5 00.00.01 Сетки С1...С4 1.100.1-7.5 00.00.02 Сетки С5,С6,С17 1.100.1-7.5 00.00.03 Сетки С7,С8 1.100.1-7.5 00.00.04 Сетки С9,С10 1.100.1-7.5 00.00.05 Сетка С11 1.100.1-7.5 00.00.06 Каркасы КО1,КУ1. Сетки ФС1,ФС2 1.100.1-7.5 00.00.07 Каркасы КР1...КР5 1.100.1-7.5 00.00.08 Каркасы КР6...КР10 1.100.1-7.5 00.00.09 Сетки С12...С15 1.100.1-7.5 00.00.10 Сетки С16,С18 1.100.1-7.5 00.00.11 Изделие закладное М1 1.100.1-7.5 00.00.12 Изделие закладное М2 1.100.1-7.5 00.00.13 Изделие закладное М3 1.100.1-7.5 00.00.14 Анкеры А1...А3 1.100.1-7.5 00.00.14 СБ Анкеры А1...А3. Сборочный чертеж 1.100.1-7.5 00.00.15 Петли монтажные П1...П5 1.100.1-7.5 00.00.15 СБ Петли монтажные П1...П5. Сборочный чертеж 1.100.1-7.5 00.00.16 Трубы полиэтиленовые ТР1...ТР24 1.100.1-7.5 00.00.00РС Ведомость расхода стали |
| Разработан: | СибЗНИИЭП Госгражданстроя |
| Утверждён: | 22.05.1990 Госкомархитектура (89) |
| Расположен в: |

























































































