| ||||||||||||||||||||||||||
Скачать Серия 1.100.1-7 Выпуск 1-3. Панели наружных стен трехслойные из тяжелого бетона с эффективным утеплителем для трехслойных наружных стен толщиной 400 мм. Рабочие чертежиДата актуализации: 10.08.2017
|
| Обозначение: | Серия 1.100.1-7 |
| Обозначение англ: | Series 1.100.1-7 |
| Статус: | действует |
| Название рус.: | Выпуск 1-3. Панели наружных стен трехслойные из тяжелого бетона с эффективным утеплителем для трехслойных наружных стен толщиной 400 мм. Рабочие чертежи |
| Дата добавления в базу: | 01.09.2013 |
| Дата актуализации: | 05.05.2017 |
| Дата введения: | 30.04.1990 |
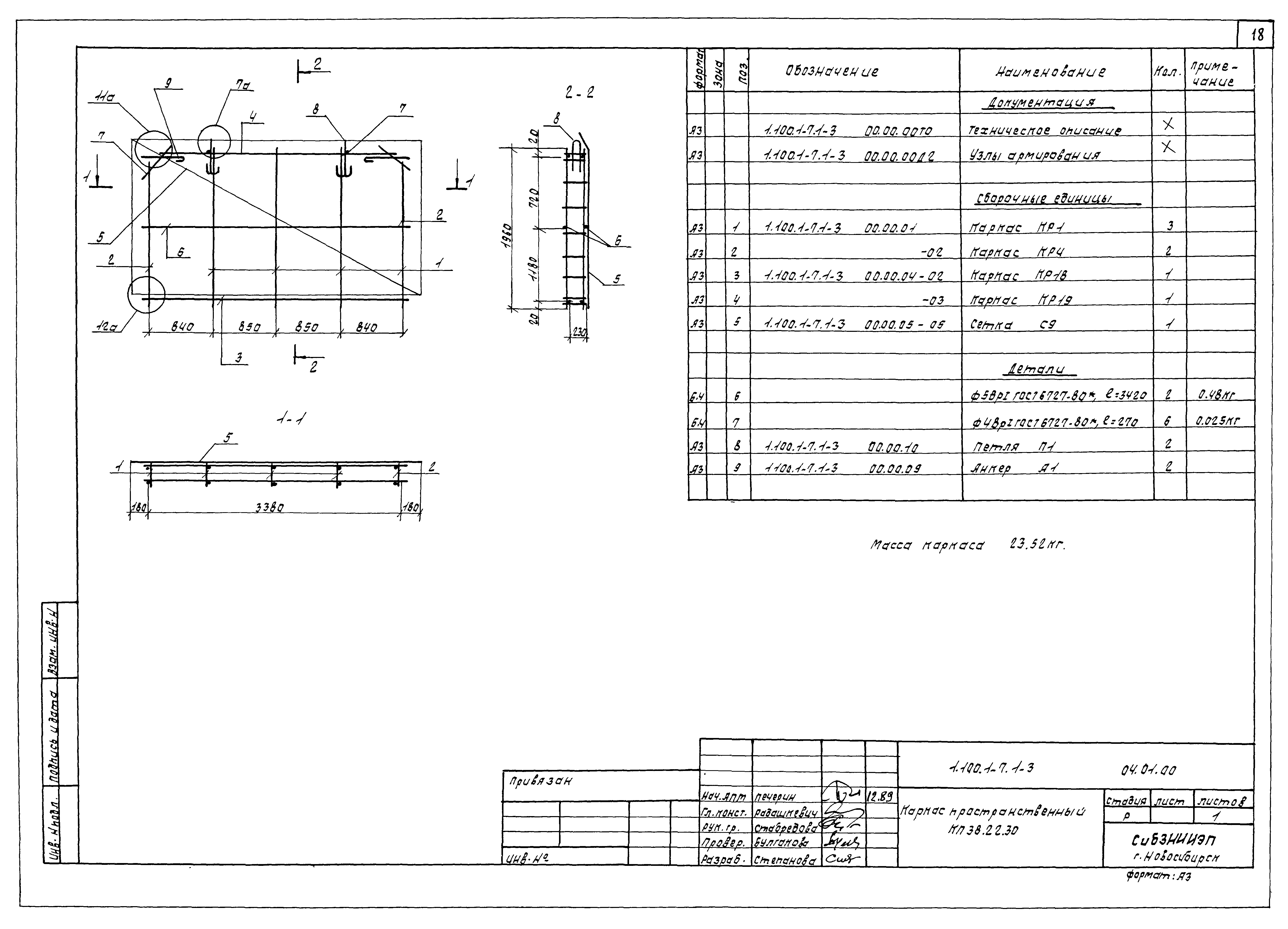
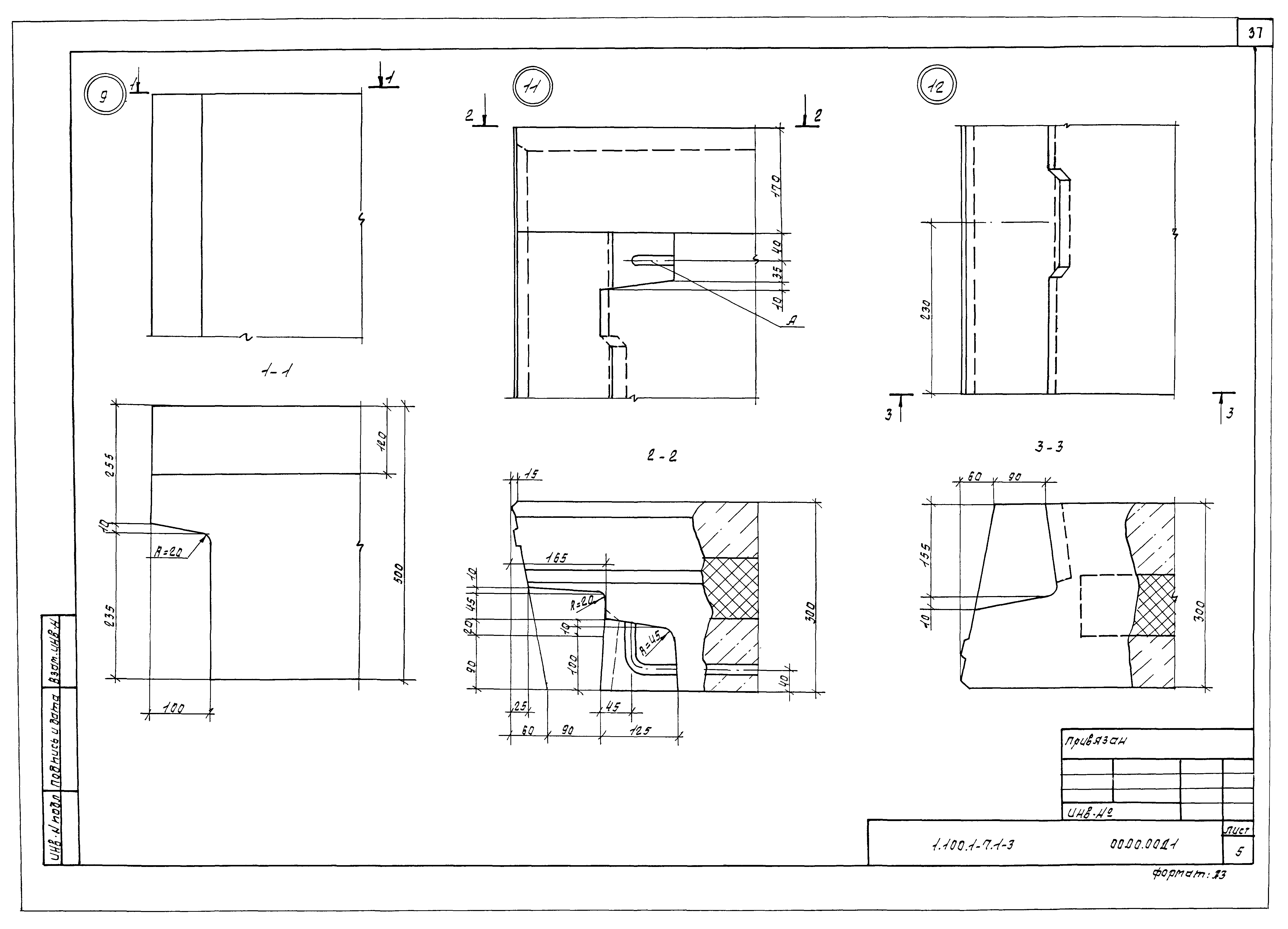
| Оглавление: | 1.100.1-7.1-3 00.00.00 Содержание 1.100.1-7.1-3 00.00.00ТО Техническое описание 1.100.1-7.1-3 00.00.00НИ Номенклатура изделий 1.100.1-7.1-3 01.00.00 Панель наружная цокольная 3НЦ30.22.30-200т 1.100.1-7.1-3 01.01.00 Каркас пространственный КП30.22.30 1.100.1-7.1-3 02.00.00 Панель наружная цокольная 3НЦ30.20.30-200т 1.100.1-7.1-3 02.01.00 Каркас пространственный КП30.20.30 1.100.1-7.1-3 03.00.00 Панель наружная цокольная 3НЦ28.22.30-200т 1.100.1-7.1-3 03.01.00 Каркас пространственный КП28.22.30 1.100.1-7.1-3 04.00.00 Панель наружная цокольная 3НЦ38.22.30-200т 1.100.1-7.1-3 04.01.00 Каркас пространственный КП38.22.30 1.100.1-7.1-3 05.00.00 Панель наружная цокольная 3НЦ45.22.30-200т 1.100.1-7.1-3 05.01.00 Каркас пространственный КП45.22.30 1.100.1-7.1-3 06.00.00 Панель наружная цокольная 3НЦ45.20.30-200т 1.100.1-7.1-3 06.01.00 Каркас пространственный КП45.20.30 1.100.1-7.1-3 07.00.00 Панель наружная цокольная 3НЦ45.22.30-200т-1 1.100.1-7.1-3 07.01.00 Каркас пространственный КП45.22.30-1 1.100.1-7.1-3 08.00.00 Панель наружная цокольная 3НЦ32.22.30-200т 1.100.1-7.1-3 08.01.00 Каркас пространственный КП32.22.30 1.100.1-7.1-3 09.00.00 Панель наружная цокольная 3НЦ47.22.30-200т 1.100.1-7.1-3 09.01.00 Каркас пространственный КП47.22.30 1.100.1-7.1-3 10.00.00 Панель наружная цокольная 3НЦ15.22.30-200т 1.100.1-7.1-3 10.01.00 Каркас пространственный КП15.22.30 1.100.1-7.1-3 11.00.00 Панель наружная цокольная 3НЦ30.10.50-200т 1.100.1-7.1-3 11.01.00 Каркас пространственный КП30.10.50 1.100.1-7.1-3 00.00.00Д1 Узлы опалубки 1.100.1-7.1-3 00.00.00Д2 Узлы армирования 1.100.1-7.1-3 00.00.01 Каркас плоский КР1,КР2,КР4...КР5 1.100.1-7.1-3 00.00.02 Каркас плоский КР3,КР8,КР10...КР12 1.100.1-7.1-3 00.00.03 Каркас плоский КР7,КР9,КР13...КР15 1.100.1-7.1-3 00.00.04 Каркас плоский КР16...КР19 1.100.1-7.1-3 00.00.05 Сетка С1...С4,С8,С9 1.100.1-7.1-3 00.00.06 Сетка С5...С7,С10,С11 1.100.1-7.1-3 00.00.07 Изделие закладное М1 1.100.1-7.1-3 00.00.08 Изделие закладное М2 1.100.1-7.1-3 00.00.09 Анкер А1 1.100.1-7.1-3 00.00.10 Петли монтажные П1...П3 1.100.1-7.1-3 00.00.10 СБ Петли монтажные П1...П3. Сборочный чертеж 1.100.1-7.1-3 12.00.00 Продух оконный 1.100.1-7.1-3 00.00.00РС Ведомость расхода стали |
| Разработан: | СибЗНИИЭП Госгражданстроя |
| Утверждён: | 23.03.1990 Госкомархитектура (46) |
| Расположен в: |






















































