Скачать Серия ИИ-04-4 Выпуск 30. Предварительно напряженные многопустотные и ребристые панели под расчетную нагрузку 1600 кгс/м2 длиной 526 и 576 см, армированные высокопрочной проволокой диаметром 5 класса Вр- II. Метод натяжения - механический. Рабочие чертежиДата актуализации: 10.08.2017 Серия ИИ-04-4
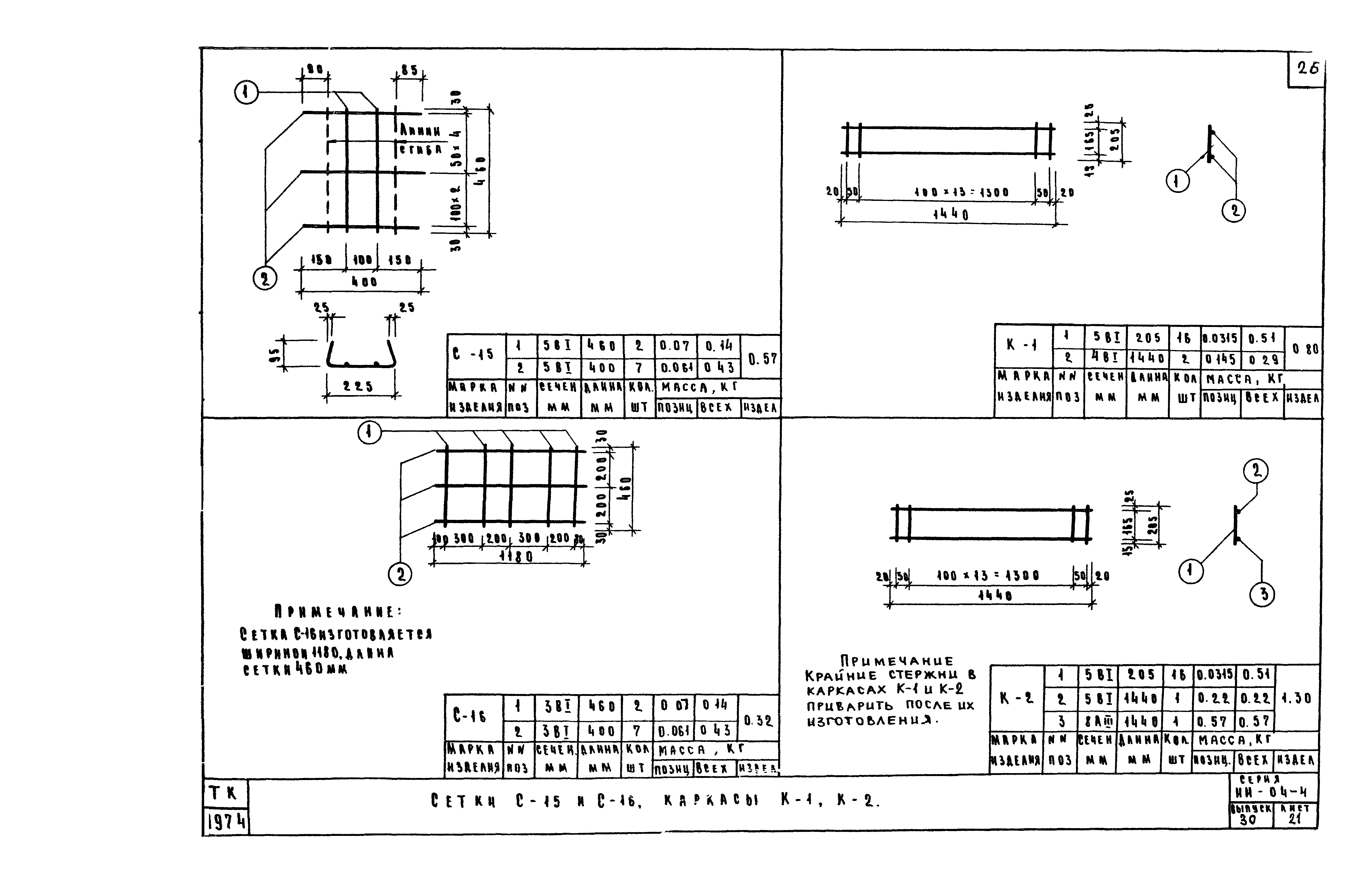
Выпуск 30. Предварительно напряженные многопустотные и ребристые панели под расчетную нагрузку 1600 кгс/м2 длиной 526 и 576 см, армированные высокопрочной проволокой диаметром 5 класса Вр- II. Метод натяжения - механический. Рабочие чертежиОбозначение: | Серия ИИ-04-4 | Обозначение англ: | Series ИИ-04-4 | Статус: | не действует | Название рус.: | Выпуск 30. Предварительно напряженные многопустотные и ребристые панели под расчетную нагрузку 1600 кгс/м2 длиной 526 и 576 см, армированные высокопрочной проволокой диаметром 5 класса Вр- II. Метод натяжения - механический. Рабочие чертежи | Дата добавления в базу: | 01.09.2013 | Дата актуализации: | 05.05.2017 | Дата окончания срока действия: | 01.04.1982 | Оглавление: | ИИ-04-4 Содержание ИИ-04-4 Пояснительная записка ИИ-04-4 Номенклатура ИИ-04-4 Величины предварительных напряжений в арматуре и потери предварительного напряжения ИИ-04-4 Панель ПК16-58.15. Опалубочный чертеж. Армирование ИИ-04-4 Панель ПК16-53.15. Опалубочный чертеж. Армирование ИИ-04-4 Панель ПК16-58.12. Опалубочный чертеж. Армирование ИИ-04-4 Панель ПК16-53.12. Опалубочный чертеж. Армирование ИИ-04-4 Панель ПК16-58.15с. Опалубочный чертеж. Армирование ИИ-04-4 Панель ПК16-53.15с. Опалубочный чертеж. Армирование ИИ-04-4 Панель ПР16-58.15с. Опалубочный чертеж. Армирование ИИ-04-4 Панель ПР16-53.15с. Опалубочный чертеж. Армирование ИИ-04-4 Панель ПК16-58.15п. Опалубочный чертеж. Армирование ИИ-04-4 Панель ПК16-53.15п. Опалубочный чертеж. Армирование ИИ-04-4 Опалубочные сечения панелей ИИ-04-4 Деталь. Сечение 1-1. Деталь установки петли П-1 в многопустотной панели ИИ-04-4 Узлы 1,2,4,5. Детали расположения арматуры в крайних и средних ребрах панелей ИИ-04-4 Узел 3 ИИ-04-4 Сетки С-1,С-2,С-3 и С-4 ИИ-04-4 Сетки С-5,С-6,С-7 и С-8 ИИ-04-4 Сетки С-9,С-10,С-11 ИИ-04-4 Сетки С-12,С-13 и С-14 ИИ-04-4 Сетки С-15,С-16. Каркасы К-1 и К-2 ИИ-04-4 Каркасы К3-К6 ИИ-04-4 Каркас К-7. Петли П-1 и П-2 ИИ-04-4 Данные для испытаний панелей по прочности ИИ-04-4 Данные для испытаний панелей по трещиностойкости ИИ-04-4 Данные для испытаний панелей по жесткости | Разработан: | НИИЖБ Госстроя СССР ЦНИИЭП торгово-бытовых зданий и туристских комплексов
| Утверждён: | 31.01.1977 Государственный комитет по гражданскому строительству и архитектуре при Госстрое СССР (19)
| Расположен в: |
| Чем заменён: | |
                             
|