| ||||||||||||||||||||||||||||
Скачать Серия 1.090.1-1/88 Выпуск 4-1. Панели внутренних стен. Рабочие чертежиДата актуализации: 10.08.2017
|
| Обозначение: | Серия 1.090.1-1/88 |
| Обозначение англ: | Series 1.090.1-1/88 |
| Статус: | не определен законодательством |
| Название рус.: | Выпуск 4-1. Панели внутренних стен. Рабочие чертежи |
| Дата добавления в базу: | 01.09.2013 |
| Дата актуализации: | 05.05.2017 |
| Дата введения: | 01.10.1989 |
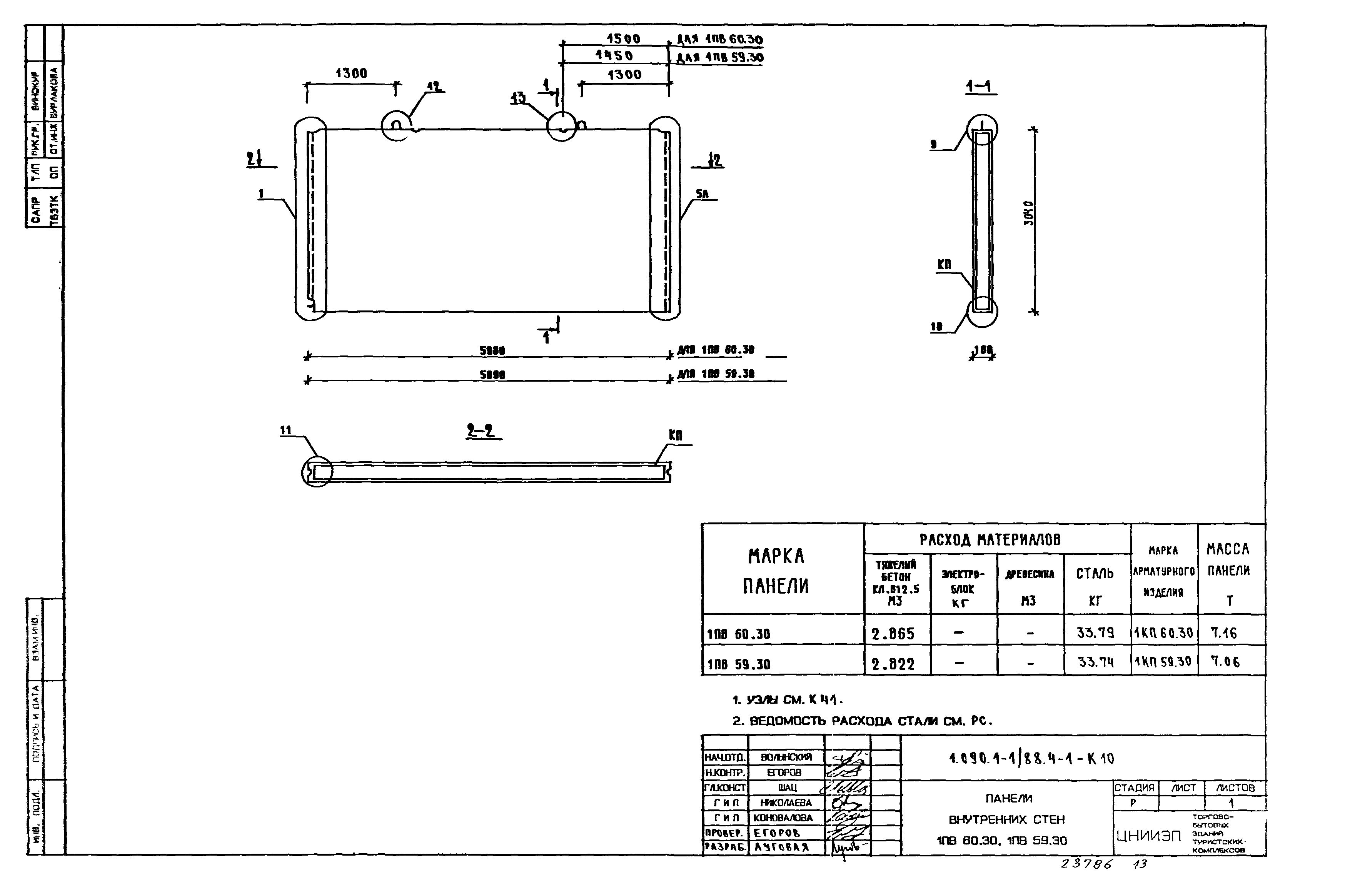
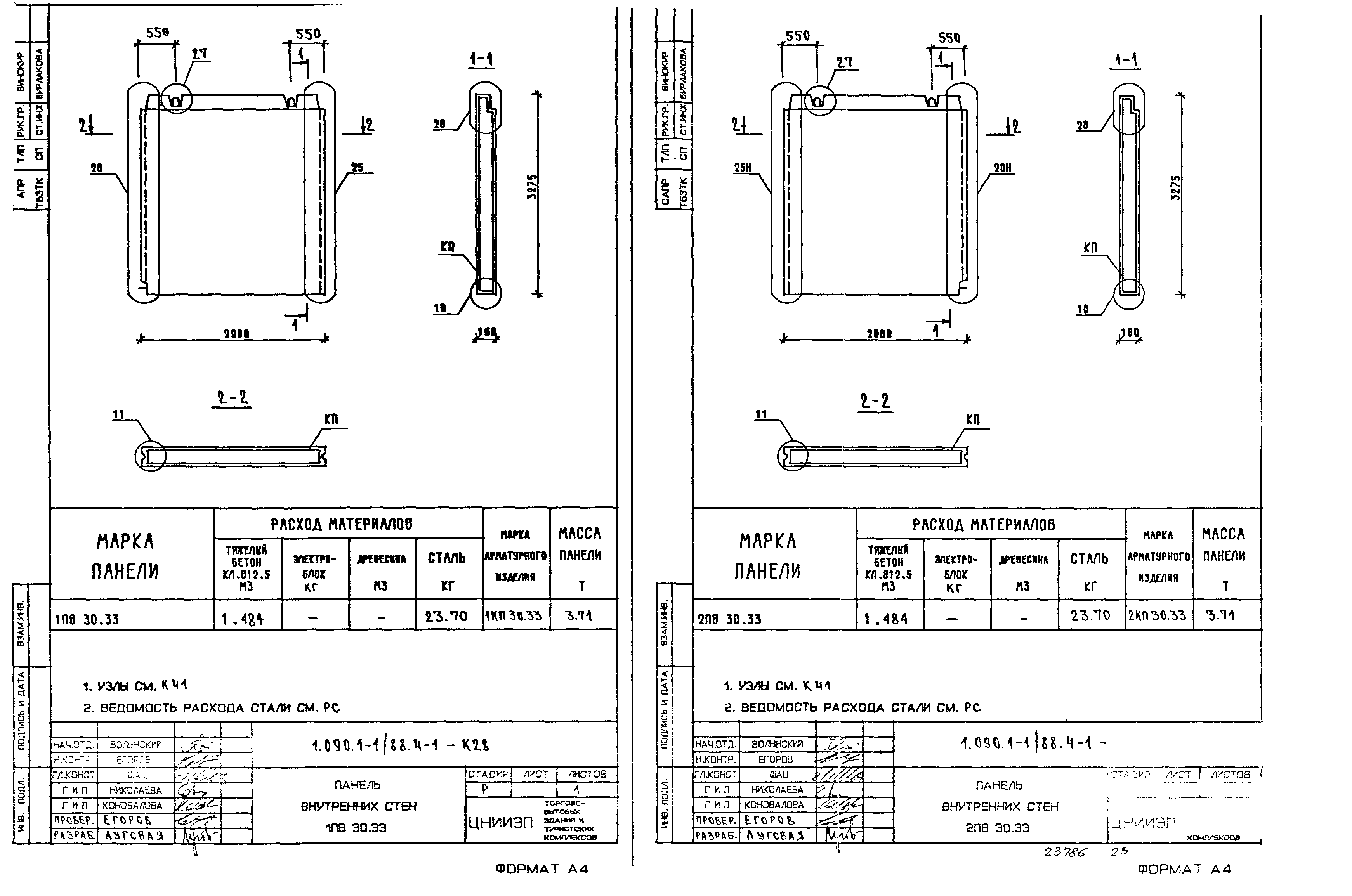
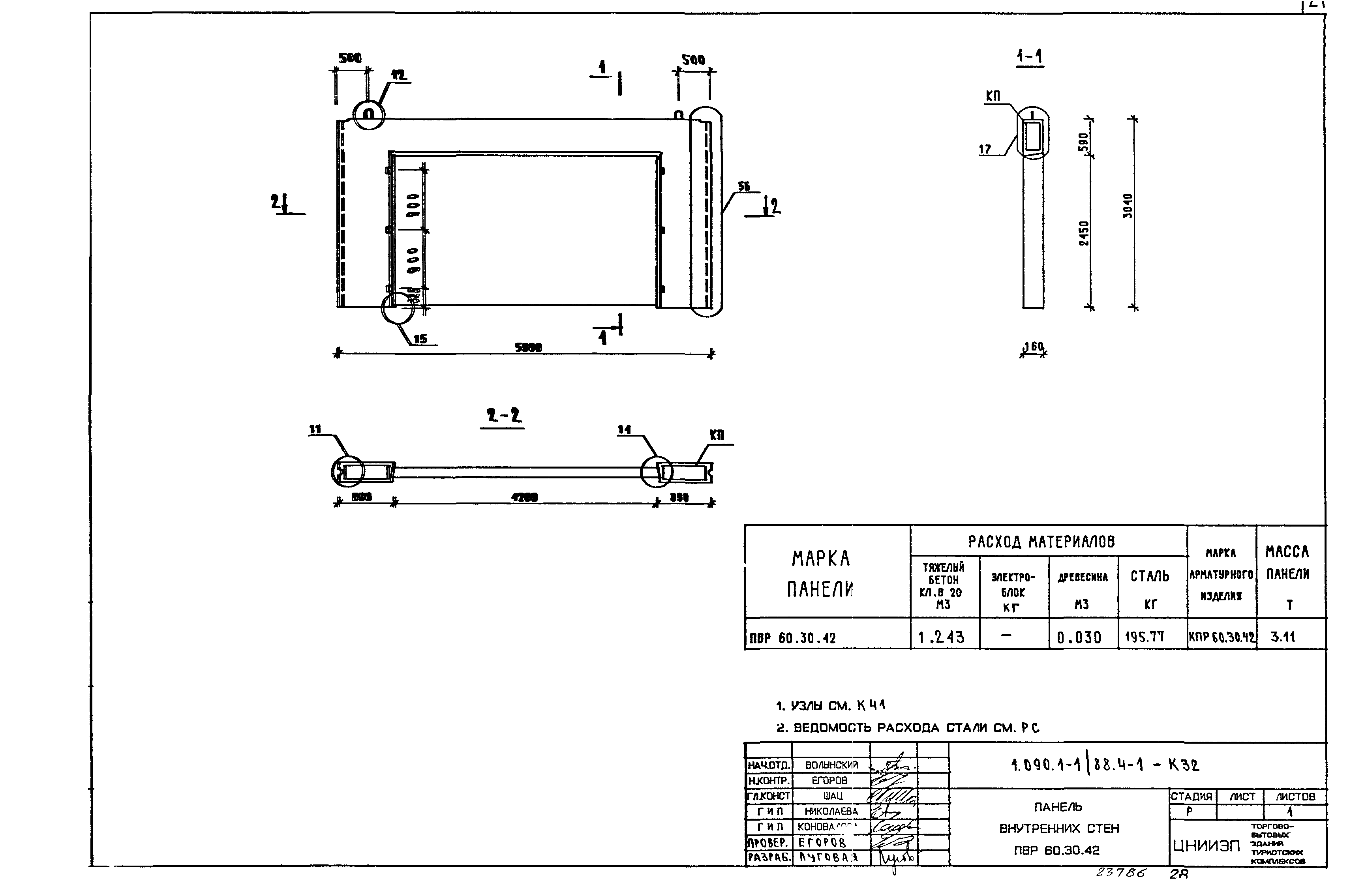
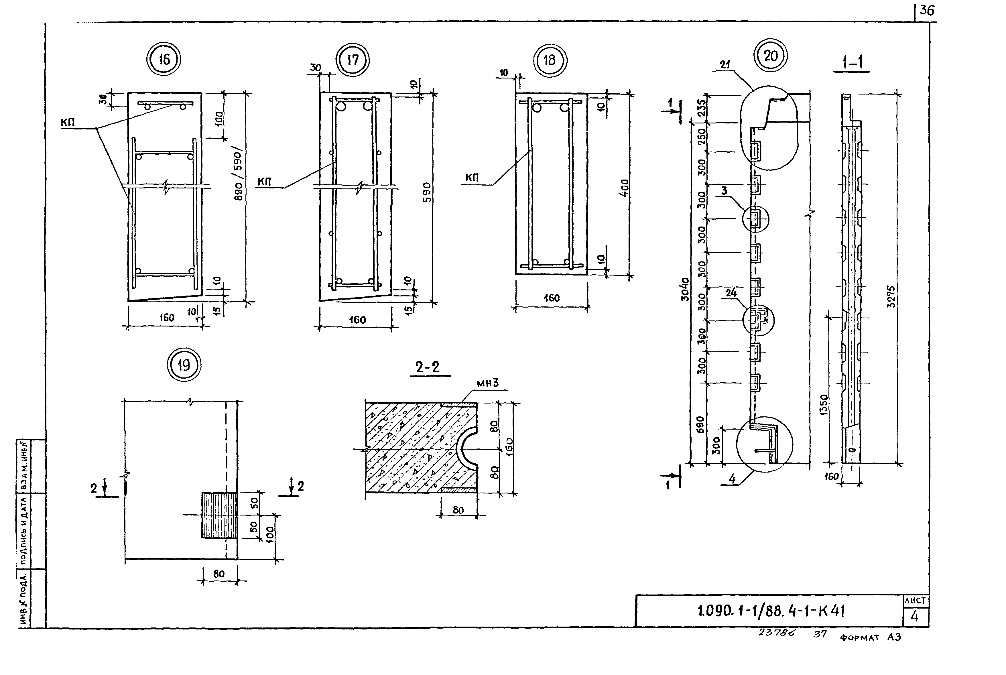
| Оглавление: | 1.090.1-1/88.4-1-ТТ Технические требования 1.090.1-1/88.4-1-К1 Панели внутренних стен ПВ60.30,ПВ59.30 1.090.1-1/88.4-1-К2 Панели внутренних стен ПВ30.30,ПВ29.30 1.090.1-1/88.4-1-К3 Панель внутренних стен ПВ30.30-Э 1.090.1-1/88.4-1-К4 Панель внутренних стен ПВ30.30-В 1.090.1-1/88.4-1-К5 Панель внутренних стен ПВ28.30 1.090.1-1/88.4-1-К6 Панель внутренних стен ПВ18.30 1.090.1-1/88.4-1-К7 Панель внутренних стен ПВ6.30 1.090.1-1/88.4-1-К8 Панель внутренних стен ПВ12.30 1.090.1-1/88.4-1-К9 Панель внутренних стен ПВ12.30-Э 1.090.1-1/88.4-1-К10 Панели внутренних стен 1ПВ60.30,1ПВ59.30 1.090.1-1/88.4-1-К11 Панели внутренних стен 1ПВ30.30,1ПВ29.30 1.090.1-1/88.4-1-К12 Панель внутренних стен 1ПВ30.30-Э 1.090.1-1/88.4-1-К13 Панель внутренних стен 1ПВ29.30-В 1.090.1-1/88.4-1-К14 Панель внутренних стен 1ПВ18.30 1.090.1-1/88.4-1-К15 Панель внутренних стен 1ПВ12.30 1.090.1-1/88.4-1-К16 Панель внутренних стен 1ПВ12.30-Э 1.090.1-1/88.4-1-К17 Панель внутренних стен ПВП60.30.10 1.090.1-1/88.4-1-К18 Панель внутренних стен ПВП60.30.19 1.090.1-1/88.4-1-К19 Панели внутренних стен ПВП30.30.10,ПВП28.30.10 1.090.1-1/88.4-1-К20 Панель внутренних стен ПВП30.30.13 1.090.1-1/88.4-1-К21 Панель внутренних стен 1ПВП30.30.10 1.090.1-1/88.4-1-К22 Панель внутренних стен 1ПВП30.30.13 1.090.1-1/88.4-1-К23 Панель внутренних стен ПВ59.33 1.090.1-1/88.4-1-К24 Панели внутренних стен ПВ30.30,ПВ29.30 1.090.1-1/88.4-1-К25 Панель внутренних стен ПВ30.16 1.090.1-1/88.4-1-К26 Панель внутренних стен 1ПВ59.33 1.090.1-1/88.4-1-К27 Панель внутренних стен 2ПВ59.33 1.090.1-1/88.4-1-К28 Панель внутренних стен 1ПВ30.33 1.090.1-1/88.4-1-К29 Панель внутренних стен 2ПВ30.33 1.090.1-1/88.4-1-К30 Панель внутренних стен 1ПВГ59.33 1.090.1-1/88.4-1-К31 Панель внутренних стен 2ПВГ59.33 1.090.1-1/88.4-1-К32 Панель внутренних стен ПВР60.30.42 1.090.1-1/88.4-1-К33 Панель внутренних стен ПВР30.30.15 1.090.1-1/88.4-1-К34 Панель внутренних стен ПВР29.30.15 1.090.1-1/88.4-1-К35 Панель внутренних стен ПВР28.30.15 1.090.1-1/88.4-1-К36 Панель внутренних стен ПВР30.30.19 1.090.1-1/88.4-1-К37 Панель внутренних стен ПВР60.30.42 1.090.1-1/88.4-1-К38 Панель внутренних стен ПВА30.30.20,ПВА29.30.20 1.090.1-1/88.4-1-К39 Панель внутренних стен ПВА28.30.20 1.090.1-1/88.4-1-К40 Панель внутренних стен ПВГ30.12 1.090.1-1/88.4-1-К41 Узлы 1.090.1-1/88.4-1-РС Ведомость расхода стали |
| Разработан: | ЦНИИЭП торгово-бытовых зданий и туристских комплексов |
| Утверждён: | 28.03.1989 Госстрой СССР (Государственный комитет Совета Министров СССР по делам строительства) (USSR Gosstroy АЧ-14) |
| Издан: | ЦИТП Госстроя СССР (CITP, Gosstroy (USSR) 1989 г. ) |
| Расположен в: |



















































