| ||||||||||||||||||||||||||||
Скачать Серия 1.090.1-1/88 Выпуск 2-5. Панели наружных стен трехслойные на жестких связях. Пространственные каркасы. Рабочие чертежиДата актуализации: 10.08.2017
|
| Обозначение: | Серия 1.090.1-1/88 |
| Обозначение англ: | Series 1.090.1-1/88 |
| Статус: | не определен законодательством |
| Название рус.: | Выпуск 2-5. Панели наружных стен трехслойные на жестких связях. Пространственные каркасы. Рабочие чертежи |
| Дата добавления в базу: | 01.09.2013 |
| Дата актуализации: | 05.05.2017 |
| Дата введения: | 01.10.1989 |
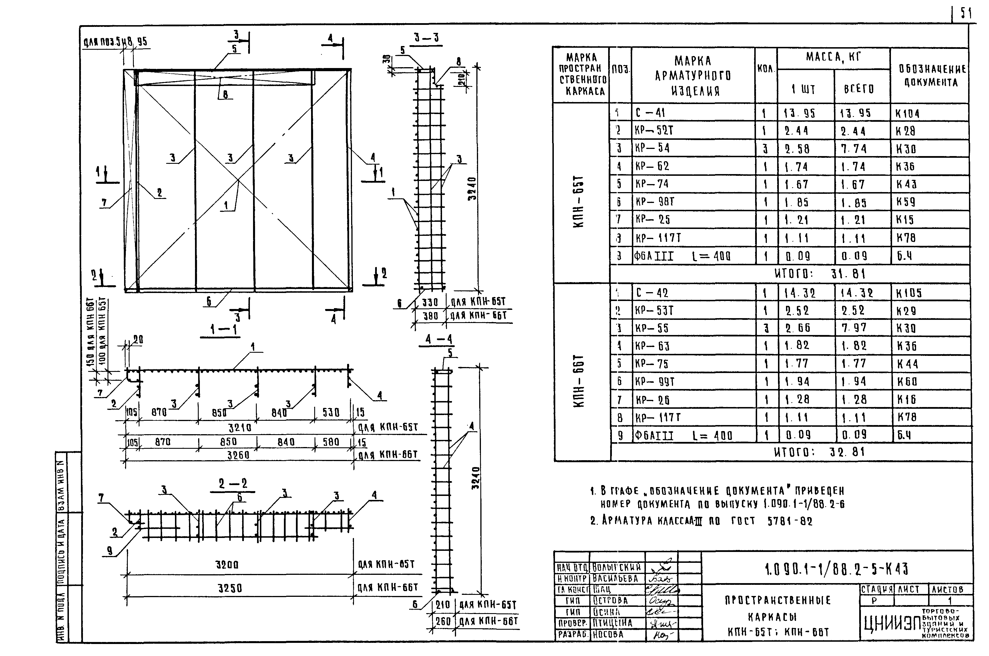
| Оглавление: | 1.090.1-1/88.2-5-ТТ Технические требования 1.090.1-1/88.2-5-К1 Пространственные каркасы КПН-1,КПН-2 1.090.1-1/88.2-5-К2 Пространственные каркасы КПН-3,КПН-4 1.090.1-1/88.2-5-К3 Пространственные каркасы КПН-5Т,КПН-6Т 1.090.1-1/88.2-5-К4 Пространственные каркасы КПН-5Н,КПН-6Н 1.090.1-1/88.2-5-К5 Пространственные каркасы КПН-7,КПН-8 1.090.1-1/88.2-5-К6 Пространственные каркасы КПН-9,КПН-10 1.090.1-1/88.2-5-К7 Пространственные каркасы КПН-11,КПН-12 1.090.1-1/88.2-5-К8 Пространственные каркасы КПН-13,КПН-14 1.090.1-1/88.2-5-К9 Пространственные каркасы КПН-15,КПН-16 1.090.1-1/88.2-5-К10 Пространственные каркасы КПН-17Т,КПН-18Т 1.090.1-1/88.2-5-К11 Пространственные каркасы КПН-17Н,КПН-18Н 1.090.1-1/88.2-5-К12 Пространственные каркасы КПН-19Т,КПН-20Т 1.090.1-1/88.2-5-К13 Пространственные каркасы КПН-19Н,КПН-20Н 1.090.1-1/88.2-5-К14 Пространственные каркасы КПН-21,КПН-22 1.090.1-1/88.2-5-К15 Пространственные каркасы КПН-23,КПН-24 1.090.1-1/88.2-5-К16 Пространственные каркасы КПН-25Т,КПН-26Т 1.090.1-1/88.2-5-К17 Пространственные каркасы КПН-25Н,КПН-26Н 1.090.1-1/88.2-5-К18 Пространственные каркасы КПН-27Т,КПН-28Т 1.090.1-1/88.2-5-К19 Пространственные каркасы КПН-27Н,КПН-28Н 1.090.1-1/88.2-5-К20 Пространственные каркасы КПН-29Т,КПН-30Т 1.090.1-1/88.2-5-К21 Пространственные каркасы КПН-29Н,КПН-30Н 1.090.1-1/88.2-5-К22 Пространственные каркасы КПН-31Т,КПН-32Т 1.090.1-1/88.2-5-К23 Пространственные каркасы КПН-31Н,КПН-32Н 1.090.1-1/88.2-5-К24 Пространственные каркасы КПН-33Т,КПН-34Т 1.090.1-1/88.2-5-К25 Пространственные каркасы КПН-33Н,КПН-34Н 1.090.1-1/88.2-5-К26 Пространственные каркасы КПН-35Т,КПН-36Т 1.090.1-1/88.2-5-К27 Пространственные каркасы КПН-35Н,КПН-36Н 1.090.1-1/88.2-5-К28 Пространственные каркасы КПН-37,КПН-38 1.090.1-1/88.2-5-К29 Пространственные каркасы КПН-39,КПН-40 1.090.1-1/88.2-5-К30 Пространственные каркасы КПН-41...КПН-44 1.090.1-1/88.2-5-К31 Пространственные каркасы КПН-45,КПН-46 1.090.1-1/88.2-5-К32 Пространственные каркасы КПН-47,КПН-48 1.090.1-1/88.2-5-К33 Пространственные каркасы КПН-49Т,КПН-50Т 1.090.1-1/88.2-5-К34 Пространственные каркасы КПН-49Н,КПН-50Н 1.090.1-1/88.2-5-К35 Пространственные каркасы КПН-51,КПН-52 1.090.1-1/88.2-5-К36 Пространственные каркасы КПН-53,КПН-54 1.090.1-1/88.2-5-К37 Пространственные каркасы КПН-55Т,КПН-56Т 1.090.1-1/88.2-5-К38 Пространственные каркасы КПН-55Н,КПН-56Н 1.090.1-1/88.2-5-К39 Пространственные каркасы КПН-57,КПН-58 1.090.1-1/88.2-5-К40 Пространственные каркасы КПН-59,КПН-60 1.090.1-1/88.2-5-К41 Пространственные каркасы КПН-61,КПН-62 1.090.1-1/88.2-5-К42 Пространственные каркасы КПН-63,КПН-64 1.090.1-1/88.2-5-К43 Пространственные каркасы КПН-65Т,КПН-66Т 1.090.1-1/88.2-5-К44 Пространственные каркасы КПН-67Т,КПН-68Т 1.090.1-1/88.2-5-К45 Пространственные каркасы КПН-69Т,КПН-70Т 1.090.1-1/88.2-5-К46 Пространственные каркасы КПН-65Н,КПН-66Н 1.090.1-1/88.2-5-К47 Пространственные каркасы КПН-67Н,КПН-69Н 1.090.1-1/88.2-5-К48 Пространственные каркасы КПН-69Н,КПН-70Н 1.090.1-1/88.2-5-К49 Пространственные каркасы КПН-71Т,КПН-72Т 1.090.1-1/88.2-5-К50 Пространственные каркасы КПН-73Т,КПН-74Т 1.090.1-1/88.2-5-К51 Пространственные каркасы КПН-75Т,КПН-76Т 1.090.1-1/88.2-5-К52 Пространственные каркасы КПН-77Т,КПН-78Т 1.090.1-1/88.2-5-К53 Пространственные каркасы КПН-71Н,КПН-72Н 1.090.1-1/88.2-5-К54 Пространственные каркасы КПН-73Н,КПН-74Н 1.090.1-1/88.2-5-К55 Пространственные каркасы КПН-75Н,КПН-76Н 1.090.1-1/88.2-5-К56 Пространственные каркасы КПН-77Н,КПН-78Н 1.090.1-1/88.2-5-К57 Пространственные каркасы КПН-79,КПН-80 1.090.1-1/88.2-5-К58 Пространственные каркасы КПН-81,КПН-82 1.090.1-1/88.2-5-К59 Пространственные каркасы КПН-83Т,КПН-84Т 1.090.1-1/88.2-5-К60 Пространственные каркасы КПН-83Н,КПН-84Н 1.090.1-1/88.2-5-К61 Пространственные каркасы КПВ-1 1.090.1-1/88.2-5-К62 Пространственные каркасы КПВ-2 1.090.1-1/88.2-5-К63 Пространственные каркасы КПВ-3 1.090.1-1/88.2-5-К64 Пространственные каркасы КПВ-4 1.090.1-1/88.2-5-К65 Пространственные каркасы КПВ-5 1.090.1-1/88.2-5-К66 Пространственные каркасы КПВ-6 1.090.1-1/88.2-5-К67 Пространственные каркасы КПВ-7Т;КПВ-7Н 1.090.1-1/88.2-5-К68 Пространственные каркасы КПВ-8Т;КПВ-8Н 1.090.1-1/88.2-5-К69 Пространственные каркасы КПВ-9Т;КПВ-9Н 1.090.1-1/88.2-5-К70 Пространственные каркасы КПВ-10Т;КПВ-10Н 1.090.1-1/88.2-5-К71 Пространственные каркасы КПВ-11Т;КПВ-11Н 1.090.1-1/88.2-5-К72 Пространственные каркасы КПВ-12Т;КПВ-12Н 1.090.1-1/88.2-5-К73 Пространственные каркасы КПВ-13;КПВ-14 1.090.1-1/88.2-5-К74 Пространственные каркасы КПВ-15Т;КПВ-15Н 1.090.1-1/88.2-5-К75 Пространственные каркасы КПВ-16 1.090.1-1/88.2-5-К76 Пространственные каркасы КПВ-17 1.090.1-1/88.2-5-К77 Пространственные каркасы КПВ-18 1.090.1-1/88.2-5-К78 Пространственные каркасы КПВ-19 1.090.1-1/88.2-5-К79 Пространственные каркасы КПВ-20 1.090.1-1/88.2-5-К80 Пространственные каркасы КПВ-21Т,КПВ-21Н 1.090.1-1/88.2-5-К81 Пространственные каркасы КПВ-22Т,КПВ-22Н 1.090.1-1/88.2-5-К82 Пространственные каркасы КПВ-23Т,КПВ-23Н 1.090.1-1/88.2-5-К83 Сборные каркасы СКР-1,СКР-2 1.090.1-1/88.2-5-К84 Сборные каркасы СКР-3,СКР-4 1.090.1-1/88.2-5-К85 Сборные каркасы СКР-5Т,СКР-6Т 1.090.1-1/88.2-5-К86 Сборные каркасы СКР-5Н,СКР-6Н 1.090.1-1/88.2-5-К87 Сборные каркасы СКР-7,СКР-8 1.090.1-1/88.2-5-К88 Сборные каркасы СКР-9Т,СКР-9Н 1.090.1-1/88.2-5-К89 Сборные каркасы СКР-10Т,СКР-10Н |
| Разработан: | ЦНИИЭП торгово-бытовых зданий и туристских комплексов |
| Утверждён: | 28.03.1989 Госстрой СССР (Государственный комитет Совета Министров СССР по делам строительства) (USSR Gosstroy АЧ-14) |
| Издан: | ЦИТП Госстроя СССР (CITP, Gosstroy (USSR) 1989 г. ) |
| Расположен в: |


























































































