| ||||||||||||||||||||||||||
Скачать Серия 1.090.1-1/88 Выпуск 2-2. Панели наружных стен однослойные. Пространственные каркасы. Рабочие чертежиДата актуализации: 10.08.2017
|
| Обозначение: | Серия 1.090.1-1/88 |
| Обозначение англ: | Series 1.090.1-1/88 |
| Статус: | действует |
| Название рус.: | Выпуск 2-2. Панели наружных стен однослойные. Пространственные каркасы. Рабочие чертежи |
| Дата добавления в базу: | 01.09.2013 |
| Дата актуализации: | 05.05.2017 |
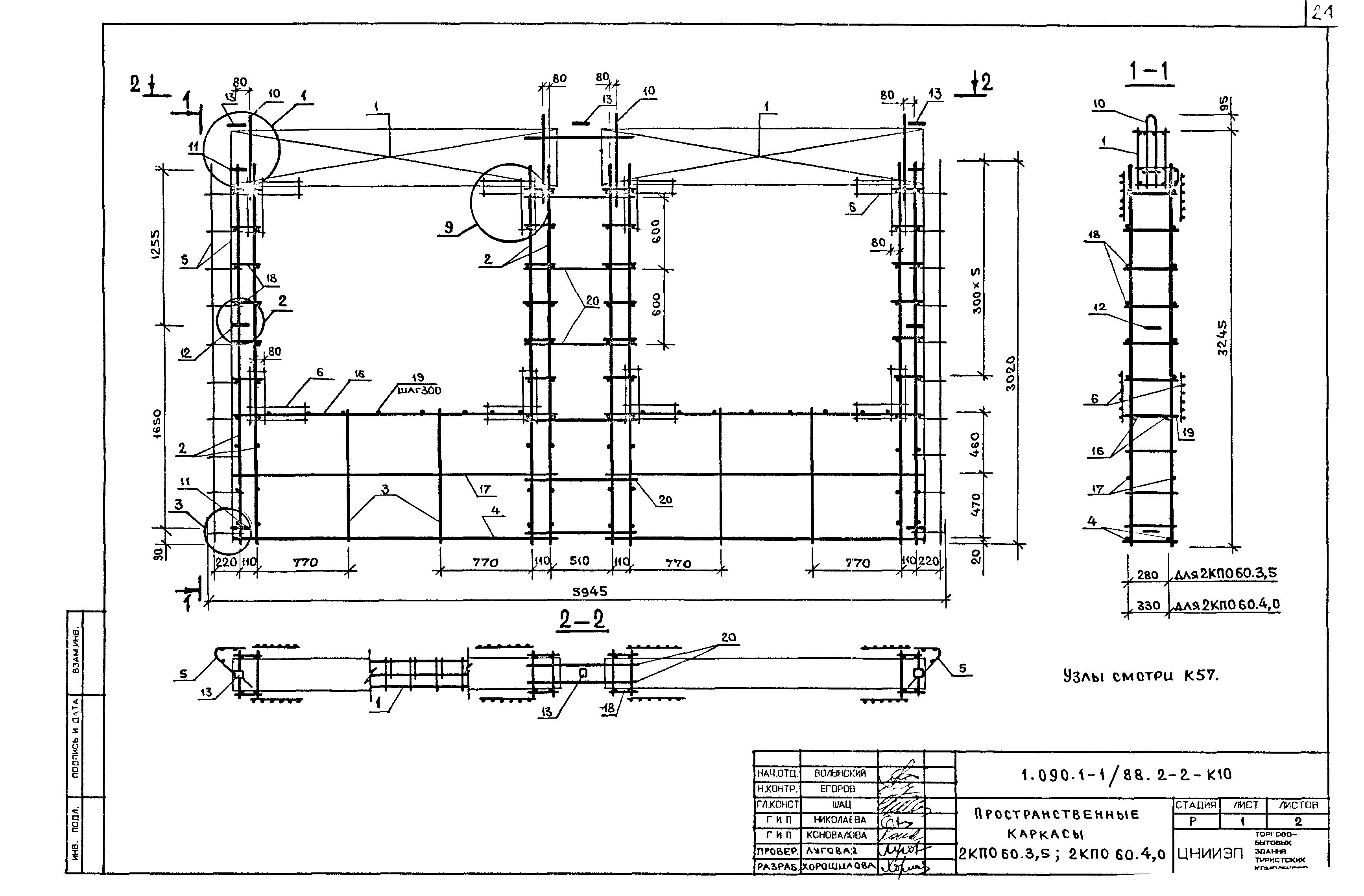
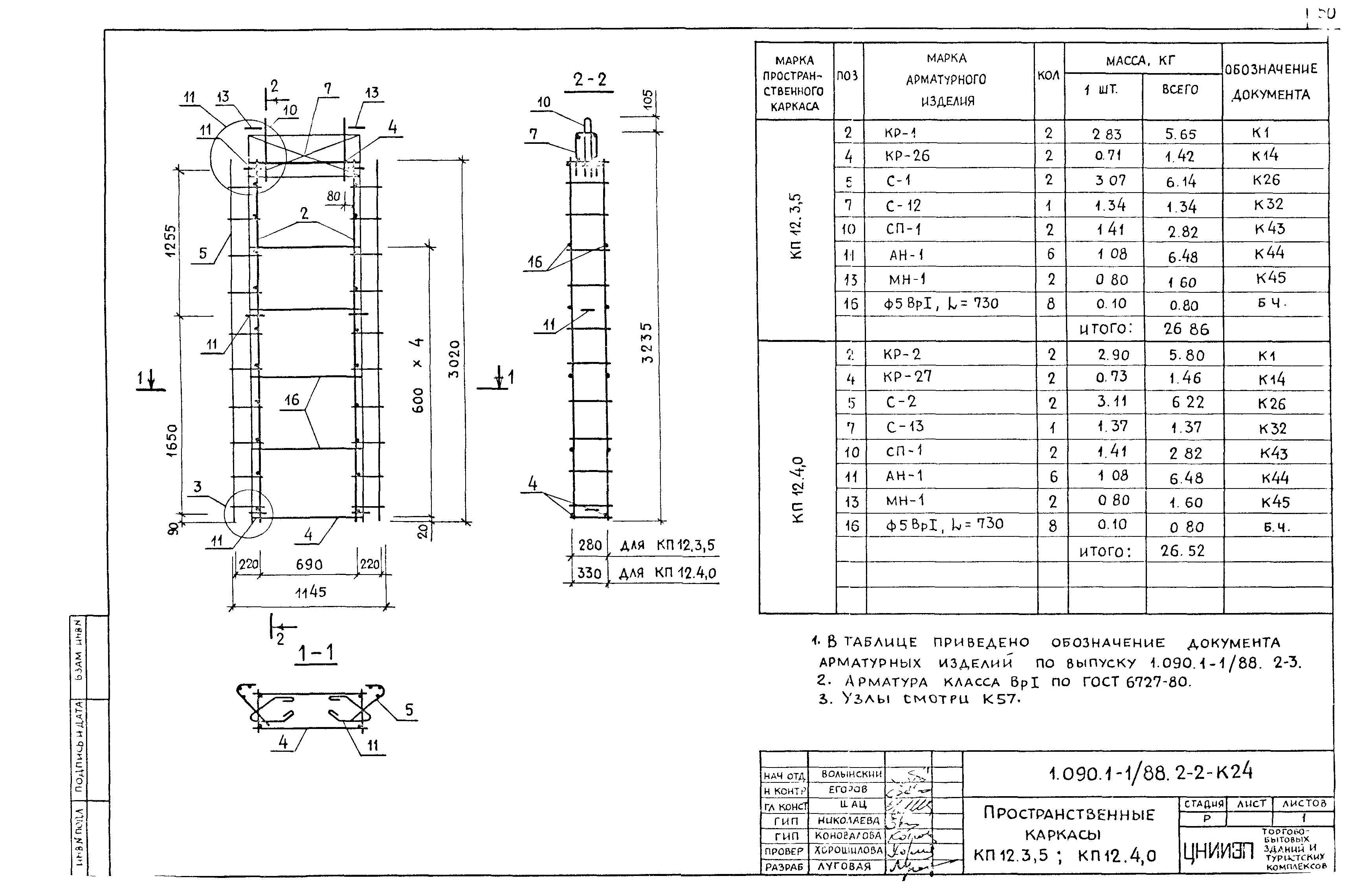
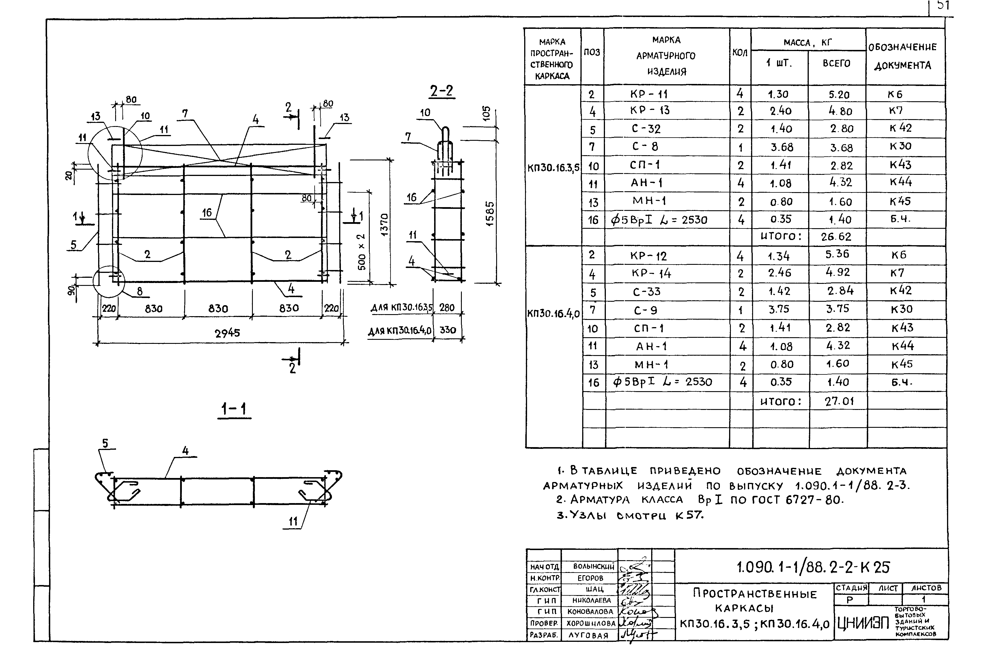
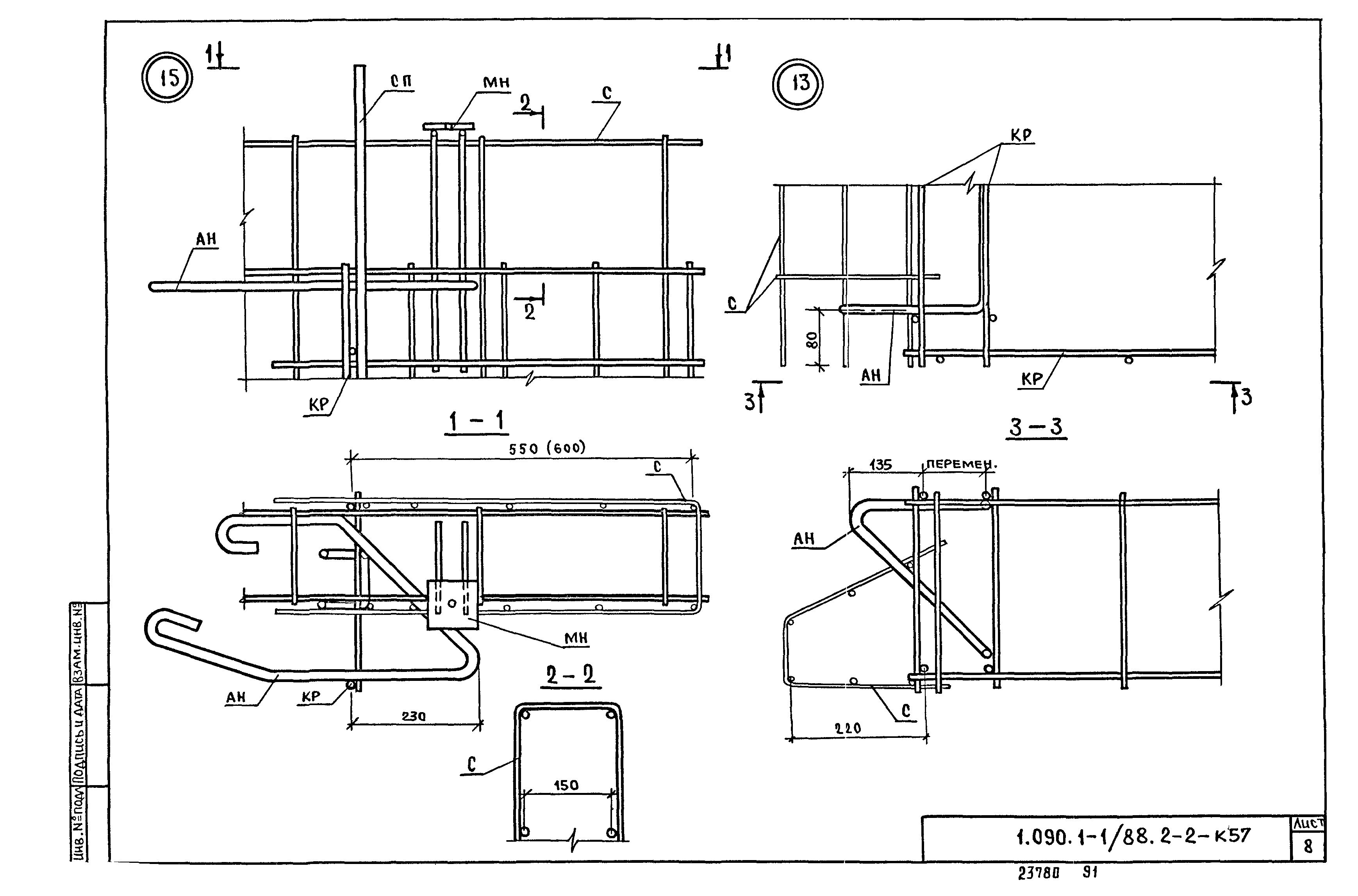
| Оглавление: | 1.090.1-1/88.2-2-ТТ Технические требования 1.090.1-1/88.2-2-К1 Пространственные каркасы 2КПО30.3,5;2КПО30.4,0 1.090.1-1/88.2-2-К2 Пространственные каркасы 3КПО30.3,5;3КПО30.4,0 1.090.1-1/88.2-2-К3 Пространственные каркасы 7КПО30.3,5;7КПО30.4,0 1.090.1-1/88.2-2-К4 Пространственные каркасы 8КПО30.3,5;8КПО30.4,0 1.090.1-1/88.2-2-К5 Пространственные каркасы 9КПО30.3,5;9КПО30.4,0 1.090.1-1/88.2-2-К6 Пространственные каркасы 10КПО30.3,5;10КПО30.4,0 1.090.1-1/88.2-2-К7 Пространственные каркасы 2КПО28.3,5;2КПО30.4,0 1.090.1-1/88.2-2-К8 Пространственные каркасы 3КПО29.3,5;3КПО29.4,0 1.090.1-1/88.2-2-К9 Пространственные каркасы 4КПО29.3,5;4КПО29.4,0 1.090.1-1/88.2-2-К10 Пространственные каркасы 2КПО60.3,5;2КПО60.4,0 1.090.1-1/88.2-2-К11 Пространственные каркасы КПЛ30.3,5;КПЛ30.4,0 1.090.1-1/88.2-2-К12 Пространственные каркасы КПЛ28.3,5;КПЛ28.4,0 1.090.1-1/88.2-2-К13 Пространственные каркасы 1КПЛ29.3,5;1КПЛ29.4,0 1.090.1-1/88.2-2-К14 Пространственные каркасы 2КПЛ29.3,5;2КПЛ29.4,0 1.090.1-1/88.2-2-К15 Пространственные каркасы 3КПД30.3,5;3КПД30.4,0 1.090.1-1/88.2-2-К16 Пространственные каркасы 4КПД30.3,5;4КПД30.4,0 1.090.1-1/88.2-2-К17 Пространственные каркасы 5КПД29.3,5;5КПД29.4,0 1.090.1-1/88.2-2-К18 Пространственные каркасы 6КПД30.3,5;6КПД30.4,0 1.090.1-1/88.2-2-К19 Пространственные каркасы 1КПД28.3,5;1КПД28.4,0 1.090.1-1/88.2-2-К20 Пространственные каркасы 1КПД29.3,5;1КПД29.4,0 1.090.1-1/88.2-2-К21 Пространственные каркасы 2КПД29.3,5;2КПД29.4,0 1.090.1-1/88.2-2-К22 Пространственные каркасы КП30.3,5;КП30.4,0 1.090.1-1/88.2-2-К23 Пространственные каркасы КП18.3,5;КП18.4,0 1.090.1-1/88.2-2-К24 Пространственные каркасы КП12.3,5;КП12.4,0 1.090.1-1/88.2-2-К25 Пространственные каркасы КП30.16.3,5;КП30.16.4,0 1.090.1-1/88.2-2-К26 Пространственные каркасы 1КП33.3,5;1КП33.4,0 1.090.1-1/88.2-2-К27 Пространственные каркасы 2КП33.3,5;2КП33.4,0 1.090.1-1/88.2-2-К28 Пространственные каркасы 1КП21.3,5;1КП21.4,0 1.090.1-1/88.2-2-К29 Пространственные каркасы 2КП21.3,5;2КП21.4,0 1.090.1-1/88.2-2-К30 Пространственные каркасы 1КП15.3,5;2КП15.4,0 1.090.1-1/88.2-2-К31 Пространственные каркасы 2КП15.3,5;2КП15.4,0 1.090.1-1/88.2-2-К32 Пространственные каркасы 1КП14.3,5;1КП14.4,0 1.090.1-1/88.2-2-К33 Пространственные каркасы 2КП14.3,5;2КП14.4,0 1.090.1-1/88.2-2-К34 Пространственные каркасы 1КП29.3,5;1КП29.4,0 1.090.1-1/88.2-2-К35 Пространственные каркасы 2КП29.3,5;2КП29.4,0 1.090.1-1/88.2-2-К36 Пространственные каркасы 1КП17.3,5;1КП17.4,0 1.090.1-1/88.2-2-К37 Пространственные каркасы 2КП17.3,5;2КП17.4,0 1.090.1-1/88.2-2-К38 Пространственные каркасы 1КП11.3,5;1КП11.4,0 1.090.1-1/88.2-2-К39 Пространственные каркасы 2КП11.3,5;2КП11.4,0 1.090.1-1/88.2-2-К40 Пространственные каркасы 2КП28.3,5;2КП28.4,0 1.090.1-1/88.2-2-К41 Пространственные каркасы КП28.16.3,5;КП28.16.4,0 1.090.1-1/88.2-2-К42 Пространственные каркасы 1КП29.16.3,5;1КП29.16.4,0 1.090.1-1/88.2-2-К43 Пространственные каркасы 2КП29.16.3,5;2КП29.16.4,0 1.090.1-1/88.2-2-К44 Пространственные каркасы перемычек КПП-1÷КПП-4 1.090.1-1/88.2-2-К45 Пространственные каркасы перемычек КПП-5,КПП-6 1.090.1-1/88.2-2-К46 Пространственные каркасы перемычек КПП-7,КПП-8 1.090.1-1/88.2-2-К47 Пространственные каркасы перемычек КПП-9т,КПП-10т 1.090.1-1/88.2-2-К48 Пространственные каркасы перемычек КПП-9н,КПП-10н 1.090.1-1/88.2-2-К49 Пространственные каркасы КПП60.10.2,4;КПП60.10.2,9 1.090.1-1/88.2-2-К50 Пространственные каркасы КПП30.10.2,4;КПП30.10.2,9 1.090.1-1/88.2-2-К51 Пространственные каркасы КПП27.10.2,4;КПП27.10.2,9 1.090.1-1/88.2-2-К52 Пространственные каркасы КПП18.10.2,4;КПП18.10.2,9 1.090.1-1/88.2-2-К53 Пространственные каркасы КПП12.10.2,4;КПП12.10.2,9 1.090.1-1/88.2-2-К54 Пространственные каркасы КПП33.10.2,4;КПП33.10.2,9 1.090.1-1/88.2-2-К55 Пространственные каркасы КПП21.10.2,4;КПП21.10.2,9 1.090.1-1/88.2-2-К56 Пространственные каркасы КПП15.10.2,4;КПП15.10.2,9 1.090.1-1/88.2-2-К57 Узлы |
| Разработан: | ЦНИИЭП торгово-бытовых зданий и туристских комплексов |
| Утверждён: | 28.03.1989 Госстрой СССР (Государственный комитет Совета Министров СССР по делам строительства) (USSR Gosstroy АЧ-14) |
| Издан: | ЦИТП Госстроя СССР (CITP, Gosstroy (USSR) 1989 г. ) |
| Расположен в: |





























































































