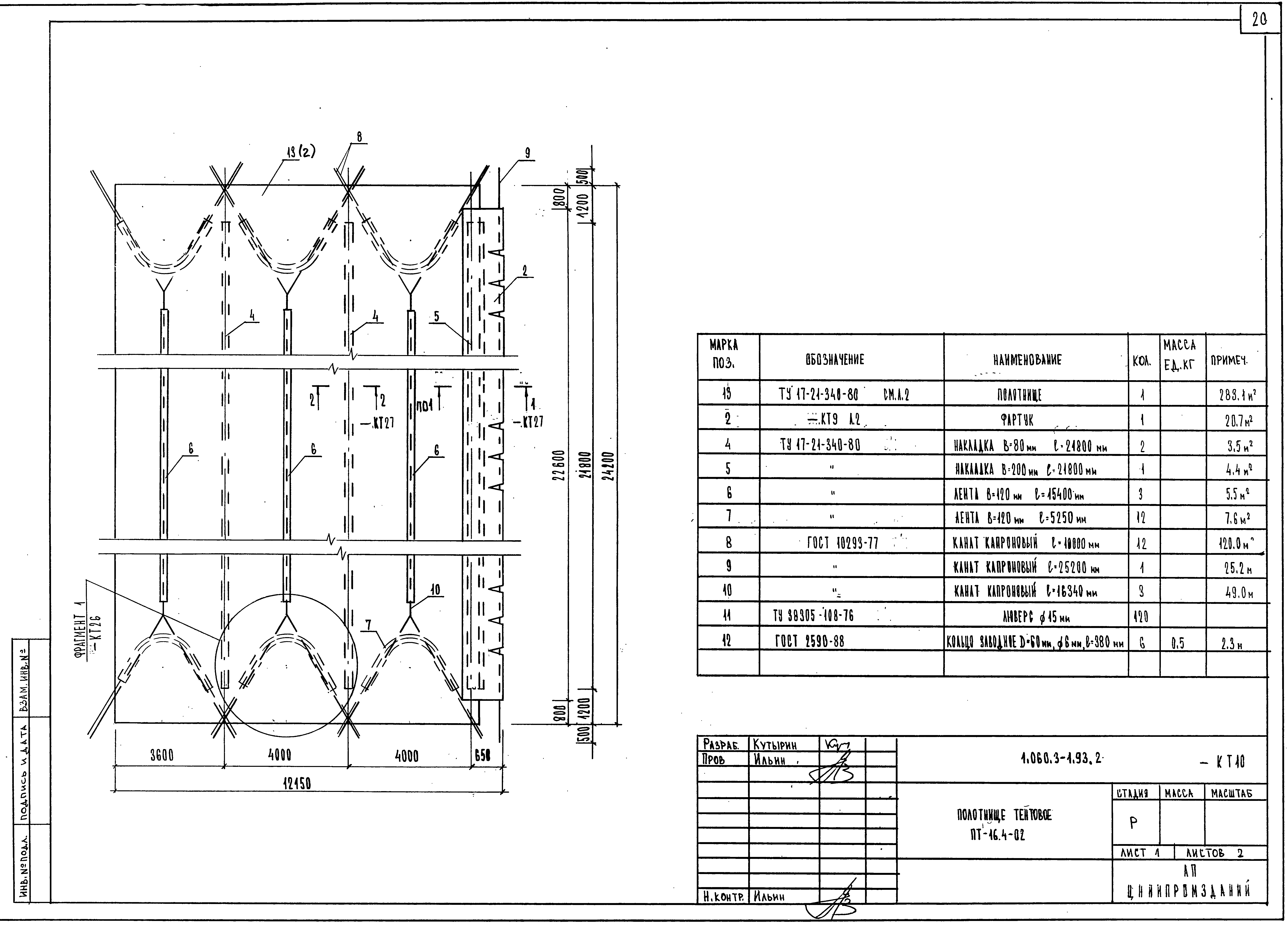
Скачать Серия 1.060.3-1.93 Выпуск 2. Элементы тентового покрытия. Рабочие чертежиДата актуализации: 10.08.2017 Серия 1.060.3-1.93
Выпуск 2. Элементы тентового покрытия. Рабочие чертежи| Обозначение: | Серия 1.060.3-1.93 | | Обозначение англ: | Series 1.060.3-1.93 | | Статус: | не определен законодательством | | Название рус.: | Выпуск 2. Элементы тентового покрытия. Рабочие чертежи | | Дата добавления в базу: | 01.09.2013 | | Дата актуализации: | 05.05.2017 | | Дата введения: | 01.01.1994 | | Разработан: | АО ЦНИИпромзданий
| | Утверждён: | 16.11.1993 Главпроект Госстроя России (9-3-2/241)
| | Расположен в: |
|
                                               
|