| ||||||||||||||||||||||||||
Скачать Серия 1.426.2-7 Выпуск 6. Узлы крепления рельсов к подкрановым балкам и стыки рельсов. Чертежи КМДата актуализации: 10.08.2017
|
| Обозначение: | Серия 1.426.2-7 |
| Обозначение англ: | Series 1.426.2-7 |
| Статус: | действует |
| Название рус.: | Выпуск 6. Узлы крепления рельсов к подкрановым балкам и стыки рельсов. Чертежи КМ |
| Дата добавления в базу: | 01.09.2013 |
| Дата актуализации: | 05.05.2017 |
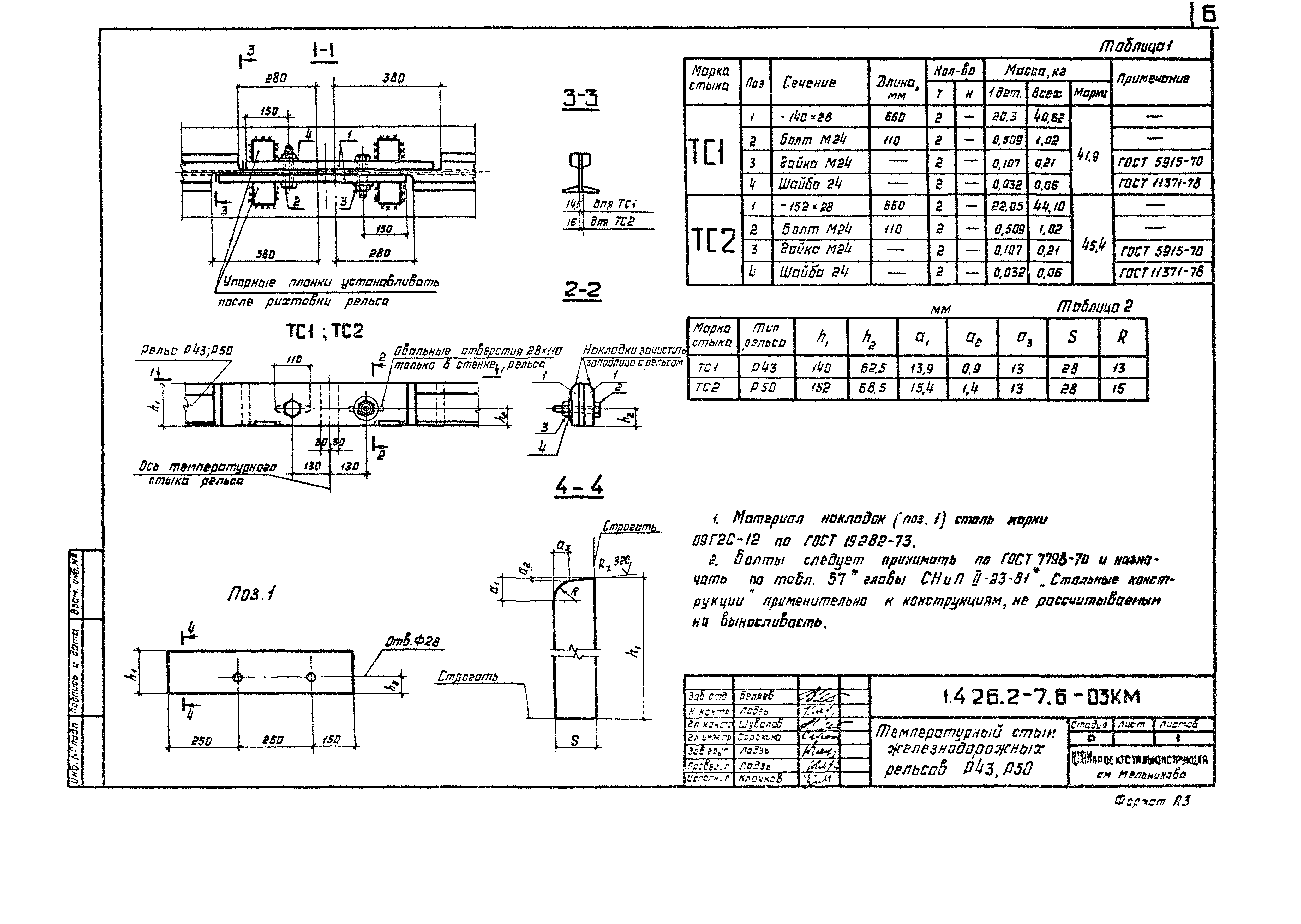
| Оглавление: | 1.426.2-7.6-00ПЗКМ Пояснительная записка 1.426.2-7.6-01КМ Крепление железнодорожных рельсов Р43,Р50 к стальным подкрановым балкам 1.426.2-7.6-02КМ Крепление кранового рельса КР140 к стальным подкрановым балкам 1.426.2-7.6-03КМ Температурный стык железнодорожных рельсов Р43,Р50 1.426.2-7.6-04КМ Температурный стык крановых рельсов КР70,КР80,КР100,КР120,КР140 1.426.2-7.6-05КМ Рядовой стык железнодорожных рельсов Р43,Р50 1.426.2-7.6-06КМ Рядовой стык крановых рельсов КР70,КР80,КР120,КР140 1.426.2-7.6-07КМ Рекомендации по электродуговой сварке стыков рельсов в съемных формах 1.426.2-7.6-08КМ Боковые полуформы для сварки головки и шейки рельсов КР70,КР80 1.426.2-7.6-09КМ Боковые полуформы для сварки головки и шейки рельсов КР100,КР120 1.426.2-7.6-10КМ Боковые полуформы для сварки головки и шейки рельса КР140 1.426.2-7.6-11КМ Полуформы для сварки подошвы крановых рельсов 1.426.2-7.6-12КМ Верхние ограничители для сварки крановых рельсов 1.426.2-7.6-13КМ Боковая полуформа, полуформа для сварки подошвы и верхние ограничители для сварки железнодорожного рельса Р43 1.426.2-7.6-14КМ Боковая полуформа, полуформа для сварки подошвы и верхние ограничители для сварки железнодорожного рельса Р50 |
| Разработан: | ЦНИИПСК им. Мельникова ФГУП Уралтиппроект |
| Утверждён: | 01.11.1989 ЦНИИпроектстальконструкция (TsNIIprojectstalkonstruktsiya ) |
| Расположен в: | |
| Заменяет собой: |




















