| ||||||||||||||||||||||||||
Скачать РС1-1725 Панели внутренних стен цоколя. Рабочие чертежиДата актуализации: 10.08.2017
|
| Обозначение: | РС1-1725 |
| Обозначение англ: | РС1-1725 |
| Статус: | не определен законодательством |
| Название рус.: | Панели внутренних стен цоколя. Рабочие чертежи |
| Дата добавления в базу: | 01.09.2013 |
| Дата актуализации: | 05.05.2017 |
| Дата введения: | 01.01.1997 |
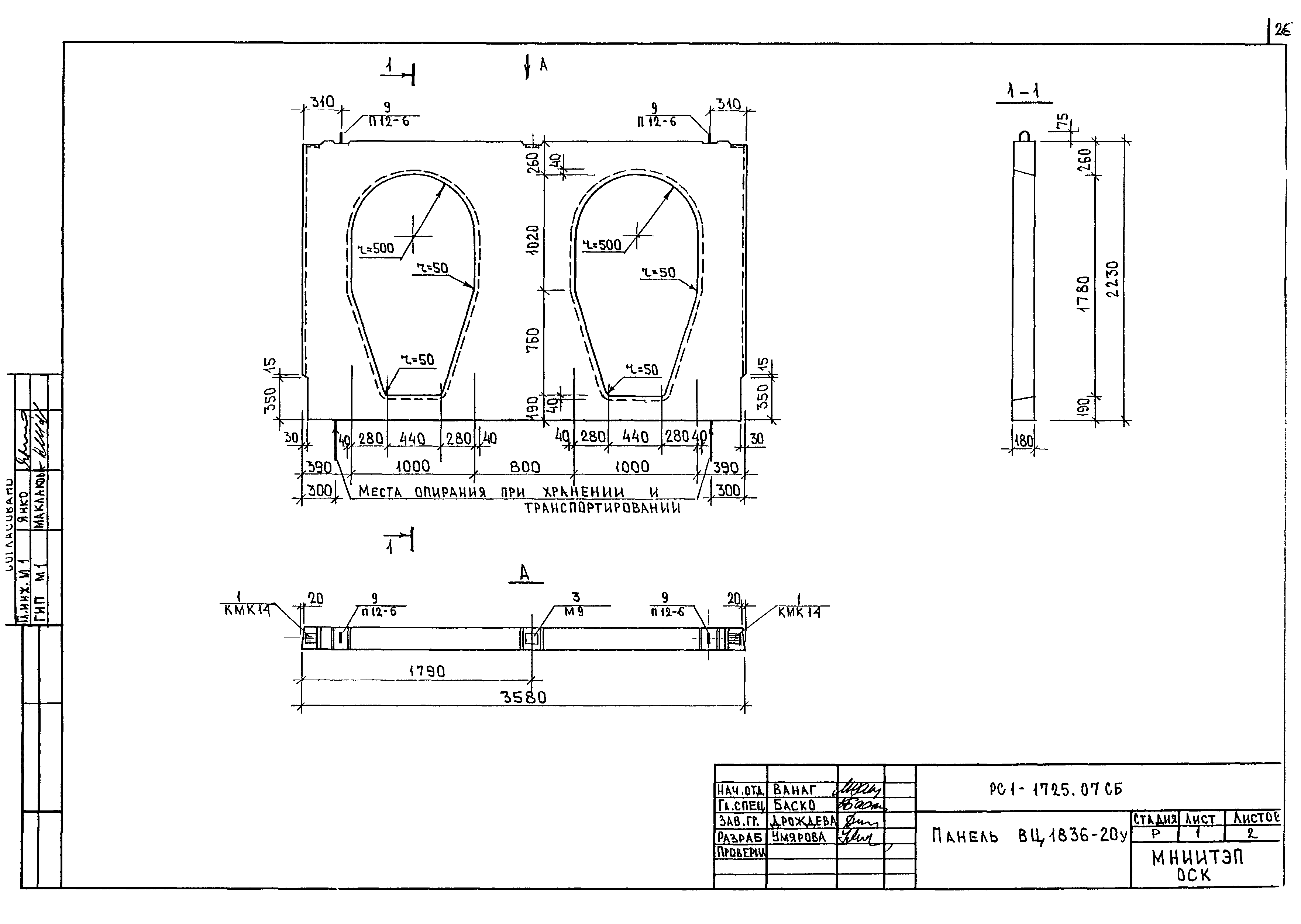
| Оглавление: | РС1-1725.ПЗ Пояснительная записка РС1-1725.НИ Номенклатура изделий РС1-1725.РС Ведомость расхода стали в кг РС1-1725.01 СБ Панель ВЦ1855-20У. Сборочный чертеж РС1-1725.02 СБ Панель ВЦ1843-20У. Сборочный чертеж РС1-1725.03 СБ Панель ВЦ1852-20У. Сборочный чертеж РС1-1725.04 СБ Панель ВЦ1841-20У. Сборочный чертеж РС1-1725.05 СБ Панель ВЦ1835-20У. Сборочный чертеж РС1-1725.06 СБ Панель ВЦ1818-20У. Сборочный чертеж РС1-1725.07 СБ Панель ВЦ1836-20У. Сборочный чертеж РС1-1725.ОК СБ Объемные каркасы. Сборочный чертеж РС1-1725.ГК СБ Гнутые каркасы. Сборочный чертеж РС1-1725.К СБ Каркасы плоские. Сборочный чертеж РС1-1725.ЗД СБ Закладные детали. Сборочный чертеж РС1-1725 Информационная карта |
| Разработан: | МНИИТЭП |
| Утверждён: | 01.01.1997 МНИИТЭП (MNIITEP ) |
| Расположен в: |






























