Информационная система
«Ёшкин Кот»

Скачать базу одним архивом
Скачать обновления
История создания базы
Карта сайта

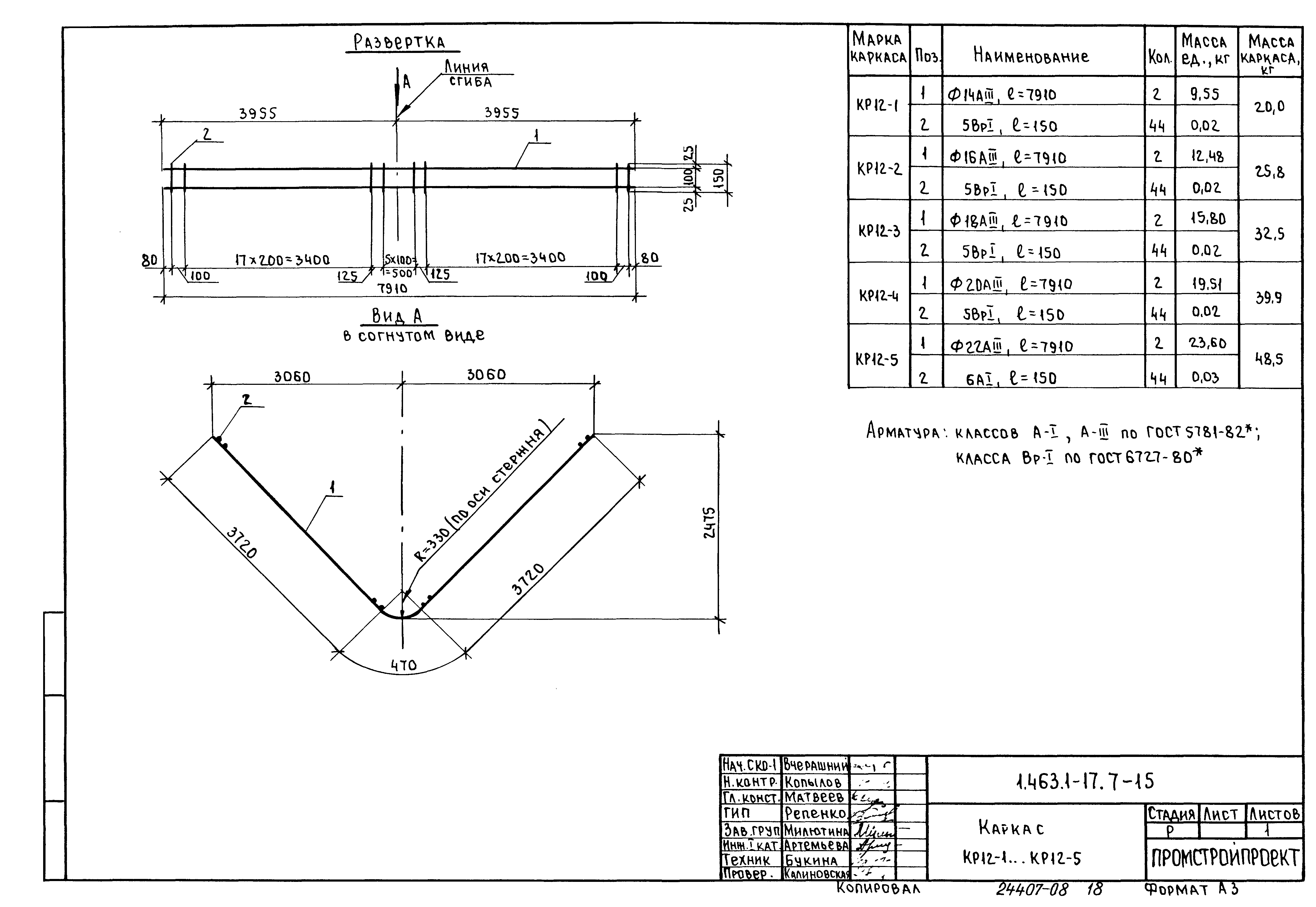
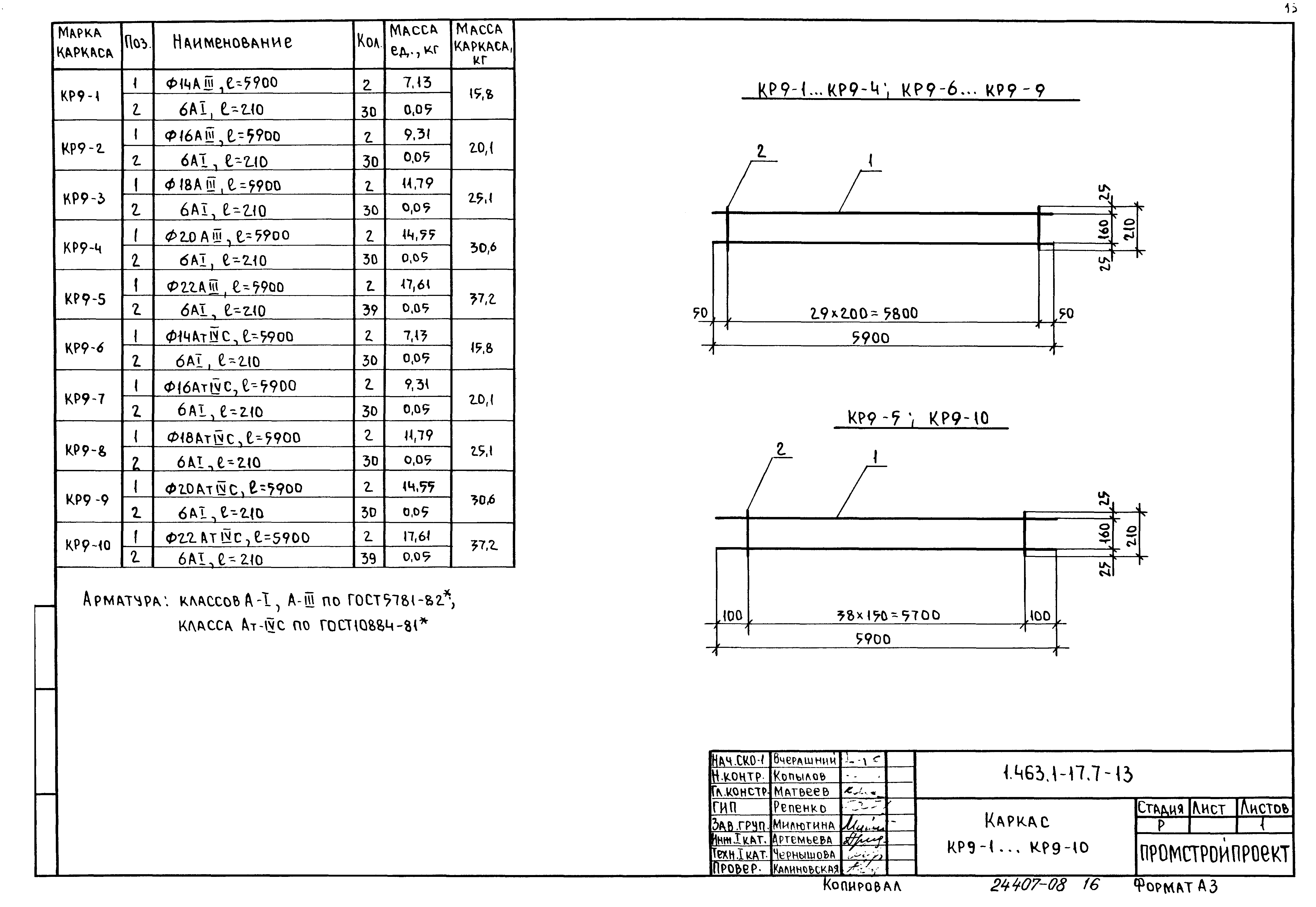
Скачать Серия 1.463.1-17 Выпуск 7. Фермы пролетами 18 и 24 м типоразмера 1. Арматурные изделия. Рабочие чертежи

Дата актуализации: 10.08.2017

Серия 1.463.1-17

Выпуск 7. Фермы пролетами 18 и 24 м типоразмера 1. Арматурные изделия. Рабочие чертежи

Обозначение: Серия 1.463.1-17
Обозначение англ: Series 1.463.1-17
Статус:не определен законодательством
Название рус.:Выпуск 7. Фермы пролетами 18 и 24 м типоразмера 1. Арматурные изделия. Рабочие чертежи
Дата добавления в базу:01.09.2013
Дата актуализации:05.05.2017
Дата введения:01.08.1990
Разработан: НИИСК
НИИЖБ
ГПИ Промстройпроект
Утверждён:18.12.1989 Главоргпроект Госстроя СССР (4/5-1546)
Издан: ЦИТП Госстроя СССР (CITP, Gosstroy (USSR) 1990 г. )
Расположен в:Техническая документация Строительство Справочные документы Типовые строительные конструкции, изделия и узлы Общероссийский строительный каталог Строительные конструкции, изделия и узлы зданий и сооружений для всех видов строительства Конструкции, изделия и узлы зданий Несущие конструкции одноэтажных зданий Стропильные и подстропильные конструкции Фермы Железобетонные
Серия 1.463.1-17Серия 1.463.1-17Серия 1.463.1-17Серия 1.463.1-17Серия 1.463.1-17Серия 1.463.1-17Серия 1.463.1-17Серия 1.463.1-17Серия 1.463.1-17Серия 1.463.1-17Серия 1.463.1-17Серия 1.463.1-17Серия 1.463.1-17Серия 1.463.1-17Серия 1.463.1-17Серия 1.463.1-17Серия 1.463.1-17Серия 1.463.1-17Серия 1.463.1-17Серия 1.463.1-17Серия 1.463.1-17Серия 1.463.1-17Серия 1.463.1-17Серия 1.463.1-17Серия 1.463.1-17Серия 1.463.1-17Серия 1.463.1-17Серия 1.463.1-17Серия 1.463.1-17

© 2013 Ёшкин Кот :-) Карта сайта