Скачать Серия 1.849.1-5.93 Выпуск 1. Балки пролетом 7,5 м. Рабочие чертежиДата актуализации: 10.08.2017 Серия 1.849.1-5.93
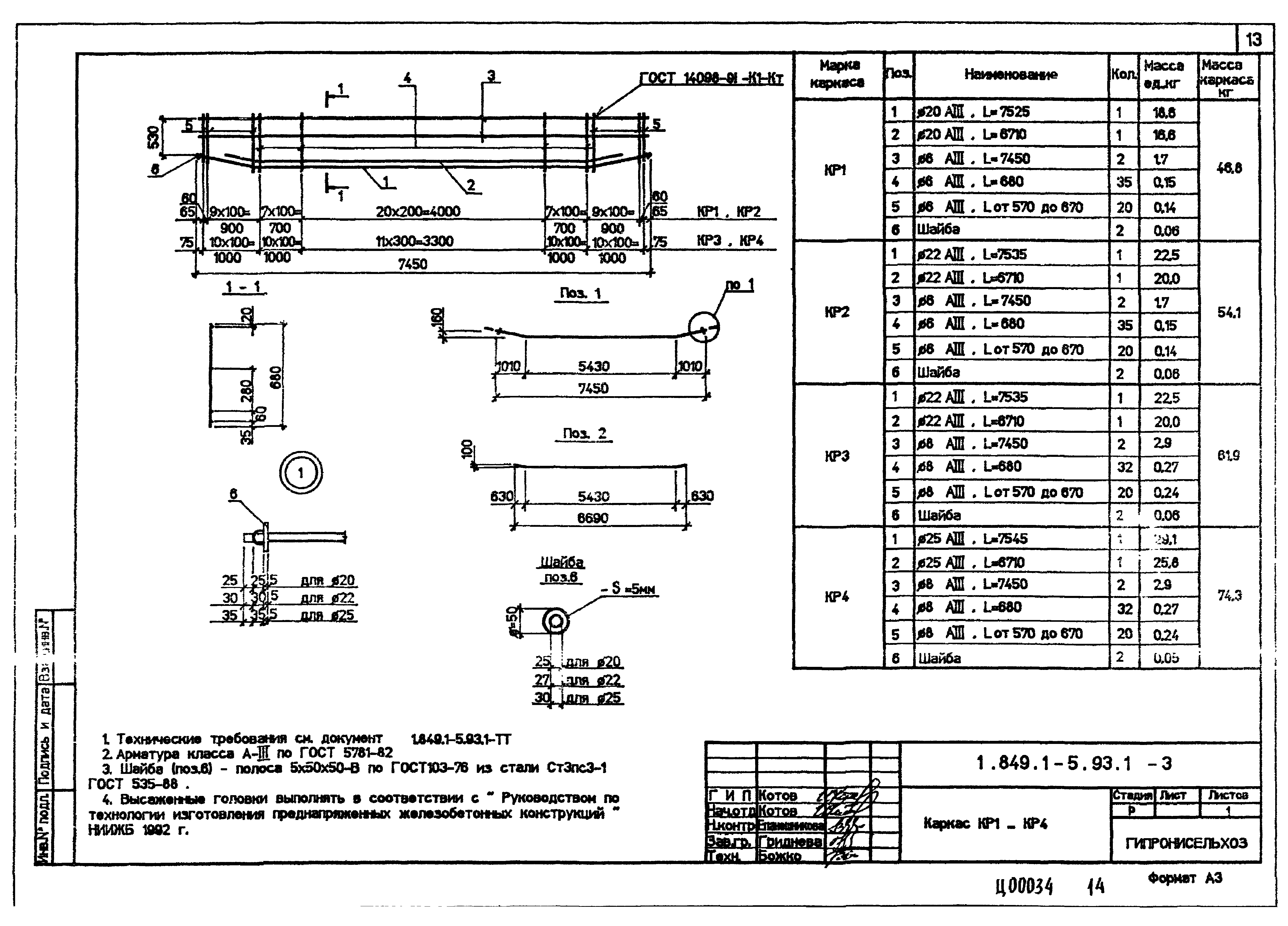
Выпуск 1. Балки пролетом 7,5 м. Рабочие чертежиОбозначение: | Серия 1.849.1-5.93 | Обозначение англ: | Series 1.849.1-5.93 | Статус: | не определен законодательством | Название рус.: | Выпуск 1. Балки пролетом 7,5 м. Рабочие чертежи | Дата добавления в базу: | 01.09.2013 | Дата актуализации: | 05.05.2017 | Дата введения: | 01.06.1993 | Оглавление: | 1.849.1-5.93.1-ПЗ Пояснительная записка 1.849.1-5.93.1-ТТ Технические требования 1.849.1-5.93.1-НИ Номенклатура балок 1.849.1-5.93.1-СМ1 Схема контрольных испытаний 1.849.1-5.93.1-СМ2 Схемы зданий. Узлы 1.849.1-5.93.1-ФЧ Балка 1БПС и 2БПС. Чертеж формы 1.849.1-5.93.1-1 Балка 1БПС и 2БПС 1.849.1-5.93.1-2 Каркас КП1, КП2, КП3 1.849.1-5.93.1-3 Каркас КР1 - КР4 1.849.1-5.93.1-4 Каркас КР5 1.849.1-5.93.1-5 Каркас КР6, КР7 1.849.1-5.93.1-6 Изделие закладное МН1, МН2 1.849.1-5.93.1-7 Изделие закладное МН3 1.849.1-5.93.1-8 Петля П1 1.849.1-5.93.1-РС Ведомость расхода стали | Разработан: | ГипроНИсельхоз (Институт Гипронисельхоз )
| Утверждён: | 31.12.1992 Минстрой России (Russian Federation Minstroy 9-1/430)
| Расположен в: |
|
               
|