Информационная система
«Ёшкин Кот»

Скачать базу одним архивом
Скачать обновления
История создания базы
Карта сайта

Скачать Серия 1.462.1-23 Выпуск 2. Арматурные и закладные изделия. Рабочие чертежи

Дата актуализации: 10.08.2017

Серия 1.462.1-23

Выпуск 2. Арматурные и закладные изделия. Рабочие чертежи

Обозначение: Серия 1.462.1-23
Обозначение англ: Series 1.462.1-23
Статус:не определен законодательством
Название рус.:Выпуск 2. Арматурные и закладные изделия. Рабочие чертежи
Дата добавления в базу:01.09.2013
Дата актуализации:05.05.2017
Дата введения:01.01.1992
Оглавление:1.462.1-23.2-1ТТ Технические требования
1.462.1-23.2-2 Каркас КР1-1…КР1-5
1.462.1-23.2-3 Каркас КР2-1…КР2-5
1.462.1-23.2-4 Каркас КР3-1…КР3-3
1.462.1-23.2-5 Каркас КР3-4…КР3-7
1.462.1-23.2-6 Каркас КР3-8…КР3-12
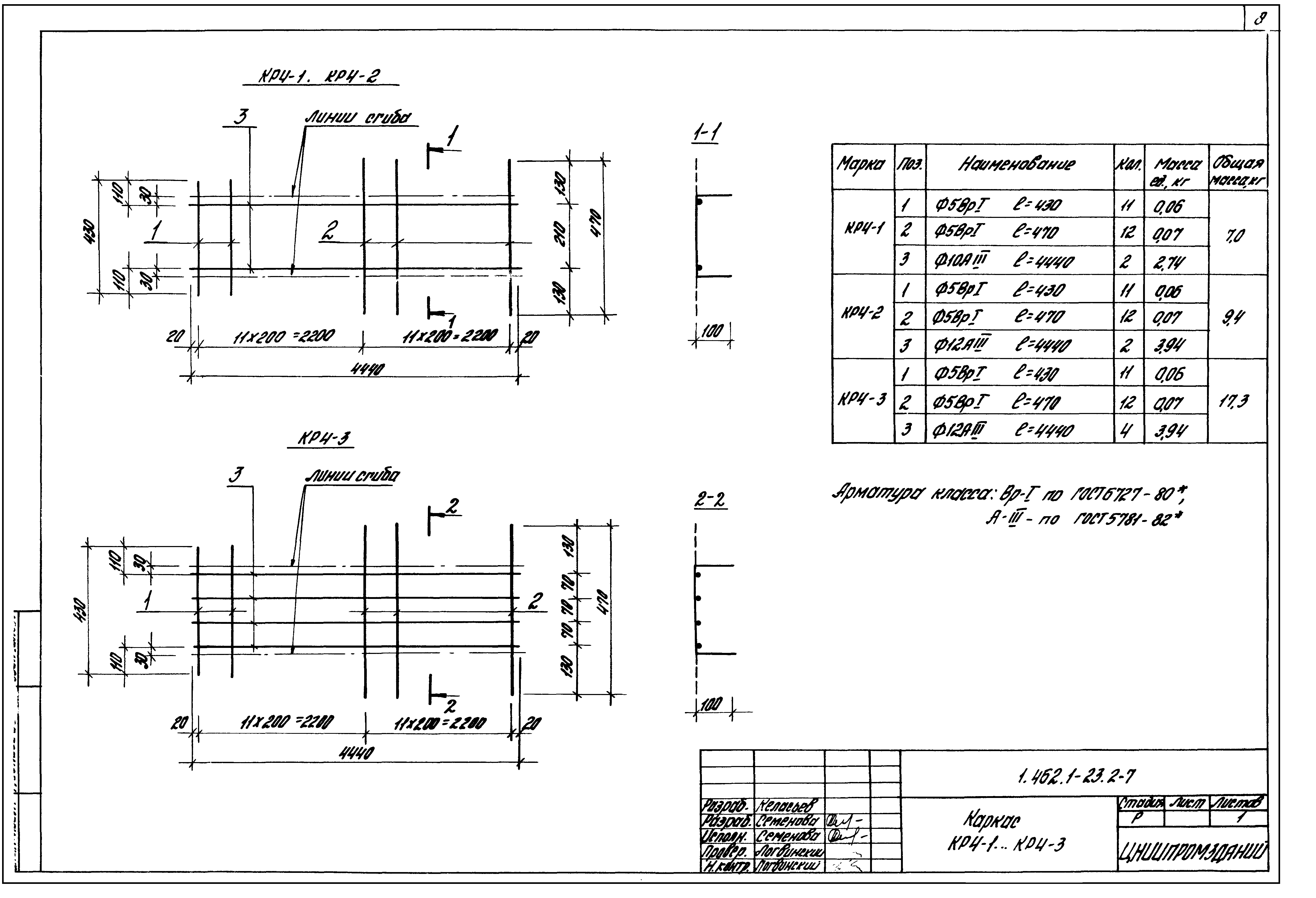
1.462.1-23.2-7 Каркас КР4-1…КР4-3
1.462.1-23.2-8 Каркас КР4-4…КР4-7
1.462.1-23.2-9 Каркас КР4-8…КР4-12
1.462.1-23.2-10 Каркас КР5-1…КР5-3
1.462.1-23.2-11 Каркас КР6-1, КР6-2
1.462.1-23.2-12 Каркас КР7-1, КР8-1
1.462.1-23.2-13 Каркас КР9-1
1.462.1-23.2-14 Стержень гнутый СТ1-1…СТ1-4
1.462.1-23.2-15 Изделие закладное МН1-1…МН1-5
1.462.1-23.2-16 Изделие закладное МН2-1…МН2-2
1.462.1-23.2-17 Изделие закладное МН3-1, МН3-2
1.462.1-23.2-18 Изделие закладное МН4-1
1.462.1-23.2-19 Изделие закладное МН5-1
1.462.1-23.2-20 Изделие закладное МН6-1, МН6-2
Разработан: АО ЦНИИпромзданий
Утверждён:15.06.1990 Главпроект Госстроя СССР
Издан: АПП ЦИТП (1991 г. )
Расположен в:Техническая документация Строительство Справочные документы Типовые строительные конструкции, изделия и узлы Общероссийский строительный каталог Строительные конструкции, изделия и узлы зданий и сооружений для всех видов строительства Конструкции, изделия и узлы зданий Несущие конструкции одноэтажных зданий Стропильные и подстропильные конструкции Балки Железобетонные
Серия 1.462.1-23Серия 1.462.1-23Серия 1.462.1-23Серия 1.462.1-23Серия 1.462.1-23Серия 1.462.1-23Серия 1.462.1-23Серия 1.462.1-23Серия 1.462.1-23Серия 1.462.1-23Серия 1.462.1-23Серия 1.462.1-23Серия 1.462.1-23Серия 1.462.1-23Серия 1.462.1-23Серия 1.462.1-23Серия 1.462.1-23Серия 1.462.1-23

© 2013 Ёшкин Кот :-) Карта сайта