Скачать Серия 1.424.3-7 Выпуск 2. Колонны для зданий высотой 8,4 и 9,6 м с мостовыми электрическими кранами общего назначения грузоподъемностью до 20 т. Чертежи КМДата актуализации: 10.08.2017 Серия 1.424.3-7
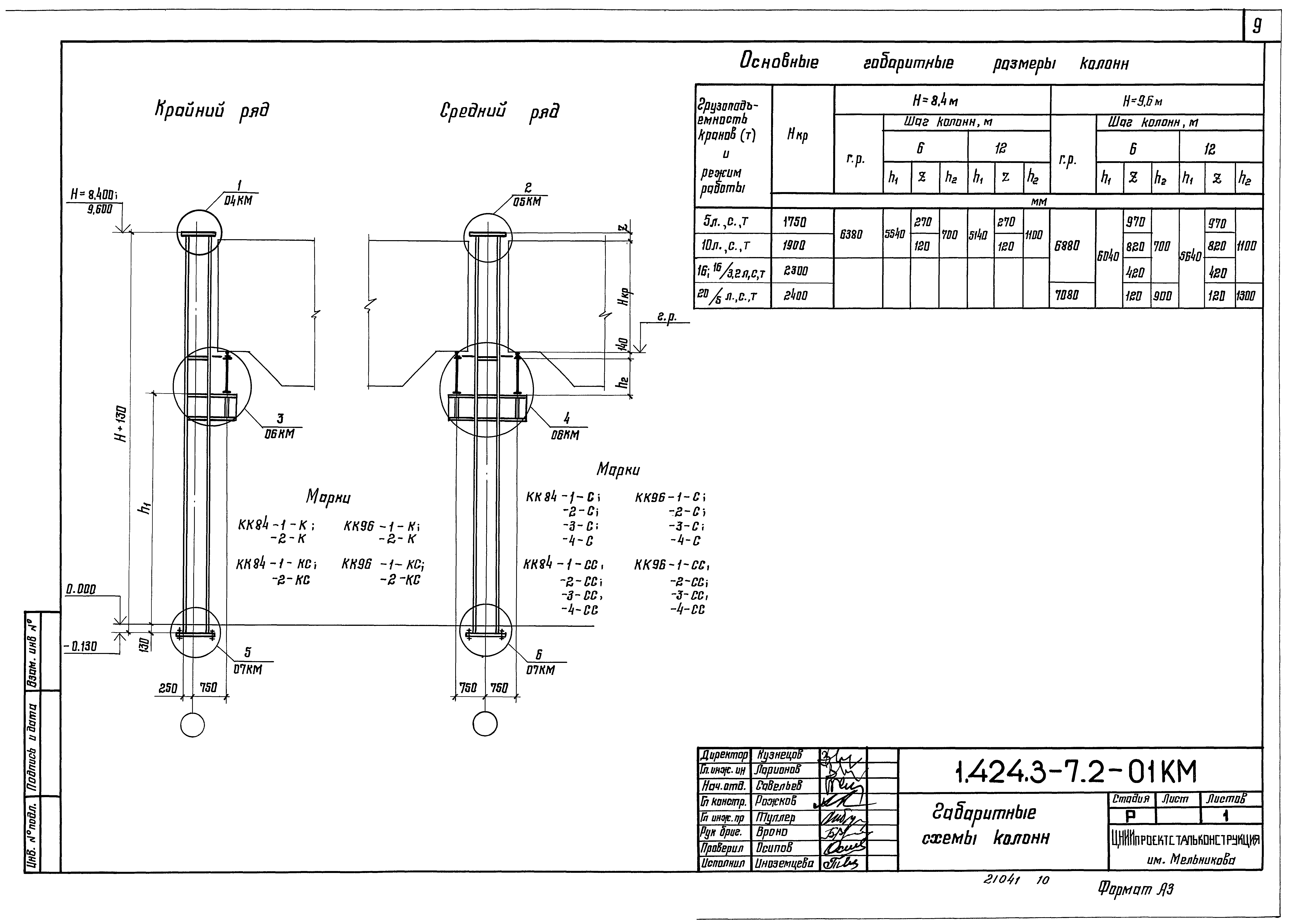
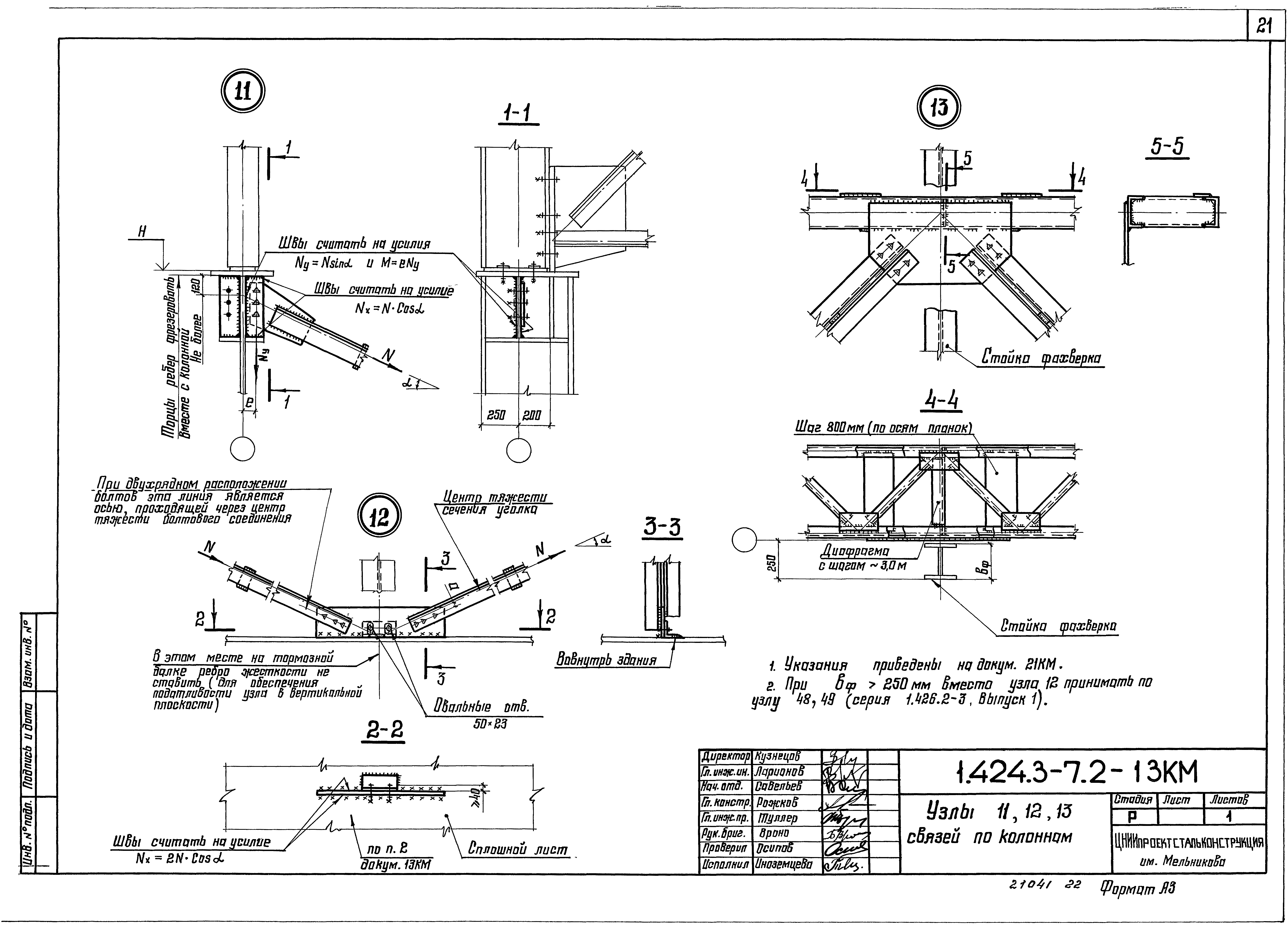
Выпуск 2. Колонны для зданий высотой 8,4 и 9,6 м с мостовыми электрическими кранами общего назначения грузоподъемностью до 20 т. Чертежи КМОбозначение: | Серия 1.424.3-7 | Обозначение англ: | Series 1.424.3-7 | Статус: | не определен законодательством | Название рус.: | Выпуск 2. Колонны для зданий высотой 8,4 и 9,6 м с мостовыми электрическими кранами общего назначения грузоподъемностью до 20 т. Чертежи КМ | Дата добавления в базу: | 01.09.2013 | Дата актуализации: | 05.05.2017 | Дата введения: | 01.04.1986 | Оглавление: | 1.424.3-7.2-00ПЗКМ Пояснительная записка 1.424.3-7.2-01КМ Габаритные схемы колонн 1.424.3-7.2-02КМ Таблицы для выбора марок колонн КК84- 1.424.3-7.2-03КМ Таблицы для выбора марок колонн КК96- 1.424.3-7.2-04КМ Узел 1 1.424.3-7.2-05КМ Узел 2 1.424.3-7.2-06КМ Узлы 3,4 1.424.3-7.2-07КМ Узлы 5,6 1.424.3-7.2-08КМ Размеры деталей сварных швов и массы колонн марок КК84-; КК96- 1.424.3-7.2-09КМ Схемы расположения связей по колоннам крайних рядов 1.424.3-7.2-10КМ Схема расположения связей по колоннам среднего ряда (одноплоскостные связи) 1.424.3-7.2-11КМ Схема расположения связей по колоннам среднего ряда (двухплоскостные связи) 1.424.3-7.2-12КМ Узлы 7,8,9,10 связей по колоннам 1.424.3-7.2-13КМ Узлы 11,12,13 связей по колоннам 1.424.3-7.2-14КМ Узел 13 связей по колоннам 1.424.3-7.2-15КМ Узлы 14,15 связей по колоннам 1.424.3-7.2-16КМ Узлы 16,17,18 связей по колоннам 1.424.3-7.2-17КМ Узлы 19,20,21 связей по колоннам 1.424.3-7.2-18КМ Узлы 22,23,24 связей по колоннам 1.424.3-7.2-19КМ Сортамент надкрановых связей СК1…СК21; СК1-С…СК21-С и подкрановых связей СК22…СК31; СК22-С…СК31-С 1.424.3-7.2-20КМ Сортамент подкрановых связей СК32…СК38; СК32-С…СК38-С; горизонтальных связей СГ и распорок РС 1.424.3-7.2-21КМ Указания по схемам и узлам связей колонн 1.424.3-7.2-22КМ Спецификация стали для колонн марок КК84-; КК96- 1.424.3-7.2-23КМ Спецификация стали для связей марок СК1…СК38; СК1-С…СК38-С 1.424.3-7.2-24КМ Спецификация стали для связей марок СГ и для распорок марок РС 1.424.3-7.2-25КМ Блок фундаментных болтов | Разработан: | ЦНИИПСК им. Мельникова
| Утверждён: | 24.12.1985 Госстрой СССР (Государственный комитет Совета Министров СССР по делам строительства) (USSR Gosstroy 247)
| Расположен в: |
| Заменяет собой: | |
                                
|