Информационная система
«Ёшкин Кот»

Скачать базу одним архивом
Скачать обновления
История создания базы
Карта сайта

Скачать Серия 1.424.1-10 Выпуск 4. Стальные связи по колоннам. Рабочие чертежи

Дата актуализации: 10.08.2017

Серия 1.424.1-10

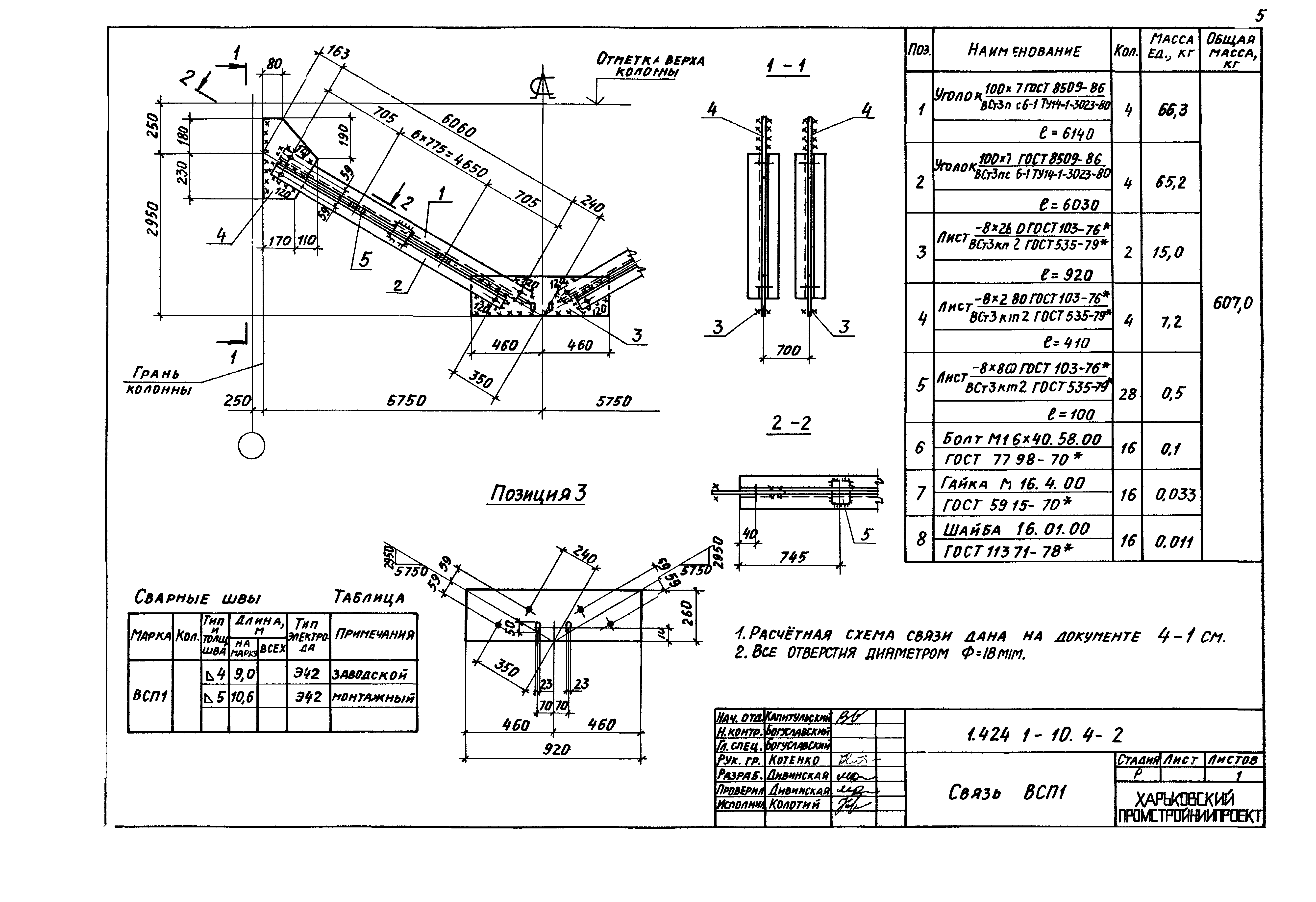
Выпуск 4. Стальные связи по колоннам. Рабочие чертежи

Обозначение: Серия 1.424.1-10
Обозначение англ: Series 1.424.1-10
Статус:не определен законодательством
Название рус.:Выпуск 4. Стальные связи по колоннам. Рабочие чертежи
Дата добавления в базу:01.09.2013
Дата актуализации:05.05.2017
Дата введения:01.01.1989
Оглавление:1.424.1-10.4-ТТ Технические требования
1.424.1-10.4-1СМ Расчетные схемы связей
1.424.1-10.4-2 Связь ВСП-1
1.424.1-10.4-3 Связь ВСП-2
1.424.1-10.4-4 Связь ВСП-3
1.424.1-10.4-5 Связь ВСП-4
1.424.1-10.4-6 Связь ВСП-5
1.424.1-10.4-7 Связь ВСП-6
1.424.1-10.4-8 Техническая спецификация металла
Разработан: Харьковский Промстройниипроект
АО ЦНИИпромзданий
НИИЖБ
Утверждён:11.07.1988 Госстрой СССР (Государственный комитет Совета Министров СССР по делам строительства) (USSR Gosstroy 6/6-1371)
Расположен в:Техническая документация Строительство Справочные документы Типовые строительные конструкции, изделия и узлы Общероссийский строительный каталог Строительные конструкции, изделия и узлы зданий и сооружений для всех видов строительства Конструкции, изделия и узлы зданий Несущие конструкции одноэтажных зданий Колонны Железобетонные
Серия 1.424.1-10Серия 1.424.1-10Серия 1.424.1-10Серия 1.424.1-10Серия 1.424.1-10Серия 1.424.1-10Серия 1.424.1-10Серия 1.424.1-10Серия 1.424.1-10Серия 1.424.1-10Серия 1.424.1-10Серия 1.424.1-10

© 2013 Ёшкин Кот :-) Карта сайта