Скачать Серия 1.424.1-5 Выпуск 3с. Арматурные изделия колонн для зданий высотой 8,4; 9,6 и 10,8 м с расчетной сейсмичностью 7, 8, 9 баллов. Рабочие чертежиДата актуализации: 10.08.2017 Серия 1.424.1-5
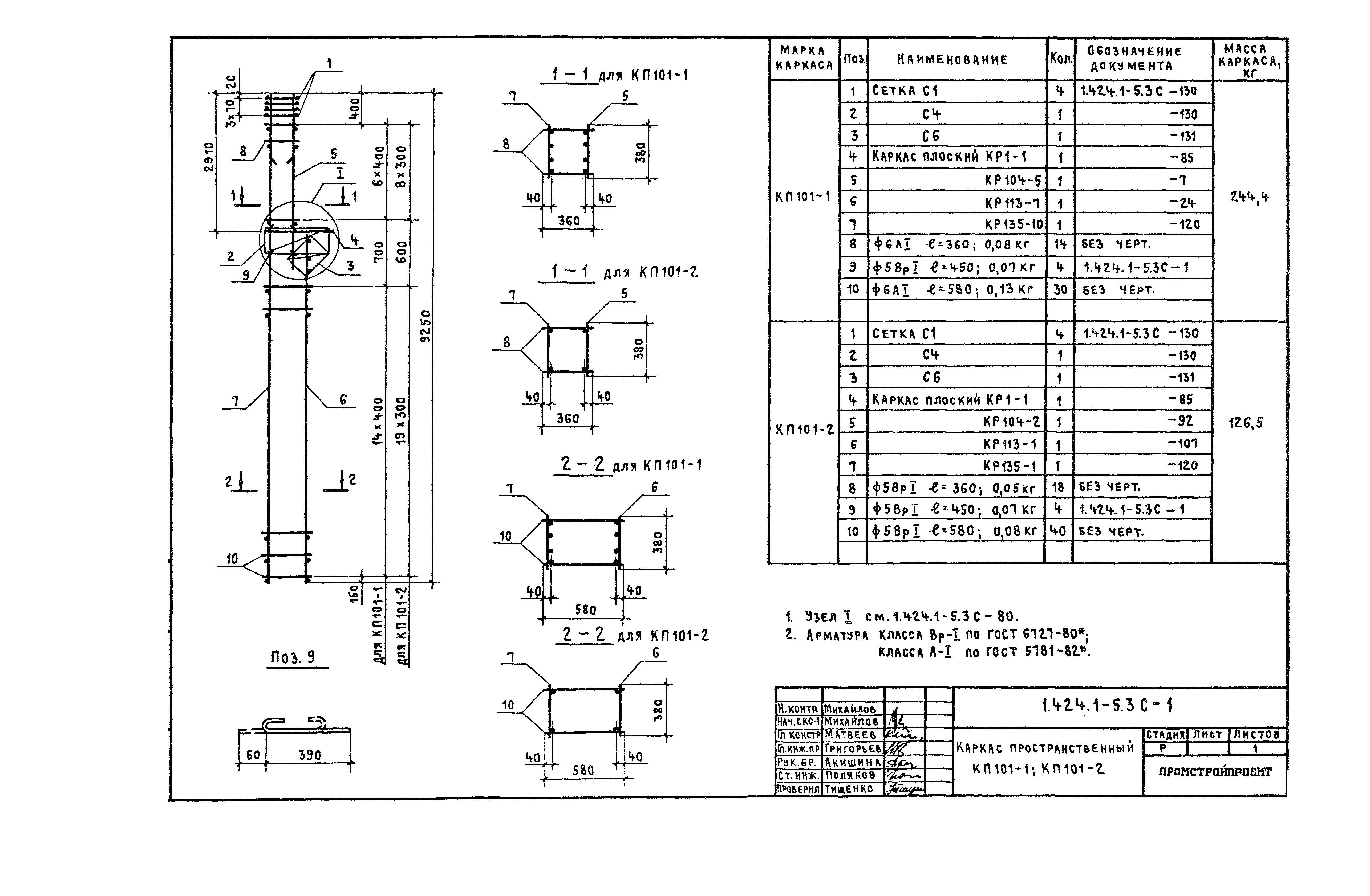
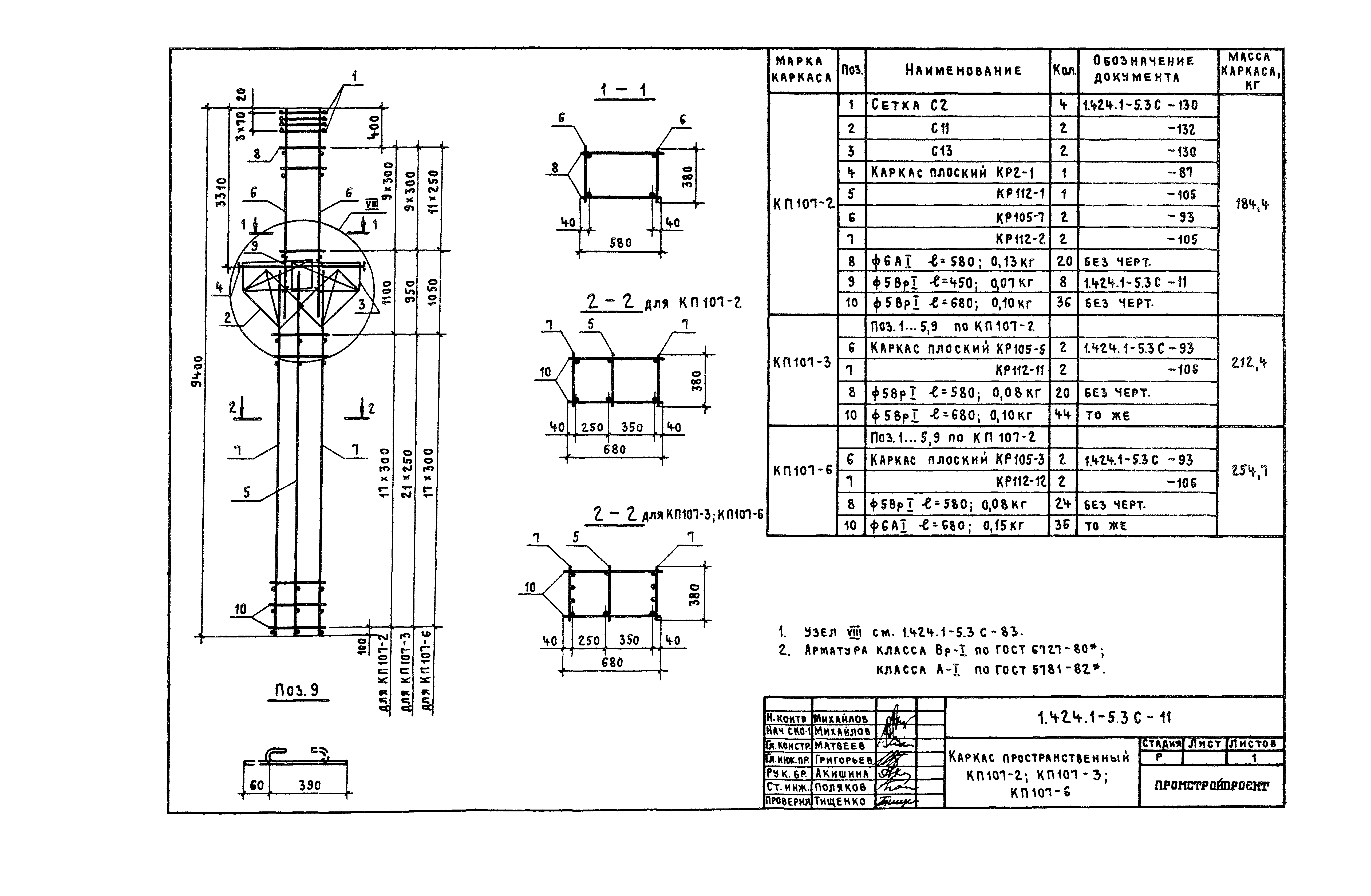
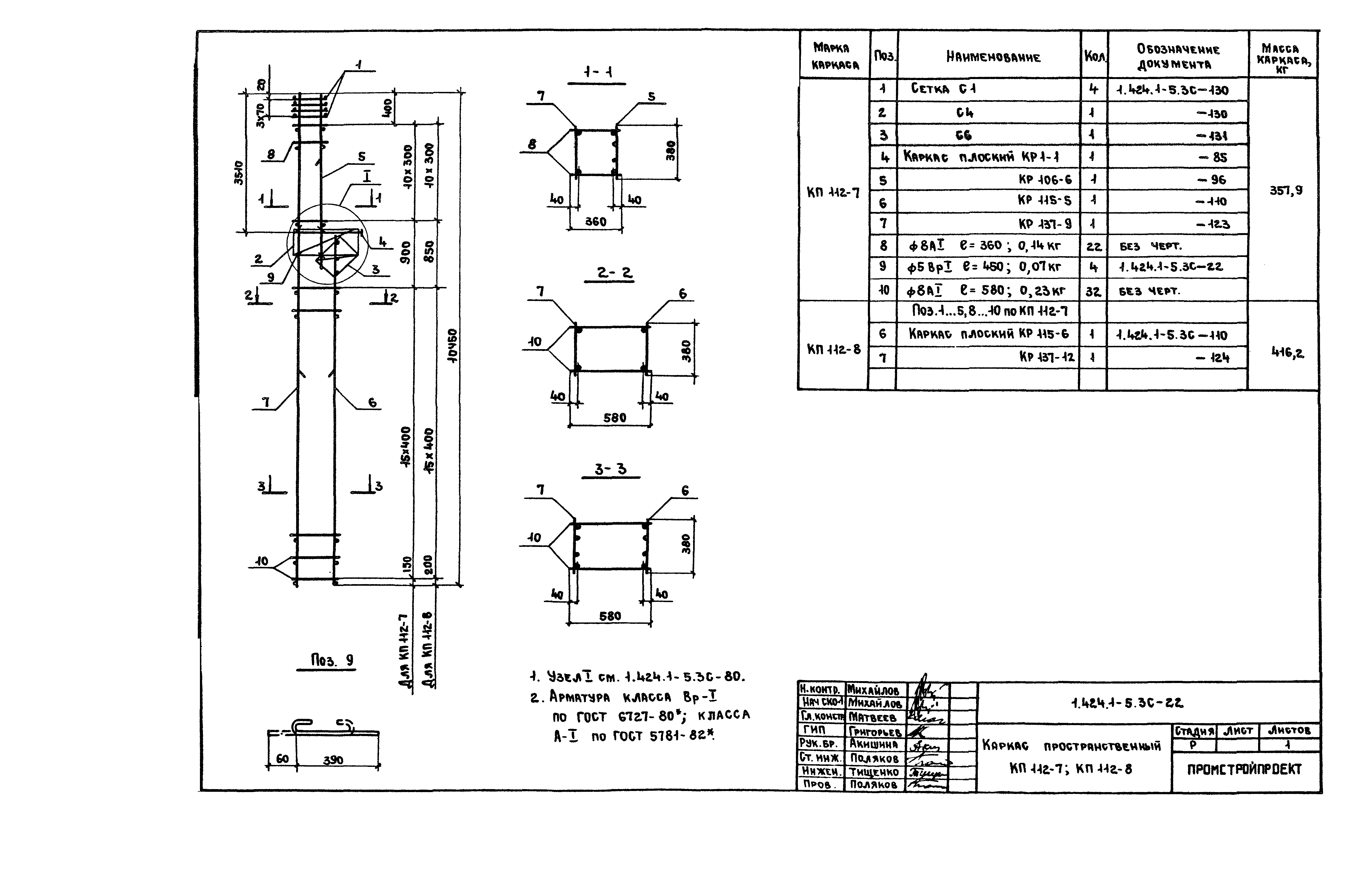
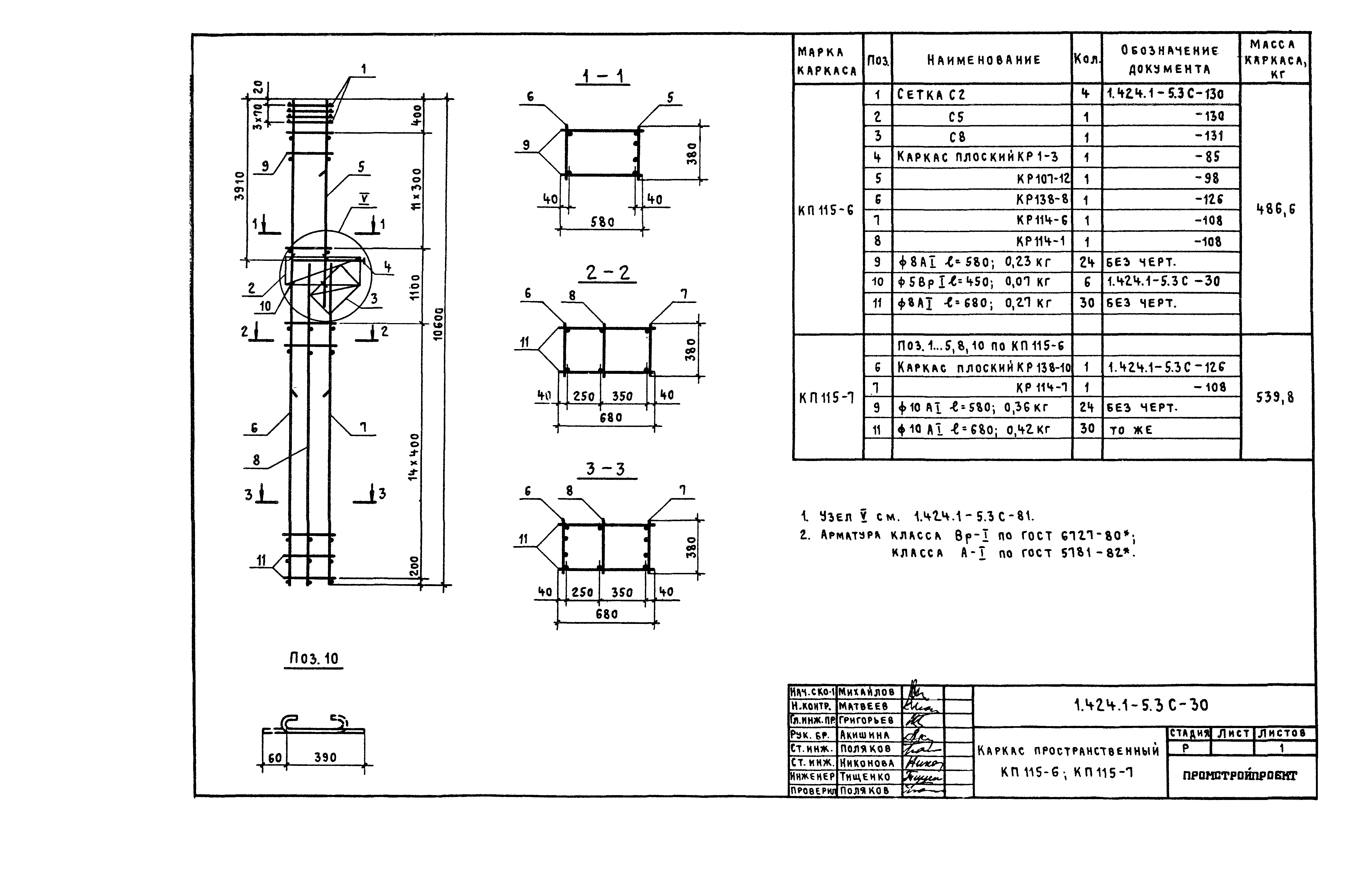
Выпуск 3с. Арматурные изделия колонн для зданий высотой 8,4; 9,6 и 10,8 м с расчетной сейсмичностью 7, 8, 9 баллов. Рабочие чертежиОбозначение: | Серия 1.424.1-5 | Обозначение англ: | Series 1.424.1-5 | Статус: | не определен законодательством | Название рус.: | Выпуск 3с. Арматурные изделия колонн для зданий высотой 8,4; 9,6 и 10,8 м с расчетной сейсмичностью 7, 8, 9 баллов. Рабочие чертежи | Дата добавления в базу: | 01.09.2013 | Дата актуализации: | 05.05.2017 | Дата введения: | 01.04.1989 | Оглавление: | 1.424.1-5.3С - ТТ Технические требования 1.424.1-5.3С - 1 Каркас пространственный КП 101-1; КП 101-2 1.424.1-5.3С - 2 Каркас пространственный КП 101-3... КП 101-5 1.424.1-5.3С - 3 Каркас пространственный КП 102-1... КП 102-4 1.424.1-5.3С - 4 Каркас пространственный КП 103-1; КП 103-3; КП 103-5 1.424.1-5.3С - 5 Каркас пространственный КП 103-2; КП 103-4 1.424.1-5.3С - 6 Каркас пространственный КП 104-1...КП 104-3 1.424.1-5.3С - 7 Каркас пространственный КП 104-4...КП 104-6 1.424.1-5.3С - 8 Каркас пространственный КП 105-1...КП 105-4 1.424.1-5.3С - 9 Каркас пространственный КП 106-1...КП 106-3 1.424.1-5.3С - 10 Каркас пространственный КП 107-1; КП 107-5; КП 107-8 1.424.1-5.3С - 11 Каркас пространственный КП 107-2; КП 107-3; КП 107-6 1.424.1-5.3С - 12 Каркас пространственный КП 107-4; КП 107-7; КП 107-9 1.424.1-5.3С - 13 Каркас пространственный КП 108-1; КП 108-2; КП 108-10 1.424.1-5.3С - 14 Каркас пространственный КП 108-3...КП 108-6 1.424.1-5.3С - 15 Каркас пространственный КП 108-7...КП 108-9 1.424.1-5.3С - 16 Каркас пространственный КП 109-1...КП 109-4 1.424.1-5.3С - 17 Каркас пространственный КП 110-1...КП 110-4 1.424.1-5.3С - 18 Каркас пространственный КП 111-1...КП 111-6 1.424.1-5.3С - 19 Каркас пространственный КП 111-2...КП 111-5 1.424.1-5.3С - 20 Каркас пространственный КП 112-1; КП 112-2; КП 112-4 1.424.1-5.3С - 21 Каркас пространственный КП 112-3; КП 112-5; КП 112-6 1.424.1-5.3С - 22 Каркас пространственный КП 112-7; КП 112-8 1.424.1-5.3С - 23 Каркас пространственный КП 113-1...КП 113-3 1.424.1-5.3С - 24 Каркас пространственный КП 113-4...КП 113-7 1.424.1-5.3С - 25 Каркас пространственный КП 114-1; КП 114-2; КП 114-4 1.424.1-5.3С - 26 Каркас пространственный КП 114-3; КП 114-5; КП 114-6 1.424.1-5.3С - 27 Каркас пространственный КП 114-7; КП 114-8 1.424.1-5.3С - 28 Каркас пространственный КП 115-1; КП 115-3; КП 115-4 1.424.1-5.3С - 29 Каркас пространственный КП 115-2; КП 115-5 1.424.1-5.3С - 30 Каркас пространственный КП 115-6; КП 115-7 1.424.1-5.3С - 31 Каркас пространственный КП 116-1; КП 116-2; КП 116-6 1.424.1-5.3С - 32 Каркас пространственный КП 116-3...КП 116-5 1.424.1-5.3С - 33 Каркас пространственный КП 117-1...КП 117-4 1.424.1-5.3С - 34 Каркас пространственный КП 118-1...КП 118-4 1.424.1-5.3С - 35 Каркас пространственный КП 119-1; КП 119-2 1.424.1-5.3С - 36 Каркас пространственный КП 120-1; КП 120-3...КП 120-5 1.424.1-5.3С - 37 Каркас пространственный КП 120-2; КП 120-6 1.424.1-5.3С - 38 Каркас пространственный КП 121-1; КП 121-2 1.424.1-5.3С - 39 Каркас пространственный КП 121-3...КП 121-7 1.424.1-5.3С - 40 Каркас пространственный КП 122-1; КП 122-3; КП 122-7 1.424.1-5.3С - 41 Каркас пространственный КП 122-2; КП 122-4...КП 122-6 1.424.1-5.3С - 42 Каркас пространственный КП 123-1...КП 123-3 1.424.1-5.3С - 43 Каркас пространственный КП 124-1...КП 124-3 1.424.1-5.3С - 44 Каркас пространственный КП 125-1...КП 125-4 1.424.1-5.3С - 45 Каркас пространственный КП 126-1; КП 126-5 1.424.1-5.3С - 46 Каркас пространственный КП 126-2...КП 126-4 1.424.1-5.3С - 47 Каркас пространственный КП 127-1; КП 127-5 1.424.1-5.3С - 48 Каркас пространственный КП 127-2...КП 127-4 1.424.1-5.3С - 49 Каркас пространственный КП 127-6; КП 127-7 1.424.1-5.3С - 50 Каркас пространственный КП 128-1; КП 128-4 1.424.1-5.3С - 51 Каркас пространственный КП 128-2; КП 128-3 1.424.1-5.3С - 52 Каркас пространственный КП 128-5...КП 128-7 1.424.1-5.3С - 53 Каркас пространственный КП 129-1; КП 129-6 1.424.1-5.3С - 54 Каркас пространственный КП 129-2; КП 129-5 1.424.1-5.3С - 55 Каркас пространственный КП 130-1; КП 130-3 1.424.1-5.3С - 56 Каркас пространственный КП 130-2; КП 130-6 1.424.1-5.3С - 57 Каркас пространственный КП 130-4; КП 130-5 1.424.1-5.3С - 58 Каркас пространственный КП 131-1; КП 131-2 1.424.1-5.3С - 59 Каркас пространственный КП 131-3...КП 131-7 1.424.1-5.3С - 60 Каркас пространственный КП 132-1...КП 132-3 1.424.1-5.3С - 61 Каркас пространственный КП 132-4...КП 132-6; КП 132-9 1.424.1-5.3С - 62 Каркас пространственный КП 132-7; КП 132-8; КП 132-10 1.424.1-5.3С - 63 Каркас пространственный КП 133-1...КП 133-3 1.424.1-5.3С - 64 Каркас пространственный КП 134-1; КП 134-5 1.424.1-5.3С - 65 Каркас пространственный КП 134-2...КП 134-4; КП 134-6 1.424.1-5.3С - 66 Каркас пространственный КП 135-1...КП 135-4 1.424.1-5.3С - 67 Каркас пространственный КП 135-5...КП 135-8 1.424.1-5.3С - 68 Каркас пространственный КП 136-1; КП 136-2; КП 136-4 1.424.1-5.3С - 69 Каркас пространственный КП 136-3; КП 136-5; КП 136-7 1.424.1-5.3С - 70 Каркас пространственный КП 136-6; КП 136-8 1.424.1-5.3С - 71 Каркас пространственный КП 137-1...КП 137-4 1.424.1-5.3С - 72 Каркас пространственный КП 137-5...КП 137-8 1.424.1-5.3С - 73 Каркас пространственный КП 137-9...КП 137-12 1.424.1-5.3С - 74 Каркас пространственный КП 138-1; КП 138-10; КП 138-17 1.424.1-5.3С - 75 Каркас пространственный КП 138-2...КП 138-9; КП 138-11...КП 138-16 1.424.1-5.3С - 76 Каркас пространственный КП 139-1...КП 139-3 1.424.1-5.3С - 77 Каркас пространственный КП 140-1...КП 140-4 1.424.1-5.3С - 78 Каркас пространственный КП 141-1...КП 141-3 1.424.1-5.3С - 79 Каркас пространственный КП 141-4...КП 141-7 1.424.1-5.3С - 80 Узел I, II и III 1.424.1-5.3С - 81 Узел IV и V 1.424.1-5.3С - 82 Узел VI и VII 1.424.1-5.3С - 83 Узел VIII и IХ 1.424.1-5.3С - 84 Узел Х и ХI 1.424.1-5.3С - 85 Каркас плоский КР 1-1…КР 1-4 1.424.1-5.3С - 86 Каркас плоский КР 1-5 1.424.1-5.3С - 87 Каркас плоский КР 2-1; КР 2-2 1.424.1-5.3С - 88 Каркас плоский КР 2-3 1.424.1-5.3С - 89 Каркас плоский КР 2-4; КР 2-5 1.424.1-5.3С - 90 Каркас плоский КР 2-6...КР 2-8 1.424.1-5.3С - 91 Каркас плоский КР 103-1...КР 103-3 1.424.1-5.3С - 92 Каркас плоский КР 104-1...КР 104-7 1.424.1-5.3С - 93 Каркас плоский КР 105-1...КР 105-7 1.424.1-5.3С - 94 Каркас плоский КР 105-8...КР 105-14 1.424.1-5.3С - 95 Каркас плоский КР 105-15...КР 105-17 1.424.1-5.3С - 96 Каркас плоский КР 106-1...КР 106-8 1.424.1-5.3С - 97 Каркас плоский КР 107-1...КР 107-7 1.424.1-5.3С - 98 Каркас плоский КР 107-8...КР 107-14 1.424.1-5.3С - 99 Каркас плоский КР 107-15...КР 107-18 1.424.1-5.3С - 100 Каркас плоский КР 108-1...КР 108-3 1.424.1-5.3С - 101 Каркас плоский КР 109-1...КР 109-8 1.424.1-5.3С - 102 Каркас плоский КР 109-9...КР 109-11 1.424.1-5.3С - 103 Каркас плоский КР 110-1...КР 110-12 1.424.1-5.3С - 104 Каркас плоский КР 111-1...КР 111-4 1.424.1-5.3С - 105 Каркас плоский КР 112-1...КР 112-7 1.424.1-5.3С - 106 Каркас плоский КР 112-8...КР 112-16 1.424.1-5.3С - 107 Каркас плоский КР 113-1...КР 113-8 1.424.1-5.3С - 108 Каркас плоский КР 114-1...КР 114-9; КР 114-13 1.424.1-5.3С - 109 Каркас плоский КР 114-10...КР 114-12 1.424.1-5.3С - 110 Каркас плоский КР 115-1...КР 115-8 1.424.1-5.3С - 111 Каркас плоский КР 116-1...КР 116-9 1.424.1-5.3С - 112 Каркас плоский КР 116-10...КР 116-20 1.424.1-5.3С - 113 Каркас плоский КР 117-1...КР 117-5 1.424.1-5.3С - 114 Каркас плоский КР 118-1...КР 118-12 1.424.1-5.3С - 115 Каркас плоский КР 119-1...КР 119-13 1.424.1-5.3С - 116 Каркас плоский КР 120-1...КР 120-10 1.424.1-5.3С - 117 Каркас плоский КР 121-1...КР 121-7 1.424.1-5.3С - 118 Каркас плоский КР 121-8...КР 121-12 1.424.1-5.3С - 119 Каркас плоский КР 123-1...КР 123-7 1.424.1-5.3С - 120 Каркас плоский КР 135-1...КР 135-10 1.424.1-5.3С - 121 Каркас плоский КР 136-1...КР 136-8 1.424.1-5.3С - 122 Каркас плоский КР 136-9; КР 136-10 1.424.1-5.3С - 123 Каркас плоский КР 137-1...КР 137-9 1.424.1-5.3С - 124 Каркас плоский КР 137-10...КР 137-18 1.424.1-5.3С - 125 Каркас плоский КР 138-1...КР 138-7 1.424.1-5.3С - 126 Каркас плоский КР 138-8...КР 138-15 1.424.1-5.3С - 127 Каркас плоский КР 139-1...КР 139-7 1.424.1-5.3С - 128 Каркас плоский КР 139-8...КР 139-16 1.424.1-5.3С - 129 Каркас плоский КР 139-17...КР 139-18 1.424.1-5.3С - 130 Сетка С1…С5; С13 1.424.1-5.3С - 131 Сетка С6…С9 1.424.1-5.3С - 132 Сетка С10…С12 | Разработан: | Промстройпроект Госстроя СССР НИИЖБ
| Утверждён: | 23.12.1988 Госстрой СССР (Государственный комитет Совета Министров СССР по делам строительства) (USSR Gosstroy АЧ-47)
| Издан: | ЦИТП Госстроя СССР (CITP, Gosstroy (USSR) 1989 г. )
| Расположен в: |
| Заменяет собой: | |
                                                                                                                                 
|