Информационная система
«Ёшкин Кот»

Скачать базу одним архивом
Скачать обновления
История создания базы
Карта сайта

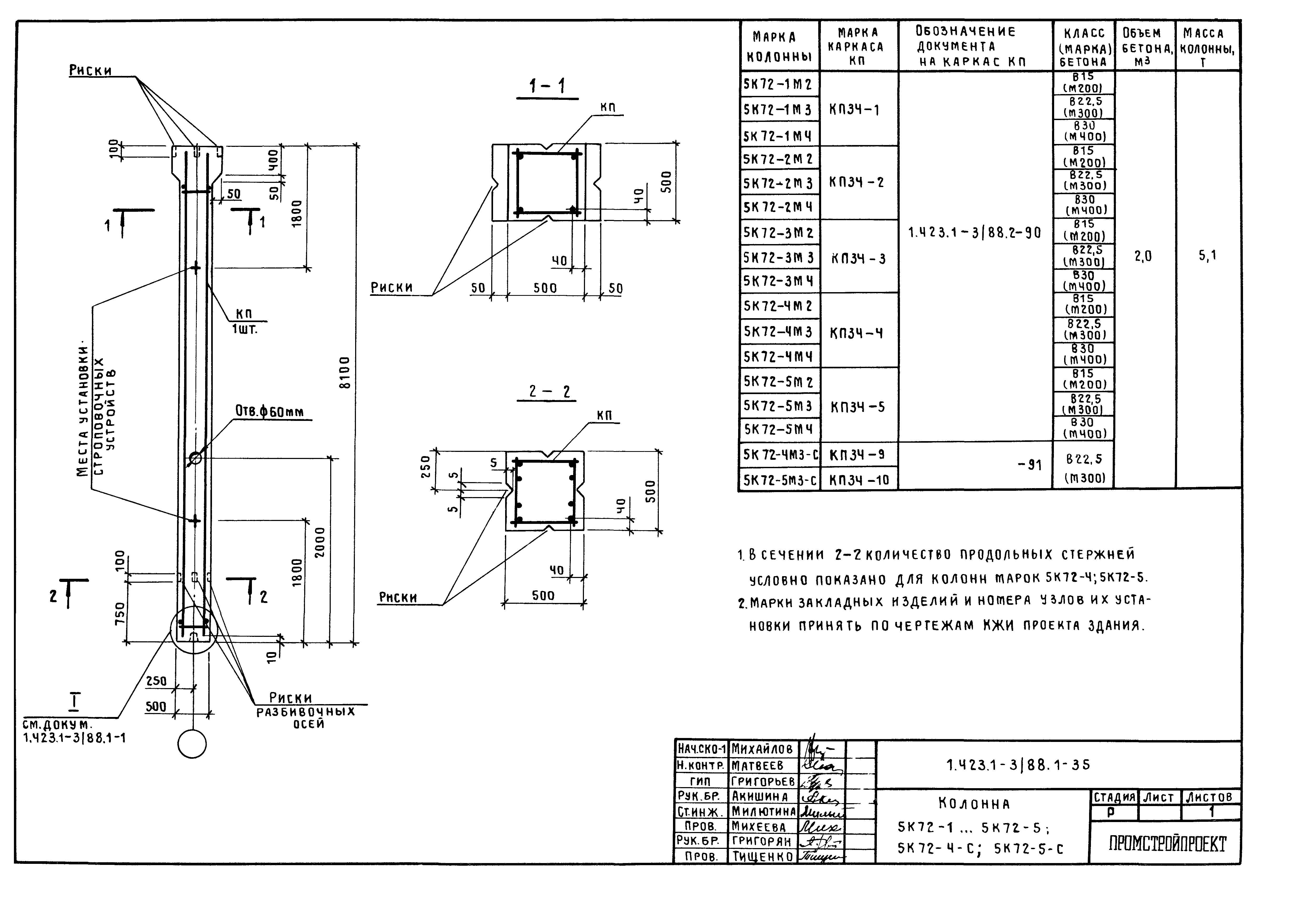
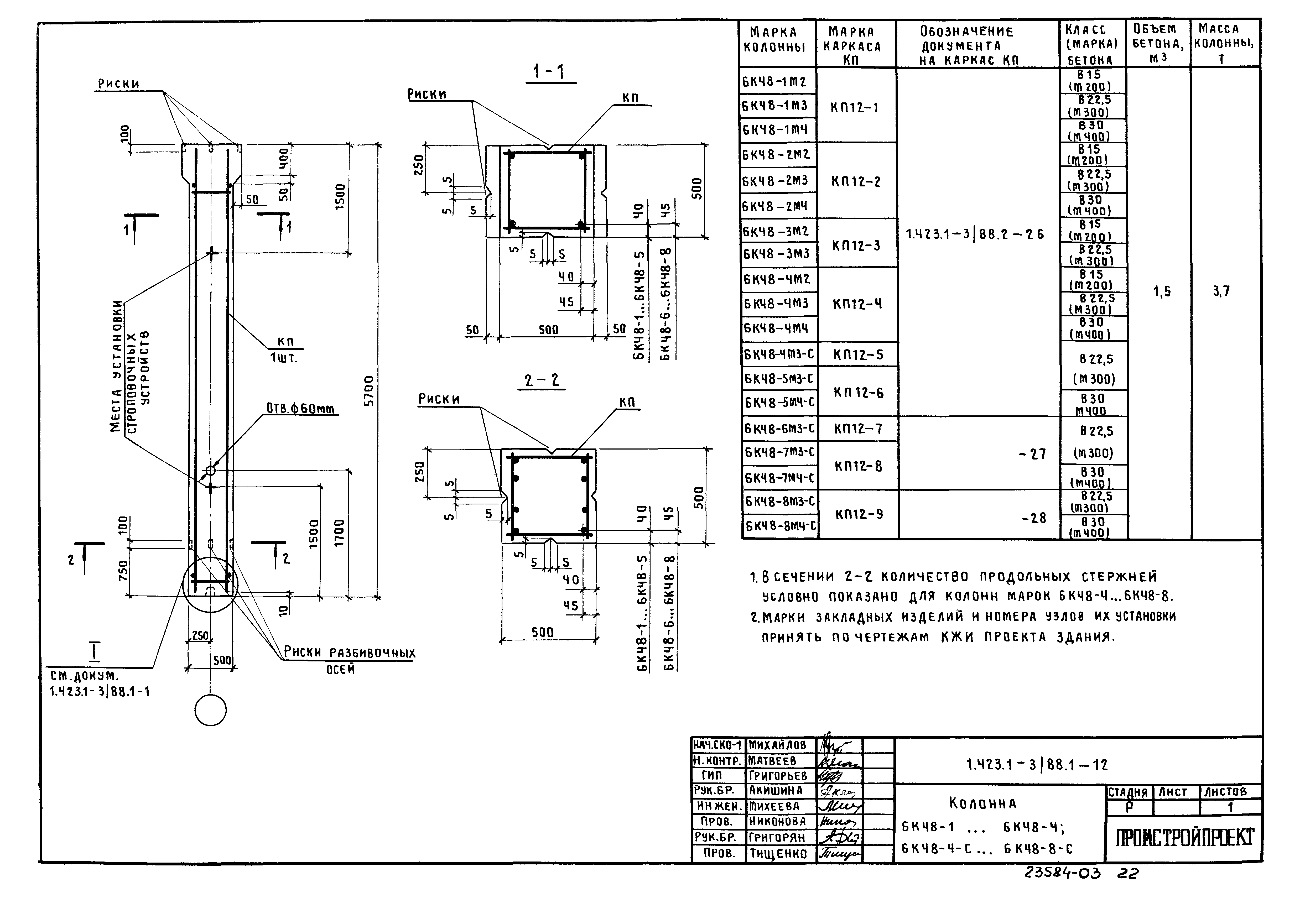
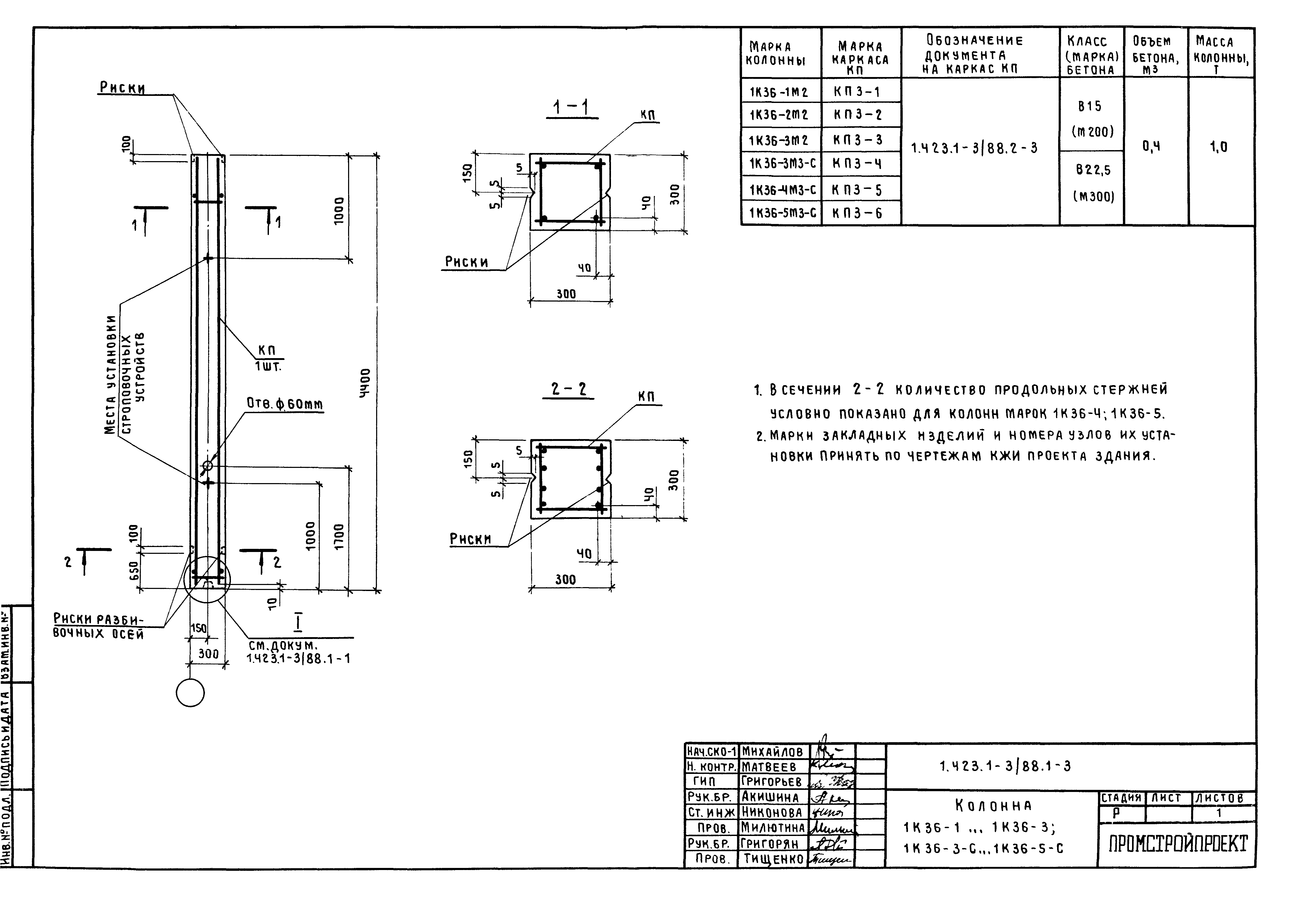
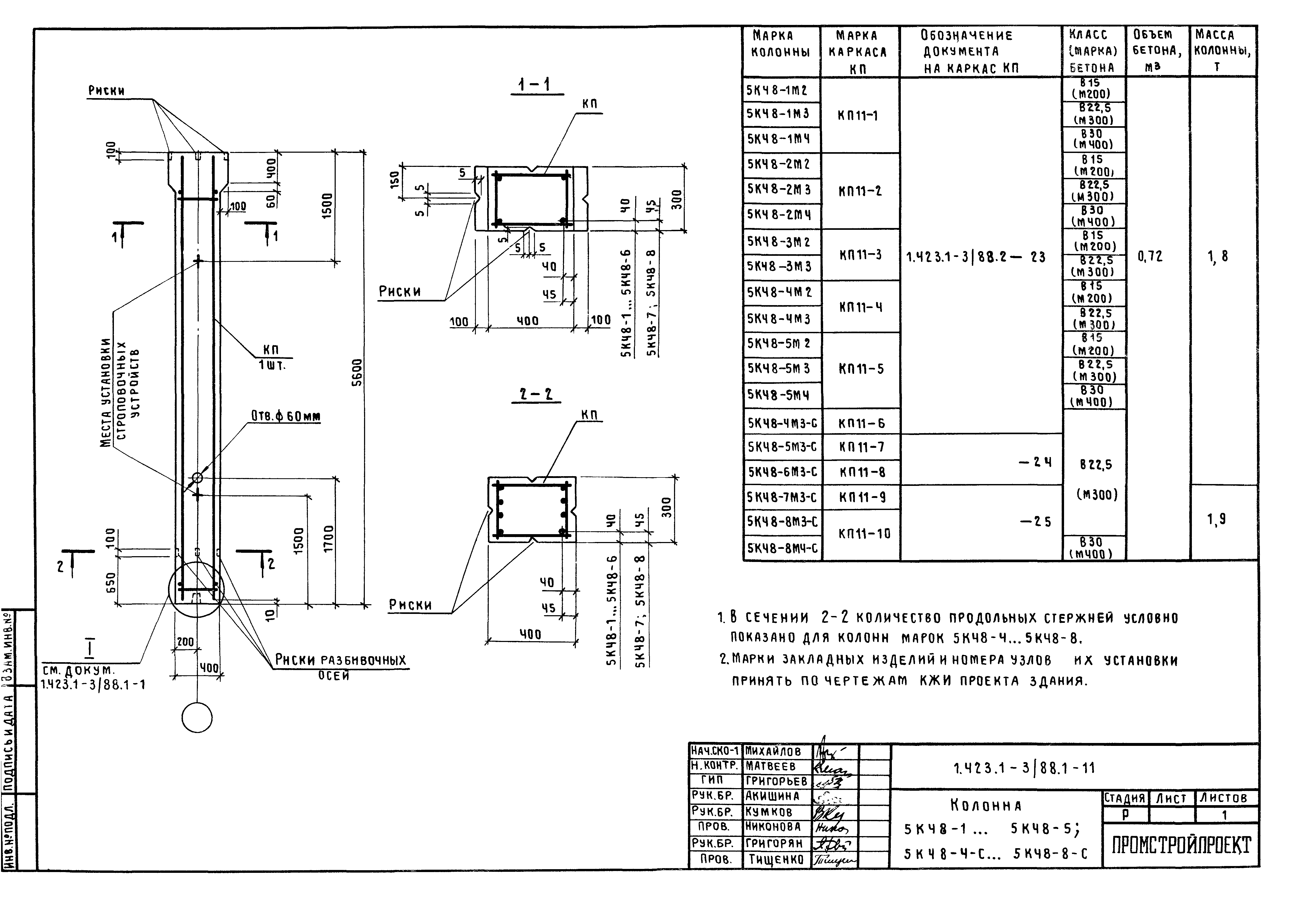
Скачать Серия 1.423.1-3/88 Выпуск 1. Книга 1. Колонны. Рабочие чертежи

Дата актуализации: 10.08.2017

Серия 1.423.1-3/88

Выпуск 1. Книга 1. Колонны. Рабочие чертежи

Обозначение: Серия 1.423.1-3/88
Обозначение англ: Series 1.423.1-3/88
Статус:не определен законодательством
Название рус.:Выпуск 1. Книга 1. Колонны. Рабочие чертежи
Дата добавления в базу:01.09.2013
Дата актуализации:05.05.2017
Дата введения:01.04.1989
Разработан: НИИЖБ
ГПИ Промстройпроект
Утверждён:23.12.1989 Госстрой СССР (Государственный комитет Совета Министров СССР по делам строительства) (USSR Gosstroy АЧ-47)
Издан: ЦИТП Госстроя СССР (CITP, Gosstroy (USSR) 1989 г. )
Расположен в:Техническая документация Строительство Справочные документы Типовые строительные конструкции, изделия и узлы Общероссийский строительный каталог Строительные конструкции, изделия и узлы зданий и сооружений для всех видов строительства Конструкции, изделия и узлы зданий Несущие конструкции одноэтажных зданий Колонны Железобетонные
Заменяет собой:
Серия 1.423.1-3/88Серия 1.423.1-3/88Серия 1.423.1-3/88Серия 1.423.1-3/88Серия 1.423.1-3/88Серия 1.423.1-3/88Серия 1.423.1-3/88Серия 1.423.1-3/88Серия 1.423.1-3/88Серия 1.423.1-3/88Серия 1.423.1-3/88Серия 1.423.1-3/88Серия 1.423.1-3/88Серия 1.423.1-3/88Серия 1.423.1-3/88Серия 1.423.1-3/88Серия 1.423.1-3/88Серия 1.423.1-3/88Серия 1.423.1-3/88Серия 1.423.1-3/88Серия 1.423.1-3/88Серия 1.423.1-3/88Серия 1.423.1-3/88Серия 1.423.1-3/88Серия 1.423.1-3/88Серия 1.423.1-3/88Серия 1.423.1-3/88Серия 1.423.1-3/88Серия 1.423.1-3/88Серия 1.423.1-3/88Серия 1.423.1-3/88Серия 1.423.1-3/88Серия 1.423.1-3/88Серия 1.423.1-3/88Серия 1.423.1-3/88Серия 1.423.1-3/88Серия 1.423.1-3/88Серия 1.423.1-3/88Серия 1.423.1-3/88Серия 1.423.1-3/88Серия 1.423.1-3/88Серия 1.423.1-3/88Серия 1.423.1-3/88Серия 1.423.1-3/88Серия 1.423.1-3/88Серия 1.423.1-3/88Серия 1.423.1-3/88Серия 1.423.1-3/88Серия 1.423.1-3/88Серия 1.423.1-3/88Серия 1.423.1-3/88Серия 1.423.1-3/88Серия 1.423.1-3/88Серия 1.423.1-3/88Серия 1.423.1-3/88Серия 1.423.1-3/88Серия 1.423.1-3/88Серия 1.423.1-3/88Серия 1.423.1-3/88Серия 1.423.1-3/88Серия 1.423.1-3/88Серия 1.423.1-3/88Серия 1.423.1-3/88

© 2013 Ёшкин Кот :-) Карта сайта