| ||||||||||||||||||||||||||
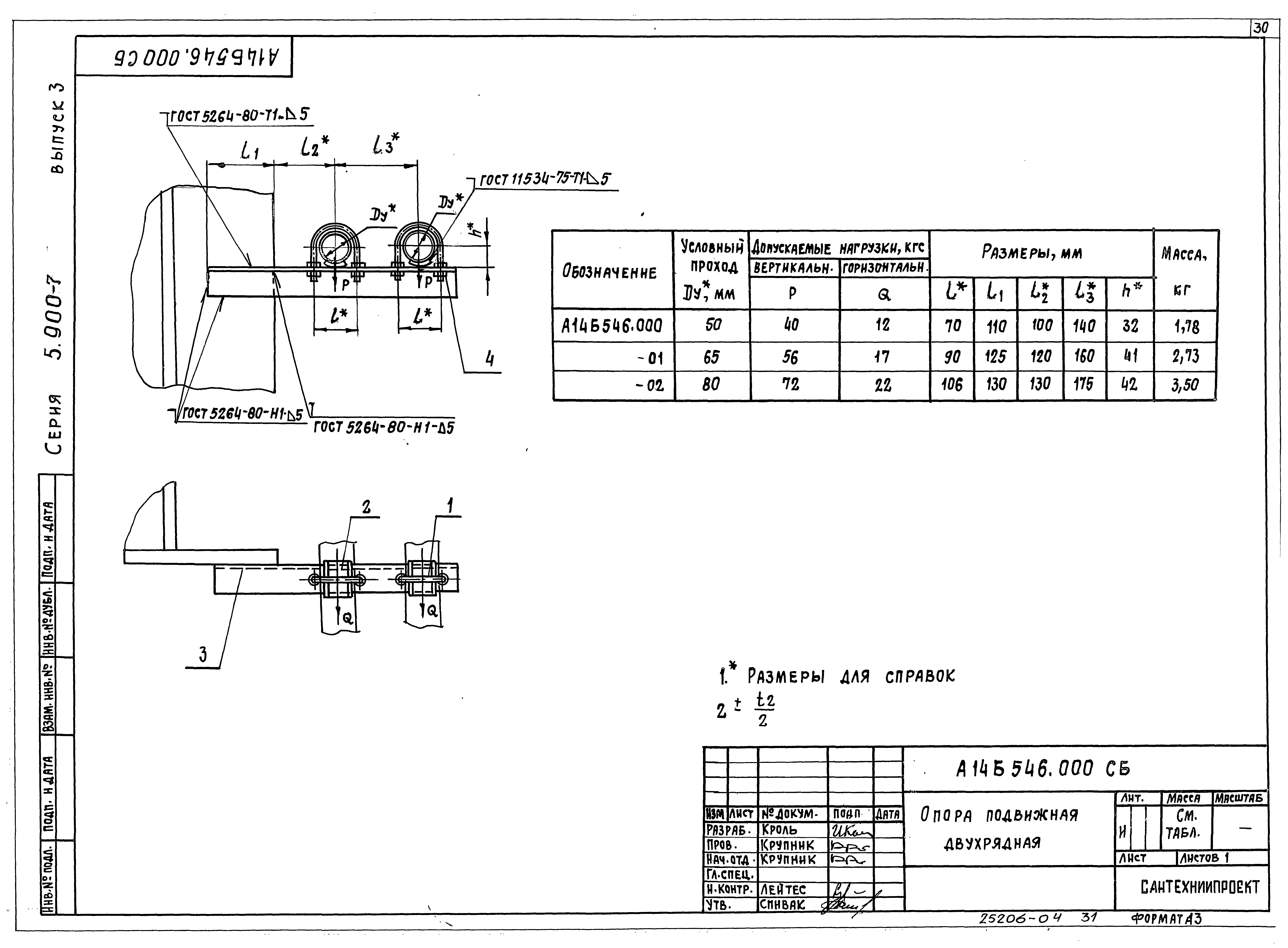
Скачать Серия 5.900-7 Выпуск 3. Опорные конструкции и средства крепления трубопроводов к металлическим колоннам. Рабочие чертежиДата актуализации: 10.08.2017
|
| Обозначение: | Серия 5.900-7 |
| Обозначение англ: | Series 5.900-7 |
| Статус: | не определен законодательством |
| Название рус.: | Выпуск 3. Опорные конструкции и средства крепления трубопроводов к металлическим колоннам. Рабочие чертежи |
| Дата добавления в базу: | 01.09.2013 |
| Дата актуализации: | 05.05.2017 |
| Дата введения: | 01.03.1992 |
| Разработан: | ГПКНИИ Сантехниипроект |
| Утверждён: | 31.10.1991 ГПКНИИ Сантехниипроект (50) |
| Издан: | ЦИТП Госстроя СССР (CITP, Gosstroy (USSR) 1992 г. ) |
| Расположен в: |
























































































































