| ||||||||||||||||||||||||||||
Скачать Серия 5.900-7 Выпуск 0. Технические характеристики и данные для подбораДата актуализации: 10.08.2017
|
| Обозначение: | Серия 5.900-7 |
| Обозначение англ: | Series 5.900-7 |
| Статус: | не определен законодательством |
| Название рус.: | Выпуск 0. Технические характеристики и данные для подбора |
| Дата добавления в базу: | 01.09.2013 |
| Дата актуализации: | 05.05.2017 |
| Дата введения: | 01.03.1992 |
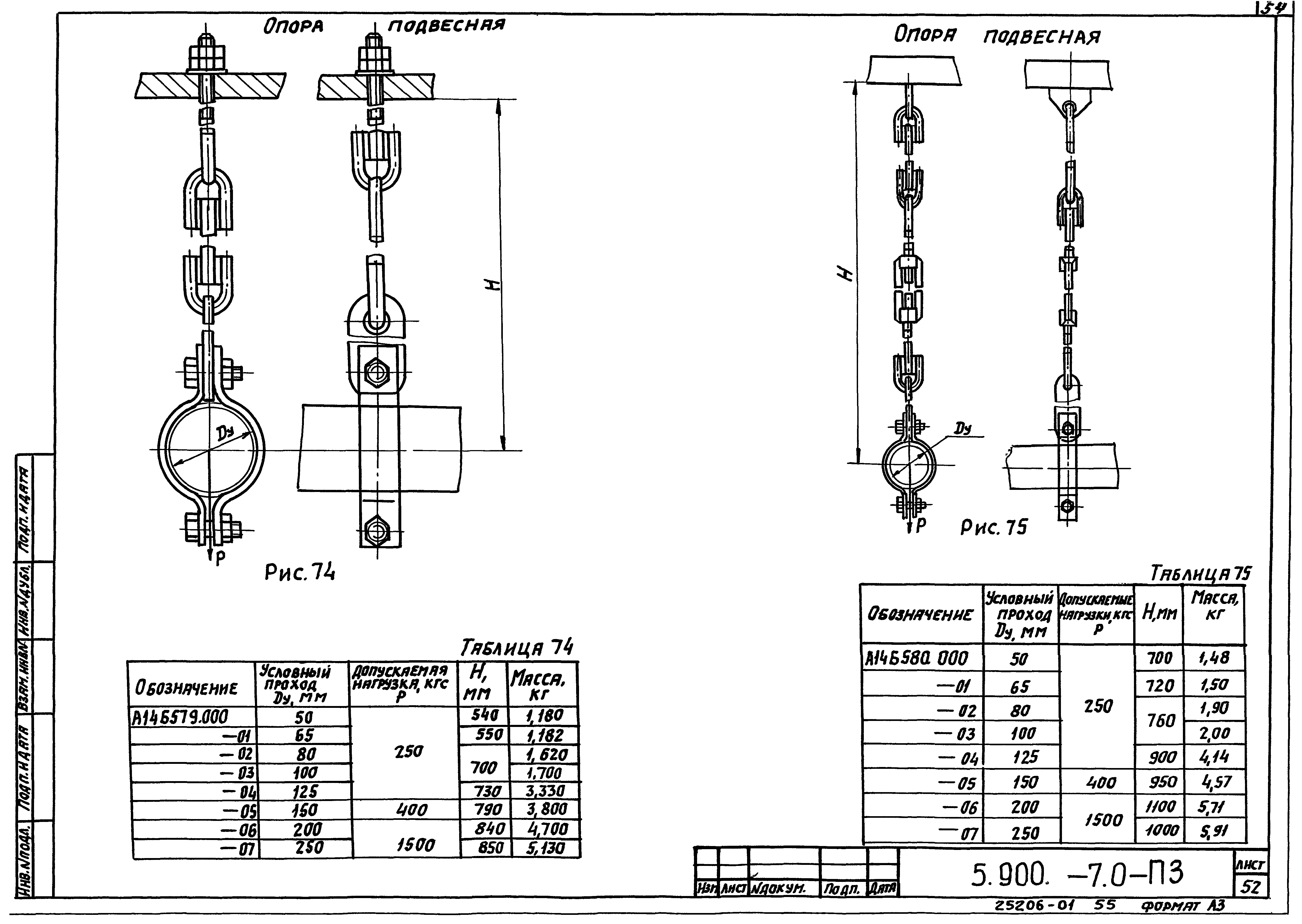
| Оглавление: | 5.800-7.0 Опорные конструкции и средства крепления стальных трубопроводов внутренних санитарно-технических систем. Пояснительная записка Раздел 1. Введение Раздел 2. Технические характеристики Раздел 3. Техническое описание выпусков Раздел 4. Указания по выпуску опорных конструкций |
| Разработан: | ГПКНИИ Сантехниипроект |
| Утверждён: | 31.10.1991 ГПКНИИ Сантехниипроект (50) |
| Издан: | ЦИТП Госстроя СССР (CITP, Gosstroy (USSR) 1992 г. ) |
| Расположен в: |





























































