| ||||||||||||||||||||||||||
Скачать Серия 2.230-2 Выпуск 5. Деформационные швы стен каркасно-панельных зданий в конструкциях серии 1.020-1/83. Рабочие чертежиДата актуализации: 10.08.2017
|
| Обозначение: | Серия 2.230-2 |
| Обозначение англ: | Series 2.230-2 |
| Статус: | действует |
| Название рус.: | Выпуск 5. Деформационные швы стен каркасно-панельных зданий в конструкциях серии 1.020-1/83. Рабочие чертежи |
| Дата добавления в базу: | 01.09.2013 |
| Дата актуализации: | 05.05.2017 |
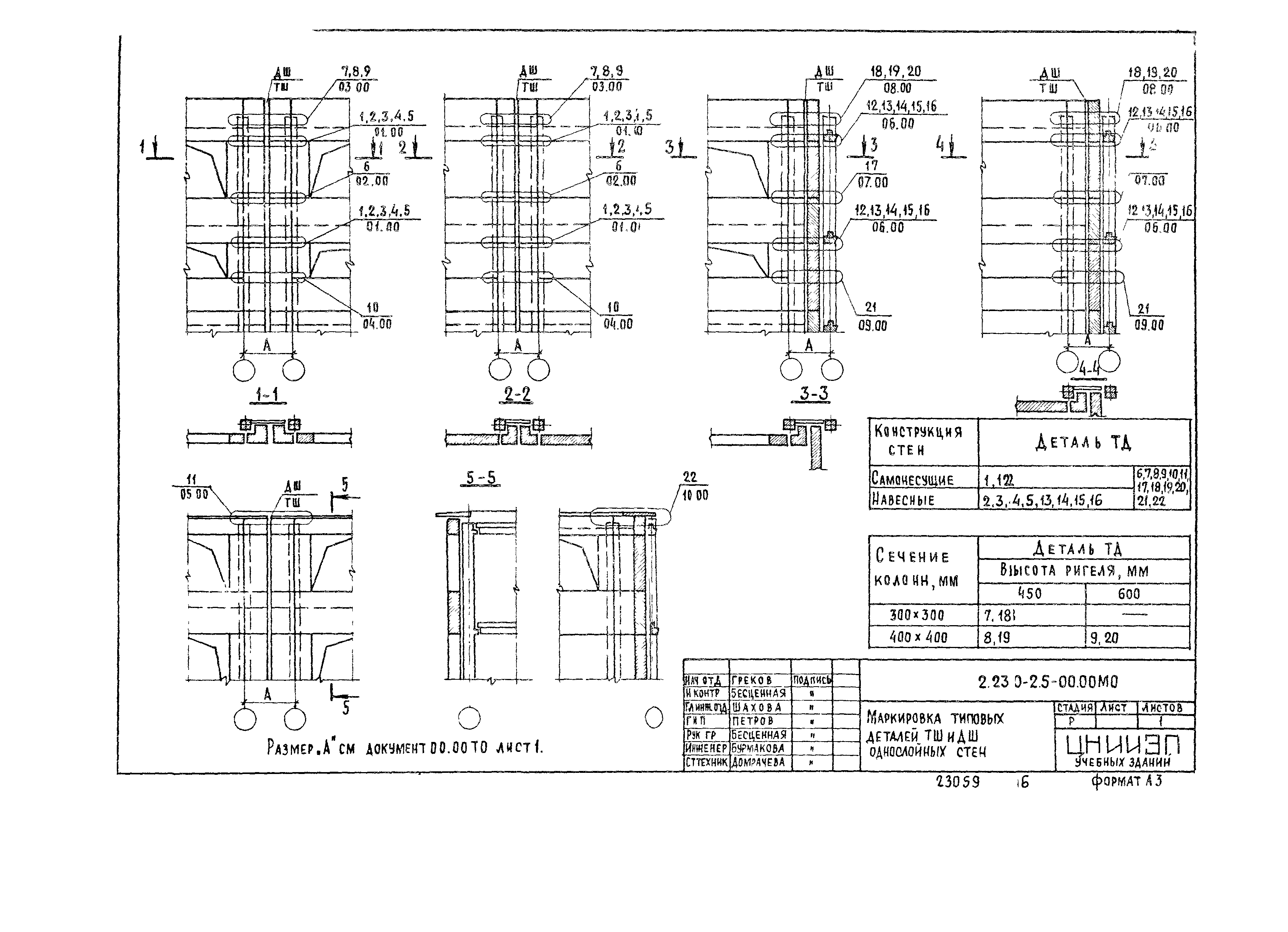
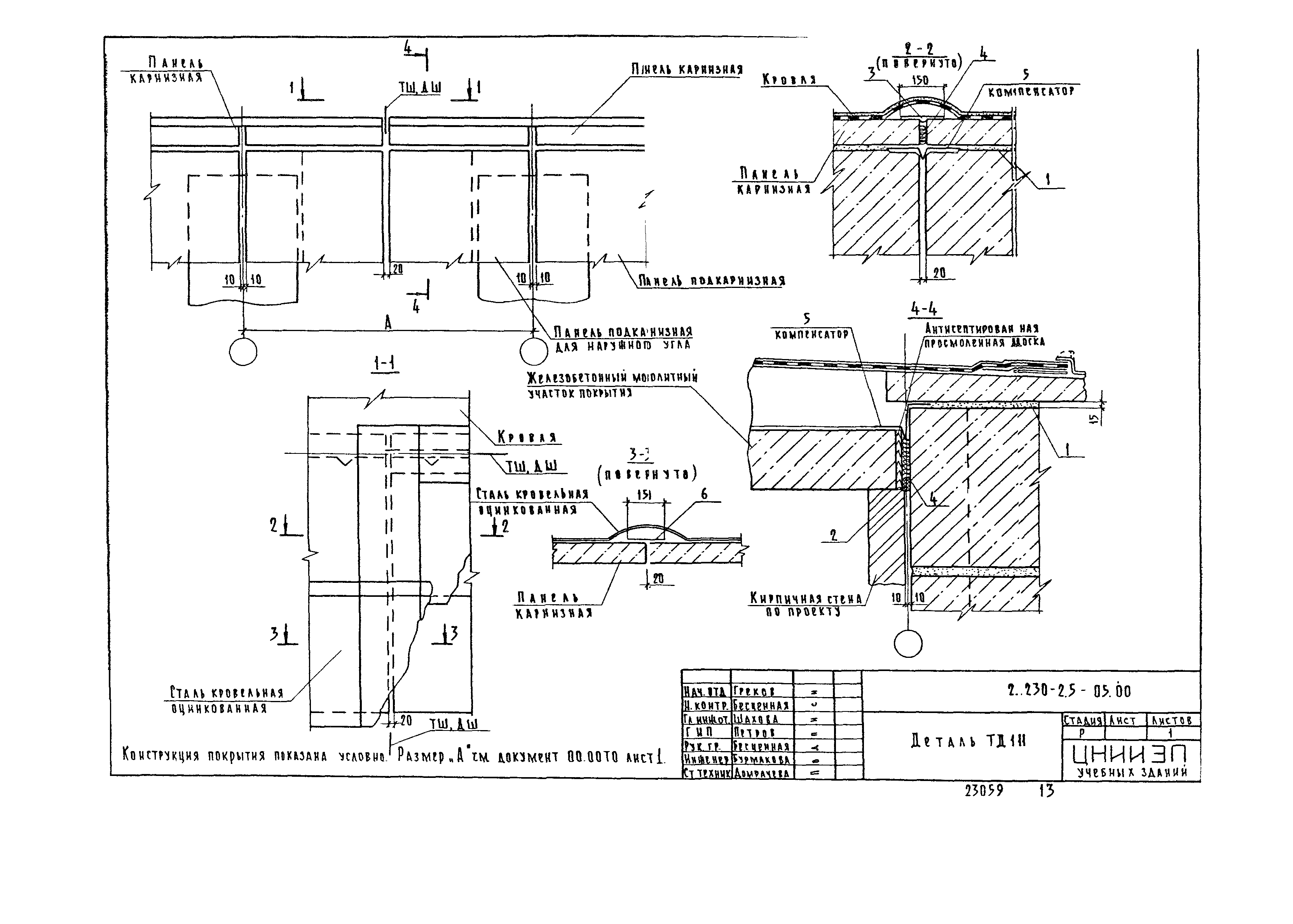
| Оглавление: | 2.230-2.5-00.0ТО Техническое описание 2.230-2.5-00.00МО Маркировка типовых деталей ТШ и ДШ однослойных стен 2.230-2.5-00.00МТ Маркировка типовых деталей ТШ и ДШ трехслойных стен 2.230-2.5-01.00 Деталь ТД1… ТД5 2.230-2.5-02.00 Деталь ТД6 2.230-2.5-03.00 Деталь ТД7… ТД9 2.230-2.5-04.00 Деталь ТД10 2.230-2.5-05.00 Деталь ТД11 2.230-2.5-06.00 Деталь ТД12… ТД16 2.230-2.5-07.00 Деталь ТД17 2.230-2.5-08.00 Деталь ТД18… ТД20 2.230-2.5-09.00 Деталь ТД21 2.230-2.5-10.00 Деталь ТД22 2.230-2.5-11.00 Деталь ТД23… ТД26 2.230-2.5-12.00 Деталь ТД27 2.230-2.5-13.00 Деталь ТД28… ТД30 2.230-2.5-14.00 Деталь ТД31 2.230-2.5-15.00 Деталь ТД32… ТД35 2.230-2.5-16.00 Деталь ТД36 2.230-2.5-17.00 Деталь ТД37… ТД39 2.230-2.5-18.00 Деталь ТД40 2.230-2.5-19.00 Вариант крепления защитного экрана из листовых материалов 2.230-2.5-20.00 Изделие для крепления экрана ММ1 2.230-2.5-20.01 Пластина П1 2.230-2.5-20.02 Пластина П2 2.230-2.5-21.00 Консоль опорная РК9С… РК12С 2.230-2.5-22.00 Консоль опорная РК9С… РК12С. Сборочный чертеж 2.230-2.5-00.01 Спецификация на деталь ТД1… ТД9 2.230-2.5-00.02 Спецификация на деталь ТД10… ТД18 2.230-2.5-00.03 Спецификация на деталь ТД19… ТД22 2.230-2.5-00.04 Спецификация на деталь ТД23… ТД31 2.230-2.5-00.05 Спецификация на деталь ТД32… ТД40 |
| Разработан: | ЦНИИЭП учебных зданий Госгражданстроя |
| Утверждён: | 17.02.1988 Госкомархитектура (44) |
| Издан: | ЦИТП Госстроя СССР (CITP, Gosstroy (USSR) 1989 г. ) |
| Расположен в: |





































