Информационная система
«Ёшкин Кот»

Скачать базу одним архивом
Скачать обновления
История создания базы
Карта сайта

Скачать Типовой проект 801-2-85.12.87 Альбом III. Строительные изделия. Часть 2. Двухслойные стеновые панели из легких бетонов для сельскохозяйственных зданий

Дата актуализации: 10.08.2017

Типовой проект 801-2-85.12.87

Альбом III. Строительные изделия. Часть 2. Двухслойные стеновые панели из легких бетонов для сельскохозяйственных зданий

Обозначение: Типовой проект 801-2-85.12.87
Обозначение англ: 801-2-85.12.87
Статус:не определен законодательством
Название рус.:Альбом III. Строительные изделия. Часть 2. Двухслойные стеновые панели из легких бетонов для сельскохозяйственных зданий
Дата добавления в базу:01.09.2013
Дата актуализации:05.05.2017
Дата введения:30.12.1985
Оглавление:КЖИ 2.1-ТУ Технические условия
КЖИ 2.1-1.0.0 Панель стеновая (ПСДТ 18.38…-Т; ПСТД 18.38…-Т-Н; ПСДТ12.41…-Т; ПСДТ 12.41…-Т-Н; ПСДТ 48.23…-Т; ПСДТ 48.23…-Т-Н; ПСДТ 18.58…-Т; ПСДТ 18.58…-Т-Н; ПСДТ 18.60…-Т; 1ПСДТ 18.60…-Т)
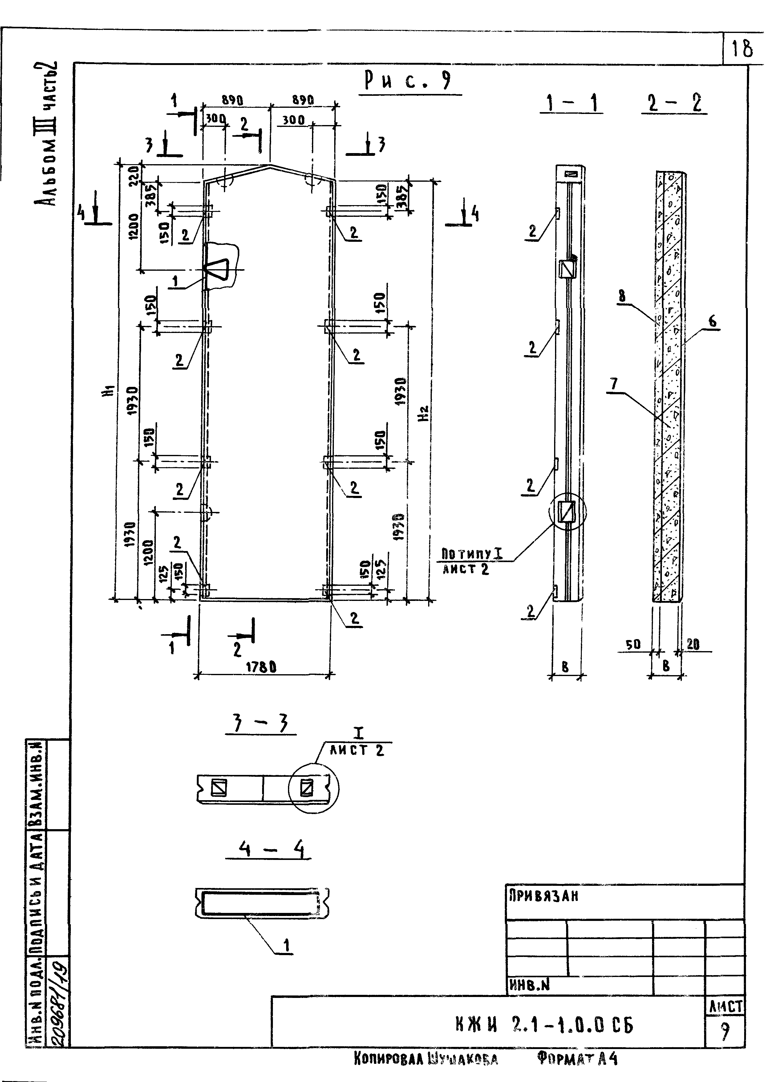
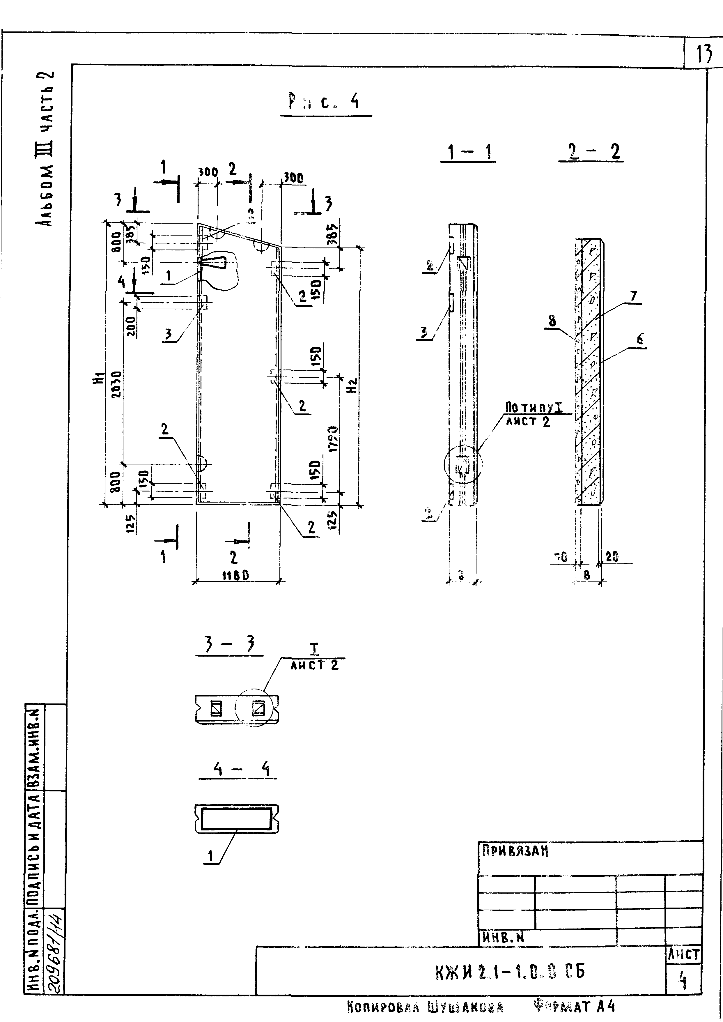
КЖИ 2.1-1.0.0 СБ Панель стеновая (ПСДТ 18.38…-Т; ПСТД 18.38…-Т-Н; ПСДТ12.41…-Т; ПСДТ 12.41…-Т-Н; ПСДТ 48.23…-Т; ПСДТ 48.23…-Т-Н; ПСДТ 18.58…-Т; ПСДТ 18.58…-Т-Н; ПСДТ 18.60…-Т; 1ПСДТ 18.60…-Т). Сборочный чертеж
КЖИ 2.1-2.0.0 Панель стеновая (ПСД 6.12.30-Т-У; ПСД 6.12.30-Т-УП; ПСД 6.12.40-Т-У; ПСД 6.12.40-Т-УП)
КЖИ 2.1-2.0.0 СБ Панель стеновая (ПСД 6.12.30-Т-У; ПСД 6.12.30-Т-УП; ПСД 6.12.40-Т-У; ПСД 6.12.40-Т-УП). Сборочный чертеж
КЖИ 2.1-РС Ведомость расхода стали на 1 элемент
КЖИ 2.2-ТУ Технические условия
КЖИ 2.2-0.1.0 Каркас пространственный (КП1…КП6)
КЖИ 2.2-0.1.0 СБ Каркас пространственный (КП1…КП6). Сборочный чертеж
КЖИ 2.2-0.2.0 Сетка арматурная исходная (С1…С3)
КЖИ 2.2-0.2.0 СБ Сетка арматурная исходная (С1…С3). Сборочный чертеж
КЖИ 2.2-0.3.0 Сетка арматурная рабочая (С-1-1…С3-1; С1-1Н…С3-1Н)
КЖИ 2.2-0.3.0 СБ Сетка арматурная рабочая (С-1-1…С3-1; С1-1Н…С3-1Н). Сборочный чертеж
КЖИ 2.2-0.4.0 Сетка арматурная исходная С4
КЖИ 2.2-0.5.0 Сетка арматурная рабочая (С4-1…С4-2Н)
КЖИ 2.2-0.5.0 СБ Сетка арматурная рабочая (С4-1…С4-2Н). Сборочный чертеж
КЖИ 2.1-ТУ Технические условия
КЖИ 2.1-1.0.0 Панель стеновая (ПСДТ 18.38…-Т; ПСТД 18.38…-Т-Н; ПСДТ12.41…-Т; ПСДТ 12.41…-Т-Н; ПСДТ 48.23…-Т; ПСДТ 48.23…-Т-Н; ПСДТ 18.58…-Т; ПСДТ 18.58…-Т-Н; ПСДТ 18.60…-Т; 1ПСДТ 18.60…-Т)
КЖИ 2.1-1.0.0 СБ Панель стеновая (ПСДТ 18.38…-Т; ПСТД 18.38…-Т-Н; ПСДТ12.41…-Т; ПСДТ 12.41…-Т-Н; ПСДТ 48.23…-Т; ПСДТ 48.23…-Т-Н; ПСДТ 18.58…-Т; ПСДТ 18.58…-Т-Н; ПСДТ 18.60…-Т; 1ПСДТ 18.60…-Т). Сборочный чертеж
КЖИ 2.1-2.0.0 Панель стеновая (ПСД 6.12.30-Т-У; ПСД 6.12.30-Т-УП; ПСД 6.12.40-Т-У; ПСД 6.12.40-Т-УП)
КЖИ 2.1-2.0.0 СБ Панель стеновая (ПСД 6.12.30-Т-У; ПСД 6.12.30-Т-УП; ПСД 6.12.40-Т-У; ПСД 6.12.40-Т-УП). Сборочный чертеж
КЖИ 2.1-РС Ведомость расхода стали на 1 элемент
КЖИ 2.2-ТУ Технические условия
КЖИ 2.2-0.1.0 Каркас пространственный (КП1…КП6)
КЖИ 2.2-0.1.0 СБ Каркас пространственный (КП1…КП6). Сборочный чертеж
КЖИ 2.2-0.2.0 Сетка арматурная исходная (С1…С3)
КЖИ 2.2-0.2.0 СБ Сетка арматурная исходная (С1…С3). Сборочный чертеж
КЖИ 2.2-0.3.0 Сетка арматурная рабочая (С-1-1…С3-1; С1-1Н…С3-1Н)
КЖИ 2.2-0.3.0 СБ Сетка арматурная рабочая (С-1-1…С3-1; С1-1Н…С3-1Н). Сборочный чертеж
КЖИ 2.2-0.4.0 Сетка арматурная исходная С4
КЖИ 2.2-0.5.0 Сетка арматурная рабочая (С4-1…С4-2Н)
КЖИ 2.2-0.5.0 СБ Сетка арматурная рабочая (С4-1…С4-2Н). Сборочный чертеж
Разработан: Гипронисельхоз Минсельхоза СССР
Утверждён:14.11.1984 Минсельхоз СССР (USSR Minselkhoz 102)
Расположен в:Техническая документация Экология СТРОИТЕЛЬНЫЕ МАТЕРИАЛЫ И СТРОИТЕЛЬСТВО Строительство Здания и сооружения прочие Строительство Справочные документы Типовые строительные конструкции, изделия и узлы Общероссийский строительный каталог Сельскохозяйственные предприятия, здания и сооружения Предприятия, здания и сооружения для крупного рогатого скота Комплексы и фермы Производство молока Здания и сооружения Производство молока и выращивание нетелей Коровники
Типовой проект 801-2-85.12.87Типовой проект 801-2-85.12.87Типовой проект 801-2-85.12.87Типовой проект 801-2-85.12.87Типовой проект 801-2-85.12.87Типовой проект 801-2-85.12.87Типовой проект 801-2-85.12.87Типовой проект 801-2-85.12.87Типовой проект 801-2-85.12.87Типовой проект 801-2-85.12.87Типовой проект 801-2-85.12.87Типовой проект 801-2-85.12.87Типовой проект 801-2-85.12.87Типовой проект 801-2-85.12.87Типовой проект 801-2-85.12.87Типовой проект 801-2-85.12.87Типовой проект 801-2-85.12.87Типовой проект 801-2-85.12.87Типовой проект 801-2-85.12.87Типовой проект 801-2-85.12.87Типовой проект 801-2-85.12.87Типовой проект 801-2-85.12.87Типовой проект 801-2-85.12.87Типовой проект 801-2-85.12.87Типовой проект 801-2-85.12.87Типовой проект 801-2-85.12.87Типовой проект 801-2-85.12.87Типовой проект 801-2-85.12.87Типовой проект 801-2-85.12.87Типовой проект 801-2-85.12.87Типовой проект 801-2-85.12.87Типовой проект 801-2-85.12.87Типовой проект 801-2-85.12.87Типовой проект 801-2-85.12.87Типовой проект 801-2-85.12.87Типовой проект 801-2-85.12.87Типовой проект 801-2-85.12.87Типовой проект 801-2-85.12.87Типовой проект 801-2-85.12.87Типовой проект 801-2-85.12.87Типовой проект 801-2-85.12.87Типовой проект 801-2-85.12.87Типовой проект 801-2-85.12.87Типовой проект 801-2-85.12.87Типовой проект 801-2-85.12.87Типовой проект 801-2-85.12.87

© 2013 Ёшкин Кот :-) Карта сайта