| ||||||||||||||||||||||||||||||
Скачать Серия 1.134.1-13 Выпуск 2. Книга 1. Блоки бетонные стеновые толщиной 30 см, армированные с применением стали классов Ат-IVС и Врп-I. Рабочие чертежиДата актуализации: 10.08.2017
|
| Обозначение: | Серия 1.134.1-13 |
| Обозначение англ: | Series 1.134.1-13 |
| Статус: | действует |
| Название рус.: | Выпуск 2. Книга 1. Блоки бетонные стеновые толщиной 30 см, армированные с применением стали классов Ат-IVС и Врп-I. Рабочие чертежи |
| Дата добавления в базу: | 01.09.2013 |
| Дата актуализации: | 05.05.2017 |
| Область применения: | Настоящие рабочие чертежи блоков внутренних стен предназначены в проектировании и строительстве 5 и 9-этажных жилых зданий со стенами из крупных легкобетонных блоков в обычных условиях строительства |
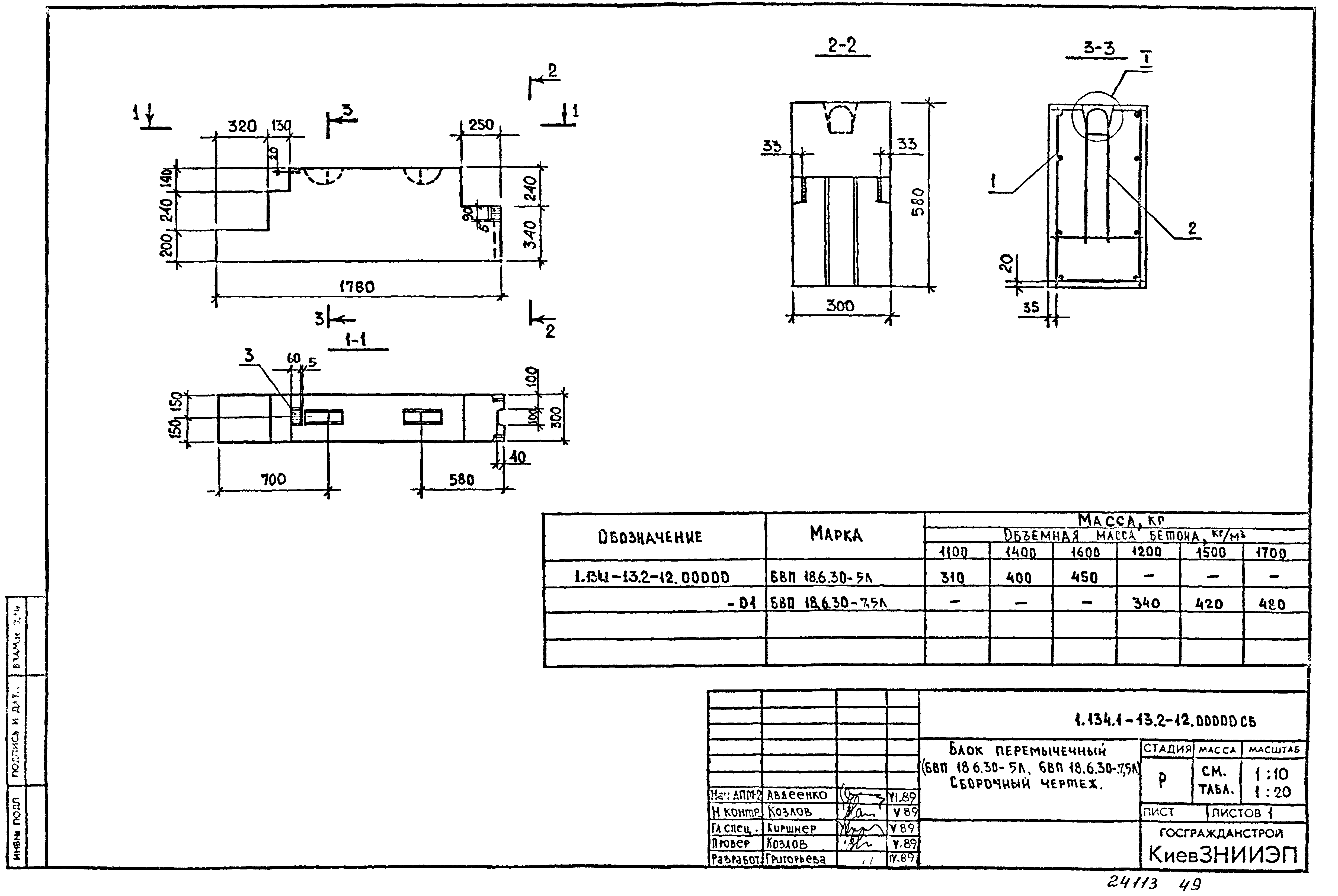
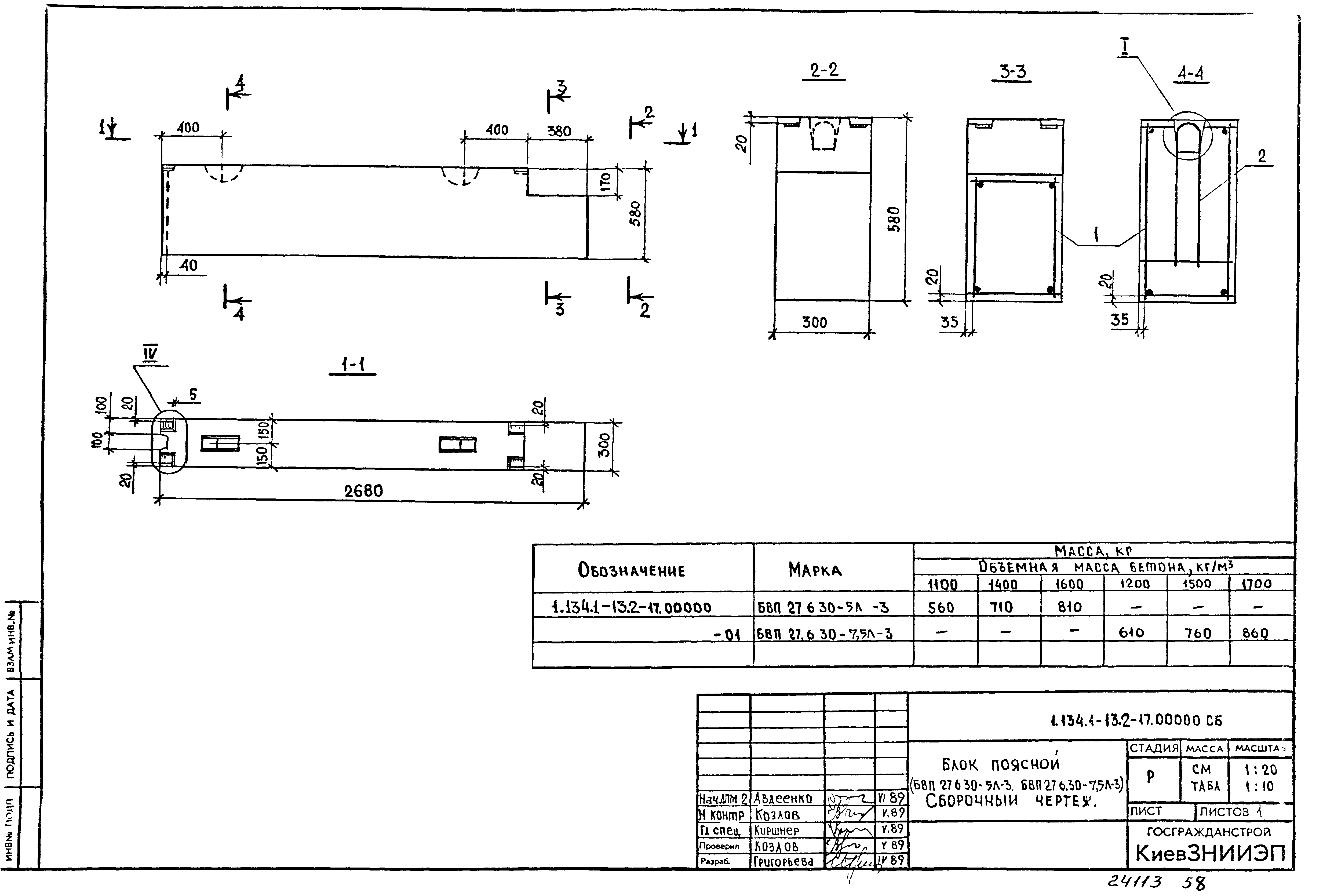
| Оглавление: | 1.134.1-13.2-00.00000 ТО Техническое описание 1.134.1-13.2-01.00000 Блок рядовой (БВ 7.22.30-5л; БВ 9.22.30-5л; БВ 12.22.30-5л; БВ 15.22.30-5л; БВ 18.22.30-5л; БВ 21.22.30-5л; БВ 24.22.30-5л) 1.134.1-13.2-01.00000 СБ Блок рядовой (БВ 7.22.30-5л; БВ 9.22.30-5л; БВ 12.22.30-5л; БВ 15.22.30-5л; БВ 18.22.30-5л; БВ 21.22.30-5л; БВ 24.22.30-5л). Сборочный чертеж 1.134.1-13.2-02.00000 Блок рядовой (БВ 7.22.30-7,5л; БВ 9.22.30-7,5л; БВ 12.22.30-7,5л; БВ 15.22.30-7,5л; БВ 18.22.30-7,5л; БВ 21.22.30-7,5л; БВ 24.22.30-7,5л) 1.134.1-13.2-02.00000 СБ Блок рядовой (БВ 7.22.30-7,5л; БВ 9.22.30-7,5л; БВ 12.22.30-7,5л; БВ 15.22.30-7,5л; БВ 18.22.30-7,5л; БВ 21.22.30-7,5л; БВ 24.22.30-7,5л). Сборочный чертеж 1.134.1-13.2-03.00000 Блок рядовой (БВ 7.22.30-5л-1; БВ 9.22.30-5л-1; БВ 15.22.30-5л-1; БВ 18.22.30-5л-1; БВ 7.22.30-7,5л-1; БВ 9.22.30-7,5л-1; БВ 15.22.30-7,5л-1; БВ 18.22.30-7,5л-1) 1.134.1-13.2-03.00000 СБ Блок рядовой (БВ 7.22.30-5л-1; БВ 9.22.30-5л-1; БВ 15.22.30-5л-1; БВ 18.22.30-5л-1; БВ 7.22.30-7,5л-1; БВ 9.22.30-7,5л-1; БВ 15.22.30-7,5л-1; БВ 18.22.30-7,5л-1). Сборочный чертеж 1.134.1-13.2-04.00000 Блок рядовой (БВ 15.22.30-5л-2; БВ 18.22.30-5л-2; БВ 15.22.30-7,5л-2; БВ 18.22.30-7,5л-2) 1.134.1-13.2-04.00000 СБ Блок рядовой (БВ 15.22.30-5л-2; БВ 18.22.30-5л-2; БВ 15.22.30-7,5л-2; БВ 18.22.30-7,5л-2). Сборочный чертеж 1.134.1-13.2-05.00000 Блок рядовой (БВ 7.22.30-5л-а; БВ 9.22.30-5л-а; БВ 12.22.30-5л-а; БВ 15.22.30-5л-а; БВ 18.22.30-5л-а; БВ 21.22.30-5л-а; БВ 24.22.30-5л-а) 1.134.1-13.2-05.00000 СБ Блок рядовой (БВ 7.22.30-5л-а; БВ 9.22.30-5л-а; БВ 12.22.30-5л-а; БВ 15.22.30-5л-а; БВ 18.22.30-5л-а; БВ 21.22.30-5л-а; БВ 24.22.30-5л-а). Сборочный чертеж 1.134.1-13.2-06.00000 Блок рядовой (БВ 7.22.30-7,5л-а; БВ 9.22.30-7,5л-а; БВ 12.22.30-7,5л-а; БВ 15.22.30-7,5л-а; БВ 18.22.30-7,5л-а; БВ 21.22.30-7,5л-а; БВ 24.22.30-7,5л-а) 1.134.1-13.2-06.00000 СБ Блок рядовой (БВ 7.22.30-7,5л-а; БВ 9.22.30-7,5л-а; БВ 12.22.30-7,5л-а; БВ 15.22.30-7,5л-а; БВ 18.22.30-7,5л-а; БВ 21.22.30-7,5л-а; БВ 24.22.30-7,5л-а). Сборочный чертеж 1.134.1-13.2-07.00000 Блок рядовой (БВ 7.22.30-5л-1а; БВ 9.22.30-5л-1а; БВ 15.22.30-5л-1а; БВ 18.22.30-5л-1а; БВ 7.22.30-7,5л-1а; БВ 9.22.30-7,5л-1а; БВ 15.22.30-7,5л-1а; БВ 18.22.30-7,5-1а) 1.134.1-13.2-07.00000 СБ Блок рядовой (БВ 7.22.30-5л-1а; БВ 9.22.30-5л-1а; БВ 15.22.30-5л-1а; БВ 18.22.30-5л-1а; БВ 7.22.30-7,5л-1а; БВ 9.22.30-7,5л-1а; БВ 15.22.30-7,5л-1а; БВ 18.22.30-7,5-1а). Сборочный чертеж 1.134.1-13.2-08.00000 Блок рядовой (БВ 15.22.30-5л-2а; БВ 18.22.30-5л-2а; БВ 15.22.30-7,5л-2а; БВ 18.22.30-7,5л-2а) 1.134.1-13.2-08.00000 СБ Блок рядовой (БВ 15.22.30-5л-2а; БВ 18.22.30-5л-2а; БВ 15.22.30-7,5л-2а; БВ 18.22.30-7,5л-2а). Сборочный чертеж 1.134.1-13.2-09.00000 Блок поясной (БВП 9.3.30-5л; БВП 12.3.30-5л; БВП 15.3.30-5л; БВП 18.3.30-5л; БВП 21.3.30-5л; БВП 24.3.30-5л; БВП 27.3.20-5л; БВП 30.3.30-5л) 1.134.1-13.2-09.00000 СБ Блок поячной (БВП 9.3.30-5л; БВП 12.3.30-5л; БВП 15.3.30-5л; БВП 18.3.30-5л; БВП 21.3.30-5л; БВП 24.3.30-5л; БВП 27.3.20-5л; БВП 30.3.30-5л). Сборочный чертеж 1.134.1-13.2-10.00000 Блок поясной (БВП 9.3.30-7,5л; БВП 12.3.30-7,5л; БВП 15.3.30-7,5л; БВП 18.3.30-7,5л; БВП 21.3.30-7,5л; БВП 24.3.30-7,5л; БВП 27.3.20-7,5л; БВП 30.3.30-7,5л) 1.134.1-13.2-10.00000 СБ Блок поясной (БВП 9.3.30-7,5л; БВП 12.3.30-7,5л; БВП 15.3.30-7,5л; БВП 18.3.30-7,5л; БВП 21.3.30-7,5л; БВП 24.3.30-7,5л; БВП 27.3.20-7,5л; БВП 30.3.30-7,5л). Сборочный чертеж 1.134.1-13.2-11.00000 Блок поясной (БВП 9.6.30-5л; БВП 21.6.30-5л; БВП 30.6.30-5л; БВП 9.6.30-7,5л; БВП 21.6.30-7,5л; БВП 30.6.30-7,5л) 1.134.1-13.2-11.00000 СБ Блок поясной (БВП 9.6.30-5л; БВП 21.6.30-5л; БВП 30.6.30-5л; БВП 9.6.30-7,5л; БВП 21.6.30-7,5л; БВП 30.6.30-7,5л). Сборочный чертеж 1.134.1-13.2-12.00000 Блок перемычный (БВП 18.6.30-5л; БВП 18.6.30-7,5л) 1.134.1-13.2-13.00000 Блок перемычный (БВП 20.6.30-5л; БВП 20.6.30-7,5л) 1.134.1-13.2-12.00000 СБ Блок перемычный (БВП 18.6.30-5л; БВП 18.6.30-7,5л). Сборочный чертеж 1.134.1-13.2-13.00000 СБ Блок перемычный (БВП 20.6.30-5л; БВП 20.6.30-7,5л). Сборочный чертеж 1.134.1-13.2-14.00000 Блок перемычный (БВП 27.6.30-5л; БВП 27.6.30-7,5л) 1.134.1-13.2-14.00000 СБ Блок перемычный (БВП 27.6.30-5л; БВП 27.6.30-7,5л). Сборочный чертеж 1.134.1-13.2-15.00000 Блок поясной (БВП 27.6.30-5л-1; БВП 27.6.30-5л-1а; БВП 27.6.30-7,5л; БВП 27.6.30-7,5л-1а) 1.134.1-13.2-15.00000 СБ Блок поясной (БВП 27.6.30-5л-1; БВП 27.6.30-5л-1а; БВП 27.6.30-7,5л-2; БВП 27.6.30-7,5л-1а). Сборочный чертеж 1.134.1-13.2-16.00000 Блок поясной (БВП 27.6.30-5л-2; БВП 27.6.30-5л-2а; БВП 27.6.30-7,5л-2; БВП 27.6.30-7,5л-2а) 1.134.1-13.2-16.00000 СБ Блок поясной (БВП 27.6.30-5л-2; БВП 27.6.30-5л-2а; БВП 27.6.30-7,5л-2; БВП 27.6.30-7,5л-2а). Сборочный чертеж 1.134.1-13.2-17.00000 Блок поясной (БВП 27.6.30-5л-3; БВП 27.6.30-7,5л-3л) 1.134.1-13.2-18.00000 Блок поясной (БВП 26.6.30-5л; БВП 26.6.30-7,5л) 1.134.1-13.2-17.00000 СБ Блок поясной (БВП 27.6.30-5л-3; БВП 27.6.30-7,5л-3л). Сборочный чертеж 1.134.1-13.2-18.00000 СБ Блок поясной (БВП 26.6.30-5л; БВП 26.6.30-7,5л). Сборочный чертеж 1.134.1-13.2-19.00000 Блок поясной электротехнический (БВП 34.6.30-5л; БВП 34.6.30-7,5л; БВП 34.6.30-12,5) 1.134.1-13.2-20.00000 Блок поясной электротехнический (БВП 34.6.30-5л-1; БВП 34.6.30-7,5л-1; БВП 34.6.30-12,5-1) 1.134.1-13.2-19.00000 СБ Блок поясной электротехнический (БВП 34.6.30-5л; БВП 34.6.30-7,5л; БВП 34.6.30-12,5). Сборочный чертеж 1.134.1-13.2-20.00000 СБ Блок поясной электротехнический (БВП 34.6.30-5л-1; БВП 34.6.30-7,5л-1; БВП 34.6.30-12,5-1). Сборочный чертеж 1.134.1-13.2-21.00000 Блок поясной электротехнический (БВП 34.6.30-5л-2; БВП 34.6.30-7,5л-2; БВП 34.6.30-12,5-2) 1.134.1-13.2-22.00000 Блок поясной электротехнический (БВП 34.6.30-5л-3; БВП 34.6.30-7,5л-3; БВП 34.6.30-12,5-3) 1.134.1-13.2-21.00000 СБ Блок поясной электротехнический (БВП 34.6.30-5л-2; БВП 34.6.30-7,5л-2; БВП 34.6.30-12,5-2). Сборочный чертеж 1.134.1-13.2-22.00000 СБ Блок поясной электротехнический (БВП 34.6.30-5л-3; БВП 34.6.30-7,5л-3; БВП 34.6.30-12,5-3). Сборочный чертеж 1.134.1-13.2-23.00000 Блок поясной электротехнический (БВП 34.3.30-5л; БВП 34.3.30-7,5л; БВП 34.3.30-12,5) 1.134.1-13.2-24.00000 Блок поясной электротехнический (БВП 34.3.30-5л-1; БВП 34.3.30-7,5л-1; БВП 34.3.30-12,5-1) 1.134.1-13.2-23.00000 СБ Блок поясной электротехнический (БВП 34.3.30-5л; БВП 34.3.30-7,5л; БВП 34.3.30-12,5). Сборочный чертеж 1.134.1-13.2-24.00000 СБ Блок поясной электротехнический (БВП 34.3.30-5л-1; БВП 34.3.30-7,5л-1; БВП 34.3.30-12,5-1). Сборочный чертеж 1.134.1-13.2-25.00000 Блок поясной электротехнический (БВП 46.6.30-5л; БВП 46.6.30-7,5л; БВП 46.6.30-12,5) 1.134.1-13.2-26.00000 Блок поясной электротехнический (БВП 46.6.30-5л-1; БВП 46.6.30-7,5л-1; БВП 46.6.30-12,5-1) 1.134.1-13.2-25.00000 СБ Блок поясной электротехнический (БВП 46.6.30-5л; БВП 46.6.30-7,5л; БВП 46.6.30-12,5). Сборочный чертеж 1.134.1-13.2-26.00000 СБ Блок поясной электротехнический (БВП 46.6.30-5л-1; БВП 46.6.30-7,5л-1; БВП 46.6.30-12,5-1). Сборочный чертеж 1.134.1-13.2-27.00000 Блок поясной электротехнический БВП 34.6.30-12,5-а 1.134.1-13.2-28.00000 Блок поясной электротехнический БВП 34.6.30-12,5-1а |
| Разработан: | КиевЗНИИЭП |
| Утверждён: | 19.06.1989 Госкомархитектура (114) |
| Издан: | ЦИТП Госстроя СССР (CITP, Gosstroy (USSR) 1990 г. ) |
| Расположен в: | |
| Нормативные ссылки: |
|








































































