| ||||||||||||||||||||||||||||||||
Скачать Серия 1.134.1-13 Выпуск 1. Блоки бетонные стеновые толщиной 30 смДата актуализации: 10.08.2017
|
| Обозначение: | Серия 1.134.1-13 |
| Обозначение англ: | Series 1.134.1-13 |
| Статус: | действует |
| Название рус.: | Выпуск 1. Блоки бетонные стеновые толщиной 30 см |
| Дата добавления в базу: | 01.09.2013 |
| Дата актуализации: | 05.05.2017 |
| Область применения: | Настоящие рабочие чертежи блоков внутренних стен предназначены для применения в проектировании и строительстве 5 и 9 этажных жилых зданий со стенами из крупных легкобетонных блоков в обычных условиях строительства |
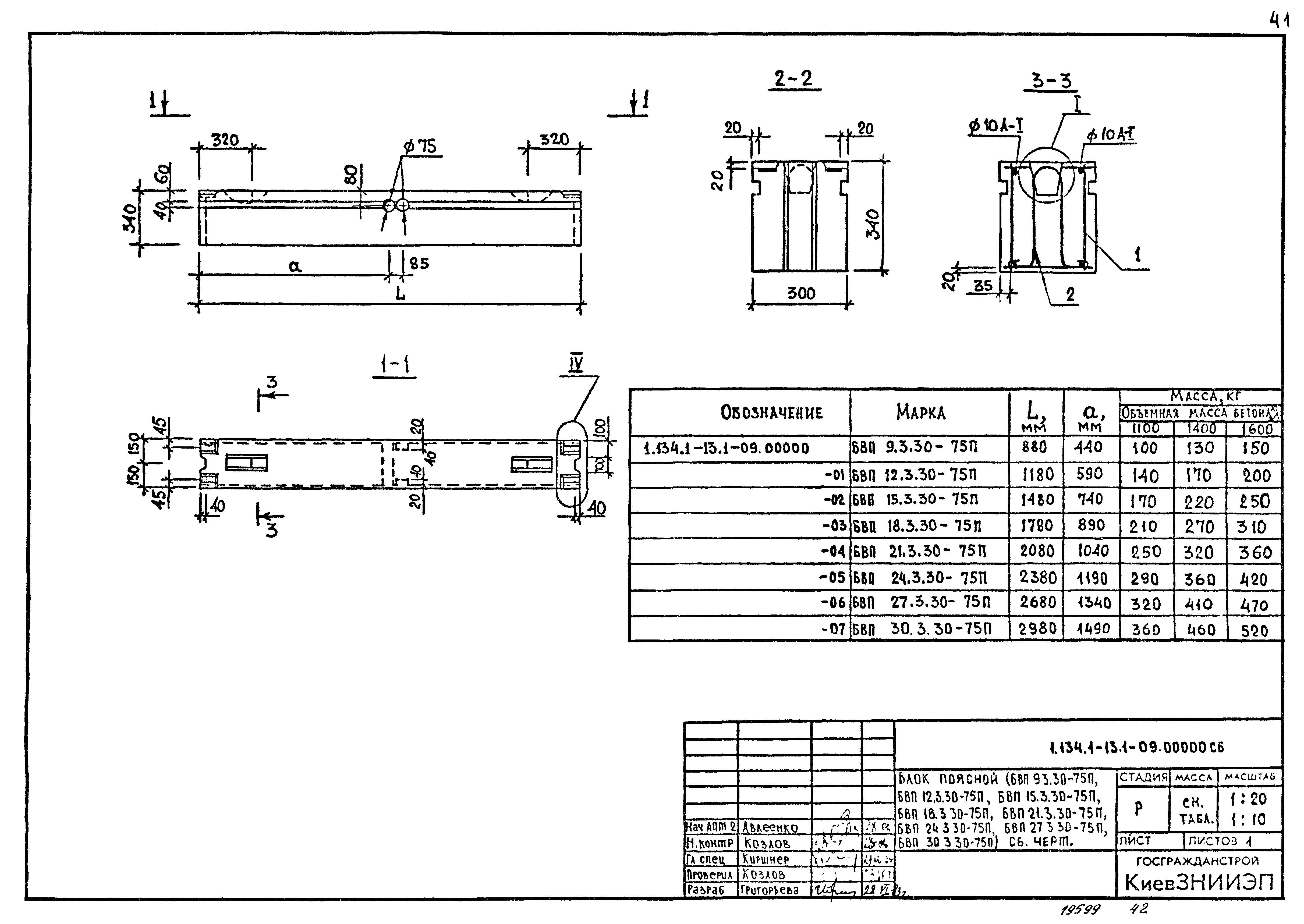
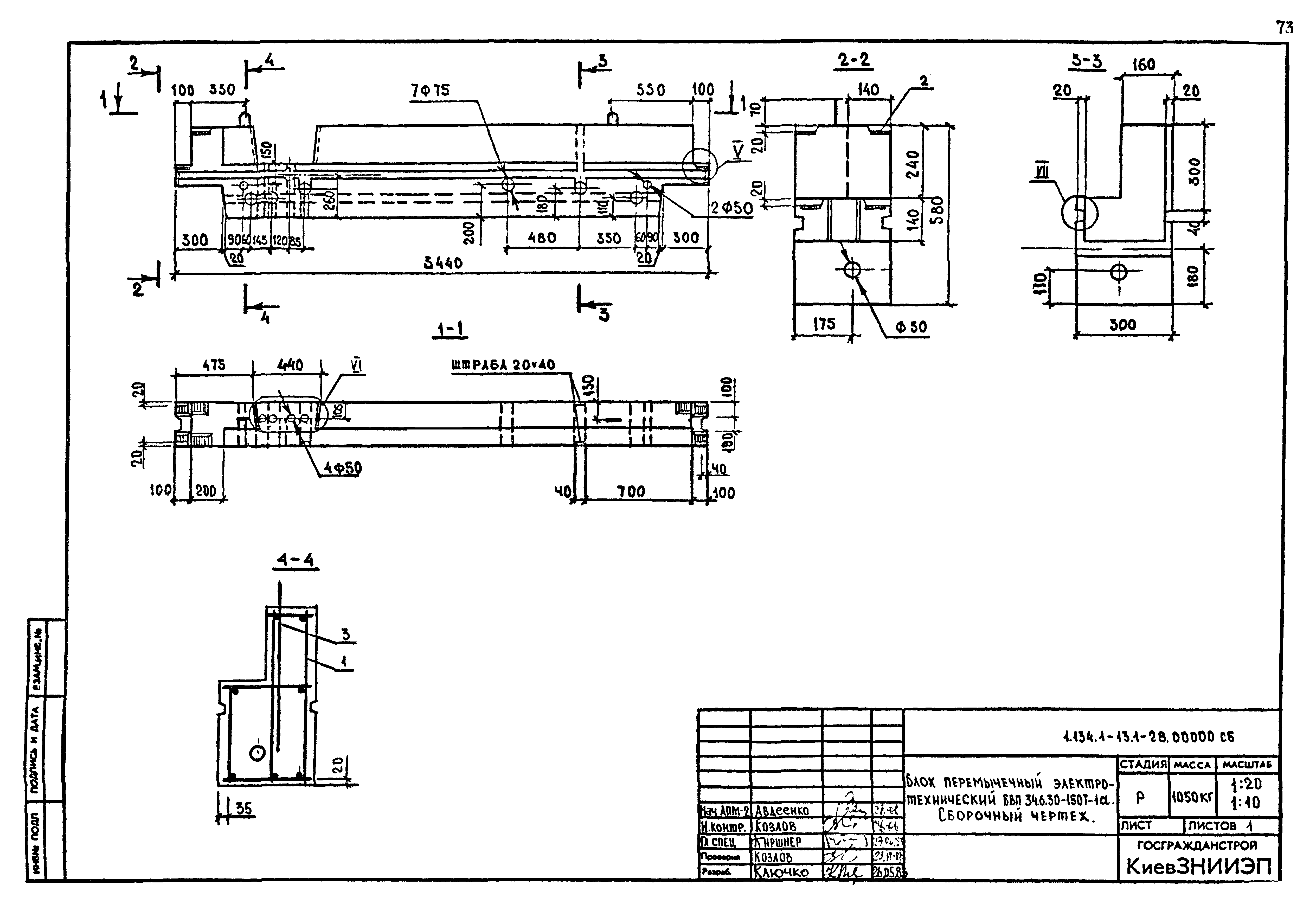
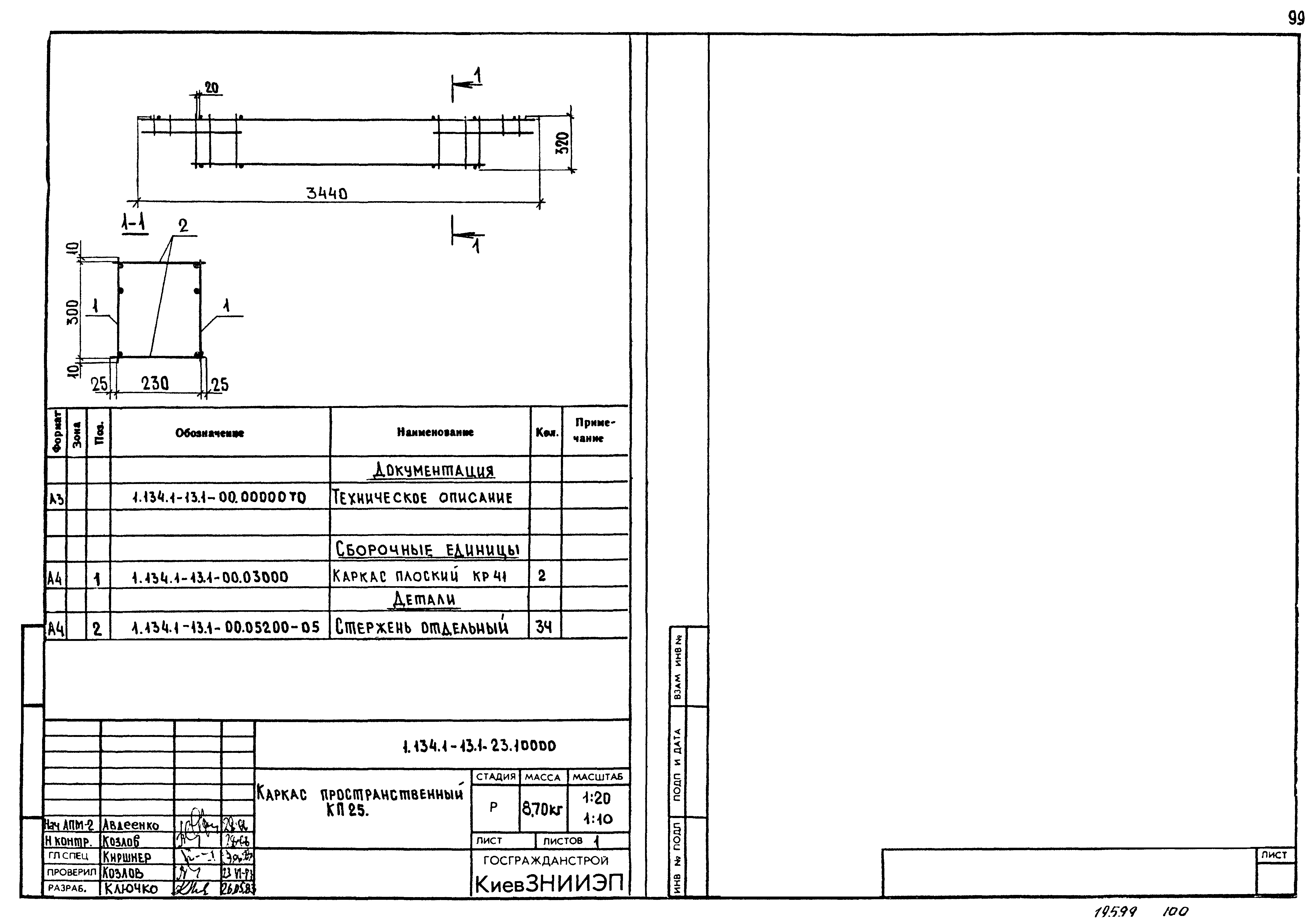
| Оглавление: | 1.134.1-13.1-00.00000 ВС Содержание 1.134.1-13.1-00.00000 ТО Техническое описание 1.134.1-13.1-01.00000 Блок рядовой (БВ 7.22.30-75П; БВ 9.22.30-75П; БВ 12.22.30-75П; БВ 15.22.30-75П; БВ 18.22.30-75П; БВ 21.22.30-75П; БВ 24.22.30-75П) 1.134.1-13.1-01.00000 СБ Блок рядовой (БВ 7.22.30-75; БВ 8.22.30-75П; БВ 12.22.30-75П; БВ 15.22.30-75П; БВ 18.22.30-75П; БВ 21.22.30-75П; БВ 24.22.30-75П). Сборочный чертеж 1.134.1-13.1-02.00000 Блок рядовой (БВ 7.22.30-100П; БВ 9.22.30-100П; БВ 12.22.30-100П; БВ 15.22.30-100П; БВ 18.22.30-100П; БВ 21.22.30-100П; БВ 24.22.30-100П) 1.134.1-13.1-02.00000 СБ Блок рядовой (БВ 7.22.30-100П; БВ 9.22.30-100П; БВ 12.22.30-100П; БВ 15.22.30-100П; БВ 18.22.30-100П; БВ 21.22.30-100П; БВ 24.22.30-100П). Сборочный чертеж 1.134.1-13.1-03.00000 Блок рядовой (БВ 7.22.30-75П-1; БВ 9.22.30-75П-1; БВ 15.22.30-75П-1; БВ 18.22.30-75П-1; БВ 7.22.30-100П-1; БВ 9.22.30-100П-1; БВ 15.22.30-100П-1; БВ 18.22.30-100П-1) 1.134.1-13.1-03.00000 СБ Блок рядовой (БВ 7.22.30-75П-1; БВ 9.22.30-75П-1; БВ 15.22.30-75П-1; БВ 18.22.30-75П-1; БВ 7.22.30-100П-1; БВ 9.22.30-100П-1; БВ 15.22.30-100П-1; БВ 18.22.30-100П-1). Сборочный чертеж 1.134.1-13.1-04.00000 Блок рядовой (БВ 15.22.30-75П-2; БВ 18.22.30-75П-2; БВ 15.22.30-100П-2; БВ 18.22.30-100П-2) 1.134.1-13.1-04.00000 СБ Блок рядовой (БВ 15.22.30-75П-2; БВ 18.22.30-75П-2; БВ 15.22.30-100П-2; БВ 18.22.30-100П-2). Сборочный чертеж 1.134.1-13.1-05.00000 Блок рядовой (БВ 7.22.30-75П-а; БВ 9.22.30-75П-а; БВ 12.22.30-75П-а; БВ 15.22.30-75П-а; БВ 18.22.30-75П-а; БВ 21.22.30-75П-а; БВ 24.22.30-75П-а) 1.134.1-13.1-05.00000 СБ Блок рядовой (БВ 7.22.30-75П-а; БВ 9.22.30-75П-а; БВ 12.22.30-75П-а; БВ 15.22.30-75П-а; БВ 18.22.30-75П-а; БВ 21.22.30-75П-а; БВ 24.22.30-75П-а). Сборочный чертеж 1.134.1-13.1-06.00000 Блок рядовой (БВ 7.22.30-100П-а; БВ 9.22.30-100П-а; БВ 12.22.30-100П-а; БВ 15.22.30-100П-а; БВ 18.22.30-100П-а; БВ 21.22.30-100П-а; БВ 24.22.30-100П-а) 1.134.1-13.1-06.00000 СБ Блок рядовой (БВ 7.22.30-100П-а; БВ 9.22.30-100П-а; БВ 12.22.30-100П-а; БВ 15.22.30-100П-а; БВ 18.22.30-100П-а; БВ 21.22.30-100П-а; БВ 24.22.30-100П-а). Сборочный чертеж 1.134.1-13.1-07.00000 Блок рядовой (БВ 7.22.30-75П-1а; БВ 9.22.30-75П-1а; БВ 15.22.30-75П-1а; БВ 18.22.30-75П-1а; БВ 7.22.30-100П-1а; БВ 9.22.30-100П-1а; БВ 15.22.30-100П-1а; БВ 18.22.30-100П-1а) 1.134.1-13.1-07.00000 СБ Блок рядовой (БВ 7.22.30-75П-1а; БВ 9.22.30-75П-1а; БВ 15.22.30-75П-1а; БВ 18.22.30-75П-1а; БВ 7.22.30-100П-1а; БВ 9.22.30-100П-1а; БВ 15.22.30-100П-1а; БВ 18.22.30-100П-1а). Сборочный чертеж 1.134.1-13.1-08.00000 Блок рядовой (БВ 15.22.30-75П-2а; БВ 18.22.30-75П-2а; БВ 15.22.30-100П-2а; БВ 18.22.30-100П-2а) 1.134.1-13.1-08.00000 СБ Блок рядовой (БВ 15.22.30-75П-2а; БВ 18.22.30-75П-2а; БВ 15.22.30-100П-2а; БВ 18.22.30-100П-2а). Сборочный чертеж 1.134.1-13.1-09.00000 Блок поясной (БВП 9.3.30-75П; БВП 12.3.30-75П; БВП 15.3.30-75П; БВП 18.3.30-75П; БВП 21.3.30-75П; БВП 24.3.30-75П; БВП 27.3.30-75П; БВП 30.3.30-75П) 1.134.1-13.1-09.00000 СБ Блок поясной (БВП 9.3.30-75П; БВП 12.3.30-75П; БВП 15.3.30-75П; БВП 18.3.30-75П; БВП 21.3.30-75П; БВП 24.3.30-75П; БВП 27.3.30-75П; БВП 30.3.30-75П). Сборочный чертеж 1.134.1-13.1-10.00000 Блок поясной (БВП 9.3.30-100П; БВП 12.3.30-100П; БВП 15.3.30-100П; БВП 18.3.30-100П; БВП 21.3.30-100П; БВП 24.3.30-100П; БВП 27.3.20-100П; БВП 30.3.30-100П) 1.134.1-13.1-10.00000 СБ Блок поясной (БВП 9.3.30-100П; БВП 12.3.30-100П; БВП 15.3.30-100П; БВП 18.3.30-100П; БВП 21.3.30-100П; БВП 24.3.30-100П; БВП 27.3.20-100П; БВП 30.3.30-100П). Сборочный чертеж 1.134.1-13.1-11.00000 Блок поясной (БВП 9.6.30-75П; БВП 21.6.30-75П; БВП 30.6.30-75П; БВП 9.6.30-100П; БВП 21.6.30-100П; БВП 30.6.30-100П) 1.134.1-13.1-11.00000 СБ Блок поясной (БВП 9.6.30-75П; БВП 21.6.30-75П; БВП 30.6.30-75П; БВП 9.6.30-100П; БВП 21.6.30-100П; БВП 30.6.30-100П). Сборочный чертеж 1.134.1-13.1-12.00000 Блок перемычный (БВП 18.6.30-75П; БВП 18.6.30-100П) 1.134.1-13.1-13.00000 Блок перемычный (БВП 20.6.30-75П; БВП 20.6.30-100П) 1.134.1-13.1-12.00000 СБ Блок перемычный (БВП 18.6.30-75П; БВП 18.6.30-100П). Сборочный чертеж 1.134.1-13.1-13.00000 СБ Блок перемычный (БВП 20.6.30-75П; БВП 20.6.30-100П). Сборочный чертеж 1.134.1-13.1-14.00000 Блок перемычный (БВП 27.6.30-75П; БВП 27.6.30-100П) 1.134.1-13.1-14.00000 СБ Блок перемычный (БВП 27.6.30-75П; БВП 27.6.30-100П). Сборочный чертеж 1.134.1-13.1-15.00000 Блок поясной (БВП 27.6.30-75П-1; БВП 27.6.30-75П-1а; БВП 27.6.30-100П-1; БВП 27.6.30-100П-1а) 1.134.1-13.1-15.00000 СБ Блок поясной (БВП 27.6.30-75П-1; БВП 27.6.30-75П-1а; БВП 27.6.30-100П-1; БВП 27.6.30-100П-1а). Сборочный чертеж 1.134.1-13.1-16.00000 Блок поясной (БВП 27.6.30-75П-2; БВП 27.6.30-75П-2а; БВП 27.6.30-100П-2; БВП 27.6.30-100П-2а) 1.134.1-13.1-16.00000 СБ Блок поясной (БВП 27.6.30-75П-2; БВП 27.6.30-75П-2а; БВП 27.6.30-100П-2; БВП 27.6.30-100П-2а). Сборочный чертеж 1.134.1-13.1-17.00000 Блок поясной (БВП 27.6.30-75П-3; БВП 27.6.30-100П-3) 1.134.1-13.1-18.00000 Блок поясной (БВП 26.6.30-75П; БВП 26.6.30-100П) 1.134.1-13.1-17.00000 СБ Блок поясной (БВП 27.6.30-75П-3; БВП 27.6.30-100П-3). Сборочный чертеж 1.134.1-13.1-18.00000 СБ Блок поясной (БВП 26.6.30-75П; БВП 26.6.30-100П). Сборочный чертеж 1.134.1-13.1-19.00000 Блок поясной электротехнический (БВП 34.6.30-75П; БВП 34.6.30-100П; БВП 34.6.30-150Т) 1.134.1-13.1-20.00000 Блок поясной электротехнический (БВП 34.6.30-75П-1; БВП 34.6.30-100П-1; БВП 34.6.30-150Т-1) 1.134.1-13.1-19.00000 СБ Блок поясной электротехнический (БВП 34.6.30-75П; БВП 34.6.30-100П; БВП 34.6.30-150Т). Сборочный чертеж 1.134.1-13.1-20.00000 СБ Блок поясной электротехнический (БВП 34.6.30-75П-1; БВП 34.6.30-100П-1; БВП 34.6.30-150Т-1). Сборочный чертеж 1.134.1-13.1-21.00000 Блок поясной электротехнический (БВП 34.6.30-75П-2; БВП 34.6.30-100П-2; БВП 34.6.30-150Т-2) 1.134.1-13.1-22.00000 Блок поясной электротехнический (БВП 34.6.30-75П-3; БВП 34.6.30-100П-3; БВП 34.6.30-150Т-3) 1.134.1-13.1-21.00000 СБ Блок поясной электротехнический (БВП 34.6.30-75П-2; БВП 34.6.30-100П-2; БВП 34.6.30-150Т-2). Сборочный чертеж 1.134.1-13.1-22.00000 СБ Блок поясной электротехнический (БВП 34.6.30-75П-3; БВП 34.6.30-100П-3; БВП 34.6.30-150Т-3). Сборочный чертеж 1.134.1-13.1-23.00000 Блок поясной электротехнический (БВП 34.3.30-75П; БВП 34.3.30-100П; БВП 34.3.30-150Т) 1.134.1-13.1-24.00000 Блок поясной электротехнический (БВП 34.3.30-75П-1; БВП 34.3.30-100П-1; БВП 34.3.30-150Т-1) 1.134.1-13.1-23.00000 СБ Блок поясной электротехнический (БВП 34.3.30-75П; БВП 34.3.30-100П; БВП 34.3.30-150Т). Сборочный чертеж 1.134.1-13.1-24.00000 СБ Блок поясной электротехнический (БВП 34.3.30-75П-1; БВП 34.3.30-100П-1; БВП 34.3.30-150Т-1). Сборочный чертеж 1.134.1-13.1-25.00000 Блок поясной электротехнический (БВП 46.6.30-75П; БВП 46.6.30-100П; БВП 46.6.30-150Т) 1.134.1-13.1-26.00000 Блок поясной электротехнический (БВП 46.6.30-75П-1; БВП 46.6.30-100П-1; БВП 46.6.30-150Т-1) 1.134.1-13.1-25.00000 СБ Блок поясной электротехнический (БВП 46.6.30-75П; БВП 46.6.30-100П; БВП 46.6.30-150Т). Сборочный чертеж 1.134.1-13.1-26.00000 СБ Блок поясной электротехнический (БВП 46.6.30-75П-1; БВП 46.6.30-100П-1; БВП 46.6.30-150Т-1). Сборочный чертеж 1.134.1-13.1-27.00000 Блок перемычный электротехнический БВП 34.6.30-150Т-а 1.134.1-13.1-28.00000 Блок перемычный электротехнический БВП 34.6.30-150Т-1а 1.134.1-13.1-27.00000 СБ Блок перемычный электротехнический БВП 34.6.30-150Т-а. Сборочный чертеж 1.134.1-13.1-28.00000 СБ Блок перемычный электротехнический БВП 34.6.30-150Т-1а. Сборочный чертеж 1.134.1-13.1-29.00000 Блок перемычный электротехнический БВП 34.6.30-150Т-2а 1.134.1-13.1-30.00000 Блок перемычный электротехнический БВП 34.6.30-150Т-3а 1.134.1-13.1-29.00000 СБ Блок перемычный электротехнический БВП 34.6.30-150Т-2а. Сборочный чертеж 1.134.1-13.1-30.00000 СБ Блок перемычный электротехнический БВП 34.6.30-150Т-3а. Сборочный чертеж 1.134.1-13.1-31.00000 Блок перемычный электротехнический БВП 46.6.30-150Т-а 1.134.1-13.1-32.00000 Блок перемычный электротехнический БВП 46.6.30-150Т-1а 1.134.1-13.1-31.00000 СБ Блок перемычный электротехнический БВП 46.6.30-150Т-а. Сборочный чертеж 1.134.1-13.1-32.00000 СБ Блок перемычный электротехнический БВП 46.6.30-150Т-1а. Сборочный чертеж 1.134.1-13.1-33.00000 Блок электротехнический БВ 20.22.30-75П: БВ 20.22.30-100П; БВ 20.22.30-150Т) 1.134.1-13.1-33.00000 СБ Блок электротехнический БВ 20.22.30-75П: БВ 20.22.30-100П; БВ 20.22.30-150Т). Сборочный чертеж 1.134.1-13.1-00.00000 Д1 Узлы I/ VIII 1.134.1-13.1-00.10000 Блок арматурный (БА1/ БА10) 1.134.1-13.1-00.10000 СБ Блок арматурный (БА1/ БА10). Сборочный чертеж 1.134.1-13.1-00.20000 Блок арматурный (БА11/ БА20) 1.134.1-13.1-00.20000 СБ Блок арматурный (БА11/ БА20). Сборочный чертеж 1.134.1-13.1-09.10000 Каркас пространственный (КП1/ КП7) 1.134.1-13.1-09.10000 СБ Каркас пространственный (КП1/ КП7). Сборочный чертеж 1.134.1-13.1-09.20000 Каркас пространственный КП8 1.134.1-13.1-11.10000 Каркас пространственный (КП9, КП10, КП11) 1.134.1-13.1-11.10000 СБ Каркас пространственный (КП9, КП10, КП11). Сборочный чертеж 1.134.1-13.1-12.10000 Каркас пространственный КП12 1.134.1-13.1-13.10000 Каркас пространственный КП13 1.134.1-13.1-14.10000 Каркас пространственный КП14 1.134.1-13.1-15.10000 Каркас пространственный (КП15, КП16) 1.134.1-13.1-15.10000 СБ Каркас пространственный (КП15, КП16). Сборочный чертеж 1.134.1-13.1-16.10000 Каркас пространственный (КП17, КП18) 1.134.1-13.1-16.10000 СБ Каркас пространственный (КП17, КП18). Сборочный чертеж 1.134.1-13.1-17.10000 Каркас пространственный КП19 1.134.1-13.1-18.10000 Каркас пространственный КП20 1.134.1-13.1-18.10000 Каркас пространственный КП20. Сборочный чертеж 1.134.1-13.1-19.10000 Каркас пространственный (КП21, КП27) 1.134.1-13.1-19.10000 Каркас пространственный (КП21, КП27). Сборочный чертеж 1.134.1-13.1-20.10000 Каркас пространственный (КП22, КП28) 1.134.1-13.1-20.10000 Каркас пространственный (КП22, КП28). Сборочный чертеж 1.134.1-13.1-21.10000 Каркас пространственный (КП23, КП29) 1.134.1-13.1-21.10000 Каркас пространственный (КП23, КП29). Сборочный чертеж 1.134.1-13.1-22.10000 Каркас пространственный (КП24, КП30) 1.134.1-13.1-22.10000 Каркас пространственный (КП24, КП30). Сборочный чертеж 1.134.1-13.1-23.10000 Каркас пространственный КП25 1.134.1-13.1-25.10000 Каркас пространственный (КП26, КП31) 1.134.1-13.1-25.10000 Каркас пространственный (КП26, КП31). Сборочный чертеж 1.134.1-13.1-33.10000 Каркас пространственный КП32 1.134.1-13.1-33.10000 Каркас пространственный КП32. Сборочный чертеж 1.134.1-13.1-00.00000 Д2 Узлы А/ Г 1.134.1-13.1-00.00100 Каркас плоский (КР1/ КР4) 1.134.1-13.1-00.00100 СБ Каркас плоский (КР1/ КР4). Сборочный чертеж 1.134.1-13.1-00.00200 Каркас плоский (КР5/ КР11) 1.134.1-13.1-00.00200 СБ Каркас плоский (КР5/ КР11). Сборочный чертеж 1.134.1-13.1-00.00300 Каркас плоский КР 1.134.1-13.1-00.00400 Каркас плоский (КР13/ КР15) 1.134.1-13.1-00.00400 СБ Каркас плоский (КР13/ КР15). Сборочный чертеж 1.134.1-13.1-00.00500 Каркас плоский КР16 1.134.1-13.1-00.00600 Каркас плоский КР17 1.134.1-13.1-00.00700 Каркас плоский КР18 1.134.1-13.1-00.00800 Каркас плоский КР19 1.134.1-13.1-00.00900 Каркас плоский КР20 1.134.1-13.1-00.01000 Каркас плоский КР21 1.134.1-13.1-00.01100 Каркас плоский КР22 1.134.1-13.1-00.01200 Каркас плоский КР24 1.134.1-13.1-00.01300 Каркас плоский КР23 1.134.1-13.1-00.01400 Каркас плоский КР25 1.134.1-13.1-00.01500 Каркас плоский КР26 1.134.1-13.1-00.01600 Каркас плоский КР27 1.134.1-13.1-00.01700 Каркас плоский КР28 1.134.1-13.1-00.01800 Каркас плоский КР29 1.134.1-13.1-00.01900 Каркас плоский КР30 1.134.1-13.1-00.02000 Каркас плоский КР31 1.134.1-13.1-00.02100 Каркас плоский КР32 1.134.1-13.1-00.02200 Каркас плоский КР33 1.134.1-13.1-00.02300 Каркас плоский КР34 1.134.1-13.1-00.02400 Каркас плоский КР35 1.134.1-13.1-00.02500 Каркас плоский КР36 1.134.1-13.1-00.02600 Каркас плоский КР37 1.134.1-13.1-00.02700 Каркас плоский КР38 1.134.1-13.1-00.02800 Каркас плоский КР39 1.134.1-13.1-00.02900 Каркас плоский КР40 1.134.1-13.1-00.03000 Каркас плоский КР41 1.134.1-13.1-00.03100 Каркас плоский КР42 1.134.1-13.1-00.03200 Каркас плоский КР43 1.134.1-13.1-00.03300 Каркас плоский КР44 1.134.1-13.1-00.03400 Каркас плоский КР45 1.134.1-13.1-00.03500 Каркас плоский КР46 1.134.1-13.1-00.03600 Каркас плоский КР47 1.134.1-13.1-00.03700 Каркас плоский КР48 1.134.1-13.1-00.03800 Каркас плоский КР49 1.134.1-13.1-00.03900 Каркас плоский КР50 1.134.1-13.1-00.04000 Каркас плоский КР51 1.134.1-13.1-00.04100 Каркас плоский КР52 1.134.1-13.1-00.04200 Каркас плоский КР53 1.134.1-13.1-00.04300 Каркас плоский КР54 1.134.1-13.1-00.04400 Каркас плоский КР55 1.134.1-13.1-00.04500 Изделие закладное МН1 1.134.1-13.1-00.04600 Изделие закладное МН2 1.134.1-13.1-00.04700 Петля строповочная (П12, П13) 1.134.1-13.1-00.04700 СБ Петля строповочная (П12, П13). Сборочный чертеж 1.134.1-13.1-00.04700 Петля строповочная П16 1.134.1-13.1-00.04700 Петля строповочная (П14, П15) 1.134.1-13.1-00.05000 Петля строповочная (П1/ П9) 1.134.1-13.1-00.05000 Петля строповочная (П10/ П11) 1.134.1-13.1-00.05200 Стержень отдельный 1.134.1-13.1-00.00000 ВС Ведомость расхода стали 1.134.1-13.1-00.00000 ВМ Ведомость расхода материалов |
| Разработан: | КиевЗНИИЭП |
| Утверждён: | 26.03.1984 Госгражданстрой (Gosgrazhdanstroy 94) |
| Издан: | ЦИТП Госстроя СССР (CITP, Gosstroy (USSR) 1984 г. ) |
| Расположен в: | |
| Заменяет собой: | |
| Нормативные ссылки: |
|









































































































































































