| ||||||||||||||||||||||||||||||
Скачать Серия 1.134-1 Выпуск 5. Стеновые бетонные блоки толщиной 20 см для 5-этажных жилых зданий с высотой этажа 3,0 м. Рабочие чертежиДата актуализации: 10.08.2017
|
| Обозначение: | Серия 1.134-1 |
| Обозначение англ: | Series 1.134-1 |
| Статус: | действует |
| Название рус.: | Выпуск 5. Стеновые бетонные блоки толщиной 20 см для 5-этажных жилых зданий с высотой этажа 3,0 м. Рабочие чертежи |
| Дата добавления в базу: | 01.09.2013 |
| Дата актуализации: | 05.05.2017 |
| Область применения: | Рабочие чертежи предназначены для изготовления блоков предприятиями строительной индустрии и применения в строительстве жилых домов с высотой этажа 3.0 м |
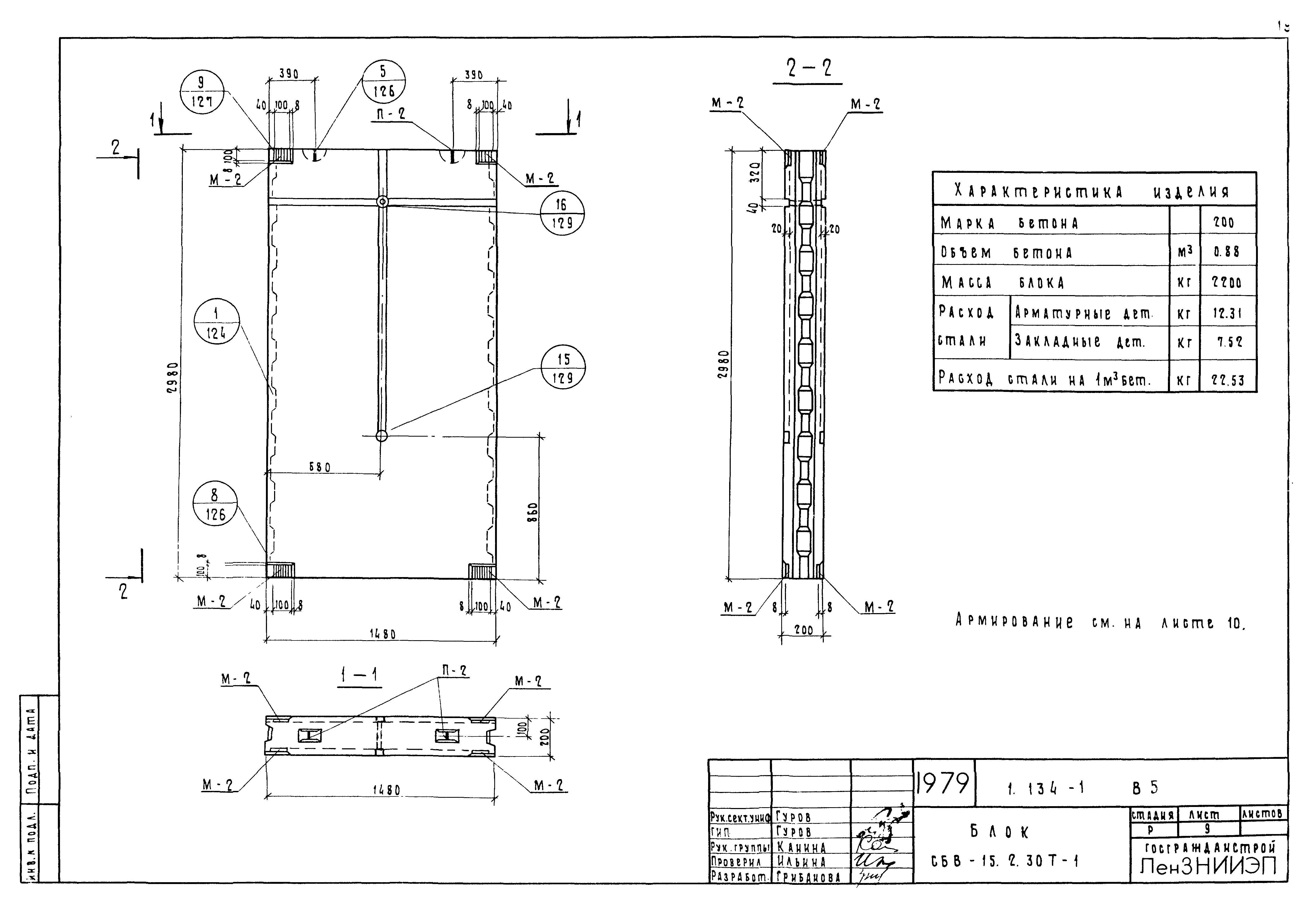
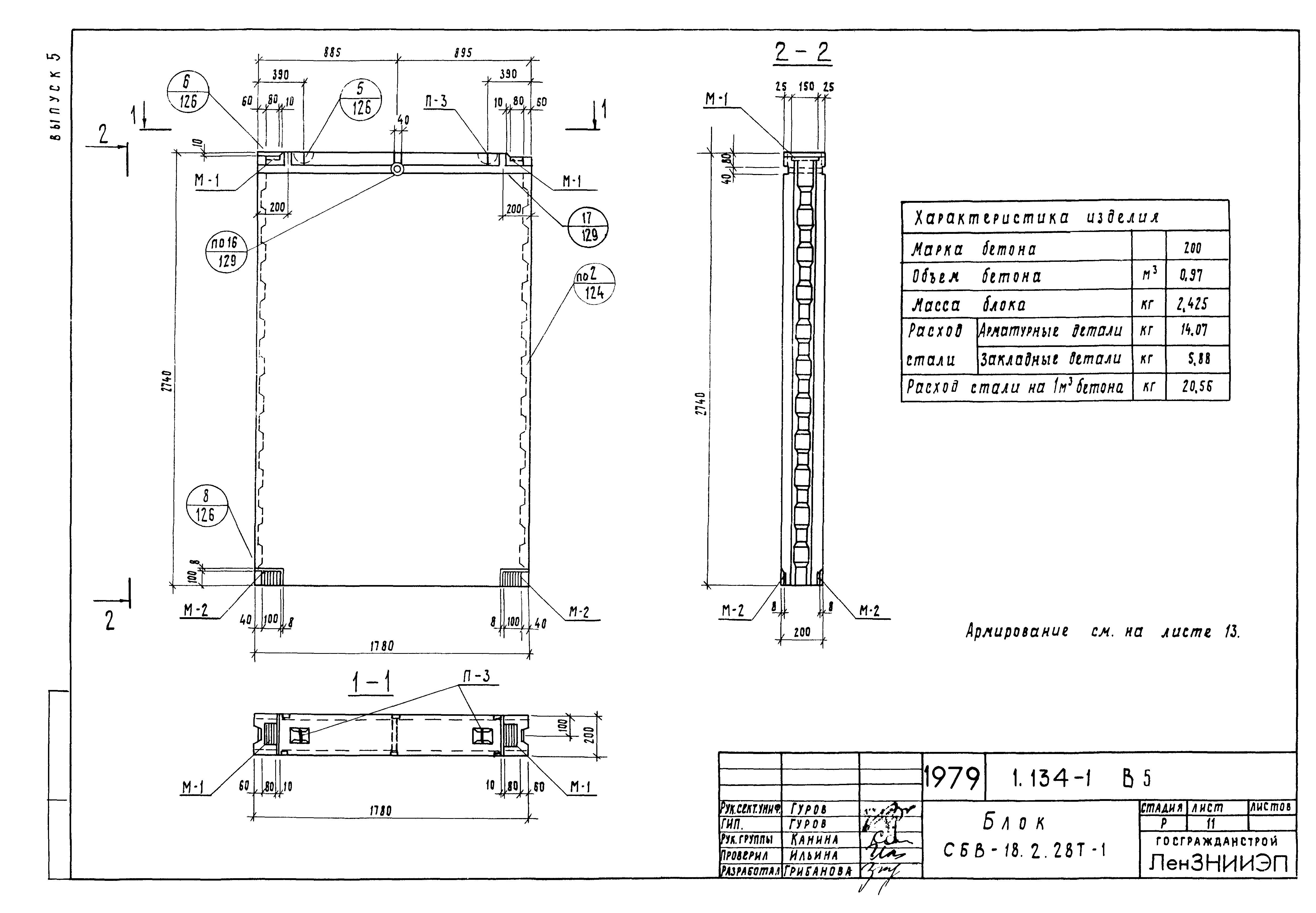
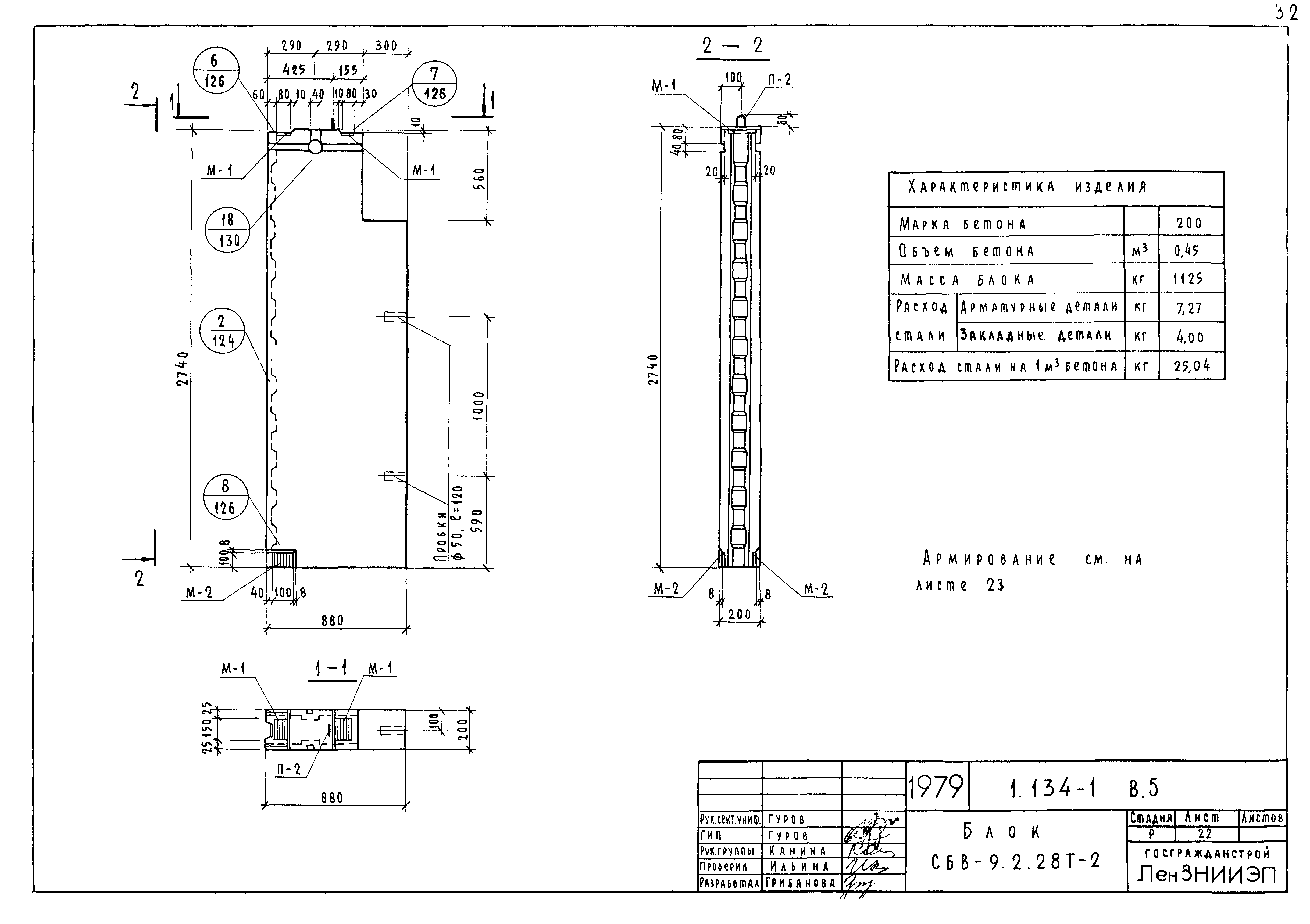
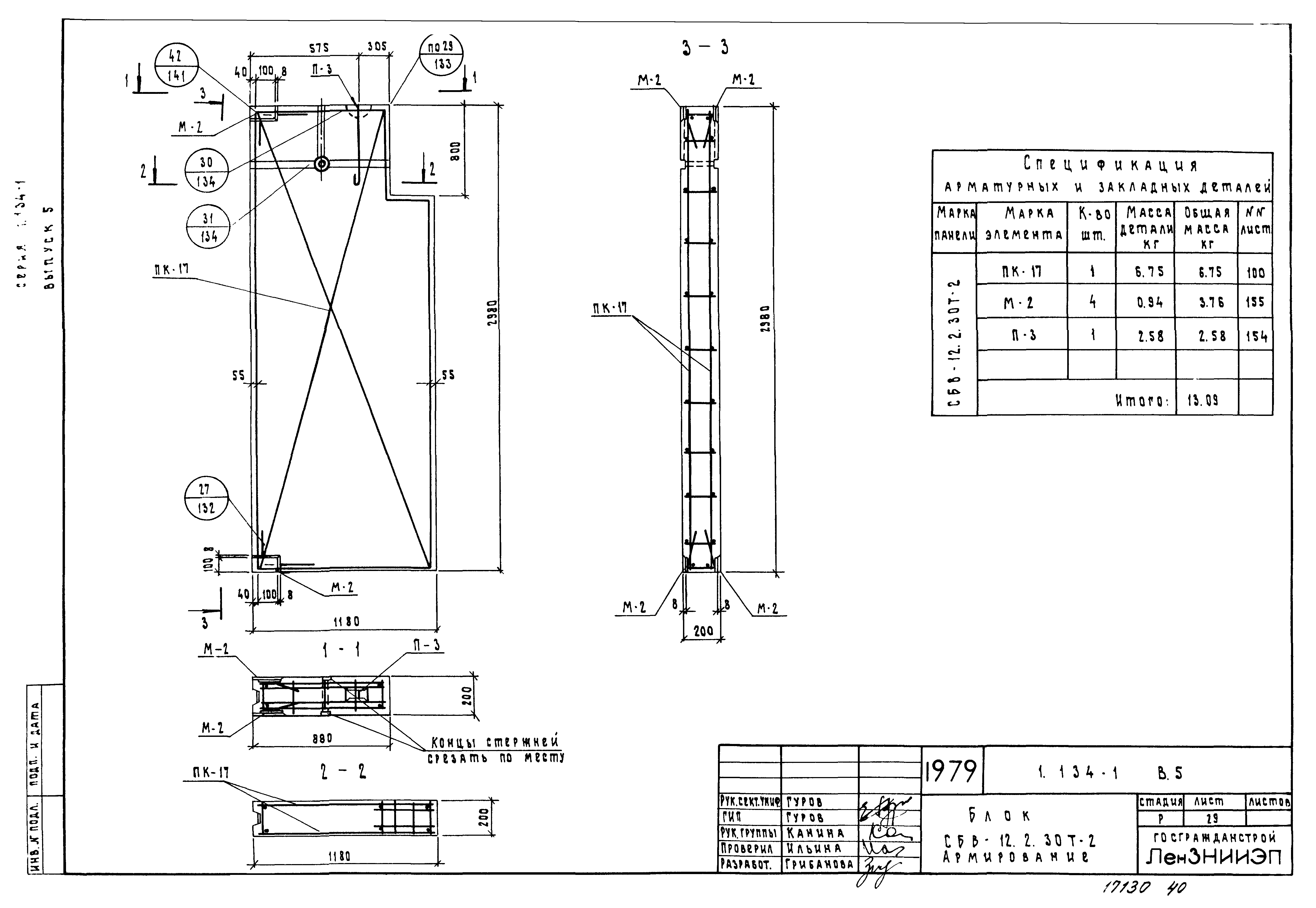
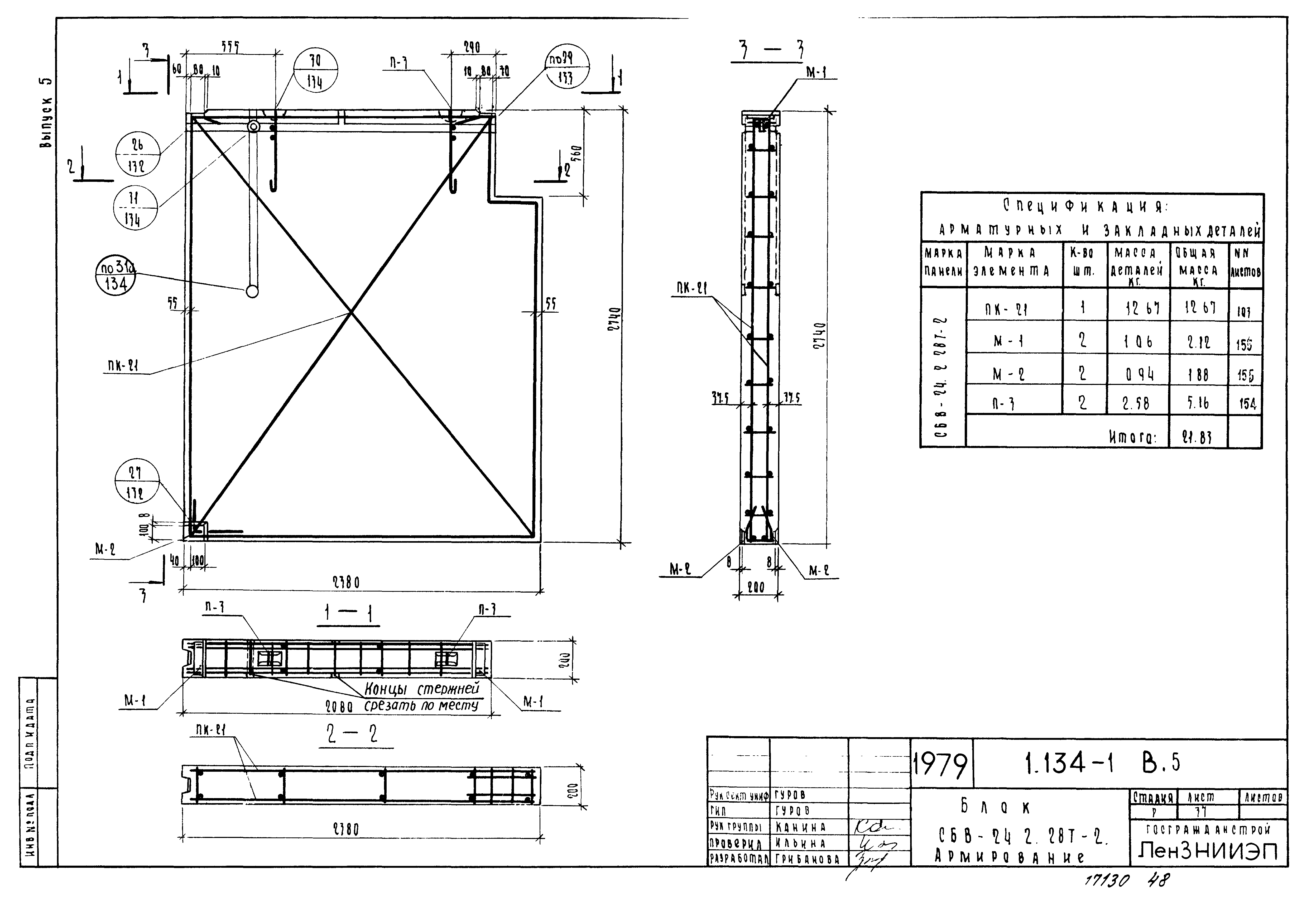
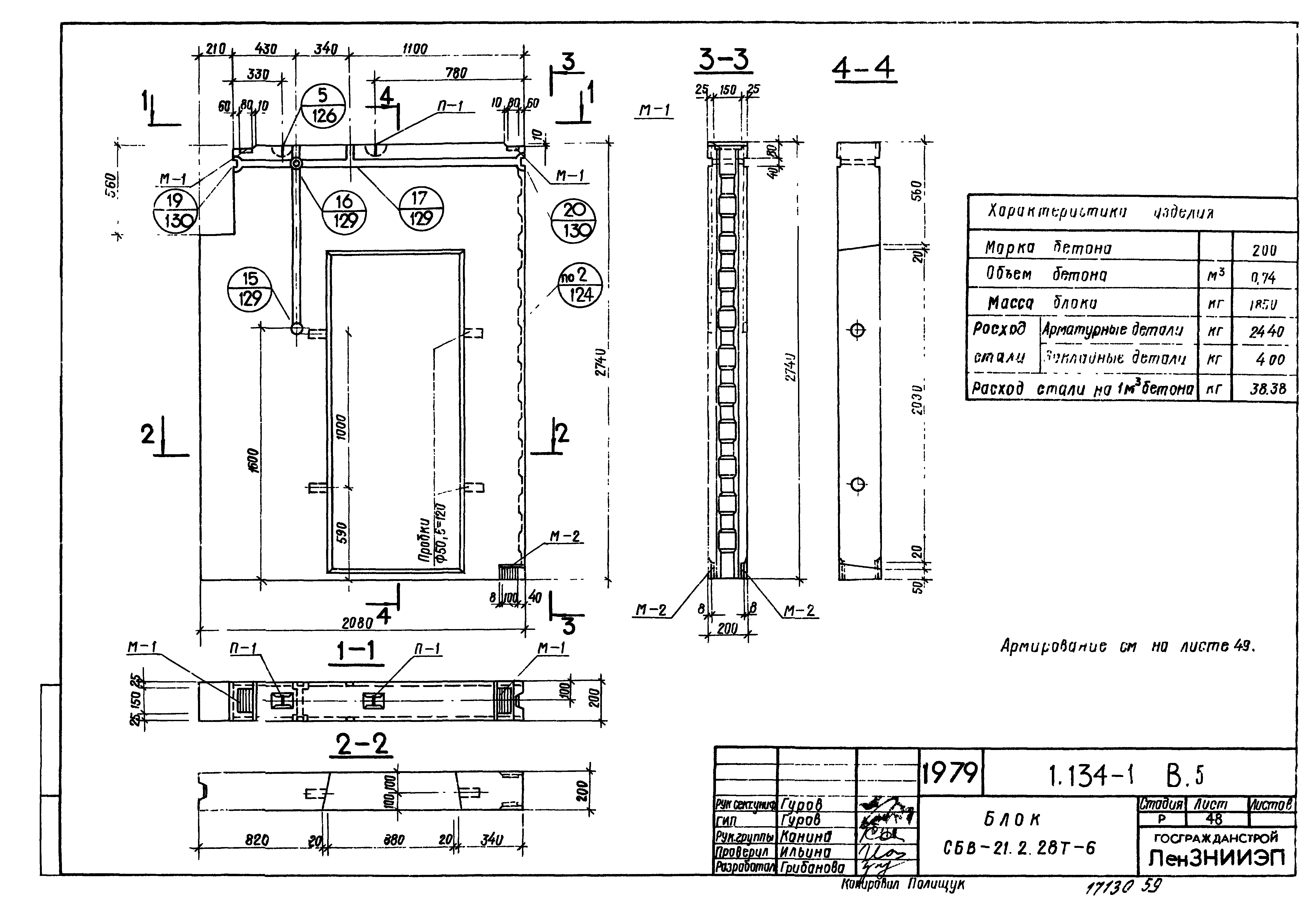
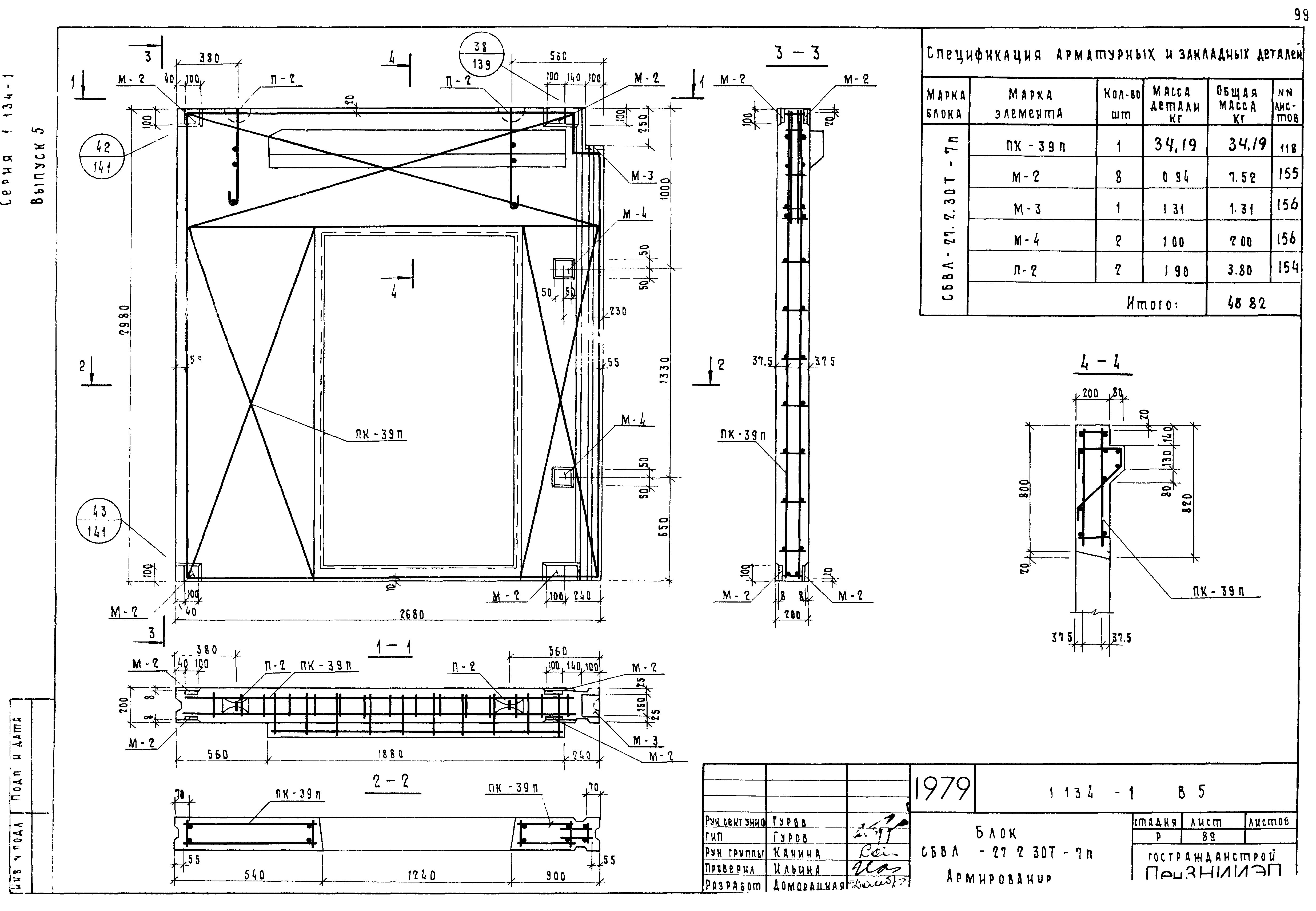
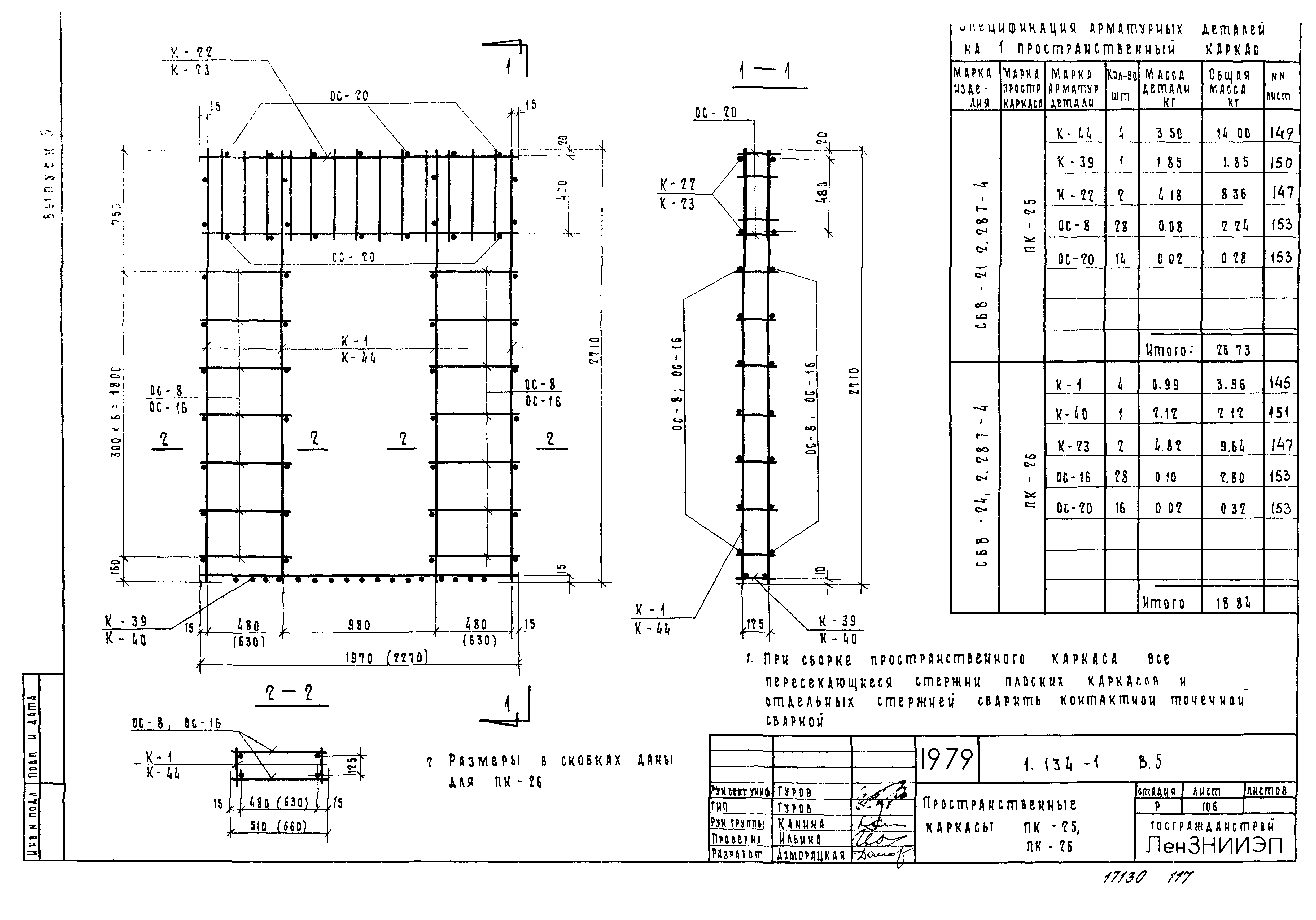
| Оглавление: | Содержание альбома Пояснительная записка Номенклатура изделий Блок СБВ-9.2.28Т-1 Блок СБВ-9.2.28Т-1. Армирование Блок СБВ-9.2.30Т-1 Блок СБВ-9.2.30Т-1. Армирование Блок СБВ-12.2.28Т-1 Блок СБВ-12.2.30Т-1 Блок СБВ-15.2.28Т-1 Блоки СБВ-12.2.28Т-1, СБВ-15.2.28Т-1. Армирование Блок СБВ-15.2.28Т-1 Блоки СБВ-12.2.28Т-1, СБВ-15.2.30Т-1. Армирование Блок СБВ-18.2.28Т-1 Блок СБВ-18.2.30Т-1 Блок СБВ-21.2.28Т-1 Блоки СБВ-18.2.28Т-1, СБВ-21.2.28Т-1. Армирование Блок СБВ-21.2.30Т-1 Блоки СБВ-18.2.30Т-1, СБВ-21.2.30Т-1. Армирование Блок СБВ-24.2.28Т-1 Блок СБВ-24.2.30Т-1 Блок СБВ-24.2.30Т-1. Армирование Блок СБВ-25.2.28Т-1 Блоик СБВ-24.2.28Т-1, СБВ-25.2.28Т-1. Армирование Блок СБВ-9.2.28Т-2 Блок СБВ-9.2.28Т-2. Армирование Блок СБВ-9.2.30Т-2 Блок СБВ-9.2.30Т-2. Армирование Блок СБВ-12.2.28Т-2 Блок СБВ-12.2.28Т-2. Армирование Блок СБВ-12.2.30Т-2 Блок СБВ-12.2.30Т-2. Армирование Блок СБВ-15.2.28Т-2 Блок СБВ-15.2.28Т-2. Армирование Блок СБВ-15.2.30Т-2 Блок СБВ-15.2.30Т-2. Армирование Блок СБВ-18.2.28Т-2 Блок СБВ-18.2.28Т-2. Армирование Блок СБВ-24.2.28Т-2 Блок СБВ-24.2.28Т-2. Армирование Блок СБВ-25.2.28Т-2 Блок СБВ-25.2.28Т-2. Армирование Блок СБВ-12.2.28Т-3 Блок СБВ-12.2.28Т-3. Армирование Блок СБВ-18.2.28Т-4 Блок СБВ-18.2.28Т-4. Армирование Блок СБВ-21.2.28Т-4 Блок СБВ-21.2.28Т-4. Армирование Блок СБВ-24.2.28Т-4 Блок СБВ-24.2.28Т-4. Армирование Блок СБВ-21.2.28Т-6 Блок СБВ-21.2.28Т-6. Армирование Блок СБВ-24.2.28Т-6 Блок СБВ-24.2.28Т-6. Армирование Блок СБВ-25.2.28Т-6 Блок СБВ-25.2.28Т-6. Армирование Блок СБВ-25.2.28Т-7 Блок СБВ-25.2.28Т-7. Армирование Блоки СБВ-14.2.5Т, СБВ-15.2.5Т Блоки СБВ-14.2.5Т, СБВ-15.2.5Т. Армирование Блок СБВ-15.2.8Т Блок СБВ-15.2.8Т. Армирование Блок СБВЭ-25.2.30Т-1П Блок СБВЭ-25.2.30Т-1П. Армирование Блок СБВЭ-25.2.30Т-1Л Блок СБВЭ-25.2.30Т-1Л. Армирование Блок СБВЭ-25.2.30Т-4П Блок СБВЭ-25.2.30Т-4П. Армирование Блок СБВЭ-25.2.30Т-4Л Блок СБВЭ-25.2.30Т-4Л. Армирование Блок СБВЛ-12.2.30Т-1П Блок СБВЛ-12.2.30Т-1П. Армирование Блок СБВЛ-12.2.30Т-1Л Блок СБВЛ-12.2.30Т-1Л. Армирование Блок СБВЛ-21.2.30Т-1П Блок СБВЛ-21.2.30Т-1П. Армирование Блок СБВЛ-21.2.30Т-1Л Блок СБВЛ-21.2.30Т-1Л. Армирование Блок СБВЛ-27.2.30Т-4П Блок СБВЛ-27.2.30Т-4П. Армирование Блок СБВЛ-27.2.30Т-4Л Блок СБВЛ-27.2.30Т-4Л. Армирование Блок СБВЛ-27.2.30Т-5П Блок СБВЛ-27.2.30Т-5П. Армирование Блок СБВЛ-27.2.30Т-5Л Блок СБВЛ-27.2.30Т-5Л. Армирование Блок СБВЛ-27.2.30Т-6П Блок СБВЛ-27.2.30Т-6П. Армирование Блок СБВЛ-27.2.30Т-6Л Блок СБВЛ-27.2.30Т-6Л. Армирование Блок СБВЛ-27.2.30Т-7П Блок СБВЛ-27.2.30Т-7П. Армирование Блок СБВЛ-27.2.30Т-7Л Блок СБВЛ-27.2.30Т-7Л. Армирование Пространственные каркасы ПК-1 и ПК-2 Пространственные каркасы ПК-3 и ПК-5 Пространственные каркасы ПК-4 и ПК-6 Пространственные каркасы ПК-7 и ПК-8 Пространственные каркасы ПК-9 и ПК-11 Пространственные каркасы ПК-10 и ПК-12 Пространственный каркас ПК-13 Пространственные каркасы ПК-14, ПК-16 Пространственные каркасы ПК-15, ПК-17 Пространственные каркасы ПК-18, ПК-20 Пространственный каркас ПК-19 Пространственные каркасы ПК-21, ПК-22 Пространственный каркас ПК-23 Пространственный каркас ПК-24 Пространственные каркасы ПК-25, ПК-26 Пространственный каркас ПК-27 Пространственный каркас ПК-28 Пространственный каркас ПК-29 Пространственный каркас ПК-30 Пространственные каркасы ПК-31, ПК-32, ПК-33 Пространственный каркас ПК-34П Пространственный каркас ПК-34Л Пространственный каркас ПК-35П Пространственный каркас ПК-34Л Пространственные каркасы ПК-36П, ПК-37П Пространственные каркасы ПК-36Л, ПК-37Л Пространственные каркасы ПК-38П, ПК-39П Пространственные каркасы ПК-38Л, ПК-39Л Пространственный каркас ПК-40П Пространственный каркас ПК-40Л Пространственный каркас ПК-41П Пространственный каркас ПК-41Л Узлы 1, 2, 2а Узлы 3, 4 Узлы 5, 6, 7, 8 Узлы 9, 10, 11 Узлы 12, 13, 46 Узлы 14, 15, 16, 17 Узлы 18, 19, 20, 21, 22 Узлы 23, 24, 25 Узлы 26, 27 Узлы 28, 29 Узлы 30, 31, 31а Узел 32 Узлы 33, 33а Узлы 34, 35 Узлы 36, 37 Узлы 38, 39 Узлы 40, 41 Узлы 42, 43 Узлы 44, 45 Расход стали на один блок Каркасы К-1/ К-3; К-6/ К-9 Каркасы К-10/ К-16 Каркасы К-17/ К-23; К-26 Каркасы К-24; К-25; К-27/ К-29 Каркасы К-30П п/л; К-31п/л; К-36п/л; К-44; К-45; К-50; С-1 Каркасы К-32/ К-34; К-39; К-37; К-38; К-35 Каркасы К-40/ К-42; К-43 п/л; К-49 п/л; К-52 Каркасы К-46/ К-47; К-48; К-51 п/л; К-53; К-54. Отдельные стержни ОС-29/ ОС-31 Отдельные стержни ОС-1/ ОС-28 Петли П-1/ П-6 Закладные детали М-1; М-2 Закладные детали М-3; М-5 |
| Разработан: | Госгражданстрой |
| Утверждён: | 26.12.1980 Госгражданстрой (Gosgrazhdanstroy 373) |
| Издан: | ЦИТП Госстроя СССР (CITP, Gosstroy (USSR) 1981 г. ) |
| Расположен в: | |
| Нормативные ссылки: |
|







































































































































































